И мы снова рады видеть вас в разделе, где мы изучаем устройство и способности той или иной материнской платы, комплект поставки и т.п.
Что касается работы центральных процессоров, то обзоры по ним — в отдельном разделе, и в частности, если мы говорим про платформу AMD, то у нас имеются материалы по AMD Ryzen 9 7950X, Ryzen 7 7800X3D, Ryzen 9 7950X3D, Ryzen 5 7700X и Ryzen 5 7600X.
Многие пользователи знают, что у компании MSI имеется три основных сегмента игровых материнских плат: MEG (самый «топ»), MPG (это MEG, но без ряда «фишек» по оверклокингу, ну и в целом наворотов мало) и MAG (а это самый дешевый игровой сегмент, где «штучек-дрючек» нет, но упор делается на простоту подключений и строгий дизайн под ПК любой конфигурации).
Герой нынешнего обзора — MSI MAG X670E Tomahawk WiFi. То есть материнка из семейства MAG (MSI Arsenal Gaming), которая относится к нижнебюджетным среди игровых решений (ну по сути самым простым), однако все равно являет собой отличный инструмент для современного ПК, обладая широкими возможностями как по набору периферии, так и по возможностям питания.
Приступим.
MSI MAG X670E Tomahawk WiFi поставляется в стандартной коробке. Комплект размещен под платой в отдельном отсеке.
Комплект поставки очень прост: кроме традиционных элементов типа руководства пользователя и кабелей SATA, имеются антенны встроенного Wi-Fi-модуля, дополнительные крепежи для М.2 слотов, бонусные стикеры.
ПО не поставляется, впрочем за время путешествия платы к покупателю оно все равно успевает устареть, так что придется его загружать с сайта производителя сразу после покупки.
«Заглушка» на заднюю панель с разъемами уже смонтирована на самой плате.
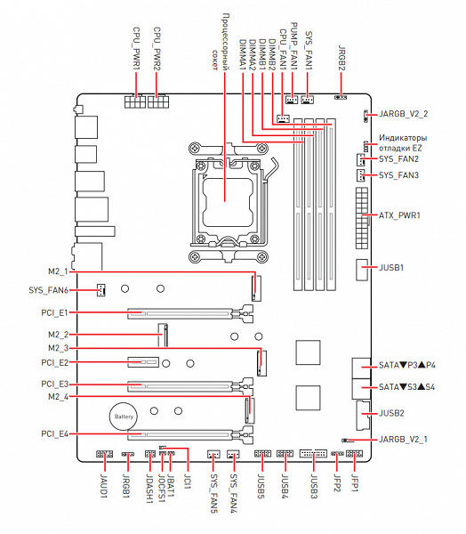
Форм-фактор
Форм-фактор ATX имеет размеры до 305×244 мм, а E-ATX — до 305×330 мм. Материнская плата MSI MAG X670E Tomahawk WiFi имеет размеры 305×244 мм, поэтому выполнена в форм-факторе ATX, и на ней имеются 9 монтажных отверстий для установки в корпус.
Оборотная сторона — почти пустая, там расположены некоторые элементы логики, включая ре-драйверы шины PCIe 5.0. Текстолит обработан хорошо: во всех точках пайки не только острые концы срезаны, но и все неплохо отшлифовано.
По традиции у всех плат от MSI на оборотной стороне обозначены места, где могут оставаться ненужные в данный момент крепежные втулки (чаще всего латунные), на которые обычно ложится матплата в корпусе, и к которым ее прикручивают. Эти места отмечены белой краской, и нарочно в них нет никаких электропроводных элементов, чтобы в случае установки матплаты не было случайных замыканий или повреждений от лишней крепежной втулки.
Технические характеристики
Традиционная таблица с перечнем функциональных особенностей.
| Поддерживаемые процессоры | AMD Ryzen 7xxx под AM5 |
|---|---|
| Процессорный разъем | AM5 |
| Чипсет | AMD X670E |
| Память | 4 × DDR5, до 192 ГБ (поддержка 48/24 ГБ модулей), до DDR5-7800 (XMP/Expo), два канала |
| Аудиоподсистема | 1 × Realtek ALC1200 (7.1) |
| Сетевые контроллеры | 1 × Realtek RTL8125BG Ethernet 2,5 Гбит/с 1 × AMD (MediaTek) Dual Band Wireless RZ616 (MT7922A22M) (Wi-Fi 802.11a/b/g/n/ac/ax (2,4/6 ГГц) + Bluetooth 5.2 ) |
| Слоты расширения | 1 × PCIe 5.0 x16 1 × PCIe 4.0 x4 1 × PCIe 4.0 x2 1 × PCIe 3.0 x1 |
| Разъемы для накопителей | 4 × SATA 6 Гбит/с (X670E) 1 × M.2 (CPU, PCIe 5.0 x4 для устройств формата 2280/22110) 1 × M.2 (X670E, PCIe 4.0 x4 для устройств формата 2260/2280) 1 × M.2 (X670E, PCIe 4.0 x4 для устройств формата 2260/2280) 1 × M.2 (X670E, PCIe 4.0 x4 для устройств формата 2260/2280) |
| USB-порты | 4 × USB 2.0: 2 внутренних разъема на 4 порта (X670E) 4 × USB 3.2 Gen1: 2 внутренних разъема на 4 порта (X670E) 4 × USB 3.2 Gen1: 4 портa Type-A (синие) (X670E+CPU) 1 × USB 3.2 Gen2x2: 1 порт Type-C (X670E) 1 × USB 3.2 Gen2: 1 внутренний разъем Type-C (X670E) 1 × USB 3.2 Gen2: 1 порт Type-C (CPU) 2 × USB 3.2 Gen2: 2 портa Type-A (красные) (X670E+CPU) |
| Разъемы на задней панели | 1 × USB 3.2 Gen2 (Type-C) 2 × USB 3.2 Gen2 (Type-A) 4 × USB 3.2 Gen1 (Type-A) 1 × USB 3.2 Gen2x2 (Type-C) 1 × RJ-45 5 аудиоразъемов типа миниджек 1 × S/PDIF (оптический, выход) 1 × HDMI 2.1 1 × DP 1.4a 2 антенных разъема кнопка перепрошивки BIOS — Flash BIOS |
| Прочие внутренние элементы | 24-контактный разъем питания ATX 2 8-контактных разъема питания EPS12V 1 слот M.2 (E-key), занят адаптером беспроводных сетей 1 разъем для подключения порта USB 3.2 Gen2 Type-C 2 разъемa для подключения 4 портов USB 3.2 Gen1 2 разъема для подключения 4 портов USB 2.0 8 разъемов для подключения 4-контактных вентиляторов и помп ЖСО 2 разъемa для подключения неадресуемой RGB-ленты 2 разъема для подключения адресуемой ARGB-ленты 1 разъем аудио для передней панели корпуса 1 переключатель безопасной загрузки 1 разъем для подключения управления с передней панели корпуса 1 разъем для устройств безопасности TPM |
| Форм-фактор | ATX (305×244 мм) |
| Розничные предложения |
Основная функциональность: чипсет, процессор, память

Схема работы связки чипсет+процессор.
Процессоры Ryzen 7000 поддерживают:
- 3 порта USB 3,2 Gen2 Type-C,
- 1 порт USB 3,2 Gen2 Type-A,
- 1 порт USB 2.0,
- 28 линий ввода-вывода (включая PCI-E 5.0):
- 4 линии из них идут на взаимодействие с X670/X670E,
- 16 линий — это PCI-E 5.0 слоты для видеокарт,
- Осталось 8 линий PCIe 5.0:
- 4 линии — это слот M.2,
- остальные 4 могут конфигурироваться производителями материнских плат на выбор.
В свою очередь чипсет X670/X670E поддерживает до:
- 8 портов USB 3.2 Gen2,
- 2 портов USB 3.2 Gen2x2,
- 12 портов USB 2.0,
- 24 линии ввода-вывода:
- 4 линии для связи внутри микросхем чипсета (см. ниже).
- Остальные 20 линий распределяются как 12 PCIe 4.0 + 8 PCIe 3.0 (включая до 8 портов SATA).
Таким образом в сумме от тандема X670/X670E+Ryzen 7000 мы получаем:
- 16 PCI-E 5.0 линий для видеокарт (от процессора);
- 2 порта USB 3.2 Gen2x2 (от чипсета);
- 12 портов USB 3.2 Gen2 (4 от процессора, 8 от чипсета);
- 13 портов USB 2.0 (1 от процессора, 12 от чипсета);
- 8 портов SATA 6Гбит/с (от чипсета)
- 8 линий PCIe 5.0 (от процессора), 4 из которых — на слот М.2, 4 — могут образовывать разные варианты комбинаций портов и слотов (в зависимости от производителя материнских плат);
- 12 линий PCI-E 4.0 ( от чипсета), которые могут образовывать разные варианты комбинаций портов и слотов (в зависимости от производителя материнских плат);
- 8 линий PCI-E 3.0 ( от чипсета), которые могут образовывать разные варианты комбинаций портов и слотов (в зависимости от производителя материнских плат).
Итого: 25 портов USB, 28 свободных PCI-E линий (включая до 8 портов SATA).
Здесь надо сказать два основных момента:
- Отличия между чипсетами X670 и X670E
- Почему чипсет состоит из двух микросхем.
Чипсеты AMD X670 и X670E полностью равнозначны по функциональности (набору портов и линий), но слот PCIe x16 (для видеокарт), получаемый данные от процессора в случае X670E получает версию PCIe 5.0, а в случае X670 — 4.0. Отсутствие версии 5.0 у слота для видеокарт помогает снизить стоимость материнских плат в случае с X670, ибо разработчики смогут экономить на усилителях (редрайверах) сигнала PCIe 5.0, которые пока весьма недешевы, а также матплаты с X670 не имеют крайне жестких требований к разводке печатной платы, чтобы избежать искажений сигналов.
Чипсет X670/X670E получил сильно больше как портов, так и линий PCIe, нежели предшественник, и чтобы не получить одну очень горячую микросхему, памятуя проблему чипсета X570, которому на начальных порах требовался весьма шумный вентилятор, AMD разделила функциональность на две микросхемы по принципу: «восходящее» и «нисходящее» соединения. «Восходящий» чип подключен к процессору через PCIe 4.0 x4, а «нисходящий» к «восходящему» через другое соединение PCIe 4.0 x4. Обе микросхемы произведены силами ASMedia.
Новое поколение Ryzen 7xxx поддерживает как традиционные уже модули памяти DDR5 c Intel XMP (Extreme Memory Profile), так и модули с проприетарным от AMD профилем Expo.
Детально об этом всем имеется в материале по самому процессору Ryzen 9 7950X и архитектуре Zen4.
Плата MSI поддерживает процессоры AMD поколения 7000, выполненные под разъем (сокет) AM5.
Для установки модулей памяти на плате имеется четыре DIMM-слота (для работы памяти в Dual Channel в случае использования всего 2 модулей их следует устанавливать в А2 и B2). Плата поддерживает небуферизованную память DDR5, а максимальный объем памяти составляет 192 ГБ. Поддерживаются профили XMP и Expo, а также емкости модулей 24 и 48 ГБ (следует только обновить BIOS).

Слоты DIMM не имеют металлической окантовки, однако имеются металлические перемычки в местах замков у модулей DIMM для гарантированной посадки модуля в слоту.
Периферийная функциональность: PCIe, SATA, разные «фенечки»
Выше мы изучили потенциальные возможности тандема X670E+Ryzen, а теперь посмотрим, что из этого и как реализовано в данной материнской плате.
Итак, кроме USB-портов, к которым мы подойдем позже, чипсет X670E обладает 20 PCIe линиями (плюс 4 линии на аплинк с процессором). Считаем, сколько линий уходит на поддержку (связь) с тем или иным элементом:
- слот PCIe x1 (PCI_E2) (1 линия PCIe 3.0);
- порты SATA_1/2/3/4 (4 линии PCIe 3.0);
- Слот M.2_2 (4 линии PCIe 4.0);
- Слот M.2_3 (4 линии PCIe 4.0);
- Переключатель: или Слот M.2_4 (4 линии PCIe 4.0); или слот PCIe x16_3 (PCI_E4) (2 линии PCIe 4.0);
- Realtek RTL8125BG (Ethernet 2,5Gb/s) (1 линия PCIe 3.0);
- AMD RZ616 WIFI/BT (Wireless) (1 линия PCIe 3.0)
19 линий PCIe оказались занятыми (12 PCIe 4.0 + 7 PCIe 3.0). В процессорах Ryzen встроен контроллер High Definition Audio (HDA), связь с аудиокодеками старых выпусков (ниже RTL 4080) идет путем эмуляции PCI шины. Один порт USB 2.0 расходуется на поддержку BT (при наличии слота M.2 (key E). Детально об этом ниже в разделе USB-портов.
Теперь посмотрим выше на то, как работают процессоры в данной конфигурации. У всех Ryzen 7xxx — 24 линии PCIe (плюс 4 линии на даунлинк с чипсетом). У платы имеется всего один слот PCIe x16_1 (PCI_E1) с поддержкой 16 линий PCIe 5.0, так что перераспределений линий между слотами PCIe 5.0 нет.
Теперь в целом про слоты PCIe.
Всего на плате есть 4 слота: слот PCIe x16_1 (PCI_E1) (для видеокарт или других устройств), слот PCIe x16_2 (PCI_E3, фактически имеющий 4 линии), один PCIe_x1 (PCI_E2) и один PCIe x16_3 (PCI_E4, поддерживающий только 2 линии). Если про первый PCIe x16 я выше уже рассказал (он подключен к CPU), то PCIe x16_2 подключен также к процессору (но 4-мя линиями PCIe 4.0), а вот третий «длинный» PCIe x16_3 (PCI_E4) подключен к X670E и работает в режиме х2. Также и PCIe x1 (PCI_E2) подключен к чипсету X670E, но уже линией PCIe 3.0.
Первый слот PCIe x16 имеет металлическое армирование из нержавеющей стали, которое увеличивает надежность (что может быть важным в случае довольно частой смены видеокарт, но что более важно: такой слот легче выдержит нагрузку на изгиб в случае установки очень тяжелой видеокарты топового уровня. Кроме того, такая защита предохраняет слот от электромагнитных помех.
Матплата позволяет смонтировать СО любого размера.
А также имеются усилители (ре-драйверы) сигнала PCIe 5.0 от TI.
На очереди — накопители.
Всего у платы 4 разъема Serial ATA 6 Гбит/с + 4 слота для накопителей в форм-факторе M.2.
4 порта SATA реализованы через чипсет X670E и поддерживают создание RAID.
Материнская плата сама имеет 4 гнезда форм-фактора М.2.
Второй, третий и четвертый слоты M.2 (M.2_2, M.2_3, M.2_4) получают данные от чипсета X670E (PCIe 4.0), а первый — от CPU (PCIe 5.0). При этом все слоты работают с модулями только с PCIe интерфейсом. M.2_2, M.2_3, M.2_4 поддерживают размеры модулей: 2260/2280, а слот М.2_1 поддерживает размеры 2280/22110.
Не забываем, что слот М.2_4 делит ресурсы со слотом PCIe x16_3 (PCI_E4): при использовании последнего, М.2_4 переходит в режим PCIe 4.0 x2.
Для реализации этого переключения имеется мультиплексор ASM2480 от ASMedia.
Не все M.2 слоты имеют радиаторы. M.2_1 обладает отдельным радиатором (причем с возможностью двухстороннего охлаждения модуля SSD), когда как M.2_2 и M.2_3 имеют общий радиатор. А слот M.2_4 – без штатного охлаждения.
Периферийная функциональность: USB-порты, сетевые интерфейсы, ввод-вывод
Теперь на очереди USB-порты и прочие вводы-выводы. И начнем с задней панели, куда выведены большинство из них.
Повторим: чипсет X670E способен реализовать максимально: 8 портов USB 3.2 Gen2/1, 2 USB 3.2 Gen2x2, 12 портов USB 2.0. Процессор Ryzen 7000 способен реализовать до 4 портов USB 3.2 Gen2 и 1 USB 2.0.
Также мы помним и про 20 линий PCIe от чипсета, которые идут на поддержку накопителей, сетевых и иных контроллеров (я выше уже показал на что и как расходуются 19 линий).
И что мы имеем? Всего на материнской плате — 17 портов USB:
- 1 порт USB 3.2 Gen2x2: реализован с помощью X670E и представлен на задней панели портом Type-C;
- 4 порта USB 3.2 Gen2: 2 реализованы через X670E и один представлен внутренним портом Type-C (для подключения к соответствующему разъему на передней панели корпуса), второй на задней панели портом Type-A (красного цвета); 2 реализованы через CPU и представлены на задней панели портом Type-A (красного цвета) и портом Type-C;
- 8 портов USB 3.2 Gen1: 7 реализованы через X670E и 4 представлены двумя внутренними разъемами на материнской плате (каждый на 2 порта); еще 3 представлены на задней панели портами Type-A (синего цвета); 1 реализован через CPU и представлен на задней панели портом Type-A (синего цвета);
- 4 порта USB 2.0/1.1: все реализованы через X670E и 4 представлены двумя внутренними разъемами (каждый на 2 порта).
У нас 1 контроллер использует USB 2.0 линии от CPU: это беспроводной сетевой адаптер (AMD RZ616).
Итак, через чипсет X670E реализовано высокоскоростных портов USB:
- + 1 выделенных USB 3.2 Gen2x2;
- + 2 выделенных USB 3.2 Gen2
- + 7 выделенных USB 3.2 Gen1
= 10 высокоскоростных портов и 4 USB 2.0 портов (4 выделенных).
Плюс 19 линий PCIe, выделенные на поддержку иной периферии. Итого, у X670E в данном случае реализовано 29 высокоскоростных портов.
Все быстрые USB 3.2 порты оснащены ре-драйверами.




Теперь о сетевых делах.
Материнская плата оснащена средствами связи хорошо. Имеется скоростной Ethernet-контроллер Realtek RTL8125BG, способный работать по стандарту 2,5 Гбит/с.
Имеется и комплексный беспроводной адаптер на контроллере MediaTek MT7922A22M (AMD RZ616), через который реализованы Wi-Fi 6E (802.11a/b/g/n/ac/ax) и Bluetooth 5.2. Он установлен в слот M.2 (E-key), и его разъемы для привинчивания выносных антенн выведены на заднюю панель.
Заглушка, традиционно надеваемая на заднюю панель, в данном случае уже надета, и изнутри экранирована для снижения электромагнитных помех.
Аудиоподсистема
В данном случае применен аудиокодек Realtek ALC1200. Он обеспечивает вывод звука по схемам до 7.1 с разрешением до 24 бит / 192 кГц.
В аудиоцепях платы применяются «аудиофильские» конденсаторы Nichicon Fine Gold.
Аудиотракт вынесен на угловую часть платы, не пересекается с другими элементами.
Все аудиоразъемы на задней панели не имеют привычную цветовую окраску разъемов, поэтому ориентироваться можно только по обозначениям.
Питание, охлаждение
Для питания платы на ней предусмотрены 3 разъема: в дополнение к 24-контактному ATX (он на правой стороне платы (на фото — слева) здесь есть еще два 8-контактных EPS12V.
Внешне схема питания выглядит как 14+2+1: 14 фаз — ядро процессора, 2 фазы — SoC (I/O-чиплет Ryzen), 1 фаза — VDD_MISC (вывод встроенной графики).
Каждый канал фазы VCore и SoC имеет суперферритовый дроссель и транзисторную сборку MP87670 от Monolith Power Systems (до 70A).
Управляет схемой питания VCore и SoC ШИМ-контроллер MP2857 от того же MPS, рассчитанный максимум на 12 фаз.
Очевидно, что схема питания должна иметь или удвоители, или просто параллельные потоки. Первых мы не нашли, так что просто параллельное управление. Так что, схема реально выглядит как 7х2+2+1 – всего 10 реальных фаз питания, девятью из них и управляет вышеназванный ШИМ-контроллер.
1 фаза питания графического ядра образована также суперферритовым дросселем и сборкой от MXL7630 от MaxLinear на 30 А.
Теперь про охлаждение.
Все потенциально сильно греющиеся элементы имеют свои собственные радиаторы.
Как мы видим, охлаждение чипсета (один радиатор) организовано отдельно от силовых преобразователей. VRM-секции имеют свои два раздельных радиатора.
Как я уже упоминал ранее, три M.2 слота также имеют радиаторы: у верхнего — свой персональный радиатор, у М.2_3 и М.2_2 – общий радиатор. А M.2_4 – без охлаждения.
Подсветка
Программное обеспечение под Windows
Настройки BIOS
Работоспособность (и разгон)
Запускаем все в режиме по умолчанию (но при этом активизируем MCE). Затем нагружаем тестами OCCT.
Хорошо известно, что современные технологии авторазгона от Intel (Turbo Boost) и AMD (Precision Boost) базируют свои лимиты подъема частот на информации о системе питания на той или иной матплате (сами понимаете, все контроллеры цифровые, в UEFI вся информация имеется). Также следует отметить, что данная плата способна четко реализовать контроль за частотой IF (Infinity Fabric) (разумеется, если она выставлена в режиме Auto) и выставляет множитель для частоты памяти автоматически.
В данном случае авторазгон сработал отлично с учетом весьма сильной нагрузки на процессор, нагрев всех потенциально сильно греющихся элементов был в рамках нормы, процессор потреблял около 160 Вт, все ядра спокойно работали на частоте 5,3 ГГц (что для такого уровня матплаты – крайне хорошо!
С учетом того, что эта матплата – не оверклокерская, относится к самому простому семейству игровых плат MAG, такого авторазгона более чем достаточно.
Выводы
MSI MAG X670E Tomahawk WiFi — добротный представитель серии игровых плат MAG с примерной стоимостью в районе 30-35 тысяч рублей. Рассмотренная модель предназначена для поддержки процессоров AMD Ryzen 7000 и, конечно, подойдет любым покупателям, а не только геймерам.
У платы 17 USB-портов, включая 4 очень быстрых USB 3.2 Gen2, а также 1 самый быстрый USB 3.2 Gen2×2. Есть 2 слота PCIe х16, один из которых подключен к процессору 16 линиями PCIe, причем версии 5.0, а другой также подключен к CPU и работает в режиме х4. Имеется и третий «длинный» слот, но он уже подключен к чипсету, причем всего двумя линиями PCIe 4.0. Также у платы 4 слота M.2: один из них подключен напрямую к процессору, 3 других подключены к чипсету X670E — все линиями PCIe 4.0.
Еще у этой модели 4 порта SATA и 8 разъемов для вентиляторов. Система питания процессора довольно мощная и способна обеспечить работу любых совместимых процессоров с некоторым запасом на разгон. Сетевые возможности хорошие: быстрый проводной контроллер 2,5 Гбит/с, а также один самый современный беспроводной. В числе плюсов платы можно упомянуть возможности для подключения RGB-устройств подсветки.





























































































