(В видеосъемках участвовала карта Palit GeForce RTX 3090 GameRock OC)
Традиционно отметим отличия между Z490 и Z590.
Имеем 30 высокоскоростных портов, при этом у Z590 добавилось до 3х интегрированных USB 3.2 Gen2x2 (до 20 Gb/s) портов (правда каждый из них требует поддержки со стороны двух USB 3.2 Gen2, поэтому их стало до 10 штук вместо 8 в Z490). Поддержка аудиотракта с внутреннего канала HDA перешла на USB 2.0 (собственно, один из имеющихся 14 портов такого типа теперь всегда привязан к этой функции). Однако главное новшество в платформу вносит 11е поколение процессоров, имеющих уже поддержку PCIe 4.0 в виде 20 линий (а не 16, как у предыдущих поколений), поэтому это дает возможность разместить на матплатах М.2 слоты, получающие данные непосредственно от процессора, причем через PCIe 4.0 (наконец-то SSD Gen4 смогут получить больший спрос).
В силу единого сокета LGA1200 имеется взаимная совместимость процессоров 11го и 10го поколений на матплатах с Z490/Z590. И потому еще на материнках с Z490 производителями закладывалась возможность работы с 11ххх процессорами (после обновления BIOS, разумеется), еще год назад некоторые платы уже тогда имели М.2 слоты, отрекламированные как «для будущего поколения», то есть на тот момент они была выключены. То есть теперь можно просто купить процессор типа Core 11ххх и вставить в подобную материнскую плату, получив как заработавший М.2 слот, привязанный к процессору, так и поддержку PCIe 4.0 в слотах PCIe x16 для видеокарт. Разумеется, остальные нововведения, касаемые Z590, там будут недоступны.
Теперь к предмету сегодняшнего изучения. Опытные пользователи знают, что у компании MSI имеется три основных сегмента игровых материнских плат: MEG, MPG и MAG.
Герой нынешнего обзора — MSI MPG Z590 Gaming Carbon WiFi. То есть материнка из семейства MPG (MSI Performance Gaming), которая не относится к топовым (все флагманы — в семействе MEG), однако являет собой все равно очень мощный инструмент для современного ПК, обладая всеми широкими возможностями как по набору периферии, так и по возможностям питания.
Ну и вот она сама.
MSI MPG Z590 Gaming Carbon WiFi поставляется в стандартной коробке фирменного дизайна серии MPG. Комплект размещен под платой в отдельном отсеке (только лишь антенна беспроводной связи закреплена над материнкой).
Комплект поставки весьма хорош: кроме традиционных элементов типа руководства пользователя и кабелей SATA, имеются USB-накопитель с ПО, антенна встроенного Wi-Fi-модуля, винтики для М.2 слотов, разветвители для подключения подсветок, провода с термодатчиками, бонусные стикеры, подарочные ключи-отвертки и щетка.
ПО поставляется на накопителе типа USB-flash-drive, впрочем за время путешествия платы к покупателю оно все равно успевает устареть, так что придется его обновлять с сайта производителя сразу после покупки. Примечательны бонусы: это двухсторонняя компактная щетка с мягкой и жесткой щетиной для уборки ПК и периферии от пыли, которая может стать прекрасным и очень нужным девайсом в повседневной жизни пользователя ПК.


А также есть две отвертки (плоская и крестовидная), выполненные в виде ключей на кольце. Тоже полезный сувенир!
«Заглушка» на заднюю панель с разъемами уже смонтирована на самой плате.
Форм-фактор
Форм-фактор ATX имеет размеры до 305×244 мм, а E-ATX — до 305×330 мм. Материнская плата MSI MPG Z590 Gaming Carbon WiFi имеет размеры 305×244 мм, поэтому выполнена в форм-факторе ATX, и на ней имеются 9 монтажных отверстий для установки в корпус.
Оборотная сторона — не пустая, там расположена некоторая логика. Текстолит обработан хорошо: во всех точках пайки не только острые концы срезаны, но и все неплохо отшлифовано.
Однако это не все. По традиции у всех плат от MSI на оборотной стороне обозначены места, где могут оставаться ненужные в данный момент крепежные втулки (чаще всего латунные), на которые обычно ложится матплата в корпусе, и к которым ее прикручивают. Эти места отмечены белой краской, и нарочно в них нет никаких электропроводных элементов, чтобы в случае установки матплаты не было случайных замыканий или повреждений от лишней крепежной втулки.
Технические характеристики
Традиционная таблица с перечнем функциональных особенностей.
| Поддерживаемые процессоры | Intel Core 10-го и 11-го поколений |
|---|---|
| Процессорный разъем | LGA 1200 |
| Чипсет | Intel Z590 |
| Память | 4 × DDR4, до 128 ГБ, до DDR4-5333 (XMP), два канала |
| Аудиоподсистема | 1 × Realtek ALC4082 (7.1) + операционный усилитель Savitech SV3H712 |
| Сетевые контроллеры | 1 × Intel I225-V Ethernet 2,5 Гбит/с 1 × Intel Dual Band Wireless AX210NGW (Wi-Fi 802.11a/b/g/n/ac/ax (2,4/5 ГГц) + Bluetooth 5.2) |
| Слоты расширения | 2 × PCIe 4.0 x16 (режимы x16, x8+x8)(для процессоров 10ххх - PCIe 3.0) 1 × PCIe 3.0 x16 (режим x4) 2 × PCIe 3.0 x1 (режим x1) |
| Разъемы для накопителей | 6 × SATA 6 Гбит/с (Z590) 1 × M.2 (CPU, PCIe 4.0 x4 для устройств формата 2242/2260/2280/22110)(только для процессоров 11ххх!) 3 × M.2 (Z590, PCIe 3.0 x4/SATA для устройств формата 2242/2260/2280) |
| USB-порты | 4 × USB 2.0: 2 внутренних разъема на 4 порта (Genesys Logic GL850S) 4 × USB 2.0: 2 порта Type-A (черные) на задней панели (Genesys Logic GL850S) 2 × USB 3.2 Gen1: 2 порта Type-A (синие) на задней панели (Z590) 2 × USB 3.2 Gen1: 1 внутренний разъем на 2 порта (Z590) 1 × USB 3.2 Gen2: 1 внутренний разъем Type-C (Z590) 3 × USB 3.2 Gen2: 3 порта Type-A (красные) (Z590) 1 × USB 3.2 Gen2x2: 1 порт Type-C на задней панели (Z590) |
| Разъемы на задней панели | 1 × USB 3.2 Gen2 (Type-C) 3 × USB 3.2 Gen2 (Type-A) 2 × USB 3.2 Gen1 (Type-A) 4 × USB 2.0 (Type-A) 1 × RJ-45 5 аудиоразъемов типа миниджек 1 × S/PDIF (оптический, выход) 1 × HDMI 2.0b 1 × Display Port 1.4 2 антенных разъема кнопка перепрошивки BIOS — Flash BIOS |
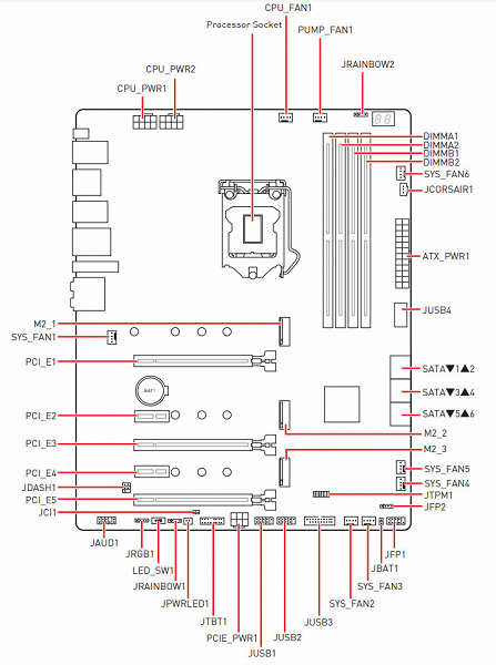
| Прочие внутренние элементы | 24-контактный разъем питания ATX 2 8-контактный разъем питания EPS12V 1 6-контактный разъем питания PCIe 1 слот M.2 (E-key), занят адаптером беспроводных сетей 1 разъем для подключения порта USB 3.2 Gen2 Type-C 1 разъем для подключения 2 портов USB 3.2 Gen1 2 разъема для подключения 4 портов USB 2.0 8 разъемов для подключения 4-контактных вентиляторов и помп ЖСО 1 разъем для подключения неадресуемой RGB-ленты 2 разъема для подключения адресуемой ARGB-ленты 1 разъем для подключения RGB Corsair 1 разъем аудио для передней панели корпуса 1 разъем для сброса CMOS 1 разъем Thunderbolt 1 разъем TPM для устройств безопасности 1 переключатель подсветки 2 разъема для подключения управления с передней панели корпуса |
| Форм-фактор | ATX (305×244 мм) |
| Розничные предложения |
Основная функциональность: чипсет, процессор, память

Схема работы связки чипсет+процессор.

Формально имеется поддержка памяти до 3200 МГц, однако всем хорошо известно, и производители материнских плат это активно рекламируют: через XMP-профили сейчас можно использовать частоты до 4800 и выше МГц. В частности данная плата поддерживает частоты до 5333+ МГц.
Процессоры Intel Core 11-го поколения (совместимые с сокетом LGA1200 и поддерживаемые Z590) имеют 20 линий ввода-вывода PCIe 4.0, не имеют USB и SATA портов. При этом взаимодействие с Z590 идет по особому каналу Digital Media Interface 3.0 (DMI 3.0), который в Z590 ускорен в 2 раза. Все PCIe линии процессора идут на слоты расширения PCIe и порт М.2. Serial Peripheral Interface (SPI) используется для взаимодействия с системой UEFI/BIOS, а шина Low Pin Count (LPC) — для связи с устройствами ввода/вывода, не требующими высокой пропускной способности (контроллерами вентиляторов, TPM, старой периферии). Процессоры Intel Core 10-го поколения (совместимые с сокетом LGA1200 и поддерживаемые Z490/590) имеют 16 линий ввода-вывода PCIe 3.0, которые идут только на слоты расширения PCIe.
В свою очередь чипсет Z590 поддерживает в сумме 30 линий ввода/вывода, которые распределяться могут так:
- до 14 портов USB (из которых до 3 портов USB 3.2 Gen2х2, 10 портов USB 3.2 Gen2, до 10 портов USB 3.2 Gen1, до 14 портов USB 2.0, линии USB 2.0 используются в том числе и для поддержки 3.2 портов, а каждый порт USB 3.2 Gen2х2 требует поддержки со стороны двух USB 3.2 Gen2);
- до 8 портов SATA 6Гбит/с;
- до 24 линий PCIe 3.0.
Понятно, что если всего 30 портов у Z590, то все указанные выше порты должны укладываться в этот лимит, поэтому уже привычный дефицит линий PCIe будет иметь место и в данном случае.
Еще раз надо напомнить, что MSI MPG Z590 Gaming Carbon WiFi поддерживает процессоры Intel Core 10-го и 11-го поколения, выполненные под разъем (сокет) LGA1200. Система крепления систем охлаждения для CPU точно такая же, как и для LGA1151.
Для установки модулей памяти на плате MSI имеется четыре DIMM-слота (для работы памяти в Dual Channel в случае использования всего 2 модулей их следует устанавливать в А2 и B2. Плата поддерживает небуферизованную память DDR4 (non-EСС), а максимальный объем памяти составляет 128 ГБ (при использовании UDIMM последнего поколения по 32 ГБ). Разумеется, поддерживаются профили XMP.
Слоты DIMM не имеют металлической окантовки, которая препятствует деформации слотов и печатной платы при установке модулей памяти и защищает от электромагнитных помех, и которая обычно всегда является составной частью флагманского набора у материнских плат.
Периферийная функциональность: PCIe, SATA, разные «фенечки»
Выше мы изучили потенциальные возможности тандема Z590+Core, а теперь посмотрим, что из этого и как реализовано в данной материнской плате.
Кроме USB-портов, к которым мы подойдем позже, чипсет Z590 обладает 24 PCIe линиями. Считаем, сколько линий уходит на поддержку (связь) с тем или иным элементом (надо учитывать, что из-за дефицита PCIe линий некоторые элементы периферии делят их, и потому использовать одновременно нельзя: для этих целей у материнской платы существуют мультиплексоры):
- Переключатель: или порты SATA_5/6 (2 линии), или слот M.2_3 (4 линии): максимум 4 линии;
- Переключатель: или порт SATA_2 (1 линия) + M.2_2 в режиме SATA, или слот M.2_2 в режиме PCIe x4 (4 линии): максимум 4 линии;
- Слот PCIe x16_3 (4 линии);
- Слот PCIe x1_1 (1 линия);
- Слот PCIe x1_2 (1 линия);
- Intel i225-V (Ethernet 2,5Gb/s) (1 линия);
- Intel AX210NGW WIFI/BT (Wireless) (1 линия);
- 3 порта SATA_0,2,3 (3 линии)
19 линий PCIe оказались занятыми. В чипсете Z590 связь с аудиокодеками идет через USB-порт. Также один USB 2.0 расходуется на поддержку BT (при наличии слота M.2 (key E) и два контроллера GL850G для своих нужд используют сигнальные линии USB 2.0 Детально об этом ниже в разделе USB-портов.
Теперь посмотрим выше на то, как работают процессоры в данной конфигурации. У CPU 11-го поколения всего 20 линий PCIe, 4 из них отведены на порт М.2. У CPU 10-го поколения всего 16 линий (нет выделения линий на М.2 порт). Оставшиеся 16 линий надо делить на два слота PCIe x16 (_1 и _2). Вариантов переключения несколько:
- Слот PCIe x16_1 имеет 16 линий (слот PCIe x16_2 отключен, всего одна видеокарта);
- Слот PCIe x16_1 имеет 8 линий, слот PCIe x16_2 имеет 8 линий;
Надо особо отметить, что в случае установки видеокарты в PCIe x16_2 при пустом PCIe x16_1, оба они все равно получают по 8 линий.
Теперь в целом про слоты PCIe.
Всего на плате есть пять слотов: три PCIe x16 (для видеокарт или других устройств) и два PCIe x1. Если про первые два PCIe x16 (первый и третий по общему счету) я выше уже рассказал (они подключены к CPU), то PCIe x16_3 (пятый по общему счету) подключен к Z590, и он рассчитан на режим только х4. То есть аппаратно режим х16 поддерживает только первый слот.
Как видим, перераспределение линий PCIe между слотами у этой материнки имеется, поэтому востребованы мультиплексоры PI3EQX16 от Diodes Inc. (ex Pericom).
Первые два «длинных» слота PCIex16 (первый и третий по общему счету) имеют металлическое армирование из нержавеющей стали, которое увеличивает их надежность (что может быть важным в случае довольно частой смены видеокарт, но что более важно: такой слот легче выдержит нагрузку на изгиб в случае установки очень тяжелой видеокарты топового уровня. Кроме того, такая защита предохраняет слоты от электромагнитных помех.
Матплата позволяет смонтировать СО любого размера.
На очереди — накопители.
Всего у платы 6 разъемов Serial ATA 6 Гбит/с + 3 слота для накопителей в форм-факторе M.2. Все порты SATA реализованы через чипсет Z590 и поддерживают создание RAID.
Три порта SATA делят ресурсы с портами M.2, но об этом ниже.
Теперь про M.2. Материнская плата имеет 3 гнезда такого форм-фактора.
Второй и третий слоты M.2 (M2_2, M2_3) получают данные от чипсета Z590 и поддерживают модули с любым интерфейсом, а верхний слот M.2 (M2_1) получает данные от CPU и работает с модулями только с PCIe интерфейсом, и только он поддерживает модули размерами до 22110 включительно. Остальные три слота поддерживают размеры модулей: 2242/2260/2280.
На двух нижних M.2 можно организовать RAID, а также использовать для Intel Optane Memory.
Поскольку количество HSIO линий у Z590 ограничено тридцатью, то приходится делить ресурсы. Поэтому если в слот M.2 (M2_2) вставлен накопитель с интерфейсом SATA, то это автоматом отключит порт SATA_2 (ну и наоборот, если последний задействован, то слот M.2 (M2_2) будет работать только в режиме PCIe x4/x2).
Так же M2_3 взаимоисключает совместную работу с портами SATA_5 и SATA_6. И только верхний M2_1 не делит ресурсы ни с чем.
Для обеспечения переключений между М.2 и SATA портами имеются мультиплексоры ASM1480 от ASMedia.
Все M.2 слоты имеют радиаторы. Верхний M2_1 и нижний М2_3 обладают отдельными радиаторами, когда как средний слот M.2 имеет радиатор, совмещенный с крышкой радиатора системного чипсета.
Периферийная функциональность: USB-порты, сетевые интерфейсы, ввод-вывод
Теперь на очереди USB-порты и прочие вводы-выводы. И начнем с задней панели, куда выведены большинство из них.
Повторим: чипсет Z590 способен реализовать не более 14 портов USB, из которых может быть до 10 портов USB 3.2 Gen1, до 10 портов USB 3.2 Gen2, до 3 портов USB 3.2 Gen2x2, и/или до 14 портов USB 2.0.
Также мы помним и про 24 линии PCIe, которые идут на поддержку накопителей, сетевых и иных контроллеров (я выше уже показал на что и как расходуются 19 линий из 24).
И что мы имеем? Всего на материнской плате — 17 портов USB:
- 1 порт USB 3.2 Gen2x2: реализован через Z590 и представлен на задней панели портом Type-C;
- 4 порта USB 3.2 Gen2: все реализованы через Z590, из них 3 представлены на задней панели портами Type-A (красного цвета); еще 1 представлен внутренним портом Type-C (для подключения к соответствующему разъему на передней панели корпуса);
- 4 порта USB 3.2 Gen1: все реализованы через Z590 и представлены 2-мя портами Type-A на задней панели (синие), еще 2 представлены внутренним разъемом на материнской плате на 2 порта;
- 8 портов USB 2.0/1.1: 4 реализованы через контроллер Genesys Logic GL850G (на него потрачена 1 линия USB 2.0) и представлены двумя внутренними разъемами (каждый на 2 порта), еще 4 реализованы через второй контроллер Genesys Logic GL850G (на него потрачена 1 линия USB 2.0) и представлены на задней панели портами Type-A (черного цвета).
Таким образом, у нас 4 контроллера используют USB линии:
- Genesys Logic GL850G (4 USB 2.0 через 2 внутренних разъема) (1 линия USB 2.0);
- Genesys Logic GL850G (4 USB 2.0 Type-A) (1 линия USB 2.0);
- Audio (1 линия USB 2.0);
- Bluetooth (AX210) (1 линия USB 2.0).
Итак, через чипсет Z590 реализовано высокоскоростных портов USB:
- 4 выделенных USB 3.2 Gen2;
- 2 USB 3.2 Gen2 для обеспечения порта USB 3.2 Gen2x2;
- 4 выделенных USB 3.2 Gen1
= 10 высокоскоростных портов. Не забываем, что каждый высокоскоростной порт USB обеспечен портом USB 2.0, то есть уже 10 портов USB 2.0 также занято. Плюс 4 порта USB 2.0 на обеспечение контроллеров. Всего 14 USB портов реализовано.
Ну и 19 линий PCIe, выделенных на поддержку иной периферии.
Итого у Z590 в данном случае реализовано 29 (19 + 10) высокоскоростных портов из 30.
Все быстрые USB порты Type-C оснащены ре-драйверами, дающими устойчивый вольтаж, способный обеспечить быструю зарядку мобильных гаджетов через них.
Теперь о сетевых делах.
Материнская плата оснащена средствами связи очень хорошо. Имеется скоростной Ethernet-контроллер Intel I225-V, способный работать по стандарту 2,5 Гбит/с.
Имеется и комплексный беспроводной адаптер на контроллере Intel AX-210NGW, через который реализованы Wi-Fi 6E (802.11a/b/g/n/ac/ax) и Bluetooth 5.2. Он установлен в слот M.2 (E-key), и его разъемы для привинчивания выносных антенн выведены на заднюю панель.
Заглушка, традиционно надеваемая на заднюю панель, в данном случае уже надета, и изнутри экранирована для снижения электромагнитных помех.
Теперь про блок ввода-вывода, разъемы для подключения вентиляторов и т. п. Разъемов для подключения вентиляторов и помп на самой плате — 8. Схема размещения коннекторов для систем охлаждения выглядит так:
Через ПО или BIOS контролируется все гнезда для подключения воздушных вентиляторов или помп: они могут управляться как через ШИМ, так и банальным изменением напряжения/тока.
За мониторинг состояния платы отвечает, а также контролирует работу всех гнезд СО (а также в целом Multi I/O) контроллер Nuvoton NCT6687D.
Поскольку процессоры Intel могут иметь интегрированную графику, то плата имеет два гнезда вывода:
- HDMI 2.0b, однако если графика в 11м поколении процессоров Intel основана на новой архитектуре и имеет встроенную поддержку версии HDMI 2.0b, то в 10м поколении — интегрирована поддержка лишь версии 1.4. Поэтому для конвертации (усиления, так сказать) версии до 2.0b имеется особый контроллер IT66318 (ITE).
- DisplayPort 1.4
Аудиоподсистема
Мы знаем, что уже достаточно давно в большинстве современных материнских платах звуком заведует аудиокодек Realtek ALC1220. Он обеспечивает вывод звука по схемам до 7.1 с разрешением до 24 бит / 192 кГц .Но теперь с переводом поддержки аудиокодеков полностью на USB-линии, стало возможным применить кодек ALC4080 того же производителя с улучшенными характеристиками 32 бит / 384 кГц.
В тракте используется операционный усилитель Savitech SV3H712.
В аудиоцепях платы применяются «аудиофильские» конденсаторы Nichicon Fine Gold.
Аудиотракт вынесен на угловую часть платы, не пересекается с другими элементами.
Все аудиоразъемы на задней панели имеют позолоченное покрытие, однако нет привычной цветовой окраску разъемов, поэтому ориентироваться можно только по обозначениям.
Питание, охлаждение
Для питания платы на ней предусмотрены 4 разъема: в дополнение к 24-контактному ATX (он на правой стороне платы (на фото — слева) здесь есть еще два 8-контактных EPS12V и один 6-контактный PCIe для стабильного питания мультиграфической системы.
Схема питания процессора выполнена по схеме 16+1+1 (всего 18 фаз, 16 на VCore, 1 на iGPU и 1 на VCCSA).
Каждый канал фазы имеет суперферритовый дроссель и RAA 220075 MOSFET от Renesas на 75 А для VCore и встроенного графического ядра и NCP252160 от On Semiconductor для VCCSA на 60А.
Управляет схемой ШИМ-контроллер ISL69269 от того же Renesas (ex Intersil), рассчитанный максимум на 8-12 фаз (зависит от модификации).
Учитывая, что удвоителей (даблеров) фаз на плате замечено не было, то уже можно подумать о параллельном использовании фаз. Да и название данной схемы Duet Rail от MSI говорит за себя. Причем относится только к VCore.
Так что фактическая схема питания процессора: 8х2 (для VCore)+1 (для iGPU) +1 (для VCCSA). То есть фактически ШИМ-контроллер управляет десятью фазами питания.
А питание VCCIO имеет двухфазную схему.


Что касается модулей оперативной памяти, то здесь реализована однофазная схема.

Теперь про охлаждение.
Все потенциально сильно греющиеся элементы имеют свои собственные радиаторы.
Как мы видим, охлаждение чипсета (один радиатор) организовано отдельно от силовых преобразователей. VRM-секция имеет свои два радиатора, соединенные тепловой трубкой под прямым углом.
Подсветка заднего блока портов сделана в особом пластиковом кожухе поверх радиатора VRM.
Как я уже упоминал ранее, M.2 слоты также имеют радиаторы: у верхнего и нижнего — свои персональные радиаторы, у среднего радиатор совмещен с крышкой радиатора Z590.
Подсветка
Программное обеспечение под Windows
Настройки BIOS
Работоспособность (и разгон)
Запускаем все в режиме по умолчанию. Затем нагружаем тестами.
Изначально выставленные частоты порадовали, ибо получить 4,9 ГГц по всем ядрам — это очень хороший результат для такой «печки» как 11900К. Однако что мы видим? - Автооверклокинг снова выставил чрезмерно высокий вольтаж на ядре CPU, и через какое-то время чрезмерных нагрузок пошел троттлинг от перегрева.
Понятно, что никто и никогда не будет эксплуатировать процессор в таком адском режиме, что задает AIDA в стресс-тестах. Даже самые тяжелые реальные нагрузки будут сильно меньше нагревать CPU. Да и проверка в Adobe Premiere подтвердила, что даже при длинном рендеринге, где подчас загруженность ядер доходила до 100%, максимальный нагрев даже не доходил до 90 градусов. Но тем не менее, я считаю, что столь завышенный вольтаж VCore при автоматических настройках работы в BIOS является некорректным. Стоит заметить, что при этом Intel Adaptive TurboBoost был отключен (по умолчанию).
А если включить?
Получаем просто ошеломляющую картину с выставлением 5,2 ГГц по всем ядрам! И при этом вольтаж VCore вообще выше 1.54 В! Разумеется, с первых же тестов начался уже не легкий, а основательный троттлинг.
Ну и частоты по ядрам уже начали прыгать сильно вниз. И надо заметить, что у нас весьма мощная СЖО, три вентилятора на 360мм радиаторе пахали на максимумах — выше 2200 оборотов в минуту, тем не менее... А ведь совсем недавно 10900К даже на 5.1 ГГц по 10 ядрам пахал и даже не думал так перегреваться. Мне до сих пор непонятен выпуск 11-го поколения в этом плане. Да, 20 линий PCIe, а не 16. Да, PCIe 4.0, а не 3.0. Но при этом даже 4.8 ГГц по 8-ми (а не 10ти!) ядрам подчас не получить на нормальных СЖО. И я удивляюсь позиции многих производителей матплат, которые секрет успеха авторазгона видят в задирании напряжения ядер процессора.
Выводы
MSI MPG Z590 Gaming Carbon WiFi — отличный компромиссный вариант между дорогими флагманскими игровыми моделями и бюджетными решениями (если так вообще можно назвать платы на топовом чипсете Intel Z590).
Плата предлагает 17 портов USB разных видов (включая один самый быстрый на сегодня USB 3.2 Gen2×2 и 4 очень быстрых USB 3.2 Gen2), 3 слота PCIe х16 (два получают от процессора 16 линий PCIe, причем PCIe 4.0 в случае использования процессоров 11-го поколения), 2 слота PCIe x1, 3 слота M.2 (один из них подключен напрямую к процессору линиями PCIe 4.0), 6 портов SATA, 8 разъемов для вентиляторов. Система питания процессора весьма мощная, она способна обеспечить работу любых совместимых процессоров даже с запасом на авторазгон. Плата имеет эффективную систему охлаждения каждого потенциально греющегося элемента, включая накопители в слотах M.2. Надо отметить также хорошие сетевые возможности: быстрый проводной контроллер 2,5 Гбит/с и один самый современный беспроводной. В число плюсов этой платы можно добавить неплохую подсветку, включая широкие возможности для подключения дополнительных RGB-устройств. Надо отметить и улучшенный аудиокодек Realtek ALC4080 вместе с операционным усилителем для наушников.
Также отметим качество изготовления платы (6-слойная печатная плата с усиленными медными вставками) и приятный дизайн. Обязательно нужно отметить и бонусы поставки: универсальную компактную щетку и набор отверток (да и флешка с ПО — тоже приятный бонус).
В номинации «Оригинальный дизайн» плата MSI MPG Z590 Gaming Carbon WiFi получила награду:

В номинации «Отличная поставка» плата MSI MPG Z590 Gaming Carbon WiFi получила награду:

Благодарим компанию MSI Russia
и лично Алексея Рыбакова
за предоставленную на тестирование плату
Особо благодарим компанию Super Flower
за предоставление блока питания Super Flower Leadex Platinum 2000W









































































































