Модель Fujifilm FinePix HS20EXR анонсирована 5 января 2011 года. Обычно камеры этого типа классифицируют как подобные зеркальным. Действительно, по внешнему виду, когда объектив установлен на минимальное фокусное расстояние, наша героиня практически неотличима от Canon EOS 1000D с объективом 28—70 мм.
Однако фокусное расстояние у Fujifilm FinePix HS20EXR меняется аж в 30 раз: от 4,2 мм до 126 мм. При максимальном фокусном расстоянии для получения эквивалентной по углу зрения картинки на Canon надо установить 500 мм объектив, и камеры уже перестанут казаться почти одинаковыми.
Вышеприведенная фотография демонстрирует внешнее проявление фундаментального отличия данного класса, связанное с использованием совсем другой по размеру, чем в зеркальных камерах, матрицы. С камерами, как с ростом спортсменов, в некоторых соревнованиях рост — преимущество, а в некоторых — помеха. Можно сформулировать ряд задач, где рассматриваемая камера выиграет не только у 1000D, но и у 1D. Об этом чуть позже, а пока продолжим разбираться с внешним видом.
Вид сверху
Вид снизу
Вид сзади
Вид сзади с повернутым экраном
|
Основные окна меню, отображаемые на экране
|
|
![]() |
![]() |
![]() |
![]() |
|
|
|
![]() |
![]() |
![]() |
![]() |
![]() |
![]() |
|
|
|
![]() |
![]() |
Вид с боков
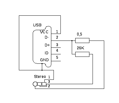
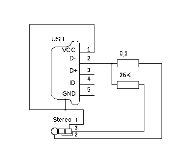
Глядя на разъемы камеры, трудно догадаться, что камера может работать с пультом дистанционного управления. Однако ж, может, например, с ИК-пультом JJC.
Сам по себе пульт принципиально не отличается от описанного в статье «Спусковые тросики и пульты дистанционного управления». Все отличия только в кабеле, который подсоединяется к разъему USB на камере, но используется этот разъем отнюдь не по протоколу USB. Разобрав маленькую коробочку посередине кабеля, можно обнаружить довольно странную схему:
Три резистора, два из которых запараллелены, и их суммарное сопротивление составляет 26 кОм, и еще одно совсем маленькое, меньше 1 Ом.

Два провода, которые ведут на корпус разъема USB и его первую ножку, на которую обычно подается 5 В, соединены между собой. При наличии такого кабеля для дистанционного управления уже практически больше ничего не нужно — если замкнуть пинцетом два крайних контакта мини-стереоштекера, то камера сделает снимок; если замкнуть центральный контакт на корпус, то контакты 1 и 2 разъема USB будут замкнуты через сопротивление в 26 кОм, и камера произведет фокусировку и замер экспозиции, т. е. действия аналогичные тем, что происходят при половинном нажатии на спусковую кнопку. Запараллеленные сопротивления наводят на размышления — зачем это сделано, возможно, что-то плохо понял и приведенная схема неправильная, поэтому предупреждаю тех, кто захочет ее собрать, что это исключительно на ваш страх и риск.
Теперь несколько слов о начинке, которая отличает данную камеру от классической зеркалки. Во-первых, нет зеркала и, как следствие, дальномера, работающего по фазовому принципу. Автофокусировка осуществляется только по контрасту изображения на матрице, и главное, это матрица маленького размера. В данной камере используется КМОП матрица EXRCMOS размером 6,4×4,8 мм. Итак, по длинной стороне матрица в 5,6 раза меньше пленочного кадра. Отсюда следует, во-первых, что однолинзовый объектив для этой камеры с равным углом зрения можно сделать почти в шесть раз компактнее пленочного. Во-вторых, если посмотреть на формулу, определяющую глубину резкости, то окажется, что она пропорциональна отношению диафрагменного числа к фокусному расстоянию. Следовательно, при равной величине резко изображаемого пространства диафрагменное число может тоже быть почти в 6 раз меньше. На практике это означает, что если на этой камере установлена диафрагма F:5,6, то для получения аналогичной глубины резкости на камере Canon EOS 5D надо установить диафрагму F:32, на камере 1000D — F:22. Чтобы сохранить неизменной выдержку, на всех перечисленных камерах придется устанавливать разную чувствительность. На Fujifilm FinePix HS20EXR ее можно оставить минимальной, равной ISO-100, на 1000D придется поднять до ISO-1600, на 5D до ISO-3200. При таком раскладе уже совершенно не очевидно, какая из камер будет шуметь больше. Подробное сравнение камер с матрицами разного размера и одинаковым количеством мегапикселей см. в статье «О пейзажной фотографии, глубине резкости, реальном разрешении и камерах разных размеров». Шумы Fujifilm FinePix HS20EXR можно оценить, рассматривая нижеприведенные фрагменты.
|
|
|
|
ISO-100
|
ISO-200
|
|
|
|
|
ISO-400
|
ISO-800
|
|
|
|
|
ISO-1600
|
ISO-3200
|
|
При чувствительности ISO=100–3200 возможна съемка с полным разрешением и размером кадра 4608×3456
|
|
|
|
|
|
ISO-6400
Максимальный размер кадра 3264×2448 |
ISO-12800
Максимальный размер кадра 2304×1728 |
ISO-400. Источник света — тень. Щелкнув мышью по миниатюре, можно увидеть фрагмент исходного изображения, снятого с разрешением 4608×3456.
Сравним глубину резкости кадров, сделанных нашей героиней и Canon 1000D. Для этого рассмотрим снимки отдаленного здания и близлежащей кирпичной стены. Заодно проиллюстрирую диапазон изменения фокусного расстояния двумя снимками, сделанными с одной точки с минимальным и максимальным фокусным расстоянием.
|
Миниатюры всего кадра
|
|
|
|
|
|
F=4 мм
|
F=126 мм
|
|
Фрагменты
|
|
|
Fujifilm FinePix HS20EXR
|
Canon EOS 1000D +
Samyang 500 мм |
|
|
|
|
F=126 мм; F:6,4; 1/650 с;
ISO-100 |
F=500 мм; F:22; 1/400 с;
ISO-400 |
Fujifilm; F=126 мм; F:5,6; 1/100 с; ISO-100
Canon; F=500 мм; F:8; 1/80 с; ISO-100
Canon; F=500 мм; F:22; 1/200 с; ISO-1600
Результат впечатляет, поскольку при низких чувствительностях такого можно достичь, только используя в зеркальной камере объектив с наклоном. Подробнее об этом методе можно прочитать в статье «Адаптер ARAX для крепления и наклона объективов».
Большая глубина резкости в сочетании с большим относительным отверстием объектива особенно актуальны при макросъемке.
|
Миниатюры. Щелчок мышью открывает исходное изображение размером 4608×3456
|
|
|
F=26 мм; F:8; 1/60 с; ISO-400;
Приоритет диафрагмы; DR=400% |
F=9 мм; F:7; 1/320 с; ISO-400;
Приоритет диафрагмы; DR=400% |
|
F=24 мм; F:4,5; 1/320 с; ISO-200;
Приоритет диафрагмы; DR=200% |
F=9 мм; F:7; 1/210 с; ISO-100;
Приоритет диафрагмы; DR=100% |
Чтобы закончить с макросъемкой, приведу пример, при котором глубина резкости не нужна. При пересъемке 35 мм диапозитивов с фокусным расстоянием объектива в 16 мм увеличение чуть меньше оптимального, но дисторсия вполне приемлемая, чтобы в дальнейшем ее не корректировать. При меньшем фокусном расстоянии масштаб практически не увеличивается, а вот дисторсия становится заметной.
F=16 мм; F:4; 1/240 с; ISO-400;
EXR Mode Dynamic Range priority;
DR=1600%
При фотоохоте глубина резкости тоже не помешает. В последнем случае посильную помощь оказывает и стабилизация изображения с помощью сдвига матрицы.
Фрагмент 1:1
F=126 мм; F:8; 1/640 с; ISO-400;
EXR Mode Dynamic Range priority;
DR=1600%
Наличие датчиков перемещения камеры позволяет реализовать электронный уровень в видоискателе.

Неплохо данная камера справляется и со съемкой Луны.
Уменьшенный вдвое фрагмент кадра размером 4608×3456 пикселей.
F=126 мм; F:5,6; 1/200 с; ISO-100
Если кому-то глубина резкости при полностью открытой диафрагме кажется избыточной, то положение можно попытаться исправить программно, выбрав в меню пункт PRO ФОКУС.

Матрицы камер Fujifilm EXRCMOS отличаются от конкурентов еще и технологией EXR, которая подробно описана в статье Сергея Щербакова «Fujifilm FinePix F200EXR». Этой технологией можно воспользоваться двумя способами — в стандартных режимах повысить чувствительность, например, до ISO-400 и выбрать расширенный динамический диапазон DR — 400%. В этом случае мы можем получить кадр полного разрешения 16 Мп.
![]() |
![]() |
Второй способ — выбрать колесом на верхней панели режим «EXR», а в меню задать расширенный динамический диапазон. В этом случае получится кадр половинного размера (8 Мп).
![]() |
![]() |
![]() |
![]() |
Далеко не все программы просмотра позволяют разобраться, в каком же режиме сделан снимок. Из используемых мной с этой задачей справилась XnView MP. Богатство встроенных режимов обработки делает режим съемки в сыром формате факультативным. В камере даже не предусмотрена постоянная запись в этом формате, сохранение в RAW надо включать специально для каждого кадра. Из свободных программ у меня только RawTherapee Dev-3.1 открыла файл RAF, причем его размер был определен как 3254×2456 пикселей. В результате изощренной обработки можно попытаться еще больше проработать детали в светах, как, например, на нижеприведенном фрагменте, но в большинстве случаев игра не стоит свеч.
В заключение о режиме съемки панорам.
![]() |
![]() |
![]() |
![]() |
В результате получаем:
Панорамы, конечно, не столь большие, как можно было бы получить на компьютере с помощью специализированных программ из серии кадров, но вполне достойные, и совсем без напряжения извилин.












































