Продолжая серию обзоров компьютерных TV-тюнеров, на этот раз мы исследуем возможности тюнера от Leadtek, который называется WinFastTV 2000 XP.
Это весьма типичное для нынешней эпохи мультимедийных компьютеров устройство реализовано на давно известном и завоевавшем заслуженную славу чипе CONEXANT fusion 878A, известном также как Brooktree 878A. Выжать из этого чипа что-либо принципиально новое уже невозможно, поэтому изготовители идут по пути совершенствования программного обеспечения и добавления пользовательских функций. Полезных и не очень. А порою и совершенно бесполезных.
Для этой модели заявлены следующие возможности:
- TV- и FM-тюнер
- прием 181 телевизионного канала в стандартах PAL, SECAM, NTSC
- запись и воспроизведение видеоизображений
- поддержка формата сжатия MPEG-4
- функция «картинка в картинке» (PIP)
- пульт ДУ
- работа в операционной системе Windows XP
В рекламном буклете этого тюнера особый акцент сделан на то, что программное обеспечение платы поддерживает операционную систему Windows XP. Однако ничего выдающегося я в этом не углядел. Тюнер действительно исправно работал во всех трех проверенных мною операционных системах: Win98SE rus, Windows 2000 pro 2195 + SP2, Windows XP PRO rus.
Тестирование проводилось на компьютере следующей конфигурации:
- процессор: P4-1800
- материнская плата: ASUS P4T-F (чип i850)
- память: RIMM 512 МБ от Samsung
- видеокарта Matrox G450 DualHead
- системный диск IBM IC35L040
- дисковый массив под видео: FastTrak 100 TX 2 + 4 диска IBM IC35L040 по 40 ГБ и 7200 rpm
- звуковая карта Creative SB Audigy.
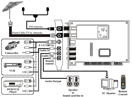
Типовая схема его подключения представлена ниже:

Пульт ДУ
Пульт ДУ выполнен на традиционном инфракрасном канале. По конструкции он весьма плоский и поэтому в руке лежит не очень удобно. Наиболее часто используемые клавиши сгруппированы в нижней его части и легко нажимаются большим пальцем. Количество клавиш мало и никаких возможностей управления дополнительными функциями не предусмотрено.
Установка
Примечательно, что в списке поддерживаемых программным обеспечением языков имеется и русский. Однако, как выяснилось позднее, русифицирована только программа инсталляции, но не сами программы управления TV- и FM-тюнерами.
Установка драйверов и программного обеспечения платы прошла блестяще, а вот дальше началось самое интересное. При первом запуске программы не вызывается традиционное окно настроек каналов. Ну ладно, не поленимся открыть его вручную. Настройки довольно скудные, максимально унифицированы. Можно выбрать только страну (причем для России предусмотрен как SECAM, так и PAL), частотную сетку (»antenna» или «cable») и непонятную опцию «Auto Fine Tune».
![]() | ![]() |
Выбираем традиционные и очевидные значения «Russia SECAM» и «Antenna». Сканирование длится менее минуты и в результате находим лишь два канала: ТВС (бывший ТВ-6) и РТР-2. При чем если у первого было нормальное звуковое сопровождение, то у второго — лишь типичный ЧМ шум. И нашлись они почему-то на 69 и 70 каналах. В кабельной сетке автопоиск не нашел вообще ничего. Опция «Auto Fine Tune», предназначенная для тонкой автоматической подстройки частоты, тоже оказалась бесполезной, вернее даже вредной. С ее включением терялся канал РТР-2. Для сравнения мой старый проверенный временем тюнер AverMedia TVphone 98 сразу честно находил все 13 каналов, живущих в этом антенном кабеле. Значит однозначно виноват сам исследуемый тюнер, вернее, его корявые таблицы частот. Печально что в программе отсутствуют какие либо возможности по ручному поиску каналов или прямому вводу частот. Пришлось дальше исследовать тюнер проверенным методом «научного тыка». В результате перебора разных установок страны и частотной сетки удалось выяснить, что при выборе «Poland SECAM» в эфирной сетке тюнер ловит 8 каналов. Но это был предел его возможностей. В кабельной сетке он находил часть из найденных ранее в эфирной сетке, но никаких новых каналов. Пришлось довольствоваться хоть этим.
Возможности
Внешний вид программы для просмотра ТВ выглядит довольно авангардно, хотя такой вид для подобных программ воспринимается уже чуть ли не традиционным. Единственное новшество — небольшие анимированные разноцветные индикаторы в правой части основного окна и по бокам остальных окон (даже настроечных). Но они носят исключительно декоративный характер и, на мой взгляд, лишь бесполезно загружают процессор. Количество функциональных кнопок максимально сокращено:

Качество экранного оверлея задается параметром VideoQuality. Он определяет реальное разрешение в отображаемой области экрана и имеет три значения: 320×240, 640×240 и 640×480. Окно оверлея можно развернуть на полный экран, но при этом остается видна панель инструментов Windows. Такой популярной возможности, как живые обои рабочего стола, не предусмотрено.
Функция SnapShot цифрует отдельные кадры в растровые файлы типа *.bmp. Имя файла содержит дату и время его сохранения. Никакой браузинг сохраненных файлов средствами этой программы не предусмотрен. В зависимости от состояния параметра VideoQuality, сохранение может происходить с тремя разрешениями: 320×240, 640×240 и 640×480.
По непонятным причинам в программе отсутствуют такие типичные возможности, как PreView, TimeShifting, телетекст и др.
Основные цветовые параметры изображения можно подстроить. В этой же закладке окна настроек выбирается и тип сигнала для входов S-Video и Composite (но один для обоих входов). Также присутствует непонятный раздел «Color Scheme». Но выбрать в нем нечего и его назначение осталось непонятным:

Функция Shedule предназначена для записи программ по расписанию. Ничего примечательного, отличающего ее от аналогов, выявлено не было:

Программа может осуществлять запись изображения в видеофайл, а также его воспроизведение. При воспроизведении панель управления приобретает следующий вид:

А сам экран при воспроизведении выглядит вот так:

Таким образом у них реализована функция «картинка в картинке» (PIP). В первом варианте на фоне принимаемой телепрограммы можно просмотреть записанный фрагмент. Положение внутреннего окна можно поменять, но вот изменить его размер нельзя. В другом случае в основном (большом) окне можно посмотреть записанный фрагмент, а в малом окне отображается принимаемая телепрограмма, то есть меняется местами назначение окон. Звуковое сопровождение возможно только для основного окна.
Авторы программы надолго меня озадачили, когда я постарался избавиться от этого PIP окна. Отключить его в принципе нельзя. Можно лишь оттащить его от основного окна — тогда оно приобретет вид самостоятельного окна Windows. Здесь уже можно изменить его размер, но вот закрыть полностью нельзя. Остается лишь констатировать, что задуманы эти функции очень запутанно и бестолково.
Окно настроек параметров оцифровки более упорядочено и понятно:

Все форматы записи реализованы по модному нынче принципу модифицируемых профилей. Среди них присутствуют кодеки MPEG-2 и DivX 4.11. Я особо заинтересовался поставляемым с этой программой кодеком DivX. При разрешениях до 352×288 он действительно неплохо сжимал. Правда, иногда в больших количествах наблюдались выпавшие кадры. А вот с разрешением 720×576 сжимать отказался. Вернее, файл создал, но он был пустой.
С кодеком MPEG-2 ситуация похожая. При разрешениях до 352×288 он нормально сжимал с любым потоком. А созданный с разрешением 720×576 файл нигде потом никакими средствами не открывался. Хотя его размер был вполне реалистичным.
Качество
Качество принимаемого тюнером телевизионного сигнала обобщенно можно оценить как неплохое. Другие тюнеры в этих же условиях показывали и хуже, и лучше. Так что поставим ему за качество твердую «4».
А теперь посмотрим, как различается качество на композитном и S-Video входах:
Как и полагается подобным устройствам, эта модель может принимать радиосигналы FM-диапазона. Посмотрим как тюнер справится с этим…
FM-тюнер

В результате автосканирования с предложенными по умолчанию настройками на штатную антенну тюнера удалось отыскать 11 каналов из 16 реально присутствующих в моем FM-эфире. Однако хочется отметить, что настройки FM-тюнера гораздо богаче и удобнее его TV-собрата. Перед сканированием можно задать порог чувствительности, а после сканирования для найденных каналов в небольших пределах подстроить частоту с шагом 0,05 МГц. Регулятор порога чувствительности имеет четыре значения. Путем перебора всех его значений удалось выяснить, что в положении «2» находятся все нужные частоты, но помимо этого добавляется много ложных частот. «Мусор» можно потом удалить вручную, хотя процедура поштучного удаления более 150 записей довольно утомительна. Но все же после получасового процесса настройки удалось правильно настроить все каналы и насладиться вполне приличным звучанием. Конечно, ожидать от такого устройства Hi-End качества бессмысленно, но все же на большинстве каналов звук был чистым, без FM шумов и наводок.
После длительного исследования всех функций этой программы удалось найти возможность непосредственного ввода нужной частоты. Находится это в меню, вызываемом правой клавишей на главном окне программы.
В основных настройках FM-тюнера выбирается звуковое устройство и его канал, на который заводится аудио выход тюнера. Поскольку эта же программа позволяет не только прослушивать эфир, но и записывать его, то имеются все необходимые в таком случае настройки. Программа пишет некомпрессированные *.wav файлы, Windows Media Audio (*.wma), а также жмет в формат mp3, но только в файлы с расширением *.wav. Если без компрессии звук можно цифровать с параметрами 44,1 КГц 16 бит стерео, то для mp3 максимальный предел качества составляет 22 КГц 56 Кбит/с стерео:

Последняя закладка в окне настроек позволяет программировать запись по расписанию. Здесь все традиционно и весьма типично для программ подобного рода:

О функциях записи звука в файл можно сказать, что они действительно исправно работают и предоставляют оптимально необходимый комплект возможностей для последующего их прослушивания.
С пульта ДУ доступны все основные возможности приемной части тюнера. Однако невозможна запись, прослушивание записанного и изменение FavoritesGroup
В целом, раздел FM-тюнера оставил весьма благоприятное впечатление удобной и законченной программы.
Итого
Плата вполне достойна для домашнего применения в любом среднестатистическом мультимедийном компьютере. По своим аппаратным возможностям тюнер совершенно аналогичен другим моделям на этом же чипе. Разве что качество приема чуть получше, да принимаемых каналов поменьше. Но вот программное обеспечение сильно разочаровало. Вместо того, чтобы реализовать все положенные сейчас таким устройствам пользовательские функции, создатели пошли по пути бессмысленного украшения интерфейса.
Напомню что производитель, стараясь выделить свой тюнер среди массы конкурентов, наибольший акцент делает на возможности использования его под операционной системой Windows XP и пользовательской функции «картинка в картинке». Но если первое сейчас является практически обязательным требованием к оборудованию, то такая реализация PIP вызывает сомнения в своей необходимости и удобстве.
В заключение постараюсь кратко обобщить впечатления об этом устройстве:
Плюсы
- есть FM-тюнер и он хорошо работает
- хорошее качество приема TV- и FM-тюнеров
- поддержка форматов сжатия MPEG-2 и MPEG-4
- есть функция «картинка в картинке» (PIP)
- поддержка Windows XP
Минусы
- неудобный пульт ДУ с малым количеством функций
- несовершенный алгоритм настройки на ТВ каналы
- скромные возможности SnapShot
- нет программных функций PreView, TimeShifting, телетекст и др.
- функция «картинка в картинке» неудобна в настройке
дистрибутора всего спектра комплектующих ASUS и Elan Vital,
за предоставленное для тестирования оборудование.
Спасибо компании «АК-Цент Микросистемс»
за предоставленную память для тестового стенда.







