Обзор материнской платы Gigabyte Z890 Aorus Pro Ice на чипсете Intel Z890

Всю детальную информацию о семействах процессоров можно найти в нашем разделе по ним.

Мы же продолжаем изучать серийно выпускаемые материнские платы, основанным на чипсете Intel Z890 и поддерживающим последнее поколение процессоров Core Ultra 2xx. Да пока был анонсирован лишь флагманский чипсет Intel Z890, поэтому на данном этапе мы изучаем продукты на базе именно этого чипсета.

Таблица сравнения 4х последних поколений системных чипсетов серии Z.

Особенности Z890 Z790 Z690 Z590
Совместимость с процессорами Intel Core Ultra 2xx Core 14/13/12 Core 14/13/12 Core 11/10
Версия PCIe (процессор) 4.0 & 5.0 4.0 & 5.0 4.0 & 5.0 3.0 (10 Gen) or 4.0 (11 Gen)
Количество линий PCIe (процессор) 20 версии 5.0 & 4 версии 4.0 = 24 16 версии 5.0 & 4 версии 4.0 = 20 16 версии 5.0 & 4 версии 4.0 = 20 16 (10 Gen) or 20 (11 Gen)
Версия PCIe (чипсет) 4.0 3.0 & 4.0 3.0 & 4.0 3.0
Количество линий PCIe/SATA (чипсет) 24 версии 4.0 & 8 SATA = 32 20 версии 4.0 & 8 версии 3.0 или 8 SATA = 28 12 версии 4.0 & 16 версии 3.0 или 8 SATA = 28 18 версии 3.0 или 6 SATA = 18
Количество портов SATA 6.0 Gb/s до 8 8 8 6
Версия DMI 4.0 4.0 4.0 3.0
Количество линий DMI x8 x8 x8 x8
Поколение ОЗУ DDR5 DDR4 & DDR5 DDR4 & DDR5 DDR4
Количество каналов ОЗУ 2 2 2 2
Максимальное количество слотов ОЗУ 4 4 4 4
Максимальный объем ОЗУ 256 ГБ 256 ГБ DDR5/128 ГБ DDR4 256 ГБ DDR5/128 ГБ DDR4 128 ГБ
Порты USB4 (40Gbps)(процессор) до 2 - - -
Порты USB 3.2 Gen 2x2 (20Gbps) до 5 5 4 3
Порты USB 3.2 Gen 2x1 (10Gbps) до 10 10 10 10
Порты USB 3.2 Gen 1x1 (5Gbps) до 10 10 10 10
Порты USB 2.0 до 14 14 14 14
Встроенная поддержка Wi-Fi Wi-Fi 7 Wi-Fi 7 Wi-Fi 6E Wi-Fi 6

Главным отличием чипсета Z790 от Z890 является то, что у первого порты SATA входят в общее количество линий PCIe (в сумме 28), а у второго имеются 24 линии PCIe 4.0 плюс максимально 8 линий SATA, то есть в сумме чипсет Z890 обладает по сути 32 линиями PCIe, однако 8 линий на порты SATA переконфигурировать под иное использование нельзя (когда как у Z790 просто было 8 линий PCIe 3.0, и они могли расходоваться до 8 портов SATA).

Процессоры Core Ultra обладают в сумме 24 линиями PCIe (из них 20 – версии 5.0, а 4 – версии 4.0), еще имеется и встроенный контроллер Thunderbolt 4, который по сути нам дает 2 порта USB4 (до 40 Гб/с каждый).

Таким образом новая платформа LGA1851 (процессор + Z890) дает нам прибавку 8 линий PCIe (относительно платформы LGA1700)

Герой нынешнего материала – плата Gigabyte Z890 Aorus Pro Ice, она относится к топовому суббренду Aorus, внутри которого серия Aorus Pro занимает третье место (мы помним, что самая-самая в этой линейке — материнка c суффиксом Xtreme, а Master — на ступень ниже).

Gigabyte Z890 Aorus Pro Ice поставляется в традиционной коробке фирменного «cоколиного» дизайна серии Aorus. Коробка белого цвета – что подчеркивает светлую гамму, в которую окрашена сама плата (суффикс Ice уже нам говорит о белом цвете) Комплект размещен под платой в отдельных отсеках.

В комплект поставки входят: краткое руководство пользователя, кабели SATA, антенна встроенного Wi-Fi-модуля, фирменный адаптер для передней панели, бонусные стикеры, два термодатчика (малопонятно – зачем они, когда у платы нет соответствующих разъемов), датчик шума и дополнительный вентилятор для охлаждения модулей памяти.

ПО не поставляется (все равно последние версии надо скачивать с вебсайта производителя).

«Заглушка» на заднюю панель с разъемами уже смонтирована на самой плате.

Форм-фактор

Форм-фактор ATX имеет размеры до 305×244 мм, а E-ATX — до 305×330 мм. Материнская плата Gigabyte Z890 Aorus Pro Ice имеет размеры 305×244 мм, поэтому выполнена в форм-факторе ATX, и на ней имеются 9 монтажных отверстий для установки в корпус. Однако следует иметь в виду, что одно из девяти монтажных отверстий перекрыто радиатором для слота M.2.

На оборотной стороне расположены традиционные некоторые электронные логические элементы, а также элемент жесткости конструкции слота PCIe x16_1. Текстолит обработан неплохо: во всех точках пайки срезаны острые концы. Защитной пластины (бэкплейта) нет. Оборотная сторона выкрашена в серый цвет (в отличие от лицевой белой).

Технические характеристики

Традиционная таблица с перечнем функциональных особенностей.

Поддерживаемые процессоры Intel Core Ultra 2xx
Процессорный разъем LGA 1851
Чипсет Intel Z890
Память 4 × DDR5, до 9600 МТ/с (XMP), до 256 ГБ, два канала (DIMM/CUDIMM)
Аудиоподсистема 1 × Realtek ALC1220 (5.1)
Сетевые контроллеры 1 × Realtek RTL8126 Ethernet 5 Гбит/с
1 × Intel Dual Band Wireless BE200 (Wi-Fi7 802.11a/b/g/n/ac/ax/be (2,4/5/6 ГГц) + Bluetooth 5.4)
Слоты расширения 1 × PCIe 5.0 x16 (режимы x16)
1 × PCIe 4.0 x16 (режим x4)
1 × PCIe 4.0 x16 (режим x1)
Разъемы для накопителей 4 × SATA 6 Гбит/с (Z890)
1 × M.2 (M2A_CPU, CPU, PCIe 5.0 x4 для устройств формата 2280/2580/22110/25110)
1 × M.2 (M2B_CPU, CPU, PCIe 4.0 x4 для устройств формата 2280/22110)
1 × M.2 (M2Q_SB, Z890, PCIe 4.0 x4 для устройств формата 2280/22110)
1 × M.2 (M2P_SB, Z890, PCIe 4.0 x4 для устройств формата 2280)
1 × M.2 (M2M_SB, Z890, PCIe 4.0 x4/SATA для устройств формата 2280)
USB-порты 4 × USB 2.0: 2 внутренних разъема на 4 порта (GL850G)
4 × USB 2.0: 2 порта Type-A (GL850G)
2 × USB 3.2 Gen1: 1 внутренний разъем на 2 порта (Z890)
4 × USB 3.2 Gen1: 4 порта Type-A (Z890)
2 × USB 3.2 Gen2: 2 порта Type-A (красные) (Z890)
1 × USB 3.2 Gen2x2: внутренний разъем Type-C (Z890)
2 × USB4: 2 порта Type-C (CPU, Thunderbolt4)
Разъемы на задней панели 2 × USB4 (Type-C)
2 × USB 3.2 Gen2 (Type-A)
4 × USB 3.2 Gen1 (Type-A)
4 × USB 2.0 (Type-A)
1 × RJ-45
2 аудиоразъема типа миниджек
1 × S/PDIF (оптический, выход)
2 антенных разъема
Прочие внутренние элементы 24-контактный разъем питания ATX
2 8-контактный разъем питания EPS12V
1 слот M.2 (E-key), занят адаптером беспроводных сетей
1 разъем для подключения порта USB 3.2 Gen2x2 Type-C
1 разъем для подключения 2 портов USB 3.2 Gen1
2 разъема для подключения 4 портов USB 2.0
8 разъемов для подключения 4-контактных вентиляторов и помп ЖСО
1 разъем для подключения неадресуемой RGB-ленты
3 разъема для подключения адресуемой ARGB-ленты
1 разъем аудио для передней панели корпуса
1 разъем для датчика шума
1 кнопка «холодной» перепрошивки BIOS – Q Flash Plus
1 разъем для сброса CMOS
1 разъем для устройств безопасности TPM
1 конфигурируемый разъем Reset
1 разъем для подключения управления с передней панели корпуса
1 кнопка включения питания Power
1 конфигурируемая кнопка перезагрузки Reset
Форм-фактор ATX (305×244 мм)
Розничные предложения

Основная функциональность: чипсет, процессор, память

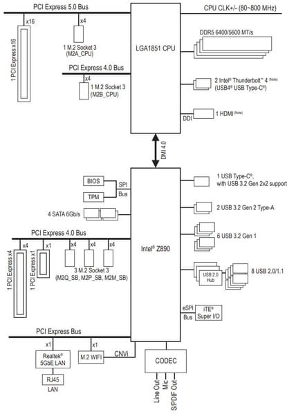
Схема работы связки чипсет+процессор.

Формально имеется поддержка памяти DDR5 до 6400 МТ/с, однако всем хорошо известно, и производители материнских плат это активно рекламируют: через XMP-профили сейчас можно использовать пропускную способность до 8000 и выше МТ/с. В частности данная плата поддерживает ПСП при ручном разгоне до 9600 МТ/с.

Все процессоры Core Ultra 2xx поддерживают:

  • 2 порта USB4 (Thunderbolt 4),
  • 20 линий ввода-вывода PCIe 5.0, которые могут конфигурироваться:
    • 16 линий + 4 линии (слот PCIe x16 + слот M.2);
    • 8 линий + 8 линий + 4 линии (2 слота PCIe x16 в режиме x8 + слот M.2);
    • 8 линий + 4 линии + 4 линии + 4 линии (слот PCIe x16 в режиме x8 + 3 слота M.2);
  • 4 линии ввода-вывода PCIe 4.0: могут конфигурироваться производителями материнских плат на выбор.

При этом взаимодействие с Z890 идет по особому каналу Digital Media Interface 4.0 (DMI 4.0 x8). Serial Peripheral Interface (SPI) используется для взаимодействия с системой UEFI/BIOS, а шина Low Pin Count (LPC) — для связи с устройствами ввода/вывода, не требующими высокой пропускной способности (контроллерами вентиляторов, TPM, старой периферии). HDA более не используется, связь с аудиокодеками идет с помощью линий USB 2.0.

В свою очередь чипсет Z890 поддерживает в сумме 42 линии ввода/вывода, которые распределяться могут так:

  • до 10 портов USB 3.2 Gen1/2 (из которых до 5 портов USB 3.2 Gen2х2), до 14 портов USB 2.0 (из них линии используются в том числе и для поддержки 3.2 портов, а каждый порт USB 3.2 Gen2х2 требует поддержки со стороны двух USB 3.2 Gen2);
  • до 8 портов SATA 6Гбит/с;
  • до 24 линий PCIe 4.0.

Выше жирным шрифтом выделены HSIO (High Speed Input-Output) – высокоскоростные линии ввода-вывода, их в сумме (процессор+чипсет) – 60.

Gigabyte Z890 Aorus Pro Ice поддерживает процессоры Intel Core Ultra 2xx, выполненные под разъем (сокет) LGA1851.

Для установки модулей памяти на плате Gigabyte имеется четыре DIMM-слота (для работы памяти в Dual Channel в случае использования всего 2 модулей их следует устанавливать в А2 и B2.

Плата поддерживает небуферизованную память DDR5 (non-EСС), а максимальный объем памяти составляет 256 ГБ. Могут использоваться модули CUDIMM.

Слоты DIMM A2 и B2 имеют металлическую окантовку, которая препятствует деформации слотов и печатной платы при установке модулей памяти и защищает от электромагнитных помех.

Периферийная функциональность: PCIe, SATA, разные дополнительные устройства

Выше мы изучили потенциальные возможности тандема Z890+Core, а теперь посмотрим, что из этого и как реализовано в данной материнской плате.

Кроме USB-портов, к которым мы подойдем позже, чипсет Z890 обладает 24 PCIe линиями PCIe 4.0 и 8 SATA портами. Считаем, сколько линий Z890 уходит на поддержку (связь) с тем или иным элементом:

  • Слот PCIe x16_2 (1 линия PCIe 4.0);
  • Слот PCIe x16_3 (4 линии PCIe 4.0);
  • Слот M.2 (M2P_SB) (4 линии PCIe 4.0);
  • Слот M.2 (M2M_SB) (4 линии PCIe 4.0);
  • Слот M.2 (M2Q_SB) (4 линии PCIe 4.0);
  • Realtek RTL8126 (Ethernet 5Gb/s) (1 линия PCIe 4.0);
  • Intel BE200 WIFI7/BT (Wireless) (1 линия PCIe 4.0);
  • 4 слота SATA 4/5/6/7

19 линий PCIe оказались занятыми, плюс 4 порта SATA. Связь с аудиокодеками через HDA (эмуляцию шины PCI) теперь невозможна, так что в данном случае линия USB 2.0 расходуется на связь с Realtek RTL1220, плюс один USB 2.0 расходуется на поддержку BT, а также контроллеры GL850G, RTS5464 для своих нужд используют сигнальные линии USB 2.0. Детально об этом ниже в разделе USB-портов.

Теперь посмотрим выше на то, как работают процессоры в данной конфигурации. У CPU Core Ultra 2xx всего 24 линии PCIe, из них 4 линии версии PCIe 5.0 отведены на порт М.2 (M2A_CPU), 4 версии PCIe 4.0 отведены на порт М.2 (M2B_CPU) . Оставшиеся 16 линий PCIe 5.0 идут на слот PCIe x16_1. Вариантов переключений режима работы слота нет.

Теперь в целом про слоты PCIe.

Всего на плате есть 3 слота: один PCIe x16_1 (для видеокарт или других устройств) и два PCIe x16_2/3 (но фактически имеющие 1 линию PCIe 4.0 и 4 линии PCIe 4.0 соответственно).

Как видим, перераспределения линий PCIe у этой материнки нет, поэтому мультиплексоры не востребованы.

Выше я вел речь про первый PCIe x16_1, подключенный к процессору. Остальные два PCIe x16 подключены к Z890, и, несмотря на их форм-фактор, работают в режимах x1 и x4 соответственно.

Первый слот PCIe x16 имеет металлическое армирование из цинкового сплава, которое увеличивает надежность. Кроме того, такая защита предохраняет слот от электромагнитных помех.

Для удобного извлечения видеокарт из слота имеется специальная кнопка — EZ-Plus, что расположена около слота PCIe x16, но в легко доступном месте.

А слот PCIe x16_1 еще дополнительно оборудован усилением жесткости конструкции с помощью металлической пластины из цинкового сплава с оборотной стороны матплаты.

Матплата позволяет смонтировать СО любого размера.

Для нужд оверклокеров на плате имеется внешний тактовый генератор от Renesas, позволяющий гибко настраивать частоты работы системной шины.

На очереди — накопители.

Всего у платы 4 разъема Serial ATA 6 Гбит/с + 5 слотов для накопителей в форм-факторе M.2. 4 порта SATA 4,5,6,7 реализованы через чипсет Z890 и поддерживают создание RAID.

Материнская плата имеет 5 гнезд форм-фактора М.2.

Третий, четвертый и пятый слоты M.2 (M2Q_SB, M2P_SB, M2M_SB) получают данные от чипсета Z890, а первые два — от CPU, при этом M2A_CPU штатно получает от процессора PCIe 5.0, а M2B_CPU получает от процессора PCIe 4.0.

И только М2M_SB поддерживает модули с любым интерфейсом, а все остальные работают с модулями только с PCIe интерфейсом.

Все слоты M.2 поддерживают модули с размером 2280. Слоты M2A_CPU, M2B_CPU, M2D_CPU поддерживают еще и 22110, а M2A_CPU – 25110/2580.

На всех M.2 можно организовать RAID. Следует особо отметить удобный способ крепления накопителей М.2 в слотах через установленные на стойках поворотные замки.

Все M.2 слоты имеют радиаторы. Верхний M2A_CPU обладает отдельным мощным радиатором, когда как остальные все слоты M.2 имеют общий радиатор. Слот M.2, поддерживающий PCIe 5.0 (M2A_CPU) кроме верхнего радиатора еще имеет радиатор для охлаждения тыльной стороны модулей.

Другие особенности на плате

Периферийная функциональность: USB-порты, сетевые интерфейсы, ввод-вывод

Теперь на очереди USB-порты и прочие вводы-выводы. И начнем с задней панели, куда выведены большинство из них.

Повторим: чипсет Z890 способен реализовать не более 14 портов USB, из которых может быть до 10 портов USB 3.2 Gen1, до 10 портов USB 3.2 Gen2, до 5 портов USB 3.2 Gen2x2, и/или до 14 портов USB 2.0.

Также мы помним и про 24 линии PCIe 4.0, которые идут на поддержку накопителей, сетевых и иных контроллеров (я выше уже показал на что и как расходуются 19 линий PCIe 4.0 + 4 порта SATA).

И что мы имеем? Всего на материнской плате — 19 портов USB:

  • 2 порта USB4: оба реализованы через Thunderbolt 4, встроенный в CPU и представлены двумя портами Type-C на задней панели;
  • 1 порт USB 3.2 Gen2x2: реализован с помощью Z890 и представлен одним внутренним портом Type-C
    (для подключения к соответствующему разъему на передней панели корпуса);
  • 2 порта USB 3.2 Gen2: все реализованы через Z890 и представлены на задней панели портами Type-A (красного цвета);
  • 6 портов USB 3.2 Gen1: все реализованы через Z890) и 2 представлены внутренним разъемом
    на материнской плате на 2 порта; еще 4 представлены на задней панели портами Type-A (синего цвета);
  • 8 портов USB 2.0/1.1: 4 реализованы через контроллер Genesys Logic GL850G
    (на него потрачена 1 линия USB 2.0 от Z890) и представлены двумя внутренними разъемами
    (каждый на 2 порта); остальные 4 реализованы через второй контроллер Genesys Logic GL850G
    (на него потрачена 1 линия USB 2.0 от Z890) и представлены на задней панели портами Type-A (белого цвета).

На плате имеется и третий хаб Genesys Logic GL850G, однако он снабжает линиями USB 2.0 контроллеры BT и дополнительного питания USB 3.2 Gen2x2.

В целом у нас 4 контроллера используют USB 2.0 линии от Z890:

  • Genesys Logic GL850G (4 USB 2.0 через 2 внутренних разъема) (1 линия USB 2.0);
  • Genesys Logic GL850G (4 USB 2.0 через 4 порта Type-A на задней панели) (1 линия USB 2.0);
  • Genesys Logic GL850G (2 USB 2.0 на BT и Realtek RTS5464) (1 линия USB 2.0);
  • Realtek RTL1220 (аудиокодек) (1 линия USB 2.0).

И напомню, что один из контроллеров Genesys Logic GL850G обеспечивает линиями USB 2.0:

  • Bluetooth (Intel BE200) (1 линия USB 2.0)
  • Realtek RTS5464 (обеспечение дополнительного питания для USB 3.2 Gen2x2 с целью быстрой зарядки мобильных устройств) (1 линия USB 2.0).

Итак, через чипсет Z890 реализовано высокоскоростных портов USB:

  • + 2 выделенных USB 3.2 Gen2
  • + 2 линии USB 3.2 Gen2 для обеспечения USB 3.2 Gen2x2;
  • + 6 выделенных USB 3.2 Gen1

= 10 высокоскоростных портов. Не забываем, что каждый высокоскоростной порт USB обеспечен портом USB 2.0, то есть уже 10 портов USB 2.0 также занято. Плюс 4 порта USB 2.0 на обеспечение контроллеров. Всего 14 USB 2.0 портов реализовано.

Ну и 23 линии PCIe, выделенных на поддержку иной периферии (19 HSIO + 4 порта SATA) .

Итого у Z890 в данном случае реализовано 29 высокоскоростных портов из 34.

USB порт 3.2 Gen2x2 оснащен ре-драйвером, дающим устойчивый вольтаж, способный обеспечить быструю зарядку мобильных гаджетов (до 60 Вт).

Также и порты USB 3.2 Gen2 оснащены ре-драйверами для обеспечения обычной зарядки тех же гаджетов.

Порты USB 3.2 Gen1 тоже оснащены усилителями сигнала от Diodes Inc.

Следует обратить особое внимание на поддержку USB4, которая на новой платформе Intel реализована через Thunderbolt 4, аппаратно встроенный в CPU.

Для устойчивой скоростной передачи по протоколам USB4/TB4 на матплате имеются два усилителя (ре-драйвера) от той же компании Intel.

Теперь о сетевых делах.

Материнская плата оснащена средствами связи очень хорошо. Имеется скоростной Ethernet-контроллер Realtek RTL8126, способный работать по стандарту 5 Гбит/с.

Имеется и комплексный беспроводной адаптер на контроллере Intel BE200, через который реализованы Wi-Fi 7 (802.11a/b/g/n/ac/ax/be, 2,4/5/6 ГГц) и Bluetooth 5.4. Он установлен в слот M.2 (E-key), и его разъемы для выносных антенн выведены на заднюю панель.

Снова отметим уже вовсю применяемый новый способ крепления антенн к задней панели портов. Теперь прикручивать антенны не надо, просто вставить в разъем на матплате, пластиковые замки надежно зафиксируют сопряжение. Разъединить также легко.

Заглушка, традиционно надеваемая на заднюю панель, в данном случае уже надета, и изнутри экранирована для снижения электромагнитных помех.

Блок ввода-вывода, вентиляторы и т. п.

Аудиоподсистема

В данном случае звуком заведует аудиокодек Realtek ALC1220. В целом он обеспечивает вывод звука по схемам до 7.1 с разрешением до 24 бит / 192 кГц.. При этом теперь для работы такого кодека уже требуется сигнальные линии USB 2.0.

Ни ЦАП, ни операционного усилителя в схеме нет.

В аудиоцепях платы применяются «аудиофильские» конденсаторы.

Аудиотракт вынесен на угловую часть платы, не пересекается с другими элементами. У карты два универсальных разъема с позолоченным покрытием по приему и выводу сигналов плюс оптический S/PDIF. Вывод по схеме 7.1 возможен только через использование аудиогнезд на передней панели корпуса совместно с двумя гнездами на самой плате, а также через S/PDIF. Настройка схемы – с помощью скачиваемого с сайта производителя ПО.

Результаты тестирования звукового тракта в RMAA

Питание, охлаждение

Для питания платы на ней предусмотрены 3 разъема: в дополнение к 24-контактному ATX (он на правой стороне платы (на фото — слева) здесь есть еще два 8-контактных EPS12V.

Схема питания процессора выполнена по схеме 16+2+1+1 (всего 20 фаз, 16 на VCore, 2 на VCCSA (System Agent, кольцевая шина), 1 на VNNAON (управление энергосбережением) и 1 на iGPU (интегрированное графическое ядро).

Каждый канал фазы VCore имеет суперферритовый дроссель и ISL99390 DrMOS от Renesas на 90 А.

Каждый канал фазы питания VCCSA кроме дросселя имеет ISL99380 DrMOS от Renesas на 80 А.

Управляет схемой VCore (выделено фиолетовым цветом) + VCCSA (выделено голубым цветом) ШИМ-контроллер RAA229130 от Renesas.

Блок VNNAOM, а также схема питания iGPU имеют свои отдельные однофазные схемы питания, управляемые ШИМ-контроллерами NCP81526C от On Semi.

Теперь про охлаждение.

Все потенциально сильно греющиеся элементы имеют свои собственные радиаторы.

Как мы видим, охлаждение чипсета (один радиатор) организовано отдельно от силовых преобразователей. VRM-секция имеет свои два радиатора, соединенные тепловой трубкой под прямым углом.

Радиатор VRM, идущий вдоль заднего блока портов, имеет кожух, оснащенный подсветкой.

Как я уже упоминал ранее, M.2 слоты также имеют радиаторы: у верхнего — свой персональный радиатор, у остальных — общий.

Одной из особенностей данной матплаты является поддержка современной памяти DDR5 в в виде CUDIMM . Цель этих новаций – достижение более высоких тактовых частот работы, а значит и нагрев модулей памяти может вырасти. Поэтому в комплекте поставки матплаты имеется дополнительный небольшой вентилятор, устанавливаемый на верхнем торце платы рядом со слотами ОЗУ.

Для монтажа вентилятора используется одно из штатных крепежных отверстий материнки, при этом можно применить как обычный винт, которым прикручивается матплата, так и прилагаемый к вентилятору набор крепежа.

Напомню, что материнская плата не имеет бэкплейта.

Подсветка

Все о внешней красоте

Программное обеспечение под Windows

Фирменное ПО Gigabyte

Настройки BIOS

Что нам дают тонкости настроек в BIOS

Работоспособность (и разгон)

Конфигурация тестовой системы

Запускаем все в режиме по умолчанию, настройки PerfDrive в режиме по умолчанию (профиль Intel). Затем нагружаем тестами.

В режиме авторазгона мы получили до 5,2 ГГц по всем P-ядрам, и 4.6 ГГц по всем Е-ядрам. Напомню, что начиная с этого поколения процессоров, все ядра имеют по 1 потоку, то есть гипертрейдинга (многопоточности) теперь нет.

Сложно оценить, высокий ли этот авторазгон, или нет. С первого взгляда – приличный, ведь у материнской платы очень мощное питание. Все параметры работы платы были в норме, нареканий не было. Максимальное потребление процессором составило около 156 Вт.

Теперь в настройках BIOS выставим режим Unleash (то есть максимально возможный автоматический разгон).

Как мы видим, при этом частоты работы ядер процессора остались примерно на том же уровне, однако предел 5,2/4,6 ГГЦ достигался намного чаще, максимальное потребление процессоров выросло на 10 Вт. Что это дало в реальности? После проведение пары тестов выяснилось, что прирост производительности оказался около 2%, то есть по сути – ерунда.

Выводы

Gigabyte Z890 Aorus Pro Ice — весьма мощный, но при этом не самый дорогой вариант материнской платы из серии Aorus на базе последнего чипсета Intel Z890. Это примерно третья по старшинству модель в линейке, ее стоимость — в районе 50 тысяч рублей. Плата имеет поддержку широкого ассортимента периферии и исполнена в приятном дизайне, явно понравится любителям белых системных блоков.

У нее 19 портов USB разных видов, включая 2 самых быстрых USB4, один USB 3.2 Gen2×2 в виде внутреннего порта Type-C (поддерживает быструю зарядку мобильных устройств до 60 Вт) и 8 USB 3.2 Gen1/2. Также плата предлагает 3 слота PCIe х16, один из которых получает от процессора 16 линий PCIe 5.0, а два других работают в режимах х1 и x4 (подключены к чипсету). У платы 5 слотов M.2, два из которых подключены напрямую к процессору: один — линиями PCIe 4.0, второй — линиями PCIe 5.0. Три других слота М.2 подключены к чипсету Z890 линиями PCIe 4.0.

В арсенале платы также есть 4 порта SATA и 8 разъемов для вентиляторов. Система питания процессора весьма мощная, способная обеспечить работу любых совместимых процессоров с приличным запасом на разгон. Плата имеет грамотную систему охлаждения каждого потенциально греющегося элемента, включая накопители в слотах M.2 (термопрокладки для охлаждения накопителей в слоте PCIe 5.0 есть с обеих сторон). Сетевые возможности очень хороши: быстрый проводной контроллер 5 Гбит/с и один самый современный беспроводной — Wi-Fi 7 + Bluetooth 5.4. В числе плюсов платы можно упомянуть неплохую стильную подсветку, а также широкие возможности для подключения дополнительных RGB-устройств.

В съемках принимала участие видеокарта Palit GeForce RTX 3050 StormX

В номинации «Оригинальный дизайн» плата Gigabyte Z890 Aorus Pro Ice получила награду: