Содержание
Введение
1. Фотодатчик
2. Простой стенд или играть в конструктор никогда не поздно
3. Первая версия механизированной установки — на резинках и шнурках
4. Вторая версия механизированной установки
5. Пример тестирования
Выводы
Список обзоров, с тестами ЖК-матриц
Введение
Одним из главных недостатков устройств отображения на основе ЖК-матриц является изменение картинки при отклонении направления взгляда от перпендикуляра к экрану. Эта особенность заставляет очень аккуратно выбирать ЖК-монитор для некоторых видов работ (например, подготовки изображений к печати), а в худшем случае может приводить к повышенной утомляемости, сводя на нет отсутствие мерцания и «вредных» излучений. Следует отметить, что приводимые в характеристиках мониторов и телевизоров углы обзора относятся к падению контрастности (отношение яркости белого поля к яркости черного) до соотношения 10:1 или даже 5:1, и ничего не говорят о поведении матрицы при небольших отклонениях и о том, как меняются промежуточные (серые) полутона и цветопередача.
В качестве абстрактного примера рассмотрим два монитора: матрица первого ведет себя очень хорошо при не очень больших отклонениях (например, вплоть до 45 градусов в одну сторону), но при чуть большем отклонении контрастность резко понижается, тогда как изображение на втором мониторе сильно «гуляет» (резко меняется контрастность и соотношение между полутонами) при небольших отклонениях, но контрастность не опускается ниже 10:1 вплоть до почти параллельного экрану направления. С формальной точки зрения углы обзора второго монитора будут очень большими, но любой пользователь, поработавший за обоими мониторами, предпочтет первый, пусть его паспортные углы обзора и будут меньше.
Таким образом, объективное тестирование устройств с ЖК-матрицами должно включать в себя характеристику поведения изображения при отклонении от перпендикуляра к экрану в рабочих и разумных пределах. Контрастность при отклонении 80 градусов (полные 160) и более не имеет абсолютно никакого значения. Для того чтобы при тестировании ЖК-матриц уменьшить фактор субъективности, мы задались целью создать устройство, измеряющее яркость экрана под различными углами.
Прежде чем перейти к описанию эволюции наших устройств, позволим себе два отступления. Во-первых, причину такого поведения ЖК-матриц упрощенно можно объяснить тем, что свет от ламп подсветки, достигая глаз наблюдателя, проходит (или почти не проходит) через три поляризационных фильтра (верхний, нижний и, собственно, слой жидких кристаллов), а эффективнее всего эти фильтры работают в перпендикулярном направлении. Тогда как в ЭЛТ-трубках бомбардируемый электронами люминофор излучает свет во всех направлениях прямо с поверхности (пусть даже и обратной) экрана. Во-вторых, все не так плохо. Большинство современных ЖК-мониторов и ЖК-телевизоров оснащены хорошими матрицами (что не мешает лишний раз в этом убедиться) и только портативные устройства, например, ноутбуки и DVD-плееры с экраном, зачастую имеют матрицы, характеризующиеся очень узким диапазоном углов.
1. Фотодатчик
В центрах разработки и сертификации ЖК-матриц для определения углов обзора используются узконаправленные (угловой размер измеряемой площадки 2 градуса и меньше) яркомеры-фотометры типа TOPCON BM-5A (характеристики) стоимостью несколько килобаксов.

Купить такой прибор — дорого, а собрать — еще дороже. К тому же подобный регистратор потребовал бы стационарного стенда, а хотелось использовать что-нибудь мобильное, компактное и легкое. Приготовившись идти на компромиссы, мы решили попробовать собрать установку из доступных по цене и просто доступных компонентов. Итак, требовалось, во-первых, изготовить узконаправленный фотодатчик, и, во-вторых, мобильный стенд для фиксации датчика в рабочем диапазоне углов.
Для ограничения угла зрения датчика мы планировали использовать простейший однолинзовый объектив со светозащитной блендой, который должен был фокусировать свет от небольшой площадки экрана на фотоприемнике. В качестве последнего мы взяли немного модифицированный фотоприемник от разработанного нами прибора для определения времени отклика. Фотодиод BPW20RF заменили версией BPW21R (Vishay Semiconductors) со встроенным светофильтром, приближающим спектральную чувствительность фотодиода к зрению человека. ОУ AD820 заменили микросхемой AD795 (Analog Devices) с биполярным питанием и чуть лучшими характеристиками, а коэффициент усиления повысили с помощью Т-образного соединения резисторов. Схема приведена тут.
Несмотря на все ухищрения, чувствительности фотоприемника едва хватало для регистрации света, излучаемого небольшим участком ЖК-матрицы, показывающей черное поле. Чтобы увеличить световой поток, попадающий на фотодиод, сохраняя при этом узкую направленность датчика, в тубус перед фокусирующей линзой мы плотно вставили несколько тонких трубочек из зачерненной бумаги. В итоге мы получили узконаправленный (угол зрения примерно 4 градуса) компактный датчик, измеряющий яркость поверхности в диапазоне от десятых до, примерно, 400 кд/м2 (без дополнительного фильтра, по данным калибровки с помощью колориметра SpyderPRO) при этом рабочий угол отклонения для поверхностей шириной более 20 см составляет не менее 80 градусов.

Фотодатчик в сборе с тубусом
Перевод аналогового сигнала фотодатчика и передача данных на компьютер для последующей обработки осуществляется с помощью внешнего блока АЦП L-Card E-140, хорошо себя зарекомендовавшего при работе в составе комплекса для измерения времени отклика. Этот же блок вырабатывает биполярное питание (±15 В) для ОУ фотодатчика.
Данный фотодатчик применяется как для исследования углов обзора, так и для определения равномерности белых и черных полей и усредненной контрастности, а также для исследования скоростных характеристик матрицы согласно разработанной методике, которая подробно описана тут.
2. Простой стенд или играть в конструктор никогда не поздно
Первая версия стенда, фиксирующего датчик под нужным углом, представляла собой прямоугольное основание и шарнирно закрепленную на нем рамку с фотодатчиком, которую фиксировала рейка с отверстиями.При измерении углов обзора этот штатив ставится на расположенную горизонтально матрицу, а затем датчик фиксируется под определенным углом и производится измерение яркости полей различной интенсивности. Далее датчик фиксируется под следующим углом, измерения повторяются и т. д. Поля на экран выводятся с помощью специальной программы, она же регистрирует отклик и проводит усреднение показаний. Тестирование проводится в затемненном помещении, чтобы устранить влияние посторонней засветки. В ходе измерений, кроме черного и белого полей, измеряется яркость трех серых полей — 25, 50 и 75% по шкале серого (не в %% от относительной яркости!), где белому соответствует 100%, черному — 0%. Несмотря на свою простоту, данная установка позволяет получить зависимости яркости полей и контрастности от угла наклона, по которым можно определить, как быстро падает яркость и контрастность при отклонении от перпендикуляра, при каких углах происходит слияние полутонов и т. д. На протяжении довольно длительного времени эта установка использовалась в основном для тестирования матриц ноутбуков.
Однако два обстоятельства не давали покоя: во-первых, в ходе тестов приходилось 72 раза менять положение рамки с датчиком (18 фиксированных углов и 4 направления: вправо, влево, вверх и вниз), а, во-вторых, шаг по углам был довольно большим, а уменьшить его, значит, еще больше затруднить работу оператора. Очевидное решение этой проблемы — повысить степень автоматизации.
3. Первая версия механизированной установки — на резинках и шнурках
Труднее всего оказалось создать компактный, управляемый программой на компьютере, привод, поворачивающий рамку с датчиком. Первой и неудачной попыткой была конструкция из двух половинок грампластинки, закрепленных на рамке-основании, при этом рамка с датчиком должна была перемещаться с помощью двух резиновых роликов, катящихся по тому, что было ребром изделия апрелевского завода. Ролики вращались моторчиком с редуктором. В принципе, все это даже как-то вращалось и перемещалось, но после того, как при попытке просверлить отверстия для датчика угла, кусок пластинки откололся, виниловые полукруги были заменены дюралевыми, за которые ролики не цеплялись. Пришлось придумывать другой привод.
Первая версия механизированной установки, доведенная до рабочего состояния, перемещает рамку с датчиком с помощью системы блоков и нитки, наматывающейся на барабан от пленочной кассеты.
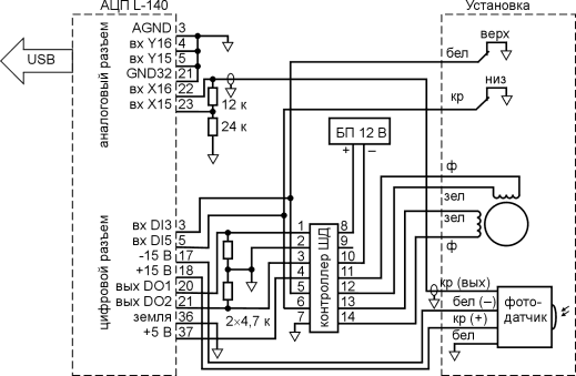
Провисание нитки устраняется действием веса рамки и датчика, а в верхней мертвой точке — резинкой «для купюр». В приводе используется моторчик и редуктор от привода лотка старого CD-ROM-дисковода. Моторчиком управляет драйвер TA8409F от TOSHIBA (извлеченный из того же дисковода), питание и команды эта микросхема получает от модуля E-140. Крайние положения фотодатчика определяются с помощью двух концевых замыкающих датчиков (тоже от CD-привода). Промежуточные положения подвижной рамки детектируются оптическим датчиком (ИК-диод — фототранзистор), работавшим когда-то в НГМД 5-ти-дюймового формата. При движении рамки этот датчик фиксирует прохождение отверстий, просверленных с определенным шагом по периметру одного из полукругов. Выходы всех датчиков подключены к цифровым (TTL) входам модуля E-140, который по интерфейсу USB подключен к компьютеру и служит посредником между ним и установкой. Электрическая схема установки приведена тут.
Порядок работы с новой установкой остался в принципе прежним, только теперь циклом измерений в одном направлении управляет программа, и вмешательство оператора на этом этапе не требуется. Управляющая программа перемещает датчик на исходную позицию (нижнее положение, измерения ведутся при перемещении датчика вверх, к перпендикуляру к экрану), выводит на экран очередное поле, выдает команду на перемещение датчика вверх, регистрирует отклик датчика и прохождение угловых меток, производит интерполяцию промежуточных значений углов и т. д., пока не исчерпается список полутонов.

Диалоговое окно управляющей программы
Все бы хорошо, но опытная эксплуатация (продолжающаяся до сих пор) выявила ряд конструктивных недостатков. Во-первых, оптический датчик угловых меток работает нестабильно — устраняется добавлением транзистора или подключением выхода датчика к аналоговому входу модуля E-140. Во-вторых, установка получилась громоздкой, при измерении матриц небольшого размера ее приходится ставить на рамку экрана, а протестировать матрицы ноутбуков, которые не откидываются на 180 градусов, не получится — габариты можно уменьшить, перенеся узел с моторчиком и барабаном и укоротив рамку-основание. В-третьих, привод требует очень аккуратного обращения, так как стоит случайно задеть подвижную рамку, как нитка слетает с блоков, после чего приходится прерывать работу и аккуратно укладывать нитку на место. Последний недостаток можно устранить, только принципиально изменив привод.
4. Вторая версия механизированной установки
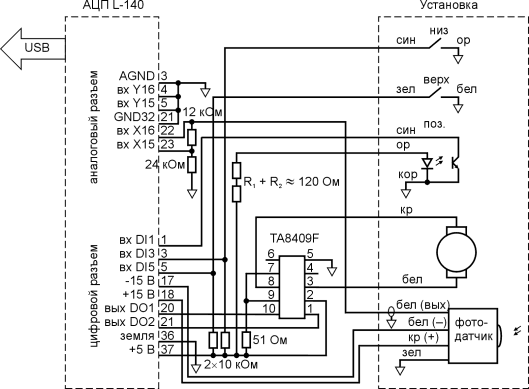
В следующей версии установки, свободной от перечисленных выше недостатков, используется шаговый двигатель (ШД) от 5-дюймового флоповода с закрепленным на оси винтом, по которому перемещается гайка, шарнирно закрепленная на рамке. Так достигается жесткая фиксация положения подвижной рамки с фотодатчиком относительно основания.
Управлять работой ШД сложнее, чем однофазным коллекторным моторчиком. Простейшая схема, контролирующая ШД, состоит из двух блоков: драйвера, переключающего обмотки, и контроллера, генерирующего управляющие импульсы. Драйвер можно собрать из дискретных элементов или, что проще, использовать специализированные микросхемы. Все тот же распотрошенный 5-дюймовый дисковод предоставил в наше распоряжение микросхему-драйвер HA13421A от Hitachi. В принципе, контроллером мог бы послужить блок АЦП E-140. К сожалению, это недорогое устройство не позволяет загружать в него и исполнять пользовательские микропрограммы, поэтому пришлось бы управляющую последовательность генерировать с помощью программы, запущенной на компьютере, и передавать ее по USB-интерфейсу, и без того загруженному потоком данных от фотодатчика. Требовался внешний контроллер.
Запасы микросхем 155-ой серии провоцировали собрать контроллер из них. В принципе все просто: тактовый генератор, частоту которого можно задавать переменным резистором, плюс логика на паре-тройке микросхем, по команде формирующая две сдвинутые по фазе последовательности импульсов и обеспечивающая реверсивный режим. Однако пробные испытания подобного решения выявили большое потребление (до 150 мА), что для устройства, питающегося от USB, не приветствуется. Конечно, можно было за копейки приобрести современные экономичные логические микросхемы, но если все равно идти в магазин, то не проще ли купить одну микросхему-микроконтроллер и собрать контроллер ШД на ней? Не проще, но интереснее. К тому же устройство на микроконтроллере легче поддается усовершенствованию и адаптации к новой обвязке — достаточно изменить микропрограмму и подключить сигнальные линии.
Выбрали мы PIC16F876A от Microchip Technology. С одной стороны, функциональность этого микроконтроллера в несколько раз превосходит необходимую для управления ШД. В принципе, добавив ОУ с переменным коэффициентом усиления и, возможно, транслятор интерфейса RS232, можно собрать всю систему сбора и предварительной обработки данных без блока АЦП E-140 (упростив ее, но и немного потеряв при этом в точности). С другой стороны, запас карман не тянет, а экономия нескольких десятков рублей при единичном производстве никакого значения не имеет. Программа для микроконтроллера писалась в среде MPLAB IDE, там же она отлаживалась с использованием встроенного эмулятора. Текст программы тут. Мы прошивали PIC16F876A с помощью простого низковольтного программатора, собранного на макетной плате. Схема тут. На этой же плате находились все остальные элементы, необходимые для проверки работоспособности схемы.
Программатор подключается к COM-порту компьютера. На место программы-прошивальщика претендовали три: PonyProg2000 2.06f Beta, FPP 0.9 (bld 43) и IC-Prog 1.05D. Многочисленные попытки подружить PonyProg2000 с нашим программатором не увенчались успехом, тогда как FPP и IC-Prog заработали без особых уговоров. Остановились мы на более продвинутой IC-Prog.
Предварительные испытания показали, что рамка с датчиком движется слишком медленно, а грубое увеличение частоты управляющих импульсов приводит к пропуску шагов, что недопустимо. Требовалось тонко подобрать максимальную частоту, при которой двигатель вращается быстро и равномерно. Для этого к микроконтроллеру подключили две кнопки и микродинамик, а в программу внесли соответствующие изменения. Во время тестового движения рамки кнопками можно менять частоту вращения (изменение делителя частоты сопровождается коротким писком), а одновременное нажатие на обе кнопки в режиме остановки (длинный писк) заносит найденное оптимальное значение делителя в долговременную память микроконтроллера. Схема контроллера ШД тут. Здесь электрическая схема установки.
Протестированная на макетной плате схема была перенесена на текстолит и помещена в корпус.
Итого в контроллере ШД использованы детали от Б/У: CD-ROM-привода (кнопки), модема (кварцевый резонатор на 12 МГц, конденсаторы к нему и микродинамик), материнских плат (разъемы), кулерных и звуковых шлейфов (разъемы). Остальные или куплены или извлечены из старых запасов.
Как и в предыдущей версии установки всем управляет программа, запущенная на компьютере, — она выводит шаблон на экран тестируемого монитора, выдает команды на перемещение датчика, сохраняет показания датчика и метки времени и следит за состоянием концевых выключателей. По завершении цикла измерений и частично во время прохода датчика программа выполняет предварительную обработку данных: пересчитывает показания датчика в вольты, усредняет показания датчика и переводит метки времени в углы. Скорость вращения ШД не зависит от положения рамки и определяется частотой работы микроконтроллера и делителем частоты, что позволяет, зная стороны треугольника, образованного центрами шарниров рамки, гайки и ШД и время движения из одного крайнего положения в другое, вычислять угол отклонения рамки по времени, прошедшему с начала движения. Измерения ведутся как при подъеме датчика, так и при опускании.
5. Пример тестирования
В качестве примера приведем результаты тестирования матриц двух устройств: ЖК-телевизора (левый столбец) и ноутбука (правый столбец). Первый блок данных получен на первой версии механизированного стенда, второй — на второй.
| ЖК-телевизор | Ноутбук |
![]() | ![]() |
| Зависимость яркости полутонов (0% — черный, 100% — белый) в центре экрана от отклонения оси датчика (отрицательные значения — влево, положительные значения — вправо) от нормали к экрану в горизонтальной плоскости. | |
![]() | ![]() |
| Зависимость яркости полутонов (0% — черный, 100% — белый) в центре экрана от отклонения оси датчика (отрицательные значения — вниз, положительные значения — вверх) от нормали к экрану в вертикальной плоскости. | |
![]() | ![]() |
| Зависимость контрастности (отношения яркости белого поля к яркости черного) в центре экрана от отклонения оси датчика (отрицательные значения — влево или вниз, положительные значения — вправо или вверх) от нормали к экрану в вертикальной и горизонтальной плоскостях. Зеленая линия — отношение 10:1, пурпурная — 5:1. | |
Если акцентировать внимание только на том, как ведут себя матрицы при отклонении взгляда от перпендикуляра к экрану, можно утверждать, что матрица ЖК-телевизора — хорошая, а матрица ноутбука плохая. Обсудим подробнее полученные графики.
На «горизонтальных» графиках телевизора яркости полутонов плавно уменьшаются по направлению к большим углам и нигде не пересекаются, в центре графика для каждого полутона имеется довольно широкое плато, в пределах которого яркость меняется несильно. На графиках матрицы ноутбука такие плато узкие и переходят они в крутые склоны падения яркости. Некоторые полутона пересекаются, при этом темно-серый пересекается с черным уже при — 39 и 32 градусах.
«Вертикальные» графики для телевизора немного хуже горизонтальных, в частности плато на вершинах, особенно для белого поля уже, но все равно во всем измеряемом диапазоне полутона сохраняют дистанцию и не пересекаются. Соответствующие графики для матрицы ноутбука выглядят ужасно. Плато как такового для светлых полутонов нет в принципе, максимум яркости определяется не в нормали к экрану, а немного выше, притом, чем темнее полутон, тем больше сдвиг вверх. Для средних полутонов в перпендикулярном направлении наблюдается чуть ли не максимальная скорость падения яркости. Первое пересечение полутонов происходит при 10 (!) градусах отклонения вниз (темно-серый и черный), второе — при 35 градусах отклонения вверх и пересекаются не какой-то там темно-серый, почти черный, а светло-серый и белый, то есть белый фон страницы сливается со светло-серыми элементами управления (кнопки, ползунки и т. д.). Что происходит при больших отклонениях, просто не поддается описанию. То есть даже при самых небольших отклонениях от перпендикуляра к экрану картинка будет «гулять», а полутона инвертироваться. Опять же, если сидеть достаточно близко к экрану ноутбука, то изображение в центре экрана и на периферии будет сильно различаться. Можно ли долго и комфортно работать за таким экраном — вопрос почти риторический, такова плата за компактность, низкое энергопотребление и невысокую стоимость.
Графики контрастности еще раз подтверждают вывод относительно матриц этих двух устройств. Для телевизора графики плавные вплоть до пределов измерений (±78 градусов), а контрастность не опускается ниже 40:1. Контрастность матрицы ноутбука при горизонтальном отклонении еще имеет некое подобие плато, но при вертикальном вершина имеет очертания острого пика. Контрастность падает до 10:1 при — 48 и 46 (горизонтальное направление) и при — 50 и 28 градусах (вертикальное).
Единственный положительный момент плохих матриц — они позволяют точнее настроить прибор и потренироваться в определении оптимальных условий измерения. Матрица ноутбука позволила выявить небольшой перекос в позиционировании фотодатчика на подвижной рамке (примерно 1,5 градуса). Этот дефект проявился в небольшом расхождении «горизонтальных» графиков по вертикали, в провале на одной ветви графика контрастности и в расхождении углов порога 10:1 для контрастности по горизонтали (очевидно, что по горизонтали матрица должна быть изотропной, то есть вести себя одинаково при отклонениях вправо и влево). Крепление датчика позволяет легко устранить перекос. Кроме того, на «вертикальных» графиках на кривых черного и темно-серого можно увидеть горизонтальные плато при отклонении вверх. Причина в том, что яркость этих цветов растет настолько быстро, что не хватило диапазона АЦП. Специально для таких матриц мы подготовили еще один файл параметров измерения, чтобы избежать подобных накладок в будущем.
Выводы
- Разработана конструкция недорогого и компактного узконаправленного фотодатчика для измерения яркости излучающих поверхностей в широком диапазоне по яркости. Датчик также пригоден и для измерений скоростных характеристик ЖК-матриц.
- Созданы две механизированные установки, предназначенные для позиционирования фотодатчика под различными углами к поверхности, чья яркость определяется.
- Разработано соответствующее программное обеспечение и руководство по использованию всего программно-аппаратного комплекса, предназначенного для определения поведения ЖК-матриц при отклонении взгляда от нормали к экрану, определения равномерности черного, белого полей и контрастности и для исследования скоростных характеристик ЖК-матриц.
- Протестировано большое количество ЖК-матриц различных устройств (телевизоров, мониторов, ноутбуков).
- Показано, что характеристики матриц существенно различаются, а результаты, полученные с помощью данного комплекса, позволяют повысить уровень объективности при сравнении ЖК-матриц.
Список обзоров с тестами ЖК-матриц
ЖК-телевизор POLAR 43LTV4005
ЖК-телевизор SHARP LC-26GA3E
ЖК-телевизор со встроенным DVD-плеером Rolsen RL-17D20D
LCD-монитор BenQ FP71W
LCD-монитор BenQ FP937s
См. также обзоры в разделе «Ноутбуки и Планшетные ПК»













