Оглавление
Для начала хотим предупредить, что наши разработки и используемые средства отличаются от применяемых производителями по форме, но не по сути. А суть (научная составляющая) определялась после рассмотрения рекомендаций и схем процедур, производимых инженерами на производствах профильной продукции, а также и использованием стандартов ISO.
1. Отличия методики
Принципиальным отличием наших методик является наличие программно-аппаратного комплекса, позволяющего провести ключевые тесты каждой из основных характеристик монитора. При этом сам процесс тестирования проходит в типичной рабочей среде, а не в специальных «тепличных» (для монитора) условиях.
Такой подход позволяет выявить реальные потребительские качества, которые сможет получить конечный покупатель.
Итоги подводятся на основе субъективной оценки эксперта и полученных в результате замеров данных, что нередко приводит к интересным выводам, опровергающим популярные мнения.
Наша методика совершенствуется и расширяется по мере работы. Скоро мы представим аппаратное решение для замера углов обзора, что являлось до недавнего времени очень неоднозначным моментом.
2. Состав теста
Каждый обзор состоит из двух принципиальных частей:- знакомство с продуктом (от упаковки до подключения) и дальнейшая субъективная оценка;
- проведения замеров на базе программно-аппаратного комплекса и последующий анализ.
2.1 Знакомство и субъективная оценка
Рассматривается качество упаковки, ведь это одно из условий доставки монитора в наиболее правильном состоянии с производства. Это также является одним из показателей культуры производства.
Затем проводится анализ комплектации (наличие и качество сигнальных кабелей, наличие управляющего ПО, дополнительные программы и механизмы).
Монитор устанавливается на тестовое рабочее место, осматривается для анализа его конструкции и возможностей конфигурации по настройке угла обзора, высоты экрана. Также проводится оценка качества материалов и дополнительные возможности (например, емкость для хранения письменных принадлежности внутри подставки).
При подключении анализируются все доступные способы подключения (видео- и аудио-входы, наличие встроенного USB-хаба и т. д.), проводится оценка качества изображения при аналоговом и цифровом источнике сигнала. При этом источником сигнала является одна из самых распространенных видеокарт, заведомо не имеющая дефектов в видео.
Заканчивая первичное знакомство, мы рассматриваем переднюю панель и кнопки управления интерактивным меню настроек монитора. Но сам визуальный дизайн не является критерием тестирования, т. к. напрямую связан с вкусовыми качествами каждого потребителя и, в идеале, места эксплуатации.
В рамках субъективной оценки монитор проводит несколько дней и участвует в полноценном рабочем и развлекательном процессах, что позволяет оценить его прямые функциональные возможности. Затем проводится первичная настройка (параметры контраста и яркости — заводские, гамма 6500/sRGB, все системы локальной модификации яркости — выключены) и дается время на разогрев, регламентируемое инструкцией производителя (реально монитор тестируется на второй день).
Конфигурация тестового компьютера:
- IMB PC-совместимая платформа intel Pentium 4;
- материнская плата на логике intel с выключенным встроенным видео;
- видеокарта на базе референсного дизайна ATI X1600 с DVI-выходом;
- звуковой комплекс 2.1 Microsoft/Philips Digital Sound System для тестирования встроенных колонок;
- бытовые наушники;
- рядом установлен откалиброванный 20″ LCD- NEC MultiSync LCD2090UXi для наглядного сравнения изображений.

На рабочем столе размещаются полноэкранные иллюстрации, позволяющая бегло оценить качество цветопередачи и наличие темных полутонов, а также углы обзора.
Затем в обзоре мы приводим все основные технические параметры, заявленные производителем, и переходим к интерактивной фазе тестирования, в которую входят:
- процесс по работе с текстами, Word for Windows и Excel
- навигация в сети Интернет, посещение новостных и фотосайтов
- просмотр DVD-дисков как с технически качественным (оригинальные релизы), так и средним содержанием (ТВ-съемки, рыночные копии)
- игровой процесс, на основе 3D-стрелялок высокой динамичности смены планов + обычные настольные игры типа Solitaire.
К этому моменту у эксперта уже формируется субъективное мнение о качестве изображения и соответствии монитора тем или иным типовым применениям, а также выводы о возможности несоответствия заявленных характеристик с наблюдаемыми реальными.
2.2 Объективное тестирование
По возможности при проведении замеров используется цифровой подключение по DVI, т. к. именно в этом режиме (по рекомендации производителей) возможно достижение максимальных значений основных параметров матрицы.
Оригинальной частью методики тестирования является проведение аппаратных замеров с последующим программным анализом, для чего используются:
- собственный комплекс с фотодатчиком, АЦП-блоком и управляющей программой;
- программа анализа снятых данных скорости матрицы;
- аппаратный комплекс Pantone Spyder2PRO Studio;
- аппаратный комплекс GretagMacbeth OneEye Pro;
- Microsoft Excel для обработки полученных результатов.
2.2.1 Измерение времени отклика
а) Теория
Определение времени отклика для мониторов дано в стандарте ISO 13406-2. Время отклика — это сумма времени, необходимого для изменения относительной яркости объекта с 0,1 до 0,9 (время включения) и времени для обратного изменения (время выключения). Относительная яркость при этом определяется как разность мгновенной (в текущий момент времени) и минимальной (монитор включен, на вход подается видеосигнал, соответствующий черному полю) яркостей, отнесённая к разности максимальной (монитор включен, на вход подается видеосигнал, соответствующий белому полю) и минимальной яркостей.
Схема, взятая из описания панели Samsung (PDF-файл, 1 МБ), поясняет это определение.
![]() |
| Чертеж, поясняющий процедуру измерения времен отклика. Tr — время включения, Tf — время выключения |
б) Практика
Аппаратная часть комплекса для измерения времени отклика состоит из фотодатчика, измеряющего относительную яркость на участке экрана тестируемого монитора, и USB-АЦП L-Card E-140 (макс. 100 кГц, работает на частоте 10 кГц, 14 бит) для оцифровки и ввода данных с датчика в компьютер, а также необходимых кабелей.
![]() |
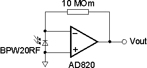
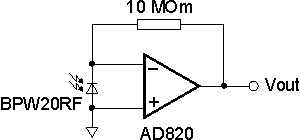
| Принципиальная схема датчика |
Датчик питается от стабилизированного напряжения, вырабатываемого модулем E-140. Линейность зависимости напряжения на выходе датчика от освещенности доказана с помощью поверенного в Ростесте люксметра TES-1334.
![]() |
| Аппаратная часть комплекса |
Программная часть комплекса — это программа GelTreat, позволяющая регистрировать и анализировать зависимости типа время-отклик, модифицированная для получения значений времен отклика.
![]() | ![]() |
| Диалоговое окно с настройками | Рабочее положение датчика |
В ходе измерений, программой GelTreat запускается два процесса: первый регистрирует сигнал с датчика, второй — в DirectDraw-режиме выводит на экран тестируемого монитора шаблоны. Страницы в шаблонах меняются через 500 мс на протяжении 10 с. Шаблонов два: первый представляет собой чередование черного и белого поля во весь экран, второй — собой черный прямоугольник на белом фоне, меняющийся на белый на черном фоне.
![]() |
| Схема второго шаблона. W — ширина экрана, H — высота |
Второй шаблон позволяет оценить динамику на контрастных объектах, т. е. выявить те случаи, когда время переключения пикселей зависит от состояния соседних.
![]() |
| Типичная запись сигнала с датчика |
На записи получаем примерно 10 импульсов. Обрабатываем последние 5, где режим монитора уже точно установился. Прежде всего, выставляем значения максимального и минимального отклика (диапазоны, где установилась минимальная и максимальная яркость указывает оператор, усредняет — программа). В результате, на графике появляются горизонтальные красные линии, отмечающие 10% и 90% от максимального отклика (яркости). Временные интервалы определяются автоматически, но предусмотрен и ручной режим.
![]() |
| Интерактивное определение интервалов времени |
Всего определяем по 5 интервалов, затем подсчитываем средние времена включения, выключения и их сумму.
![]() |
| Типичная таблица с результатами. |
в) Замечания по поводу выбора настроек монитора, при которых мы проводим измерения времени отклика.
Как правило, в мониторах довольно много регулируемых параметров (яркость, контрастность и 3 регулировки яркости цветов — красного, зеленого и синего и т. д.) с диапазоном изменения, например, от 0 до 100. Очевидно, что измерить характеристики монитора при любых сочетаниях этих регулировок невозможно, поэтому основные усилия направлены на измерения при установках по умолчанию (если производитель их подобрал не оптимально, то ему же хуже), а также на выявление возможностей самой матрицы.
Для начала, все установки монитора мы сбрасываем к заводским (фабричным, по умолчанию), затем установки, меняющие цветовой баланс изменяем так, чтобы (с точки зрения производителя монитора) они соответствовали стандартным для PC: гамма = 2.2, цветовая температура = 6500 К. Далее проводим измерения времен отклика при различных установках яркости и контрастности, так как именно они сильнее всего влияют на время отклика.
Например, возможен следующий набор:
| Установки монитора*, % от максимума | |
| Contrast | Brightness |
| 50** | 90** |
| 50 | 50 |
| 50 | 100 |
| 100 | 50 |
| 100 | 100 |
** Заводские установки.
Кроме того, в особых случаях мы проводим дополнительные измерения:
- фиксируем один из параметров — яркость или контрастность — и изучаем, изменение времен отклика, при изменении другого;
- определяем время отклика при максимальных значениях яркости или контрастности, при которых качество цветопередачи, находится еще на приемлемом уровне
- и т. д.
г) Измерение времен отклика при переходе между полутонами.
Очевидно, что скорость переключения черно-белых полей играет роль только в одном случае: при прокрутке черного текста на белом фоне. Смазанность объектов при просмотре фильмов и при виртуальном сражении определяется скоростью перехода между полутонами. К сожалению, у ANSI нет методики, описывающей процедуры таких измерений. Поэтому, во-первых, производители матриц и мониторов могут сознательно обеспечивать малые черно-белые времена отклика, не заботясь о полутоновых переходах, и, во-вторых, отсутствие стандартов затрудняет адекватное сравнение скоростей полутоновых переходов, полученные независимыми тестовыми лабораториями. В настоящий момент мы разработали свою методику измерения времен отклика при переходе между полутонами. Мы предлагаем проводить три вида измерений: для фиксированного полутона (X) измерять время отклика при переходе от черного до X, от X до белого, и для перехода между полутонами в окрестности X, отстоящими от X на фиксированное значение (мы выбрали его равным 10%, так как считаем 20% минимальной имеющей значение разницей между полутонами). Ниже для примера приведены полученные зависимости.

Времена отклика при переходе от черного до полутона X

Времена отклика при переходе между полутонами в окрестности X,
отстоящими от X на 10%

Времена отклика при переходе от полутона X до белого.
0 до 20% измерения проводились с шагом 2%
2.2.2. Измерение углов обзора
Для измерения яркости небольшого участка экрана в заданном направлении мы изготовили высокочувствительный узконаправленный (4±0,5 градуса) датчик. Его конструкция довольно простая: фотодиод в корпусе с усилителем, фокусирующая линза и тубус, предохраняющий от посторонней засветки.
Чтобы выяснить, как меняется яркость монитора при отклонении от перпендикуляра к экрану, мы проводим серию измерений яркости черного, белого и оттенков серого в центре экрана в широком диапазоне углов, отклоняя ось датчика в двух направлениях — вертикальном и горизонтальном. Пример получаемых результатов — на графиках ниже.

Зависимость яркости полутонов (0% — черный, 100% — белый) в центре экрана от отклонения оси датчика (отрицательные значения — вниз, положительные значения — вверх) от нормали к экрану в вертикальной плоскости

Зависимость яркости полутонов (0% — черный, 100% — белый) в центре экрана от отклонения оси датчика (отрицательные значения — влево, положительные значения — вправо) от нормали к экрану в горизонтальной плоскости

Зависимость контрастности (отношения яркости белого поля к яркости черного) в центре экрана от отклонения оси датчика (отрицательные значения — влево или вниз, положительные значения — вправо или вверх) от нормали к экрану в вертикальной и горизонтальной плоскостях. Зеленая линия — отношение 10:1, красная — 5:1
Проведя серию тестов, мы можем утверждать, что приводимые в технических характеристиках мониторов углы обзора ровным счетом ничего не говорят о том, как будет выглядеть изображение при взгляде на монитор сбоку, так как уже при малых отклонениях от перпендикуляра к экрану яркость может резко уменьшиться, а контраст в полутонах полностью исчезнуть еще задолго до достижения черно-белой границы в 10:1 (или 5:1). Напротив, получаемые нами зависимости позволяют объективно охарактеризовать качество изображения при «рабочих» углах. Какой будет контраст при 80 градусах отклонения от нормали к экрану не так уж и важно, так как в рабочей обстановке никто не будет смотреть на монитор под таким углом. Гораздо важнее обеспечить качественное изображение, например, в пределах ±45 градусов. Чем медленнее падает яркость и контрастность в этом диапазоне, тем лучше. Если пределах ±45 градусов полутона различаются, то это хорошо, если графики их яркостей сливаются или пересекаются, то плохо. В большей степени эти критерии относятся к горизонтальным отклонениям, так как для типичной офисной работы больше характерен взгляд на монитор сбоку, а не сверху или тем более снизу.
2.2.3. Измерение равномерности черного и белого полей
При измерении равномерности белого и черного полей датчик последовательно размещается в 25 точках экрана, расположенных с шагом 1/6 от ширины и высоты экрана (границы экрана не включены). Для точного размещения датчика используется шаблон.
При этом ось датчика направлена строго перпендикулярно к поверхности экрана. В каждой точке мы регистрируем яркость черного и белого полей.
Затем мы рассчитываем средние значения, минимальные и максимальные отклонения от средних значений.
Например:
| Параметр | Среднее | Отклонение от среднего | |
| мин., % | макс., % | ||
| яркость черного поля | 0,57 кд/м2 | -10,0 | 5,8 |
| яркость белого поля | 147 кд/м2 | -8,6 | 9,6 |
| контрастность | 259:1 | -8,6 | 8,1 |
Кроме того, при необходимости мы можем построить аппроксимированные поверхности яркости черного и белого полей и контрастности (отношения яркости белого к яркости черного), чтобы выявить локальные выбросы.

Поверхность, построенная по значениям яркости черного поля.
Изолинии через 0,02 кд/м2

Поверхность, построенная по значениям яркости белого поля.
Изолинии через 5 кд/м2

Поверхность, построенная по значениям контрастности.
Изолинии через 5 единиц
Очевидно, что чем меньше отклонения от средних, тем лучше монитор. На практике отклонения в 10% субъективно не определяются, начиная где-то с 20% неравномерность черного поля уже заметна на глаз. К отклонениям яркости белого зрение менее чувствительно. Кроме того, важным параметром является средняя контрастность, то что она отличается (в меньшую сторону), от указанных в паспорте значений, оставим на совести производителей. В реальности контрастность 250:1 — это очень хорошее значение, субъективно картинка воспринимается как очень контрастная. При контрастности менее 100:1 уже нельзя не обратить внимание на неглубокий черный, а, например, фильмы с темными сценами смотрятся плохо.
2.2.4. Оценка качества цветопередачи
Для оценки качества цветопередачи мы используем колориметр Pantone Spyder2PRO Studio от мирового лидера — компании Pantone c ПО OptiCAL. Параметры целевой гамма-кривой: Gamma = 2.2, Whitepoint = 6500 К. Качество цветопередачи мы оцениваем по величине отклонения гамма-кривых индивидуальных цветов от целевой гамма-кривой и по отклонению цветовой температуры некалиброванного монитора на серой шкале от целевой (6500 К). Также с помощью Spyder мы определяем абсолютную яркость белого и черного полей и рассчитываем контрастность, как отношение яркости белого поля к яркости черного.

Установки OptiCAL

Типичный вид гамма-кривых
Цветовую температуру мы измеряем при 50, 75 и 100% белого (127, 191 и 255 в окошках R и G и B, соответственно):

Качество цветопередачи мы оцениваем, прежде всего, при фабричных настройках монитора и, в зависимости от конкретной ситуации, проводим дополнительные измерения при различных установках монитора.
Все процедуры проходят в затемненном помещении без явной засветки экрана. Окружающая температура 22-25 градусов С.
2.2.5 Пример отчета
| Таблица 1. Время отклика и яркостные характеристики при различных установках монитора |
| Установки монитора *, % | t, мс | Контрастность | Яркость, кд/м2 | |||
| Contrast | Brightness | вкл. | выкл. | полное | ||
| 50 | 90 | 23,3 | 1,4 | 24,7 | 170:1 | 144 |
| 50 | 100 | 22,8 | 1,4 | 24,2 | —** | — |
| 65 | 90 | 21,9 | 3,1 | 25,0 | 230:1 | 240 |
| 75 | 90 | 11,9 | 2,9 | 14,8 | 225:1 | 241 |
| 100 | 50 | 9,9 | 2,7 | 12,6 | — | — |
| 100 | 100 | 9,9 | 2,8 | 12,7 | — | 242 |
| 60*** | 90 | 18,5 | 1,3 | 19,8 | 178:1 | 187 |
** Не определяли.
*** Условия, при которых получен сертификат, при этом Color = User, R = G = B = 50, 1280x1024 @ 75 Гц вертикальной частоты.
| Таблица 2. Цветовая температура на шкале серого (0% — черный, 100% — белый) при различных установках монитора |
| Установки монитора *, % | Цветовая температура на различных участках шкалы серого, К | |||
| Contrast | Brightness | 50% | 75% | 100% |
| 50 | 90 | 6820 | 6570 | 6070 |
| 50 | 100 | — | — | — |
| 65 | 90 | 7520 | 6720 | 5420 |
| 75 | 90 | 7200 | 6560 | 5690 |
| 100 | 50 | — | — | — |
| 100 | 100 | — | — | — |
| 60*** | 90 | 8520 | 7860 | 6630 |
3. Итоговые выводы
После завершения процедуры измерений подводятся итоги и вывода на основе рассмотрения результатов предварительной (субъективной) оценки с полученными цифрами и заявленными производителем монитора данными.На основе общего анализа перечисляются минусы и плюсы продукта и дается наша рекомендация покупателям.
4. Комментарии
В ходе тестирования мы сознательно не придерживаемся догм и распространенных мнений, часто являющихся заблуждениями.Также, подходя к изучению новой модели, мы не даем скидок на громкое имя бренда или уникальные дизайнерские находки.
Наша цель выявить наиболее качественные технологические решения, максимально рассмотрев доступные на рынке продукты. Однако взываем к реализму: наша команда не в силах обозреть вообще все мониторы на рынке.
Спасибо за внимание и добро пожаловать в реальный мир!
5. История
| дата | изменения и дополнения |
| 1.3 | теперь тесты проводятся и с использованием GretagMacbeth |
| 1.3 | новые HTML-тесты: B-W и W-B для визуальной оценки воспроизведения крайних полутонов |
| 1.2 | добавлено описание измерения времени отклика при переходе между полутонами, углов обзора и равномерности черного и белого полей |
| 1.1 | расширен LCD HTML Test, версия 3.1 |
| 1.0 | добавлено описание измерения времени отклика и детали оценки цветопередачи |
| 0.9 | общее описание |
Ведущий раздела: Александр Мальцев








