Энергопотребление устройств — один из важных параметров. Для примера рассмотрим случай мобильных компьютеров (планшеты, ноут- и прочие буки) и периферийных устройств типа 3G-модемы и внешние накопители. Чем меньше потребляет подключенная периферия, тем дольше продлится автономная работа. Кроме того, часто USB-порты на мобильных компьютерах не отличаются высокой мощностью, и внешний жесткий диск, потребляющий при старте слишком много, может просто не заработать (впрочем, этот сценарий часто реализуется и в случае стационарного компьютера). Напротив, для «больших» систем потребление «мелкой» периферии обычно не имеет принципиального значения, но актуальность этого параметра возрастает при переходе к компонентам системы, например к жестким дискам форм-фактора 3,5 дюйма. Чем больше диск потребляет, тем лучше он должен охлаждаться. Часто диски объединяются в массивы, соответственно потребление дисковой подсистемы многократно возрастает, ей требуется дополнительное охлаждение, а источник питания должен быть рассчитан на пиковые токи при старте системы. В итоге, использование устройств с более низким потреблением энергии, как при работе, так и в момент старта зачастую может быть предпочтительнее. Отсюда возникает актуальность оценки энергопотребления отдельных устройств. Как это сделать?
Архитектура распространенных компьютеров для питания периферийных устройств предусматривает два напряжения — 5 и 12 В. (Редкий случай с дополнительной линией питания с напряжением 3,3 В для устройств с интерфейсом SATA можно не принимать во внимание). Эти напряжения достаточно хорошо стабилизированы как по разбросу так и по абсолютному значению, поэтому для не очень точных измерений можно принять, что устройство, чье энергопотребление нужно оценить, подключено к источникам с напряжением 5 и 12 В. Следовательно задача упрощается и измерять нужно только потребляемый устройством ток.
В простейшем случае для этого можно использовать цифровой мультиметр, переключенный в режим амперметра. Однако типичная частота оцифровки таких приборов составляет 1000 отсчетов в секунду, что может быть недостаточно для оценки пиковых токов, да и правильность полученных средних значений тоже вызывает сомнения, так как потребление периферийных устройств, отличающихся от USB-фонарика, может иметь сложный характер с высокочастотными составляющими. Второй отрицательный момент при использовании мультиметров состоит в том, что для определения силы тока в них используется калиброванное сопротивление — шунт, — на котором измеряется падение напряжения. Типичными величинами сопротивления шунта являются 0,01 Ом для диапазона до 20 А, и 1 Ом для диапазона до 400 мА. Сопротивление на диапазоне до 20 А практически не оказывает никакого влияния на работу типичных периферийных устройств, но в этом диапазоне не получится точно измерить небольшие токи, тогда как падение напряжения на шунте 1 Ом уже может помешать старту жесткого диска.
Итого в идеале нужно записывающее значения тока (токов) устройство с высокой частотой опроса и длительным временем записи, вносящее наименьшее искажение в цепь от источника до подключенного устройства. Полученные с такого регистратора данные позволят оценить характер потребления, определить пиковые значения токов и рассчитать среднее потребление в различных режимах.
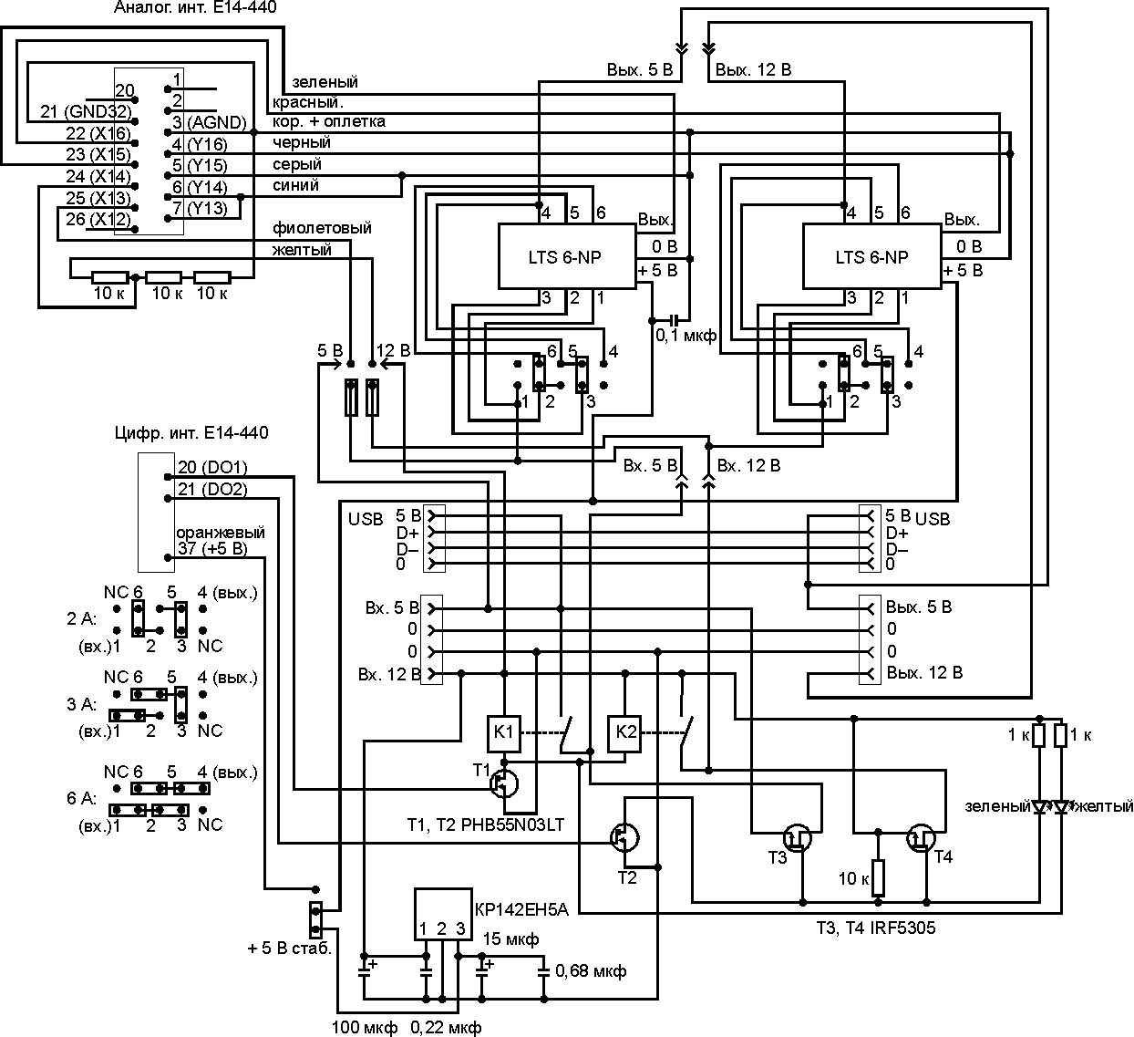
В качестве основы для такого регистратора мы решили взять внешний АЦП с USB-интерфейсом производства ЗАО «Л-Кард». Для тестирования устройств отображения мы уже несколько лет используем внешние АЦП модели E14-140 (14 разрядов, частота оцифровки до 100 кГц) от этой компании, но для данной задачи мы выбрали модель E14-440 тоже с 14-битным АЦП, но с частотой оцифровки до 400 кГц. Модуль E14-440 оцифровывает напряжение (до 16 дифференциальных входов, 4 рабочих диапазона), поэтому ток еще нужно преобразовать в напряжение. Эту задачу мы возложили не на шунт, а на датчик тока, использующий эффект Холла. Мы выбрали модель LTS 6-NP производства LEM S. A., Швейцария. Основные характеристики датчика приведены в таблице ниже:
| Характеристика | Значение |
| Номинальный входной ток, эфф.значение (Ipn) | 6 A×вит |
| Напряжение питания (±5%) | 5 B |
| Полная точность преобразования при Ipn, TA = 25 °C | ±0,7% |
| Частотный диапазон (от 0 до −0,5 дБ) | 0—100 кГц |
Датчик имеет три токовых витка, которые можно коммутировать параллельно, последовательно-параллельно и последовательно, что позволяет получить три измеряемых диапазона:
| Число первичных витков | Первичный входной ток, эфф.знач. Ipn, А | Сопротивление первичной цепи, мОм |
| 1 | ±6 | 0,18 |
| 2 | ±3 | 0,81 |
| 3 | ±2 | 1,62 |
Два датчика LTS 6-NP обеспечивают регистрацию тока по двум линиям, также предусмотрена регистрация напряжений 5 и 12 В, при этом 5 В непосредственно подается на вход модуля E14-440, а 12 В через делитель с коэффициентом примерно 1,5. Так как интерес представляет и момент старта, а подключать устройства вручную неудобно, то в цепь питания тестируемого устройства мы включили два реле (автомобильного типа, на 12 В, 30 А), чьи рабочие обмотки коммутируются двумя полевыми транзисторами (PHB55N03LT) с логическим уровнем управляемого напряжения. Питание для реле берется с линии 12 В, разумеется до датчика тока. Управляется схема подключения от цифровых выходов модуля E14-440. Пробная эксплуатация регистратора выявила эффект дребезга контактов реле, поэтому в схему параллельно реле были включены транзисторы IRF5305, обладающие низким сопротивлением в открытом состоянии — 60 мОм (VЗИ = −10 В, IС = −16 А), один из коммутирующих транзисторов стал управлять транзисторными ключами, второй — обоими реле, то есть на выбор две линии сразу можно подключать или с помощью реле, или с помощью транзисторных ключей. Заодно мы добавили блок стабилизации напряжения в цепи питания датчиков тока, что уменьшило помехи в регистрируемом сигнале, и два светодиода, для визуальной индикации способа подключения линий. Светящийся желтый светодиод сигнализирует о том, что линии подключены с помощью реле, зеленый светодиод — с помощью транзисторных ключей. Принципиальная схема регистратора доступна по этой ссылке. Общий вид регистратора приведен на фотографии ниже:
Тут синие корпуса датчиков тока:
Колодки для подключения источников напряжения (обычно используется питания от блока питания компьютера, на котором и производится регистрация потребления и к которому собственно и подключено тестируемое устройство) и линий питания тестируемого устройства:
Два реле:
Два транзисторных ключа (черные радиаторы), индикаторные светодиоды и стабилизатор питания датчиков тока (нижний правый угол):
Для регистрации токов и напряжений был написан специальный блок для программы GelTreat.exe. Диалоговое окно этого блока показано ниже:

Предусмотрена регистрация по одному или двум каналам одновременно, с выбором каналов по токам линий 5 и 12 В и по напряжениям этих же линий в любом сочетании. Частота оцифровки составляет на выбор 10, 100 или 400 кГц суммарно, то есть при регистрации по двум каналам одновременно частота для каждого будет в два раза ниже. Предусмотрены задержки для подключения линий с помощью реле или транзисторными ключами, а также для запуска внешней программы (например, теста жесткого диска), при этом отрицательное значение задержки означает, что данное действие будет выполнено на указанное количество мс до запуска регистрации. По окончании регистрации рассчитываются среднее значение тока, а также минимальные и максимальные значения токов и напряжений (только выбранных каналов). Опционально можно отключить сохранение полученных зависимостей тока и/или напряжения от времени.
Дополнительно предусмотрена возможность калибровки регистратора — расчет коэффициентов пересчета напряжения с делителя на линии 12 В и выходных сигналов с датчиков тока, а также поправок к сигналам с датчиков тока. Для проверки линейности и калибровки по каналам тока мы использовали блок электронной нагрузки Elto SL-300 компании UnicornTech. В рабочих диапазонах линейность оказалась очень хорошей, что подтвердило возможность использования простой линейной зависимости между напряжением с датчиков тока и протекающим через них током. Для калибровки датчиков тока нужно сначала определить смещение (нечего не подключая к выходу регистратора), которое равно примерно 2,5 В, затем нагрузить выход(ы) до тока например в 50% от максимума рабочего диапазона, что позволит определить коэффициент пересчета. Для калибровки делителя 12 В мы использовали мультиметр Aktakom AM-1095.
Установив на блоке Elto SL-300 режим с постоянным током в 1 А, мы замерили падение напряжения на участке от входа до выхода регистратора при коммутации с помощью реле и транзисторными ключами, а также в цепи датчиков тока, реле и транзисторных ключей (включая соединители). В данном случае падение напряжения в Вольтах численно равно сопротивлению в Омах соответствующих участков. Результат приведен ниже:
| Линия | Rключ, мОм | Rдатчик, мОм | Rобщ., мОм |
| Транзисторный ключ | |||
| 5 В | 137 | 60 | 197 |
| 12 В | 50,5 | 60 | 110,5 |
| Реле | |||
| 5 В | 5,5 | 60 | 65,5 |
| 12 В | 6,5 | 60 | 66,5 |
Rключ — сопротивление тракта коммутации (транзисторного ключа или реле с соединителями), Rдатчик — сопротивление тракта датчика тока, Rобщ. — общее сопротивление линии регистратора.
Получается, что коммутация с помощью реле позволяет в 2-3 раза снизить общее сопротивление линий регистратора. Поэтому, если дребезг контактов не мешает, то лучше подключать нагрузку с помощью реле.
В качестве тестового примера мы решили оценить потребление четырех накопителей от компании Verbatim. Их основные паспортные характеристики приведены ниже:
| Характеристика | Значение |
| Netbook USB 16 ГБ | |
| Номинальная емкость, Гбайт | 16 |
| Номер продукта: | 43941 |
| Ссылка на сайт производителя | www.verbatim.ru |
| Размеры (Д×Ш×В), мм | 17,15×14,8×7,7 |
| Вес, г | 2 |
| Тип интерфейса | USB 2.0 |
| Особенности | Миниатюрность |
| Executive USB Drive Metal 32 ГБ | |
| Номинальная емкость, Гбайт | 32 |
| Номер продукта: | 44068 |
| Ссылка на сайт производителя | www.verbatim.ru |
| Размеры (Д×Ш×В), мм | 70,5×23×11 |
| Вес, г | 32 |
| Тип интерфейса | USB 2.0 |
| Особенности | Металлический корпус, выдвижной USB-разъем |
| USB 3.0 External SSD 32 ГБ | |
| Номинальная емкость, Гбайт | 32 |
| Номер продукта: | 47434 |
| Ссылка на сайт производителя | www.verbatim.ru |
| Размеры (Д×Ш×В), мм | 90×44×9 |
| Вес, г | 42 |
| Тип интерфейса | USB 3.0 |
| Особенности | Твердотельный накопитель |
| USB 3.0 Portable Hard Drive 500 ГБ Sunkissed Yellow | |
| Номинальная емкость, Гбайт | 500 |
| Номер продукта: | 53027 |
| Ссылка на сайт производителя | www.verbatim.ru |
| Размеры (Д×Ш×В), мм | 121×80×15 |
| Вес, г | 150 |
| Тип интерфейса | USB 3.0 |
| Особенности | Солнечно-желтый корпус, скорость вращения диска 5400 об/мин, кэш от 8 Мбайт |
Так накопители выглядели в оригинальной упаковке:
А так без нее:
Два накопителя имели интерфейс USB 2.0 и соответственно были оснащены встроенной вилкой USB типа A, а другие два — интерфейс USB 3.0 и розетку USB 3.0 Micro-B:
К SSD прилагался короткий кабель переходник с вилки USB 3.0 Micro-B на вилку USB 3.0 типа А, к внешнему жесткому диску — такой же по типу кабель, только подлиннее. При тестировании использовать кабели такой длины было неудобно, поэтому мы воспользовались NoName кабелем синего цвета (вилка USB 3.0 Micro-B на вилку USB 3.0 типа А) длиной 1,8 м, который распотрошили, выведя линию питания +5 В. Ее мы разрезали, нарастили с обоих концов короткими отрезками провода 18AWG, оканчивающимся припаянными наконечниками. Аналогичную процедуру мы провели для NoName кабеля с разъемами USB (вилкой и розеткой типа A). Фактически к регистратору подключатся только отвод +5 В, идущий к тестируемому накопителю, так как +5 В питания (и +12 В для питания цепей самого регистратора) брались непосредственно от блока питания компьютера. При тестировании накопители подключались к PCI-E-контроллеру USB 3.0 производства NEC Electronics.
Регистрация тока (и в редких случаях напряжения) проводилась для следующих режимов: старт, простой (Idle) и тесты на определение времени доступа на операциях чтения (RAccess), скорости линейного чтения (Read), времени доступа на операциях записи (WAccess) и скорости линейной записи (Write) в дополнении «тест диска» к программе AIDA64 Extreme Edition. Для сравнения мы использовали мультиметр Aktakom AM-1095, включенный в режим амперметра на диапазоне до 400 мА. Для определения средних и пиковых значений тока мы использовали встроенную в этот прибор функцию, определяющую минимальное, максимальное и среднее значение измеряемой величины за прошедший период времени. Период усреднения мы выбрали равным 10 с. С помощью регистратора мы также определяли среднее и максимальное значение тока за период 10 с при частоте оцифровки 400 кГц. Дополнительно мы записывали отрезки от 1 до 5 с, в некоторых случаях с параллельной регистрацией напряжения. Сначала обсудим результаты всех тестов, кроме старта.
| Значения токов (мА) в различных режимах | |||||
| Режим | Мультиметр | Регистратор | Несовпадение, % | ||
| Пик. | Среднее | Пик. | Среднее | ||
| Netbook USB 16 ГБ | |||||
| Idle | 42,9 | 42,9 | 87,7 | 42,7 | 0,5 |
| RAccess | 75,9 | 75,3 | 165,8 | 73,6 | 2,3 |
| Read | 84,8 | 84,5 | 155,8 | 81,6 | 3,6 |
| WAccess | 88,0 | 86,5 | 203,9 | 86,6 | −0,1 |
| Write | 97,1 | 95,9 | 237,6 | 95,5 | 0,5 |
| Executive USB Drive Metal 32 ГБ | |||||
| Idle | 37,8 | 37,8 | 69,0 | 37,3 | 1,3 |
| RAccess | 58,2 | 57,1 | 162,1 | 56,7 | 0,8 |
| Read | 97,4 | 85,0 | 225,6 | 81,9 | 3,9 |
| WAccess | 195,3 | 167,8 | 345,4 | 169,4 | −1,0 |
| Write | 153,4 | 136,0 | 346,4 | 131,2 | 3,7 |
| USB 3.0 External SSD 32 ГБ | |||||
| Idle | 203 | 203 | 235 | 201 | 1,0 |
| RAccess | 212 | 209 | 243 | 207 | 1,0 |
| Read | 269 | 266 | 357 | 263 | 0,9 |
| WAccess | 297 | 284 | 405 | 286 | −0,8 |
| Write | 366 | 359 | 413 | 355 | 1,0 |
| USB 3.0 Portable Hard Drive 500 ГБ Sunkissed Yellow | |||||
| Idle | 364 | 362 | 400 | 365 | −0,8 |
| RAccess | 687 | 637 | 901 | 636 | 0,1 |
| Read | 734 | 668 | 828 | 663 | 0,9 |
| WAccess | 597 | 553 | 843 | 557 | −0,8 |
| Write | 740 | 738 | 810 | 737 | 0,0 |
В графическом виде представлены средние значения тока, полученные с регистратора:

Пиковые значения приведены скорее в качестве иллюстрации, так как частота оцифровки мультиметра (2 кГц) не позволяет определять истинные значения пиковых токов, а регистратор имеет относительно высокий уровень шума с амплитудой порядка 33 мА, т. е. пиковые значения с регистратора нужно уменьшать примерно на эту величину. Со средними значениями получилось очень хорошее совпадение — в большинстве случаев различие между значениями, полученными с мультиметра и с регистратора, различаются менее чем на 1%. Попробуем разобраться, почему в случае Executive USB Drive Metal 32 ГБ и теста Read разница достигла максимальных 3,9%. Посмотрим на фрагменты зависимости тока от времени в этих тестах (масштаб по вертикали разный):




И на спектры этих зависимостей:




Результат предсказуем: чем сложнее сигнал, тем больше погрешность при определении средних значений с помощью мультиметра.
Полученные значения средних токов сами по себе не позволяют оценивать рациональность использования того или иного накопителя. Все зависит от профиля использования. Например, если нужен не самый быстрый накопитель, который должен быть постоянно включен, и с которого чаще будут считывать информацию, чем писать, то из протестированных накопителей самым выгодным с точки зрения экономии энергии окажется Executive USB Drive Metal 32 ГБ, так как эта флешка мало потребляет в простое и при записи. Если задача состоит в том, чтобы записать много информации с минимальными затратами энергии, то необходимо привлекать данные о производительности и рассчитывать общую эффективность при выполнении поставленной задачи.
Перейдем к моменту запуска накопителей. Ниже приведены графики зависимостей тока от времени при запуске накопителей (масштаб по вертикали разный):




Подключение устройств осуществлялось с помощью транзисторного ключа примерно через 200 мс после начала регистрации. Характер полученных зависимостей разный и самый сложный в случае жесткого диска, содержащего в своем составе как электронные, так и механические компоненты. Можно заметить общую особенность — узкий и интенсивный пик в самом начале. По всей видимости, в основном он обусловлен зарядкой фильтрующего конденсатора на входе линии питания в накопителе. Для примера приведем графики, полученные при подключении Executive USB Drive Metal 32 ГБ и конденсатора на 10 мкф:

Графики похожи, только в случае накопителя есть и дополнительные пики, возможно вызванные стартом электронных компонентов и/или зарядкой подключаемых конденсаторов меньшей емкости. Проинтегрировав стартовые пики (для упрощения предположив, что напряжение не меняется и остается равным 5 В) можно подсчитать эквивалентную емкость. Например, для конденсатора на 10 мкф мы получили 9 мкф, а для Executive USB Drive Metal 32 ГБ — 11 мкф. Эту характеристику можно использовать в качестве оценки пиковой нагрузки при старте устройств, если они имеют аналогичные зависимости тока от времени при подключении. На самом деле существенным ограничением пиковые токи в момент подключения не являются, так как источник питания (блок питания или схема питания порта) всегда содержит на выходе конденсаторы с относительно большой емкостью и без проблем обеспечивает большие токи в течение пары миллисекунд.
Отметим, что в случае Netbook USB 16 ГБ с задержкой примерно в 1 с после подключения есть еще один всплеск по току, видимо в этот момент к линии питания подключается еще один конденсатор с относительно большой емкостью.
На примере подключения USB 3.0 Portable Hard Drive 500 ГБ Sunkissed Yellow сравним работу транзисторного ключа и реле:

Видно, что пиковый ток в случае реле гораздо выше и превосходит 6,5 А (так как сопротивление линии питания при коммутации с помощью реле ниже), однако из-за дребезга контактов появились дополнительные пики, что, впрочем нисколько не помешало выйти накопителю на рабочий режим. Получается, что если нет необходимости изучать самое начало старта устройства, то использовать реле вполне допустимо. Эквивалентная емкость USB 3.0 Portable Hard Drive 500 ГБ Sunkissed Yellow составила порядка 68 мкф.
Особенности процесса старта представляют наибольший интерес в случае устройства с наибольшим потреблением — USB 3.0 Portable Hard Drive 500 ГБ Sunkissed Yellow. Судя по зависимостям тока от времени, на начальном участке где-то от 560 мс до 1200 мс после старта относительно долговременное потребление доходит до 1050 мА. По этой ссылке можно посмотреть увеличенный график, полученный при включении этого диска.
В принципе, накопители можно сравнивать по значению максимального тока на некотором относительно длительном этапе старта, определяя его с помощью полученных зависимостей, но можно предложить и другой подход. Источник питания в некотором приближении можно представить в виде простой модели состоящей из идеального источника напряжения и некоторого сопротивления, называемого внутренним сопротивлением источника.

Чем меньше внутреннее сопротивление, тем больший ток может отдать источник в нагрузку при меньшем падении выходного напряжения. Минимальные требования внешнего накопителя к источнику питания, которые требуется обеспечить для успешного старта, можно представить в виде максимального значения внутреннего сопротивления источника. Чем выше значение этого сопротивления, тем менее мощным может быть источник питания. Кабель от источника питания (порта) также имеет некоторое сопротивление, поэтому допустимая длина и качество кабеля (толщина проводов питания) также будут определяться максимальным значением внутреннего сопротивления источника. Чем выше значение этого сопротивления, тем длиннее и тоньше могут быть проводники питания, при которых накопитель сможет стартовать. Так при подключении комплектным кабелем длиной 62 см к порту на контроллере USB 3.0 Verbatim USB 3.0 Portable Hard Drive 500 ГБ Sunkissed Yellow работал без проблем, но замена на NoName кабель длиной 1,8 м привела к тому, что диск не смог стартовать. Собственно напряжение источников обычно близко к номинальным величинам (в случае питания от USB — это 5 В), поэтому значение минимального напряжения (без нагрузки), необходимого для старта, особого интереса не представляет.
Для определения максимального значения внутреннего сопротивления в цепь питания мы включили переменное сопротивление, образованное куском нихромовой (кажется) проволоки и скользящим контактом с винтовым зажимом:

Перемещая зажим по проволоке, мы меняли сопротивление.

Добившись того, что увеличение рабочей длины сопротивления на примерно 1 мм уже предотвращало старт диска, мы переместили зажим обратно, убедились что при этом сопротивлении диск стартовал, затем мы подключили нагрузку Elto SL-300 с фиксированным значением тока в 1 А и замерили падение напряжения от контакта на нихромовой проволоки до выхода регистратора. В результате мы получили 540 мОм. Т. е. для успешного старта диска Verbatim USB 3.0 Portable Hard Drive 500 ГБ Sunkissed Yellow эквивалентное внутреннее сопротивление источника не должно превышать эту величину. Ниже приведен график зависимости тока от времени при минимальном значении добавочного сопротивления, при котором диск уже не запустился:
Где-то через 600 мс после старта наступил критический момент, после которого происходящее стало отличаться от успешного запуска. Видимо, этот момент соответствует началу раскрутки шпинделя жесткого диска. На графике ниже приведены зависимости тока от времени в случае удачного старта (зеленая кривая), неудачного (красная кривая) и напряжения, умноженного для наглядности на 100 (синяя кривая), при удачном старте с максимальным добавочным сопротивлением:

Видно, что при слишком большом эквиваленте внутреннего сопротивления после двух П-образных импульсов с максимальным током нормальный ход старта прекратился. Примерно через секунду диск попытается снова раскрутить шпиндель, но с тем же успехом.
Выводы
1. Для оценки энергопотребления устройств разработан регистратор тока со следующими основными характеристиками:
| Характеристика | Значение |
| Количество отслеживаемых линий питания | 1 или 2 |
| Регистрация тока и/или напряжения | по выбору, максимум 2 канала |
| Частота оцифровки | 1 канал — 400 кГц, 2 канала — 200 кГц каждый |
| Номинальное напряжение линий питания | 5 и 12 В |
| Номинальные диапазоны тока | ±2, ±3 и ±6 А, по выбору |
| Коммутация | реле или транзисторными ключами |
| Возможности сопутствующего ПО | запись и расчет средних и максимальных значений |
2. Пробная проверка на примере четырех USB-накопителей Verbatim показала, что в стационарных режимах работы накопителей данный регистратор имеет преимущество перед цифровым мультиметром с небольшой частотой оцифровки (1-2 кГц) только в случае сложных зависимостей (с высокочастотными составляющими) тока от времени.
3. Регистратор позволяет исследовать особенности потребления устройств в момент старта.
4. Для характеристики первоначального импульса тока при подключении устройств предложена характеристика эквивалентной емкости, которая может быть рассчитана из полученных зависимостей тока от времени в течение первых миллисекунд после подключения устройства к линии питания.
5. Для характеристики минимальных требований устройств к источникам питания, необходимых для успешного запуска, предложена характеристика максимально допустимого эквивалента внутреннего сопротивления источника. Для определения этой величины необходим источник номинального напряжения с пренебрежимо малой величиной внутреннего сопротивления и переменное сопротивление, включаемое в линию питания тестируемого устройства.








