Ассортимент материнских плат компании MSI на наборе системной логики AMD X570 в настоящее время представлен восемью моделями разных классов — от элитной платы для энтузиастов MEG X570 Godlike стоимостью от 45 тысяч рублей до предельно простой и общедоступной MSI X570-A Pro с ценой вчетверо ниже. Золотой серединой между этими «крайностями» можно назвать модели MEG X570 Ace и MEG X570 Unify, которые являются практически копиями друг друга, но у Ace два проводных сетевых контроллера, тогда как у Unify только один, а также нет подсветки и прочих необязательных фишек, поэтому она немного дешевле. Именно последнюю версию платы мы изучили и протестировали.
Технические характеристики и стоимость
| Поддерживаемые процессоры | процессоры AMD Ryzen 2-го и 3-го поколений в исполнении Socket AM4 |
|---|---|
| Чипсет | AMD X570 |
| Подсистема памяти | 4 × DIMM DDR4 небуферизованной памяти объемом до 128 ГБ двухканальный режим работы памяти поддержка модулей с частотами от 1866 до 4600 МГц |
| Графический интерфейс | отсутствует |
| Разъемы для плат расширения | 2 слота PCI Express 4.0/3.0 x16, режимы работы x16/x0 или x8/x8 1 слот PCI Express 4.0/3.0 x16, режим работы x4 2 слота PCI Express 4.0/3.0 x16, режим работы x1 |
| Масштабируемость видеоподсистемы | Nvidia 2-way SLI Technology AMD 3-way CrossFireX Technology |
| Интерфейсы накопителей | чипсет AMD X570: 4 × SATA 3, пропускная способность до 6 Гбит/с (поддержка RAID 0, 1 и 10) 2 × M.2, пропускная способность каждого до 32 Гбит/с (поддерживают накопители SATA и PCI Express 4.0/3.0 длиной от 42 до 80 мм) процессор AMD Ryzen: 1 × M.2, пропускная способность до 32 Гбит/с (поддерживает только накопители PCI Express 4.0/3.0 длиной от 42 до 110 мм) |
| Сетевые интерфейсы | проводной контроллер Realtek RTL8125 (2,5 Гбит/с) беспроводной контроллер Intel Wi-Fi 6 AX200 802.11a/b/g/n/ac/ax: диапазоны частот 2,4 и 5 ГГц, ширина канала до 160 МГц, пропускная способность до 2,4 Гбит/с, поддержка Bluetooth 5 |
| Аудиоподсистема | экранированный 7.1-канальный HDA-аудиокодек Realtek ALC1220 ЦАП ESS Sabre 9018 встроенный усилитель для наушников с автоматическим определением сопротивления звуковые аудиоконденсаторы Chemicon (11 шт.) поддержка технологии Nahimic 3 левый и правый каналы разведены в разных слоях текстолита изолированная от PCB звуковая карта |
| Интерфейс USB | чипсет AMD X570: 3 порта USB 3.2 Gen2 (2 Type-A на задней панели и 1 Type-C подключается к разъему на текстолите) 4 порта USB 3.2 Gen1 (подключаются к разъемам на текстолите) 6 портов USB 2.0 (2 Type-A на задней панели и 4 подключается к разъемам на текстолите) процессор AMD Ryzen: 2 порта USB 3.2 Gen2 (Type-A и Type-C на задней панели) 2 порта USB 3.2 Gen1 (Type-A на задней панели) |
| Разъемы и кнопки на задней панели | кнопки Clear CMOS и Flash BIOS два позолоченных коннектора для антенн беспроводного модуля связи (2T2R) порт PS/2 и два порта USB 2.0 2 порта USB 3.2 Gen1 (Type-A) 2 порта USB 3.2 Gen2 (Type-A и Type-C) 2 порта USB 3.2 Gen2 (Type-A) и LAN-розетка RJ-45 оптический выход S/PDIF-интерфейса 5 позолоченных аудиоразъемов миниджек (3,5 мм) |
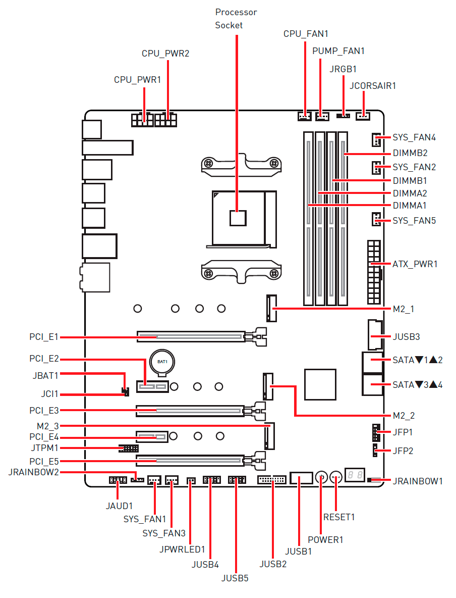
| Внутренние разъемы на текстолите | 24-контактный разъем питания ATX 2 × 8-контактных разъема питания ATX 12 В 4 порта SATA600 3 слота M.2 2 разъема USB 2.0 для подключения 4 портов 2 разъема USB 3.2 Gen1 для подключения 4 портов разъем USB 3.2 Gen2 для подключения порта Type-C 4-pin разъем для вентилятора CPU 4-pin разъем для помпы СЖО 5 × 4-pin разъемов для корпусных вентиляторов с поддержкой PWM группа разъемов для передней панели разъем TPM коннектор Chassis Intrusion разъем аудио для передней панели перемычка Clear CMOS кнопка включения кнопка сброса 4-pin коннектор RGB LED 2 × 3-pin коннектора Rainbow LED 3-pin коннектор Corsair 2-pin LED Debug Code LED 4 × EZ Debug LEDs |
| BIOS | 128 Мбит AMI UEFI BIOS с мультиязычным интерфейсом и графической оболочкой совместимость с ACPI 6.1 поддержка SM BIOS 2.8 |
| Контроллер I/O | Nuvoton NCT6797D-M |
| Форм-фактор, габариты | ATX, 305 × 244 мм |
| Поддержка операционной системы | Windows 10 x64 |
| Гарантия производителя | 3 года |
| Ориентировочная стоимость | 23 тысячи рублей |
Упаковка и комплектация
MSI MEG X570 Unify поставляется в картонной коробке стандартных размеров, оформленной в темных тонах. Лицевую сторону коробки украшает большое фото платы, а рядом указаны название модели, чипсета и поддержка современных процессоров и интерфейсов.
Плата размещена в верхней части коробки на картонном поддоне и дополнительно запечатана в антистатический пакет. Под ней находится отдельный отсек с комплектующими.
В комплект поставки платы MSI MEG X570 Unify входят антенна беспроводного модуля связи 2T2R WLAN, кабели подсветки и SATA-кабели, подробная и краткая инструкции, наклейки для SATA-кабелей, а также диск с драйверами и программным обеспечением.
Каких-то отдельных бонусов в комплекте с платой нет, но сейчас бонусы редко встречаются даже в продуктах верхнего ценового диапазона, а что уж говорить про средний класс?
MSI MEG X570 Unify выпускается в Китае и сопровождается фирменной трехлетней гарантией. Стоимость платы в российских магазинах составляет 23 тысячи рублей. Это средний уровень цен на материнские платы с чипсетом AMD X570.
Дизайн и особенности
MSI MEG X570 Unify выглядит строго и выдержанно. Нет никаких ярких вставок и аляповатых цветных накладок, текстолит и радиаторы выполнены в темной цветовой гамме, как бы подчеркивая всю серьезность продукта.
Плата выполнена в форм-факторе ATX и имеет размеры 305 × 244 мм.
Схема расположения всех компонентов MSI MEG X570 Unify доступна в инструкции по эксплуатации.


Пластина интерфейсной панели выполнена из алюминия и привернута к кожуху материнской платы четырьмя винтами.
На нее выведены кнопки Flash BIOS (обновление без установки в плату процессора и памяти) и очистки CMOS, два позолоченных коннектора для подключения антенн модуля беспроводной связи, комбинированный PS/2-порт, восемь разнообразных USB-портов, сетевая розетка RJ-45, оптический выход и пять позолоченных аудиоразъемов.
Плата построена по классической компоновке, ничего необычного в расположении на ней элементов нет.
Без радиаторов и прочих навесных элементов MSI MEG X570 Unify выглядит следующим образом.
По заявлениям разработчиков, в MEG X570 Unify используется печатная плата серверного класса с втрое увеличенной термостойкостью и с 30-процентным снижением потерь сигнала. Также используется текстолит повышенной плотности, за счет чего плата имеет увеличенную прочность на изгиб.
Процессорный разъем Socket AM4 предназначен для установки процессоров AMD Ryzen второго и третьего поколений с ядрами Raven Ridge, Pinnacle Ridge, Picasso и Matisse. С полным перечнем поддерживаемых платой процессоров можно ознакомиться здесь. Первое поколение процессоров Ryzen не поддерживается.
Математически на плате реализована 14-фазная система питания процессора, но правильнее сказать, что схема выглядит так: «6 × 2 + 2». Непосредственно на процессор отведено шесть фаз на Infineon PowIRstage IR3555 (60 А) с удвоителями IR3599, дросселями Titanium Choke II с повышенной на 30% энергоэффективностью, а также с конденсаторами Hi-c Cap с заявленной 93-процентной эффективностью. Еще две таких же фазы отведены на SoC.
За управление питанием процессора отвечает контроллер IR35201 также производства Infineon.
Таким образом можно сказать, что системы питания процессора хватит с запасом для любого выпускаемого под Socket AM4 процессора, в том числе и при разгоне.
Питание платы обеспечивается одним стандартным 24-контактным разъемом и двумя 8-миконтактными.
MSI MEG X570 Unify оснащена четырьмя слотами для модулей оперативной памяти стандарта DDR4 и поддерживает максимальный суммарный объем 128 ГБ. Слоты не имеют защитной и усиливающей оболочки из алюминия, но внутренняя разводка к ним выполнена таким образом, чтобы достичь более чистого сигнала и повысить частотный потенциал модулей (технология DDR4 Boost). Официально поддерживаются модули с частотой до 4600 МГц, а в перечне совместимых с платой моделей есть даже модули DDR4 с эффективной частотой 5000 МГц (Corsair Vengeance LPX CMK16GX4M2Z5000C18)!
Система питания памяти одноканальная во главе с контроллером Richtek RT8125E. Поддержка XMP, разумеется, есть.
Чипсет AMD X570 накрыт массивным радиатором с вентилятором. Последний сильно шумит только при старте системы, а в процессе работы о нем можно забыть, поскольку он попросту не вращается.
Напомним, что единственное весомое отличие набора системной логики AMD X570 от предшественника X470 — поддержка высокоскоростной шины PCI Express 4.0.
Но здесь нужно помнить, что вместе с X570 многие производители переработали силовые схемы материнских плат для поддержки более производительных процессоров AMD Ryzen 3 поколения, а также смогли обеспечить стабильную работу оперативной памяти на более высоких частотах. Так что, несмотря на минимальные технические отличия (востребованность PCIe 4.0 и эффект от нее пока мизерен), на практике разница между платами на AMD X570 и X470 куда более значимая.
MSI MEG X570 Unify оснащена тремя полноразмерными слотами PCI Express x16 4.0 (с Ryzen 2xxx они будут просто 3.0), облаченных в оболочку Steel Armor. Такая оболочка, вкупе с дополнительными точками пайки, не только усиливает слоты, но и защищает их от электромагнитных помех.
При этом только первый слот может работать в полноценном режиме PCIe 4.0 x16, а два других лишь в режимах x8 и x4, поэтому для Nvidia здесь возможно установка только двух видеокарт в режиме x8/x8, а вот видеокарты на графических процессорах AMD смогут работать втроем в конфигурации x8/x8/x4, правда, кому может понадобиться городить такой «огород», нам не понятно.

Также на плате есть внешний тактовый генератор для разгона PCIe 4.0 — IDT6V4 и усилители сигнала Pericom PI3EQX16.
Удивление вызывает тот факт, что плата оснащается только четырьмя разъемами для SATA-накопителей, вместо привычных шести.
По всей видимости, в MSI решили, что со снижением стоимости SSD в формате M.2 пользователи постепенно отказываются от использования классических SATA-дисков, тем более, что у MEG X570 Unify сразу три порта M.2 и все накрыты теплораспределительными пластинами с термопрокладками.
Верхний порт подключен к процессору и поддерживает только PCIe-накопители длиной от 42 до 110 мм.
Работу двух нижних портов M.2 обеспечивает чипсет AMD X570, и в них могут устанавливаться как SATA-, так и PCIe-накопители длиной от 42 до 80 мм. Причем, по задумке инженеров MSI, накопители в этих портах будут дополнительно охлаждаться воздушным потоком от вентилятора чипсета.

Из фирменных функций MSI в плане накопителей можно упомянуть Storage Boost (оптимизацию настроек SSD для максимизации скорости), а также утилиту M.2 Genie для создания массивов RAID 0.
Про порты USB. Всего их у MEG X570 Unify семнадцать штук. Шесть портов USB 2.0 реализованы возможностями чипсета AMD X570, контроллера Nuvoton NUC126NE4AE и хаба GL850G из которых 2 выведены на заднюю панель платы и 4 подключаются к двум коннекторам на текстолите.
Кроме этого чипсетом реализованы 3 порта USB 3.2 Gen2, включая Type-C на текстолите, и 4 порта USB 3.2 Gen1, а на нехрупкие плечи процессора AMD Ryzen легли 2 порта USB 3.2 Gen2 и 2 порта USB 3.2 Gen1. В целом, набор USB более чем достаточный под любые задачи.
MSI MEG X570 Unify оснащается двумя современными сетевыми контроллерами. Первый реализован микросхемой Realtek RTL8125 и способен обеспечивать кабельное соединение со скоростью до 2,5 Гбит/с.
Беспроводный интерфейс также высокого уровня — контроллер Intel Wi-Fi 6 AX200 с поддержкой 802.11 a/b/g/n/ac/ax и Bluetooth 5.
Данный контроллер способен работать в частотных диапазонах 2,4 ГГц и 5 ГГц (160 МГц) с пропускной способностью до 2,4 Гбит/с.
Расставить приоритеты в сетевом трафике поможет утилита MSI Gaming LAN Manager.
В основе звукового тракта платы лежит 7.1-канальный HDA-кодек Realtek ALC1220.
Кроме экранирования аудиозоны, использования целой россыпи японских аудиоконденсаторов Chemicon и позолоченных коннекторов, на MSI MEG X570 Unify установлен ЦАП ESS Sabre 9018.
В результате плата выдает весьма качественный звук как в играх и фильмах, так и при прослушивании музыки. Добавим, что здесь также заявлена поддержка технологии пространственного звучания Nahimic 3.
Функциональность Super I/O и мониторинг на MSI MEG X570 Unify обеспечивает контроллер Nuvoton NCT6797D-M.
Возможности мониторинга и управления вентиляторами на плате можно назвать исчерпывающими. В общей сложности к ней можно подключить 6 вентиляторов и помпу СЖО либо седьмой вентилятор, а температуры контролируются семью датчиками в самых «проблемных» зонах текстолита.
Кроме этого плата оснащена четырьмя светодиодами загрузки Boot/VGA/DRAM/CPU, индикатором POST-кодов, а также кнопками включения и перезагрузки.
Вместе с ними на нижний край текстолита выведены разъемы USB, коннекторы аудио для передней панели, а также два коннектора для подключения светодиодных лент подсветки.
Кстати, на самой плате подсветки нет вообще (кнопки и индикатор POST не считаем, так как их подсветку можно отключить в BIOS), и это весьма неожиданный момент, ведь сейчас крайне редко встретишь материнскую плату без подсветки. Что же касается внешних светодиодных лент, то для них предусмотрены два адресуемых 5 В-разъема Rainbow LED и один разъем на 12 В (2 метра, 3 А).
В системе охлаждения видеокарты используется массивный сдвоенный радиатор с тепловой трубкой ∅6 мм, установленный на элементах цепей VRM через термопрокладку.
Радиатор справляется со своими задачами отлично, поскольку температура VRM по встроенному термодатчику платы не превышала 55 °C даже при очень высокой нагрузке.
Возможности UEFI BIOS
Как и большинство материнских плат MSI, MEG X570 Unify оснащается UEFI BIOS с фирменной оболочкой Click BIOS 5. Как известно, она поддерживает два основных режима работы: упрощенный «EZ-mode» и расширенный «Advanced». Перед тестированием мы прошили в нее последнюю доступную на момент подготовки статьи версию BIOS A20 от 6 ноября 2019 года.
Для более детальной настройки платы мы рекомендуем сразу же переключиться в расширенный режим, где открывается верхняя информационная панель и шесть основных разделов.
Базовый раздел Settings, аккумулирующий общие настройки платы и ее контроллеров, уже хорошо знаком нашим постоянным читателям, поэтому в дополнительных комментариях скриншоты из него не нуждаются.








Несмотря на тот факт, что плата не позиционируется производителем как исключительно оверклокерская (хотя у нее для этого все есть), основной раздел «OC» содержит весь спектр настроек, с помощью которых можно выжать максимум из процессора и оперативной памяти.


Для оперативной памяти доступны активация XMP или частот от 1600(?!) до 4600 МГц, а также безграничное количество таймингов и связанных с ними настроек.


В отдельном подразделе собраны настройки стабилизации напряжений, а самый важный из них — CPU LLC — имеет 8 уровней. Справа приводится мини-график стабилизации для каждого уровня.
Возможности MSI MEG X570 Unify по регулировке напряжений, также не оставляют пробелов, для них в BIOS отведен отдельный блок.
Возможности по изменению напряжений, их диапазоны и шаг юстировки мы приведем в отдельной таблице.
| Напряжение | Минимальное значение, В | Максимальное значение, В | Шаг |
|---|---|---|---|
| CPU Vcore | 0,900 | 1,800 | 0,0125 |
| CPU NB/SoC | 0,900 | 1,550 | 0,0050 |
| CLDO_VDDP | 0,700 | 1,400 | 0,0050 |
| CPU 1P8 | 1,600 | 2,400 | 0,0100 |
| DRAM | 0,800 | 2,000 | 0,0100 |
| DRAM VPP | 1,240 | 3,000 | 0,0100 |
| DRAM CH_A VREF | 0,120 | 1,235 | 0,0050 |
| DRAM CH_B VREF | 0,120 | 1,235 | 0,0050 |
| Chipset SoC | 0,850 | 1,500 | 0,0100 |
| Chipset CLDO | 1,000 | 1,600 | 0,0100 |
Отдельно можно выделить в BIOS подробнейшую информацию об установленном процессоре и оперативной памяти.




После настройки BIOS можно сохранить один из шести профилей, а затем выгрузить их на накопитель через USB-порт или загрузить с него.
Раздел платы с мониторингом и настройкой вентиляторов не претерпел изменений в сравнении с BIOS других плат MSI. К сожалению, для ручной настройки скорости вентиляторов по-прежнему доступны лишь 4 точки.
Ну и, напоследок, приведем скриншот окна BIOS с браузером платы.
Оболочка работает стабильно и быстро, без малейших нареканий. Только нужно немного времени чтобы привыкнуть к компоновке настроек, после перехода с материнских плат других производителей. Впрочем, последнее справедливо для любой модели платы.
Разгон и стабильность
Проверка стабильности, оверклокерского потенциала и производительности материнской платы MSI MEG X570 Unify была проведена в закрытом корпусе системного блока при температуре в помещении 24,5 °C. Конфигурация тестового стенда состояла из следующих комплектующих:
- системная плата: MSI MEG X570 Unify (AMD X570, Socket AM4, BIOS A20 от 06.11.2019);
- процессор: AMD Ryzen 7 2700X 3,7—4,3 ГГц (Pinnacle Ridge, 12 нм, 8 × 512 КБ L2, 16 МБ L3, TDP 105 Вт);
- система охлаждения CPU: Noctua NH-D15 chromax.black (два 150-миллиметровых вентилятора Noctua NF-A15 на 840—1450 об/мин);
- термоинтерфейс: Arctic MX-4 (8,5 Вт/(м·K);
- оперативная память: DDR4 2 × 8 ГБ G.Skill TridentZ Neo 32GB (F4-3600C18Q-32GTZN), XMP 3600 МГц 18-22-22-42 CR2 при 1,35 В;
- видеокарта: Nvidia GeForce RTX 2060 Super Founders Edition 8 ГБ/256 бит, с разгоном до 1600—1780(2055)/15600 МГц;
- системный диск: Intel SSD 730 480 ГБ (SATA600, BIOS vL2010400);
- для игр и бенчмарков: Western Digital VelociRaptor 300 ГБ (SATA II, 10000 об/мин, 16 МБ, NCQ);
- корпус: Thermaltake Core X71 (шесть 140-миллиметровых be quiet! Silent Wings 3 PWM [BL067], 990 об/мин, три на вдув, три на выдув);
- панель управления и мониторинга: Zalman ZM-MFC3;
- блок питания: Corsair AX1500i Digital ATX (1,5 кВт, 80 Plus Titanium), вентилятор 140 мм.
Тестирование было проведено под управлением операционной системы Microsoft Windows 10 Pro (1909 18363.657) с установкой следующих драйверов:
- чипсет материнской платы AMD Chipset Drivers 2.01.15.2138 от 17.01.2020
- драйверы видеокарты Nvidia GeForce 441.41 WHQL от 26.11.2019
Стабильность системы при разгоне мы проверяли стресс-утилитой Prime95 29.8 build 6 и другими бенчмарками, а мониторинг проводился с помощью HWiNFO64 версии 6.22-4060.
Перед началом тестирования приведем характеристики MSI MEG X570 Unify из утилиты AIDA64 Extreme.
Сначала мы проверили MSI MEG X570 Unify при автоматических настройках BIOS. Частота процессора изменялась в диапазоне от 3,7 до 4,35 ГГц в зависимости от нагрузки на ядра, а напряжение скакало от 0,856 до 1,487 В.

Температуры процессора в таком режиме под Prime95 оказались высокими — по датчику Tdie она поднималась до 78,5 °C, а по Tctl — до 88,5 °C.
При этом, несмотря на почти 200-ваттный уровень процессора (+SoC), температуры VRM держались около 50 °C. И пусть сегодня у нас нет возможности проверить MSI MEG X570 Unify с еще более горячими Ryzen 3xxx, уверены, что ее массивная система охлаждения успешно справится и с этой задачей.
Как известно, разгон AMD Ryzen 7 2700X в приоритетном порядке зависит от экземпляра процессора, нежели от материнской платы. И с этим нам не очень повезло, поскольку пределом нашего экземпляра оказались 4,1-4,15 ГГц одновременно по всем ядрам. Интересно другое. Для 4,1 ГГц потребовалось напряжение всего в 1,275 В (LLC 3) при пиковой температуре по Tdie 74,3 °C, что даже ниже, чем при автоматических настройках BIOS.

Более того, с такой фиксацией частоты и напряжений нам удалось снизить пиковое энергопотребление процессора с 200 до 175 ватт, и при этом получить чуть более высокий и стабильный уровень производительности. А вот для 4,15 ГГц уже потребовались 1,325 В и температура CPU достигала отметки 82,4 °C.

Понятно, что эти дополнительные 50 МГц не стоят таких потерь и чрезмерного нагрева даже под суперкулером. В свою очередь, MSI MEG X570 Unify при разгоне процессора не позволила цепям VRM прогреться выше 53 °C, а температура чипсета не поднималась выше 45 °C (в пассивном режиме работы его системы охлаждения). Это очень хороший, если не сказать великолепный, результат.
Далее мы перешли к изучению возможностей разгона/настройки оперативной памяти на плате MSI MEG X570 Unify. Справедливости ради, нужно сразу сказать, что платы MSI в плане работы с оперативной памятью не в почете у оверклокеров, тем более если это плата не самого верхнего класса. Поэтому особо приятных сюрпризов ждать не приходилось. Так, в общем-то, и вышло. Из четырехканального комплекта G.Skill TridentZ Neo (F4-3600C18Q-32GTZN) с номинальной частотой 3600 МГц, основанного на микросхемах Samsung B-die, мы использовали только два модуля и попробовали настроить их через Ryzen DRAM Calculator сначала на штатной частоте, а когда не получилось, то на сниженной частоте 3333 МГц.
Но с предложенными калькулятором в режиме настроек Safe память категорически отказывалась запускаться, поэтому пришлось подбирать частоту и тайминги вручную. Вышло очень скромно: на 3600 МГц стабильности от памяти добиться не удалось вовсе, а на 3333 МГц тайминги удалось снизить с 18-22-22-44_CR2 только до 16-19-16-36_CR1. Повышение напряжения на модулях вплоть до 1,38 В и на SoC до 1,10 В разгону «оперативки» не способствовало.
Итоговый результат, как вы понимаете, оказался довольно скромен, но мы не склонны сходу винить в этом MSI MEG X570 Unify, поскольку на данный момент не проверили этот комплект памяти на других платах и с более современными процессорами. В любом случае, еще раз отметим, что для настройки оперативной памяти в BIOS платы есть все необходимое.
Производительность
Сегодня на MSI MEG X570 Unify мы сравним производительность процессора AMD Ryzen 7 2700X, работающего в автоматическом режиме с бустом до 4,35 ГГц (слева), и при фиксации его частоты по всем ядрам на максимально возможном для данного экземпляра уровне 4,15 ГГц (справа). Все остальное в конфигурациях было одинаково.
AIDA64 Extreme cache & memory benchmark:


WinRAR 5.80 beta 2:


7-Zip 19.02 alpha:


HWBOT x265 2.2.0:
EZ CD Audio Converter (FLAC в MP3 320 Кбит/с):
Blender 2.82 Alpha:
Corona 1.3 Benchmark:
Cinebench R20 x64:
3DMark 2.11.6866, Time Spy CPU test:
Разница мизерна, чего и следовало ожидать. Иначе говоря, разгон обычных экземпляров AMD Ryzen 7 2700X (не специально отобранных) малополезен, а все ресурсы правильнее было бы направить на выбор и настройку оперативной памяти.
Заключение
MSI MEG X570 Unify оказалась очень достойной моделью со всеми необходимыми функциями и возможностями, при этом не имеющей ничего лишнего, за что многим из нас не хотелось бы переплачивать. Для любых поддерживаемых процессоров и их разгона здесь предусмотрена мощная система питания, состоящая из энергоэффективных и долговечных компонентов, а также оснащенная массивными радиаторами, на 100% выполняющими свою задачу. Пусть слоты памяти не получили металлическую отделку, они готовы принять до 128 ГБ DDR4 с частотами до 4,6 ГГц, если, конечно же, повезет с процессором, самими модулями и хватит терпения и времени на их настройку. В помощь энтузиастам, мечтающим выжать из своей системы максимум, предназначены LED-индикаторы, индикатор Debug Code LED, функциональный BIOS, семь разъемов для вентиляторов и столько же температурных датчиков.
Подойдет плата и для большинства обычных пользователей, но некоторым из них может не хватить четырех портов SATA (мы привыкли видеть на современных платах 6 таких портов). Зато есть сразу три слота M.2, два из которых совместимы с любыми типами накопителей длиной до 80 мм. На будущее вполне может пригодиться поддержка PCIe 4.0, тем более что производительности новых AMD Ryzen 3xxx хватит с запасом для этого самого будущего. Очень приятно видеть в звуковом тракте платы ЦАП ESS Sabre 9018 и качественную аппаратную обвязку. Еще приятнее тот факт, что у MEG X570 Unify быстрая 2,5-гигабитная сеть (о 10-гигабитной в этом классе плат мечтать было бы глупо), а также скоростной беспроводный адаптер с поддержкой Wi-Fi 6.







































































