Как уже заведено в мире IT, конкуренция порождает какие-либо заимствования, копирования (ну всем известны такого рода вещи на рынке смартфонов, например). Вплоть до названий, чтобы запутать пользователей. Когда-то буквой «Х» помечала свои самые топовые решения компания Intel: самые быстрые процессоры на конце имели эту букву, а системные чипсеты, идущие в паре с теми самыми флагманами, начинались с «Х». Последний чипсет этого уровня на сегодня — Intel X299, выпущенный более 2 лет назад.
Громогласно выйдя на рынок с новой архитектурой процессоров Zen, компания AMD видимо решила назло конкуренту использовать «Х» и в качестве суффикса в названиях процессоров, и в качестве первой буквы для чипсета (разумеется, это лишь предположение). При этом самые топовые процессоры серии Ryzen (как Core i3/5/7/9), предназначенные для самого широкого спектра потребителей (но не для HEDT), также получили суффикс «Х» — 1800X, 2700X, 3700Х и т. д.). Хорошо известно, что топовые чипсеты, сопровождающие широкий спектр Intel Core i3/5/7/9, у компании Intel начинаются с «Z», так в пику компания AMD аналогичные чипсеты для Ryzen назвала «Х370/470/570» (что намекает на то, что «Х» от Intel — недостоин быть HEDT, его догнали простые Ryzen от AMD).
Далее для желающих иметь особо высокопроизводительные системы с огромным количеством ядер (HEDT) компания предложила так сказать, «адаптированные» варианты серверных мультиядерных/мультичиповых решений AMD Epyc в виде новых продуктов — AMD Ryzen Threadripper. Такое сложное название должно с одной стороны показать нацеленность продуктов все же на десктопные ПК (пусть и самые-самые), а не на сервера, с другой стороны, четко отделить их от просто «райзенов». И что? — Снова в пику конкуренту чипсет для поддержки Threadripper 19xx/29xx получил название Х399. И вот как тут потребителю уже не запутаться: X299 — это Intel, X399 — это AMD. Слава Богу, разум возымел действо, и для Threadripper 3xxx компания выпустила чипсет уже с уникальным именем TRX40 (c одной стороны явное указание, что он для «тредрипперов» — TR, с другой стороны имеется намек на продолжение серии «Х», а 40 — обозначение поддержки шины PCI-E 4.0).
Я ранее уже писал, что компания AMD осуществила колоссальный рывок на рынке процессоров класса х86 в целом, подняв уровень производительности флагманских простых Ryzen (не «тредрипперов») до уровня HEDT процессоров Intel — Core i9 — 79xxX/99xxX и даже замахнулась на Core i9 — 10980XE. При этом платформа TR4 (socket TR4+X399+Ryzen Threadripper 19xx/29xx) не оставлена в забытье, рывок случился и здесь.
Еще 2 года назад компания AMD решила обойти соперника, выпустив Ryzen Threadripper с еще большим количеством ядер (24 и 32), чем было на тот момент у флагмана от Intel (16). Понятно, что «конструктор» от Epyc в принципе это позволяет (можно варьировать количеством . Да, появились сложности с лимитами энергопотребления и иные проблемы при переносе по сути серверных технологий в сектор настольных ПК (если серверам «до лампочки» шум от сотни вентиляторов и наличие особо мощных блоков питания, то настольные системы все же должны вписываться в рамки общепринятых для ПК стандартов, как по потреблению, так и по шуму). Но тем не менее, с задачей инженеры AMD справились, самые топовые «тредрипперы» (вольный перевод этого названия — «превосходный/зрелый поток» уже говорит сам за себя) активно продавались, и вопросы распространения данной ветки архитектуры плавно переместились в сектор материнских плат, производителям которых AMD предоставила чипсет X399.
Теперь же, когда все семейство процессоров Ryzen перешло на новый техпроцесс 7 нм, Threadripper также получил новый дизайн (правда общий I/O блок выпускается по 14нм), разумеется, и поддержку PCI-E 4.0. О том, чем Ryzen Threadripper 3xxx отличается от предшественников в деталях я не буду рассказывать. В принципе, главным отличием является смена топологии NUMA (Non-Uniform Memory Architecture), на UMA (Uniform Memory Architecture).
Но моя задача акцентировать внимание на том, что спутником новой линейки Threadripper 3xxx стал чипсет TRX40. Понятно, почему потребовался новый чипсет (в отличие от Intel, где выпуск новых Core i9-10xxxX не потребовал производства нового чипсета, со всем по-прежнему справляется X299): поддержка новой версии шины PCI-E 4.0 в целом и резкое увеличение (в 4 раза) скорости обмена данными по внутренней шине «процессор-чипсет». Плюс заодно некоторое внесение в изменение дизайна.
Понятно, что самый дешевый Threadripper сравним по стоимости с топовым Intel Core i9 (а новые «тредрипперы» вообще уже в разы дороже тех же Intel Core i9-10xxxX), а значит этот сегмент изначально премиально-дорогой, материнские платы по определению дешевыми быть не могут (минимальная стоимость около 300 долларов). Выпускать только какие-то скучные материнские платы для тех, кому нужны компы для научных расчетов, рендеринга или т. п. — ну как-то не очень. Все же без геймеров никуда. Да, таковы реалии, что даже в такой нишевый сектор пытаются привлечь игроманов даже при том, что тесты тех же Threadripper наглядно показали, что этот процессор все же не для игр, он нацелен на иные задачи, и в играх по-прежнему Intel Core i9 лидирует (разумеется, если мы ведем речь о ПК с высокопроизводительной графикой, которая не тормозит производительность в целом).
С другой стороны, пользователь не может же только играть за своим ПК. Игры-играми, а на таком мощном компьютере можно выполнять еще ряд интересных задач, причем захватывающих тех же геймеров: стриминг игрового процесса, используя программные средства, то есть напрягая как раз процессор. Ну а также, например, можно же играть, поставив в фоновый процесс рендеринг превосходного и сложного ролика. Тут и не только 8, но и все 12-16 ядер будут заняты. И вот как появились геймерские версии плат на AMD X399, точно также пошел процесс и на TRX40.
Сегодня мы изучаем самую топовую материнскую плату из арсенала компании Gigabyte, основанную на TRX40. Возможно еще будет вариант той же платы с водоблоком, но пока эта материнка самая навороченная и дорогая (на момент написания материала плата в продажу еще не поступала, однако известна ее рекомендованная цена в 870 долларов, а значит с учетом российских налогов и наценок торговли цена ее будет почти 68 тысяч рублей). Как и следовало ожидать, данный продукт выпущен под брендом Aorus, который отведен продуктам самого топового ценового сегмента.
Разумеется, это очень и очень дорого, нацелено исключительно на фанатов всего самого крутого и производительного. Оценивать такие продукты по каким-то математическим законам (каков разгон в процентах, сколько портов, слотов и т. п.) — бесполезно и неумно, так как есть много факторов, не подчиняющихся чистым расчетам по формуле: «чего-то там выдало, делим на цену». Поэтому и стоит детально разобраться в этом изделии.
Итак, Gigabyte TRX40 Aorus Xtreme.
Gigabyte TRX40 Aorus Xtreme поставляется в большой и толстой коробке с красочным лого Aorus.
Внутри коробки есть три отсека: для самой материнской платы, для Aorus Gen4 AIC Adaptor и для остального комплекта.
В комплекте поставки, кроме традиционных элементов типа руководства пользователя и кабелей SATA (что уже много лет является обязательным набором ко всем материнкам), есть выносные антенны с подставками для беспроводных соединений, разветвители для подключения подсветок, винтики для монтажа модулей M.2, фирменный адаптер G-Connector (о нем позже), адаптер-удлинитель для передней панели, провода с термодатчиками, адаптер внутренних портов USB 2.0, Aorus Gen4 AIC Adaptor (о нем также позже), накопитель типа USB Flash drive, бонусные стикеры, стяжки и наклейки.
Стоит отметить, что «заглушка» на заднюю панель с разъемами уже смонтирована на самой плате. Фирменное ПО поставляется на флеш-накопителе (наконец-то не на CD). Впрочем программное обеспечение за время путешествия платы к покупателю все равно успевает устареть, так что придется его обновлять с сайта производителя сразу после покупки.
Форм-фактор
Материнская плата Gigabyte TRX40 Aorus Xtreme выполнена в форм-факторе XL-ATX, имеет размеры 325×275 мм и 8 монтажных отверстий для установки в корпус. Внимание! Размеры платы очень большие, поэтому перед приобретением требуется обмерить внутреннее пространство в корпусе.
На оборотной стороне элементы имеются, в частности, ряд усилителей сигнала для шины PCI-E, и другая мелкая логика. Обработан текстолит очень хорошо: во всех точках пайки не только острые концы срезаны, но и все гладко отшлифовано. С той же стороны установлена пластина из алюминия с нанокарбоновым покрытием для предотвращения замыкания электроконтактов на PCB. Также пластина помогает отводить тепло от задней стороны PCB через термоинтерфейс и обеспечивает жесткость материнской платы. И даже сняв эту пластину, приятно взять в руки такой текстолит.
Технические характеристики
Традиционная таблица с перечнем функциональных особенностей.
| Поддерживаемые процессоры | AMD Ryzen Threadripper 3-го поколения |
|---|---|
| Процессорный разъем | sTRX4 |
| Чипсет | AMD TRX40 |
| Память | 8 × DDR4, до 256 ГБ, до DDR4-3200 (XMP 4600), четыре канала |
| Аудиоподсистема | 1 × Realtek ALC4050H + ЦАП ESS ES9218 (на наушники) 1 × Realtek ALC1220-VB (7.1) (на заднюю панель, динамики) |
| Сетевые контроллеры | 1 × Intel X550-AT2 Dual Ethernet 10 Гбит/с 1 × Intel Dual Band Wireless AX200NGW/CNVi (Wi-Fi 802.11a/b/g/n/ac/ax (2,4/5 ГГц) + Bluetooth 5.0) |
| Слоты расширения | 2 × PCI Express 4.0 x16 (режимы x16, x16+x16 (SLI/CrossFire), x16+x16+x8 (CrossFire)) 2 × PCI Express 4.0 x8 |
| Разъемы для накопителей | 8 × SATA 6 Гбит/с (TRX40) 2 × SATA 6 Гбит/с (ASMedia) 2 × M.2 (TRX40, PCI-E 4.0 x4/SATA 6 Гбит/с для устройств формата 2280/22110) 2 × M.2 (CPU, PCI-E 4.0 x4/SATA 6 Гбит/с для устройств формата 2260/2280/22110) |
| USB-порты | 3 × USB 3.2 Gen2: 2 порта Type-A (красные) на задней панели + 1 внутренний порт Type-C (TRX40) 4 × USB 3.2 Gen1: 2 внутренних разъема на 4 порта (TRX40) 4 × USB 2.0: 2 внутренних разъема на 4 порта (Genesys Logic) 2 × USB 3.2 Gen2: 1 порт Type-A (красный) и 1 порт Type-C на задней панели (ASMedia) 4 × USB 3.2 Gen2: 4 порта Type-A (красные) на задней панели (CPU) |
| Разъемы на задней панели | 1 × USB 3.2 Gen2 (Type-C) 7 × USB 3.2 Gen2 (Type-A) 2 × RJ-45 5 аудиоразъемов типа миниджек 1 × S/PDIF (оптический, выход) 2 антенных разъема кнопка сброса CMOS кнопка перепрошивки BIOS — Q-Flash+ |
| Прочие внутренние элементы | 24-контактный разъем питания ATX 2 8-контактных разъема питания EPS12V 1 слот M.2 (E-key), занят адаптером беспроводных сетей 1 разъем для подключения порта USB 3.2 Gen2 Type-C 2 разъема для подключения 4 портов USB 3.2 Gen1 1 разъем для подключения 4 портов USB 2.0 (через адаптер-разветвитель) 7 разъемов для подключения 4-контактных вентиляторов (поддержка помп ЖСО) 2 разъема для подключения неадресуемой RGB-ленты 2 разъема для подключения адресуемой ARGB-ленты 1 разъем для детектора шума 1 разъем аудио для передней панели корпуса 1 разъем TPM 1 разъем для подключения управления с передней панели корпуса (через адаптер-удлинитель) 1 кнопка включения питания (Power) 1 кнопка перезагрузки (Reset) 2 разъема для подключения термодатчиков 2 переключателя режимов BIOS точки для измерения напряжений |
| Форм-фактор | XL-ATX (325×275 мм) |
| Ожидаемая розничная цена | 68 тысяч рублей |
Основная функциональность: чипсет, процессор, память
Первый взгляд на устройство материнки явно говорит о том, что эта флагманская плата не зря носит такое имя: поражает обилие периферии.
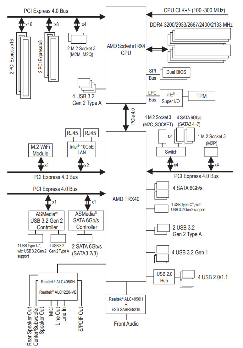
А теперь рассмотрим схему связки TRX40 с процессором и памятью в целом. Мы помним, что все последние процессоры от AMD имеют чиплетную структуру, то есть даже без привязки к чипсету сам процессор имеет свою «систему-в-чипе» (System-On-Chip — SoC) и обладает даже более широкими функциональными периферийными возможностями, чем сопровождающий его чипсет.
Итак, сам Ryzen Threadripper 3ххх обладает 64 линиями PCI-E 4.0, которых 8 всегда используются для связи процессора с чипсетом (остается свободных — 56).
Далее, 48 линий идут на слоты PCI-Ex16 (тут уже каждый производитель материнских плат волен распределять самостоятельно) (остается свободных линий — 8). Оставшиеся линии могут пойти либо на 2 слота PCI-Ex4, либо на два порта M.2 с поддержкой NVMe, либо на 8 портов SATA, либо можно комбинировать порты и слоты (тут также производители матплат вольны) в рамках 8-ми линий PCI-E.
Помимо линий PCI-E 4.0 процессор еще обладает контроллером USB 3.2 Gen2 на 4 порта и четырехканальным контроллером памяти (до 3200 МГц без учета XMP профилей).
В свою очередь чипсет TRX40 обладает 24 линиями PCI-E 4.0, их которых опять же 8 зарезервированы для связи чипсета с процессором (остается свободных — 16). Далее 8 линий — свободно конфигурируются (на волю производителей матплат) (остается свободных — 8). Оставшиеся линии могут пойти либо на 8 портов SATA, либо из них можно сконфигурировать любые комбинации слотов PCI-Ex1, PCI-Ex2, PCI-Ex4. Разумеется, и тут есть выбор у производителей материнок.
Помимо вышесказанного TRX40 поддерживает до 8 портов USB 3.2 Gen2, до 4 портов USB 2.0, и до 4 портов SATA.
Таким образом в сумме от тандема TRX40+Ryzen Threadripper 3xxx мы имеем в сумме 88 линий PCI-E, 16 из которых зарезервированы на взаимную связь, так что свободно — 72 линии.
И что мы получаем в максимуме:
- 48 PCI-E 4.0 линий для видеокарт (от процессора);
- 12 портов USB 3.2 Gen2 (4 от процессора, 8 от чипсета);
- 4 порта USB 2.0 (от чипсета);
- 4 порта SATA 6Гбит/с (от чипсета)
- 24 PCI-E 4.0 линий (8 от процессора + 16 от чипсета), которые могут образовывать разные варианты комбинаций портов и слотов (в зависимости от производителя материнских плат).
Еще раз надо напомнить, что Gigabyte TRX40 Aorus Xtreme поддерживает процессоры AMD Ryzen Threadripper 3-го поколений, выполненные под разъем (сокет) sTR4X.
Для установки модулей памяти на плате Gigabyte имеется восемь DIMM-слотов (для работы памяти в Quad Channel в случае использования всего 4 модулей их следует устанавливать в А2, B2, C2 и D2. Плата поддерживает небуферизованную память DDR4 (ECC или non-EСС), а максимальный объем памяти составляет 128 ГБ (при использовании модулей емкостью по 16 ГБ). Возможно, что при использовании новых UDIMM на 32 ГБ суммарный объем памяти может достичь и 256 ГБ, но эта информация не проверялась. Разумеется, поддерживаются профили XMP.
Слоты DIMM имеют металлическую окантовку, которая препятствует деформации слотов и печатной платы при установке модулей памяти (не секрет, что их надо ставить с применением некоторой физической силы), а также защищает от электромагнитных помех. Это все входит в общую концепцию Ultra Durable, по которой выпускаются все премиальные компоненты ПК Gigabyte.
Основными «потребителями» преимуществ PCI-E 4.0 станут накопители и видеокарты, так что переходим к периферии.
Периферийная функциональность: PCI-E, SATA, разные «прибамбасы»
Выше мы изучили потенциальные возможности тандема TRX40+Ryzen Threadripper 3xxx, а теперь посмотрим, что из этого и как реализовано в данной материнской плате.

Итак, кроме USB-портов, к которым мы подойдем позже, чипсет TRX40 обладает свободными 16 PCI-E линиями. Считаем, сколько линий уходит на поддержку (связь) с тем или иным элементом именно у TRX40:
- Переключатель: или 4 порта SATA (4—7) (4 линии), или M.2 (M2C) (4 линии): максимум 4 линии;
- Слот M.2 (M2P) (4 линии);
- ASMedia ASM3142 (2 USB 3.2 Gen2 — Type-C и Type-A на задней панели) (1 линия);
- Intel AX200 (Wi-Fi/BT) (1 линия);
- Intel X550-AT2 (2xEthernet 10Gb/s) (2 линии);
- Realtek ALC4050H (аудио) (1 линия);
- Realtek ALC1220 (аудио) (1 линия);
- ASMedia ASM1061 (2 порта SATA (8—9) (1 линия);
- Genesys Logic GL850S (4 USB 2.0/1.1 — 2 внутренних порта) (1 линия);
Плюс штатно положенные 4 порта SATA (0—3). Собственно, все 16 линий PCI-E оказались заняты.
Теперь посмотрим выше на то, как работает процессор в данной конфигурации (помним, что у него свободно 56 PCI-E линий).
- Слот PCI-Ex16_1 всегда имеет 16 линий;
- Слот PCI-Ex16_3 всегда имеет 16 линий;
- Слот PCI-Ex16_2 всегда имеет 8 линий;
- Слот PCI-Ex16_4 всегда имеет 8 линий;
- Слот M.2 (М2М) всегда имеет 4 линии;
- Слот M.2 (М2Q) всегда имеет 4 линии.
Итак, все линии полностью распределены.
А теперь пойдем по той самой периферии, которая и «пожирает» те самые ресурсы. Начнем со слотов PCI-Eх16, их «кормит» не чипсет TRX40, а процессор.
Начнем со слотов PCI-E.
На плате есть 4 слота: все PCI-E x16 (для видеокарт или других устройств). «Коротких» PCI-E x1 слотов нет. У процессора есть 48 линий PCI-E 4.0 для этих слотов. Вот так выглядит схема распределения:
Очевидно, что линий PCI-E хватает на все случаи жизни, поэтому можно спокойно устанавливать две видеокарты в тандем Nvidia SLI или AMD CrossFire (они все равно получат по x16). Кому вдруг мало двух видеокарт, и захочется установить три «радеона» в режиме AMD CrossFireX, то лишь третья карта получит х8, впрочем, это мало скажется на производительности в целом, да и такие варианты с тремя картами сейчас крайне редки. Слоты PCI-Ex16_2 и 16_4, работающие в режиме х8, можно использовать для любой периферии, включая NVMe-накопители, создавая очень быстрые RAID-массивы.
Учитывая, что никаких перераспределений линий PCI-E между слотами нет, то и мультиплексоров нет.
Зато есть внешний генератор частот для поддержки разгона шины PCI-E 4.0 — IDT6V4.
Идентичный тактовый генератор есть и на Aorus Gen4 AIC Adaptor, входящий в комплект поставки.
А также шину поддерживают многочисленные ре-драйверы (усилители сигнала), расположенные по обеим сторонам PCB.
Как и слоты для памяти, слоты PCI-E x16 имеют металлическое армирование из нержавеющей стали, которое увеличивает их надежность (что может быть важным в случае довольно частой смены видеокарт, но что более важно: такой слот легче выдержит нагрузку на изгиб в случае установки очень тяжелой видеокарты топового уровня). Кроме того, такая защита предохраняет слоты от электромагнитных помех.
Заметим, что первый PCI-E слот находится на достаточном расстоянии от сокета, что позволяет легко смонтировать СО любого уровня и класса.
Идем дальше. На очереди — накопители.

Всего у платы 10 разъемов Serial ATA 6 Гбит/с + 4 слота для накопителей в форм-факторе M.2. (Еще один слот M.2, спрятанный под кожухом блока разъемов задней панели, занят контроллером беспроводных сетей Wi-Fi/Bluetooth.). 8 портов SATA реализованы через чипсет TRX40 (4 порта — штатным набором плюс 4 порта — из свободных PCI-E линий, при этом есть деление ресурсов с одним слотом M.2 — об этом ниже).
Еще 2 порта SATA реализованы через внешний контроллер ASM1061 от ASMedia (на них организовать RAID нельзя!).
Теперь про M.2. Материнская плата имеет просто богатый ассортимент гнезд такого форм-фактора. Во-первых, их четыре — на самой плате, во-вторых, в комплект поставки входит карта-адаптер для еще 4х слотов M.2 (о ней расскажу ниже).
Только три из 4 слотов поддерживают модули длиной до 22110, слот М2C поддерживает модули только одного размера — 2280. При этом модули 2260 можно использовать только в первом слоте M2M.
Все слоты M.2 имеют единый огромный радиатор с термоинтерфейсами. Этот радиатор с чипсетным образуют единое целое, так что для установки накопителей в слоты M.2 придется снимать всю конструкцию.
Стоит особо отметить, что все четыре слота M.2 поддерживают любые накопители с интерфейсом PCI-E и SATA. Однако следует отметить, что первые два слота M2M, M2Q обслуживаются процессором и никаких нюансов тут нет (PCI-E линий от «тредриппера» хватает). Слоты М2P и M2C получают линии от TRX40, есть нюанс: если слот M2P работает без деления ресурсов, то слот M2C в случае использования в нем модуля с интерфейсом SATA заблокирует 2 гнезда SATA (4 и 5), а в случае использования PCI-E модуля заблокирует уже 4 гнезда SATA (4—7).
Это, так сказать, расплата за то, что силами TRX40 образовано не 4 стандартных SATA, а 8 (за счет свободных PCI-E линий), поэтому пришлось поделить вот так ресурсы.
Но это не все. Я рассказал лишь о слотах M.2 на самой материнке, но в комплект поставки входит специальная карта Aorus Gen4 AIC.
Поскольку рассматриваемая сегодня материнская плата может использоваться как составная часть серьезного устройства для инженеров, работающих с огромными массивами данных, когда требуется высоченная скорость их перекачки, то поэтому логично подобное предложение



с поставкой особой карты (она уже поддерживает интерфейс PCI-E 4.0), способной вместить на себе аж 4 модуля форм-фактора M.2.



Разумеется, все накопители должны иметь интерфейс PCI-E. Учитывая, что все слоты PCI-E здесь управляются напрямую процессором, вставлять эту карту можно в любой свободный слот (разумеется, с учетом количества установленных модулей М.2 (понятно, что если на карте все 4 слота заняты, то ей потребуется слот с активными PCI-Eх16, если адаптер будет вставлен в PCI-Ex8, то видны будут только 2 гнезда М.2).
Так что есть возможность создавать крайне быстрые RAID-массивы с использованием SSD, вставленных в данный адаптер.Собственно, если у вас много M.2 накопителей, и чтобы избежать дележки ресурсов с SATA портами, M.2 накопители следует устанавливать через данный адаптер. Следует учесть некоторые аппаратные ограничения у данного адаптера: полноценно определяться все 4 накопителя М.2 могут только на материнских платах, базируемых на AMD X570/TRX40 и Intel X299.
Синие переключатели нужны в случае установки двух и более подобных карт-адаптеров (до трех!): переключателями выставляется номер адаптера, детали есть в руководстве пользователя к карте.
Теперь о «фенечках», то есть «прибамбасах». Благо на плате их много. Взять хотя бы кнопки.
Очень удобными являются кнопки перезагрузки компьютера Reset и включения Power, они выполнены в необычной форме, их дизайн органично вписан в общую концепцию.
Если вдруг случился сбой из-за неверно выставленных параметров работы материнской платы, то для сброса настроек CMOS имеется физическая кнопка на задней панели (о ней позже). А на самой плате есть аналог в виде перемычки. Заодно видны вышеупомянутые кнопки без «помпезных нахлобушек».
Материнка обладает двумя переключателями работы с BIOS. Опыт говорит о том, что платы с уймой настроек в BIOS Setup (это всегда топовые оверклокерские версии) очень часто получают обновления прошивок (ну по крайней мере, первые полгода-год), ибо находятся ошибки, их правят.
Поэтому вот такие физические переключатели копий BIOS дают очень хорошую дополнительную защиту от неудачных прошивок.
По умолчанию режим работы — Dual BIOS и загрузка с основной микросхемы. Если надо выключить двойной BIOS (то есть, чтобы система «не видела» вторую копию), то SB переключить в Single BIOS. Через BIOS_SW выбираем — с какой версии загружаться.

Кстати, неподалеку расположен контроллер IT8795E, который позволяет обновить прошивку UEFI/BIOS на пустой материнской плате (без процессора и памяти): достаточно просто подключить питание, вставить флешку с новой прошивкой (заранее скачанной из интернета) и включить плату.
Индикаторы сообщат об удачном или неудачном обновлении. Эта технология под названием Q-Flash Plus существует у Gigabyte уже несколько поколений материнских плат (видеоролик записан на примере другой материнской платы, однако принцип один и тот же).
Традиционно почти на всех платах Gigabyte присутствует разъем TPM для подключения систем обеспечения безопасности.
Материнская плата также имеет площадки для измерения напряжений процессора, памяти и т. д.

Разумеется, это интересно исключительно заядлым оверклокерам.

Также сверху справа есть посадочные места для проводов от внешних термодатчиков.

Кроме того, имеется и гнездо для шумоизмерения.

Что касается традиционного набора штырьков FPanel для подключения проводов к передней (а сейчас уже часто и верхней или боковой или все это сразу) панели корпуса.
Она также расположена не на привычном месте на нижнем крае, а на боковой стороне. Но главной особенностью является наличие в комплекте поставки адаптера G-Connector для подключения к этому гнезду (очевидно, что оно необычной формы и без объяснений — чего и куда подключать).

Также надо упомянуть и возможности материнской платы по подключению RGB-подсветки. Ею управляет один из двух контроллеров IT8297 от ITE.
Имеется 4 разъема для подключения любых устройств этого плана: 2 разъема для подключения адресуемых (5 B 3 A, до 15 Вт) ARGB-лент/устройств, 2 разъема неадресуемых (12 В 3 А, до 36 Вт) RGB-лент/устройств.


Периферийная функциональность: USB-порты, сетевые интерфейсы, ввод-вывод
Продолжаем рассматривать периферию. Теперь на очереди USB-порты. И начнем с задней панели, куда выведены большинство из них.
Повторим: чипсет TRX40 способен реализовать 12 портов USB (8 — USB 3.2 Gen2 и 4 — USB 2.0), а процессор Ryzen Threadripper 3xxx — 4, то есть суммарно способны реализовать 16 выделенных портов USB всех типов (из них 12 — USB 3.2 Gen2, 4 — USB 2.0), все потенциально свободные у TRX40 линии PCI-E 4.0 — распределены (как выше я уже показал), однако помним, что 2 из этих 16 отведены на связь с внешними контроллерами USB. У процессора же все свободные линии заняты на слоты PCI-E и M.2.
А что мы имеем? Всего на материнской плате — 17 портов USB:
- 9 портов USB 3.2 Gen2 (самые быстрые на сегодня): 4 реализованы через CPU Ryzen Threadripper 3xxx и представлены на задней панели 4 портами Type-A (красные); еще 3 реализованы через TRX40 и представлены 2 портами Type-A (красного цвета) на задней панели и 1 внутренним портом Type-C (для подключения такого же разъема на передней панели корпуса); и последние 2 порта реализованы через контроллер ASMedia ASM3142 и представлены одним портом Type A (красный) и одним Type-C на задней панели;
- 4 порта USB 3.2 Gen1: все реализованы через TRX40 и представлены 2 внутренними разъемами на материнской плате (каждый на 2 порта);
- 4 порта USB 2.0/1.1: все реализованы через контроллер Genesys Logic GL850S и представлены 2 внутренними разъемами (каждый на 2 порта), вывод осуществлен через одно гнездо + адаптер-разветвитель.
Итак, через чипсет TRX40 реализовано 3 USB 3.2 Gen2 + 4 USB 3.2 Gen1 = 7 портов. То есть возможности TRX40 использованы не по максимуму (8 USB 3.2 Gen2 портов), однако не забываем про выделенные 2 линии PCI-E для связи с контроллерами от ASMedia и Genesys Logic, через которые реализовано 2 USB 3.2 Gen2 +4 USB 2.0 = 6 портов. Через процессор Ryzen Threadripper 3xxx реализовано 4 USB 3.2 Gen2 порта.
Следует отметить, что внутренний разъем USB Type-C (USB 3.2 Gen2), а также два внутренних разъема USB 3.2 Gen1 (на 4 порта) поддерживают функцию быстрой зарядки (для реализации имеется специальная фирменная утилита). Если у вас имеется корпус с возможностью подключения к этим разъемами и выводу сигналов на крышку, то сможете через Type-A/Type-C заряжать свои мобильные устройства в режиме быстрой зарядки.
Теперь о сетевых делах.
Материнская плата великолепно оснащена средствами связи. Имеется двойной Ethernet-контроллер Intel ELX550-AT2, способный работать по стандарту 10 Гбит/с сразу на два RJ45.
Такого рода двойное скоростное сетевое соединение дает три преимущества:
- Суммарная производительность (эффективный обмен информацией) вырастает в 2 раза:
- Повышается стабильность обеспечения связи в случае подключения к двум провайдерам и обрыве связи от одного из них:
- Безопасность: можно жестко разделить внутреннюю сеть (со своим роутером) с внешней сетью (Интернет).
Имеется и комплексный беспроводной адаптер на контроллере Intel AX-200NGW, через который реализованы Wi-Fi 6 (802.11a/b/g/n/ac/ax) и Bluetooth 5.0. Он установлен в слот M.2 (E-key), и его разъемы для привинчивания выносных антенн выведены на заднюю панель.
Заглушка, традиционно надеваемая на заднюю панель, в данном случае уже надета, и изнутри экранирована для снижения электромагнитных помех.
Теперь про блок ввода-вывода, разъемы для подключения вентиляторов и т. п. Разъемов для подключения вентиляторов много: 7 штук!

А вот идея размещения целых пяти гнезд в одном месте — вначале мне показалась спорной. Ведь многие вентиляторы имеют довольно короткие кабели, и расположены вовсе не справа от матплаты (где боковая сторона с пятью разъемами). Однако наличие еще двух разъемов сверху проблему слегка решает (но все же не до конца).
Также Gigabyte TRX40 Aorus Xtreme обладает целой россыпью термодатчиков. Управление всем этим богатством возложено на утилиту SmartFan 5.0, а также реализовано управление в настройках UEFI/BIOS.
Работа Multi I/O обеспечивается ITE IT8688E,
а второй контроллер IT8297FN занимается мониторингом (первый, мы помним, отвечает за подсветку). В итоге мы имеем возможность слежения за всеми подключенными вентиляторами и помпами, а также тонкую регулировку их работы.
Аудиоподсистема
В данном случае система несколько отличается от традиционных. Мы знаем, что практически во всех современных материнских платах звуком заведует аудиокодек Realtek ALC1220 (он и в данном случае есть — улучшенный вариант ALC1220-VB). Он обеспечивает вывод звука по схемам до 7.1.
Ему сопутствует ЦАП ESS Sabre S9218. Имеется также осциллятор Precise TXC, обеспечивающий точную работу ЦАП. В аудиоцепях платы применяются «аудиофильские» конденсаторы Wima.
Однако рядом с ALC1220 мы видим второй аудиокодек Realtek ALC4050H.
Информации по этому кодеку очень мало, имеется лишь утверждение, что чипсет AMD TRX40 изначально поставляется производителям матплат с этими двумя аудиокодеками (что означает, что мы их увидим и на других материнских платах под новые «тредрипперы»). Также очевидно, что Realtek ALC4050H играет роль своего рода «хаба» для разделения аудиотрактов. Да, инженеры придумали разнести выводы звука на миниджеки на задней панели (для акустических систем) и выводы звука на наушники (через разъем Front Audio для подключения миниджеков с передней панели корпуса ПК). Во втором случае к ALC4050H подключается ЦАП, а ALC1220 работает без оного.
Аудиотракты вынесены на угловую часть платы, не пересекаются с другими элементами. Разумеется, левый и правый каналы разведены по разным слоям печатной платы. Все аудиоразъемы на задней панели имеют позолоченное покрытие, однако не сохранена привычная цветовая окраска разъемов (которая неплохо помогает подключать нужные штекеры без вглядывания в их наименование). В целом очевидно, что аудиоподсистема выглядит очень впечатляюще, однако с учетом выбранных кодеков мы снова повторим, что это все же в целом стандартная аудиоподсистема (просто двухканальная), способная удовлетворить запросы большинства пользователей, не ожидающих от звука на материнской плате чудес.
Для тестирования выходного звукового тракта, предназначенного для подключения наушников или внешней акустики, мы использовали внешнюю звуковую карту Creative E-MU 0202 USB в сочетании с утилитой RightMark Audio Analyzer 6.4.5. Тестирование проводилось для режима стерео, 24-бит/44,1 кГц для обоих аудиотрактов. Мы помним, что на плате два кодека, и в Windows они видны по отдельности.
По результатам тестирования оба аудиотракта на плате получили оценку «Средне». Судя по всему, как минимум в одном случае это чистая проблема испытательного стенда (во втором возможно и какое-то не отключенное до конца программное вмешательство) — надо разрывать земляную петлю. К сожалению, за время краткого тестирования у нас не было возможности повторить измерения в более правильном окружении.
Питание, охлаждение
Для питания платы на ней предусмотрены 3 разъема: в дополнение к 24-контактному ATX здесь есть еще два 8-контактных EPS12V. Также имеется 6-контактный разъем дополнительного питания PCI-E на случай установки двух или трех видеокарт (выше уже о нем писал). Его использование опционально.
Система питания весьма внушительная (собственно и не удивительно: ведь материнская плата самого топового уровня и для процессоров, которые очень прожорливы).
Схема питания выполнена как 16+3: 16 фаз — ядро процессора, 3 фазы — SoC (I/O чиплет).
Мы видим честную фазовую схему без удвоителей фаз. Управляет фазами цифровой контроллер XDPE132Q5C компании Infineon, рассчитанный именно на работу с 16 фазами.
Каждый канал фазы имеет суперферритовую катушку и MOSFET IR TDA21472 на 70 A того же Infineon.
То есть суммарно система питания способна пропустить через себя колоссальную нагрузку (хватит на 4 самых мощных «тредриппера»). С одной стороны кажется, что это дает огромный потенциал для оверклокинга, с другой стороны мы помним, что разгон резко ограничен со стороны AMD термопакетом (об этом ниже). В общем, такая система питания дает огромный запас стабильности.
SoC имеет свою трехфазную схему питания с той же элементной базой, лишь ШИМ-контроллер другой — IR35204.
Что касается модулей оперативной памяти: каждый из двух блоков DIMM имеет по трехфазной системе питания с контроллером RT8120D.

Теперь про охлаждение.
Стоит напомнить, что платы Gigabyte премиального уровня имеют удвоенные по толщине медные слои в разводке питания, что помогает более эффективному теплоотводу.


Все потенциально сильно греющиеся элементы имеют свои собственные радиаторы. Как известно, самым горячим звеном в наборе AMD TRX40 является сам чипсет, поэтому многие производители вынуждены вспомнить про вентиляторы для такого рода микросхем.
Как мы видим, охлаждение чипсета (один радиатор) организовано отдельно от силовых преобразователей. Стоит заметить, что еще один радиатор имеется около задней панели — призван охлаждать Intel ELX550-AT2 (двойной сетевой контроллер) и мосфеты от схемы питания SoC. Оба радиатора связаны тепловой трубкой под прямым углом друг ко другу.
Стоит особо отметить, что вентилятор на чипсетном радиаторе — не единственный в этой СО. Массивный вышеупомянутый радиатор у задней панели также имеет свой небольшой вентилятор.
Для модулей M.2, как я уже выше отмечал, есть свои три радиатора с термоинтерфейсами. Они крепятся к большому чипсетному радиатору и также принимают участие в общей схеме охлаждения.
Стоит отметить, что оба вентилятора (на радиаторе от TRX40 и на радиаторе у задней панели) не доставляют дискомфорта. Хоть чипсетный и достигал 1950 оборотов в минуту, но шума особо не было слышно, да частенько он выключался. А вентилятор на «заднем» радиаторе вообще практически не включался (он настроен на пороговые температуры нагрева около 65 °C).
Над аудиоподсистемой и правой стороной платы установлены пластиковые кожухи соответствующего дизайна и с подсветкой, привычного кожуха над блоком разъемов задней панели нет, ибо его место занял радиатор.
В целом надо сказать, что система питания колоссально мощная, понятно, что уровень HEDT того требует, однако здесь налицо большой запас прочности и стабильности (мы знаем, что Ryzen Threadripper потребляют очень много, поэтому требования к схеме питания очень высокие).
Подсветка
Топовые платы Aorus всегда отличаются очень красивой подсветкой. Обычно светодиоды образуют яркие эффекты на кожухе, покрывающем задний блок с разъемами, а также подсвечены радиатор чипсета и кожух над блоком аудио. Однако в данном случае разработчики как-то явно поскупились: на кожухе (по сути радиаторе) кроме скромной надписи «Aorus» подсветки нет (не считая еще табло с POST-кодами), также нет подсветки и над аудиоблоком. И только чипсетный радиатор вместе с боковой полосой, идущей вдоль правой стороны платы, создают некий красочный эффект. Подчеркивание позиционирования HEDT? — Но у тех же топовых плат на Intel X299 с подсветкой все намного богаче. Тем не менее, мы помним про 4 разъема для подключения внешней подсветки, и всем этим можно управлять через программу RGB Fusion.
Который раз уже наверно пишу, но хочется все равно отметить, что сейчас как правило, практически все топовые решения (будь то видеокарта, материнская плата или даже модули памяти) оснащаются красивыми модулями подсветки, положительно влияющими на эстетическое восприятие. Моддинг — это нормально, это красиво, подчас просто стильно, если все подобрано со вкусом.
Надо сказать, что ряд производителей моддинговых корпусов с уже вмонтированной подсветкой «сертифицируют» поддержку программ ведущих производителей материнских плат, включая Gigabyte. А кому не нравится — всегда подсветку можно выключить через то же ПО (настройки запоминаются в UEFI, поэтому достаточно один раз запустить RGB Fusion, выключить подсветку и удалить программу).
Программное обеспечение под Windows
Все программное обеспечение можно скачать с сайта производителя gigabyte.com. Основная программа — так сказать, менеджер всего «софта» — это Aorus App Center. Ее и следует установить первой.
App Center помогает загрузить все остальные нужные (и не совсем нужные) утилиты. Большинство из них запускается только из App Center. Эта же программа следит и за обновлениями установленного фирменного ПО от Gigabyte, а также за актуальностью прошивки BIOS.
Начнем с самой «красивой» программы: RGB Fusion 2.0, настраивающей работу режимов подсветки.
Утилита умеет распознавать все фирменные элементы Gigabyte, оснащенные подсветкой, включая модули памяти. Поэтому в нашем случае (а мы использовали RGB RAM Gigabyte и видеокарту Gigabyte) слева появилось три «обслуживаемых» элемента: материнская плата, модули памяти и видеокарта.
У разъемов для адресуемых RGB-лент — самый богатый выбор режимов подсветки (у разъемов для обычных RGB-лент выбор режимов намного проще).
Можно задавать подсветку как для отдельных элементов, так и для всей группы в целом, а также записывать выбранные алгоритмы подсветки в профили, чтобы потом легко переключаться между ними.
Наверно самые основные программы для настройки работы материнской платы, процессора, памяти и т. д. — это EasyTune и System Information Viewer (SIV).
Либо версия у этой программы еще не могла работать с новыми Ryzen Threadripper, либо технология AMD Precision Boost 2 заблокировала любое стороннее вмешательство в оверклокинг.
А что же другая важная утилита — SIV?
Увы, и здесь кроме информационной закладки ничего не работало. В общем, про «софтверный» разгон можно забыть. К сожалению, и про управление вентиляторами из Windows — тоже.
Настройки BIOS
Все современные платы сейчас имеют UEFI (Unified Extensible Firmware Interface), которые, по сути, являются операционными системами в миниатюре. Для входа в настройки при загрузке ПК традиционно надо нажать клавишу Del или F2.
По умолчанию мы попадаем в «простое» меню, которое по сути информационное. Нажимаем F2 и попадаем уже в «продвинутое» меню для возможностей настроек. Раздел Tweaker полностью посвящен разгону и тонкой настройке работы CPU и памяти.
Периферийные устройства, их настройки, а также тонкие настройки работы процессоров AMD — в разделе Settings.




Обратим внимание на пункт SmartFan 5 — это практически копия возможностей утилиты SIV, которую мы изучили ранее, однако из-за ее неработоспособности вентиляторами можно управлять только здесь!
Формально переходим к разгону. Однако помним, что AMD уже заранее так разгоняет свои современные процессоры, что оверклокерам по сути уже делать нечего (ну кроме хардкорных, которым всегда мало частот!).
Разгон
Полная конфигурация тестовой системы:
- материнская плата Gigabyte TRX40 Aorus Xtreme;
- процессор AMD Ryzen Threadripper 3960X 3,8 ГГц (до 4,5 ГГЦ);
- оперативная память Corsair UDIMM (CMT32GX4M4C3200C14) 32 ГБ (4×8) DDR4 (XMP 3200 МГц);
- накопители SSD OCZ TRN100 240 ГБ и Intel SC2BX480 480 ГБ;
- видеокарта Nvidia GeForce RTX 2070 Super Founders Edition;
- блок питания Corsair AX1600i (1600 Вт);
- СО Cooler Master MasterLiquid ML240P Mirage;
- телевизор LG 43UK6750 (43″ 4K HDR);
- клавиатура и мышь Logitech.
Программное обеспечение:
- операционная система Windows 10 Pro (v.1909), 64-битная
- AIDA 64 Extreme
- 3DMark Time Spy CPU benchmark
- 3DMark Fire Strike Physics benchmark
- 3DMark Night Raid CPU benchmark
- HWInfo64
- Adobe Premiere CS 2019 (рендеринг видеоролика)
Запускаем все в режиме по умолчанию. Затем нагружаем жестким тестом AIDA.
Как мы видим, частоты по ядрам меняются не сильно (3,9-4,0 ГГц), то есть разброс минимальный с разовыми всплесками до 4,4 ГГц (по 1-2 ядру). И даже при этом нагрев процессора был уже около 95-96 °C (в среднем)! Прекрасно видно, что даже такой AIO LCS, как наша, недостаточно для такого мощного процессора! И это мы просто запустили очень жесткий, стрессовый тест, не меняя никаких частот. При этом стоит отметить тот факт, что потребление CPU не было запредельным, всего около 220 Вт, когда как та же СО прекрасно охлаждала Intel Core i9-10980XE, который в режиме оверклокинга потреблял более 310 Вт! Так что, налицо узаконенный AMD разгон TR 3960X до предела.
Нагрев остальных элементов материнской платы был в норме (от 44 до 67 °C), кроме чипсета TRX40, который также мог нагреваться до 95 °C, при этом его вентилятор всегда работал на частотах около 2000 оборотов в минуту (шум ощущался, но по минимуму).
Однако все же интересно поэкспериментировать с игровым режимом.. Тут надо отметить, что мы продолжаем пользоваться программой AMD Ryzen Master, которая бесплатно раздается самой компанией (утилиту можно скачать с сайта AMD, и уже есть версия, поддерживающая новые процессоры).
Ryzen Master предлагает два основных режима использования процессора, и в зависимости от них выставляет нужные параметры работы CPU: Creator Mode и Game Mode. Желающие экспериментов могут создать свои профили и пресеты.
Threadripper-ы предыдущих поколений поддерживает два режима: распределенный (distributed, Creator mode), когда вся память — равномерный массив, и запросы к ней распространяются в общей очереди вне зависимости от принадлежности ячеек памяти к тому иному Zeppelin (сказывается тогдашняя топология NUMA). Этот режим хорош для программ, занимающих почти всю физическую память и которым важен равномерный доступ к ней. И второй режим: локальный, когда приложение задействуя то или иное ядро внутри Zeppelin, получает приоритет по каналам памяти, «пришпандоренным» к этому кристаллу. Да, тут все получается быстро, однако после выхода за пределы «быстрых» ячеек памяти все становится медленным, ибо полной пропускной способности памяти уже не достичь. Теперь же в 3ххх поколении все стало иначе, и топология поменялась на UMA.
AMD Ryzen Master умеет принудительно включить так называемые профессиональный или игровой режимы, которые у 3ххх теперь отличаются по сути лишь разными количествами активных ядер. Зачем оно нужно? – ну просто для того, чтобы облегчить процессору работу, отключив часть ядер, заодно можно попытаться на оставшихся поднять частоты повыше. Включаем Game Mode.
Количество активных ядер уменьшилось в 2 раза, стало 12 согласно тому же Ryzen Master (правда и это многовато, особенно для игр, тем не менее, процессору будет уже проще удерживать повышенные частоты на этих ядрах, учитывая отключенные остальные). Однако программа HWiNFO64 по-прежнему вещала о наличии 24 ядер. И при этом уже стало возможным достичь 4,1 ГГц на каждом ядре. Тут явная какая-то «лажа», полагаю, что все же Ryzen Master не отключил ядра.
Запуск очередного жесткого теста AIDA подтвердил это предположение: очень быстро AMD Precision Boost2 сбросил частоты работы процессора, ибо он все равно перегревался.
В общем, на момент написания материала мы видим, что ПО, сопровождаемое не только от Gigabyte, но и от AMD, еще сырое в отношении новых процессоров Threadripper.
Но очевидно одно: процессоры идут в продажу уже с заведомо высокими базовыми установленными частотами, и «дельта» между базовой частотой и бустом (от Precision Boost2) — крайне мала.
По разгону памяти скажу, что используемая нами память умеет работать на частоте максимум 3600 МГц, однако это дает совсем небольшой прирост по сравнению с 3200 МГц.
Выводы
Gigabyte TRX40 Aorus Xtreme — это очередной премиальный продукт, материнская плата, доступная лишь немногим энтузиастам. Разумеется, она обладает всеми признаками принадлежности к классу Hi-End, начиная с упаковки и комплекта поставки и заканчивая возможностями для подключения периферии. Стоит отметить весьма оригинальный дизайн с выносом абсолютного большинства разъемов на одну сторону (это одновременно и удобно, и не слишком удобно). Функциональность — превосходная. Так, у платы 17 портов USB разных видов, включая 9(!) самых быстрых на сегодня. Всего здесь 4 слота PCIe x16, 2 из которых всегда имеют по 16 линий PCIe и отлично годятся для организации Nvidia SLI или AMD CrossFire. В другие 2 слота можно установить, например, очень быстрые SSD (напрямую или через поставляемую в комплекте карту Aorus Gen4 AIC Adaptor). На самой плате при этом 4 слота M.2 (кстати, поддерживающие PCI-E 4.0), так что суммарно (с учетом упомянутой карты) их 8.
Слоты PCI-E и для модулей памяти армированы, для накопителей во всех размещенных на плате слотах M.2 предусмотрено хорошее охлаждение. Великолепно спроектирована система питания, способная обеспечить работу любых совместимых процессоров под серьезным авторазгоном (через Precision Boost 2). В системе питания процессора 16 честных фаз для ядер и 3 фазы для SoC. Также надо упомянуть наличие двух очень быстрых (10 Гбит/с) Ethernet-портов. Имеется два порта USB Type-C (один из них — внутренний, надо иметь корпус с выведенным USB Type-C). Для разгона плата подходит превосходно (плюс у нее много разнообразных настроек), однако разгон, скорее всего, упрется в возможности самих новых Ryzen Threadripper, а также потребует очень мощных СО (для их вентиляторов на плате предусмотрено 7 разъемов). Еще в плюсы надо добавить красивую подсветку самой платы и широкие возможности для подключения дополнительных RGB-устройств.
В целом плата получилась очень интересной, а вот стоит ли платить такие деньги — это каждый решает сам. Все-таки HEDT — изначально очень и очень дорогой сегмент. Сами процессоры Ryzen Threadripper 3000 будут на старте иметь такие цены, что на их фоне стоимость даже этой материнской платы покажется ерундовой.
В номинации «Отличная поставка» плата Gigabyte TRX40 Aorus Xtreme получила награду:

Благодарим компанию Gigabyte Russia
и лично Марию Ушакову
за предоставленную на тестирование плату
Для тестового стенда:
ЖСО Cooler Master MasterLiquid ML240P Mirage предоставлена компанией Cooler Master
блок питания Corsair AX1600i (1600W) предоставлен компанией Corsair
термопаста Noctua NT-H2 предоставлена компанией Noctua



































































































