Надо сказать, что когда-то все производители материнских плат выпускали их без деления на серии, сегменты и т. п. Разумеется, были более простые (и дешевые) продукты, были и подороже (понавороченнее). Однако опытные потребители отличали их по названиям (сериям), да и просто размер и вид коробок говорил сам за себя. :) Некоторые серии и модели становились крайне популярными, за ними бегали по магазинам, названия были на слуху... Вот например, практически «народная» материнская плата Asus P55T2P4, которая появилась чуть раньше нашего ресурса iXBT.com в 1997 году, держала популярность около 2 лет. Ее все компьютерщики называли просто «Тэ-два-пэ-четыре».
Однако наверно самой легендарной была материнская плата Chaintech 6BTM, вышедшая примерно через год, с поддержкой Pentium II и с AGP на борту.

Однако по мере развития рынка ПК возникла необходимость выпуска материнских плат под разный кошелек, разумеется, с разной функциональностью, поэтому постепенно все эти мало кому понятные шифрованные названия моделей стали уходить в историю, и на первом месте в названиях моделей появилась принадлежность к той или иной серии/линейке. Затем уже как-то обозначался системный чипсет, на котором базировалась данная материнка, а дальше уже суффиксами добавляли вариацию конкретной модели.
Вот и сейчас мы знаем, что у Gigabyte есть Aorus, у MSI — сегменты MEG, MPG, MAG, а у Asus — есть ROG (внутри которого есть тоже деление на серии Maximus, Strix и др.), а также WS. Понятно, что ROG — это все для геймеров, энтузиастов разных степеней и мастей, оверклокеров и иных дро.. (пардон). WS — рабочие станции, чисто деловое применение в корпорациях, ВЦ и т. д. А как быть тем, кто вроде и не особо геймер (но иногда побаловаться не прочь), и дома у него явно не предприятие, поэтому рабочая станция как-то ни к чему? — Нужен просто ПК для офисно/домашних нужд. Вот для таких в ассортименте Asus есть серия Prime. Платы из этой серии не отличаются особыми наворотами, «фишками» для оверклокеров, но и не простенько-спартанские в то же время. Главный упор на стабильность и долговечность: поставил и забыл, пока не придет надобность апгрейда.
Понятно, что по идее в эту серию не должны входить продукты на топовых чипсетах. Однако почему нет? — Ведь те самые топовые чипсеты типа AMD X570, X470, Intel Z390, Z370 созданы же не только для геймеров или «разгонщиков». Так что, встречайте первый материал по материнской плате с относительно низкой ценой (ну в рамках того, что может быть дешевым в понимании Asus для такого топового чипсета как AMD X570). А в целом это уже третий материал по системной плате на базе нового чипсета AMD X570, который, как известно, был создан для поддержки нового семейства процессоров AMD Ryzen 3000 (на основе архитектуры Zen2).
Цены на Asus Prime X570-Pro начинаются с 16 тысяч (на момент написания материала). Разумеется, это тоже недешево, однако в 3 c лишним раза дешевле самых «навороченных» материнских плат на этом же чипсете.
Давайте посмотрим на Asus Prime X570-Pro уже предметно.
Asus Prime X570-Pro поставляется в небольшой обычной коробке без излишеств. Учитывая относительно бюджетную серию Prime (ну если вообще в целом можно упоминать слово «бюджетное» в отношении продуктов Asus), производитель особо подчеркнул, что плата оснащена подсветкой, синхронизируемой с другими продуктами через Asus Aura Sync.
Учитывая простоту коробки, внутри нее уже не отсеки, а просто картонная вставка для материнской платы, под которой на дне лежит остальной комплект.
Комплект поставки, кроме традиционных элементов типа руководства пользователя, носителя с ПО и кабелей SATA (что уже много лет является обязательным набором ко всем материнкам), есть «пипка» для насаживания на блок разъемов передней панели, винтики для монтажа модулей M.2, ну и все. Здесь мы реально видим принадлежность продукта к бюджетному сегменту.
Хотя стоит отметить, что «заглушка» на заднюю панель с разъемами смонтирована на самой плате, что обычно наблюдается только у дорогих материнских плат.
Форм-фактор
Материнская плата Asus Prime X570-Pro выполнена в форм-факторе ATX, имеет размеры 305×244 мм и 9 монтажных отверстий для установки в корпус.
На оборотной стороне мало элементов, только мелкая логика плюс металлическая платформа под сокетом для крепления СО. Обработан текстолит хорошо: во всех точках пайки острые концы срезаны.
Технические характеристики
Традиционная таблица с перечнем функциональных особенностей.
| Поддерживаемые процессоры | AMD Ryzen 2-го и 3-го поколений |
|---|---|
| Процессорный разъем | AM4 |
| Чипсет | AMD X570 |
| Память | 4 × DDR4, до 128 ГБ, до DDR4-4600, два канала |
| Аудиоподсистема | 1 × Realtek ALC1220 (7.1) |
| Сетевые контроллеры | 1 × Intel WGI211AT (Ethernet 1 Гбит/с) |
| Слоты расширения | 3 × PCI Express 4.0/3.0 x16 (режимы x16, x8+x8 (SLI/CrossFire), x8+x8+x4 (CrossFire)) 3 × PCI Express 4.0/3.0 x1 |
| Разъемы для накопителей | 6 × SATA 6 Гбит/с (X570) 1 × M.2 (X570, PCI-E 4.0/3.0 x4/SATA 6 Гбит/с для устройств формата 2242/2260/2280/22110) 1 × M.2 (CPU, PCI-E 4.0/3.0 x4/SATA 6 Гбит/с для устройства формата 2242/2260/2280/22110) |
| USB-порты | 4 × USB 3.2 Gen2: 3 порта Type-A (голубые) на задней панели + 1 порт Type-C (X570) 1 × USB 3.2 Gen2: 1 внутренний порт Type-C (X570) 2 × USB 3.2 Gen1: 1 внутренний разъем на 2 порта (X570) 4 × USB 2.0: 2 внутренних разъема каждый на 2 порта (X570) 4 × USB 3.2 Gen1: 4 порта Type-A (синие) на задней панели (CPU) |
| Разъемы на задней панели | 1 × USB 3.2 Gen2 (Type-C) 3 × USB 3.2 Gen2 (Type-A) 4 × USB 3.2 Gen1 (Type-A) 1 × RJ-45 1 комбинированный разъем PS/2 5 аудиоразъемов типа миниджек 1 × S/PDIF (оптический, выход) 1 × HDMI 2.0b 1 × DisplayPort 1.4 |
| Прочие внутренние элементы | 24-контактный разъем питания EATX 1 8-контактный разъем питания EATX12V 1 4-контактный разъем питания EATX12V 1 разъем для подключения порта USB 3.2 Gen2 Type-C 1 разъем для подключения 2 портов USB 3.2 Gen1 2 разъема для подключения 4 портов USB 2.0 7 разъемов для подключения 4-контактных вентиляторов (поддержка помп ЖСО) 2 разъема для подключения неадресуемой RGB-ленты 1 разъем для подключения адресуемой ARGB-ленты 1 разъем для подключения COM-порта 1 разъем аудио для передней панели корпуса 1 разъем TPM 1 разъем NODE 2 разъема для подключения управления с передней панели корпуса 1 перемычка сброса CMOS |
| Форм-фактор | ATX (305×244 мм) |
| Розничные предложения |
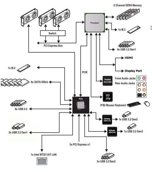
Основная функциональность: чипсет, процессор, память


Несмотря на то, что материнская плата относится к среднебюджетному сегменту (да, увы, но сейчас материнки по ценам около 20 000 рублей — уже не топовые, а среднебюджетные, ибо есть платы и за 60 000 рублей), количеством портов и слотов и разъемов она явно не обижена.
Начнем с чипсета X570 и его взаимодействия с процессором.
Напомним, что главным отличием тандемов AMD от Intel (если мы говорим об общепользовательском рынке десктопов) является тот факт, что у Intel баланс поддержки портов/линий как-то смещен в сторону системного чипсета, а у AMD примерный паритет (и по PCI-E линиям CPU Ryzen даже покруче).
Процессоры Ryzen 3000 поддерживают 4 порта USB 3,2 Gen2, 24 линии ввода-вывода (включая PCI-E 4.0), но 4 линии из них идут на взаимодействие с X570, еще 16 линий — это PCI-E слоты для видеокарт. Осталось 4 линии: они могут конфигурироваться производителями материнских плат на выбор (либо-либо):
- работа одного NVMe накопителя х4 (высокоскоростной PCI-E 4.0)
- два SATA-порта по х1 + 1 порт NVMe x2
- два порта NVMe x2
В свою очередь чипсет X570 поддерживает 8 портов USB 3.2 Gen2, 4 порта USB 2.0, 4 порта SATA и 20 линий ввода-вывода, из которых опять же 4 нужны для связи с CPU (суммарный линк х8). Остальные линии могут свободно конфигурироваться.
Таким образом в сумме от тандема X570+Ryzen 3000 мы получаем:
- 16 PCI-E 4.0 линий для видеокарт (от процессора);
- 12 портов USB 3.2 Gen2 (4 от процессора, 8 от чипсета);
- 4 порта USB 2.0 (от чипсета);
- 4 порта SATA 6Гбит/с (от чипсета)
- 20 PCI-E 4.0 линий (4 от процессора + 16 от чипсета), которые могут образовывать разные варианты комбинаций портов и слотов (в зависимости от производителя материнских плат).
Еще раз надо напомнить, что Asus Prime X570-Pro поддерживает процессоры AMD Ryzen 2-го и 3-го поколений, выполненные под разъем (сокет) AM4.
Для установки модулей памяти на плате Asus имеется четыре DIMM-слота (для работы памяти в Dual Channel в случае использования всего 2 модулей их следует устанавливать в А2 и B2). Плата поддерживает небуферизованную память DDR4 (non-EСС), а максимальный объем памяти составляет 128 ГБ (при использовании UDIMM последнего поколения по 32 ГБ). Разумеется, поддерживаются профили XMP.
Слоты DIMM не имеют металлизированных защит, что еще раз говорит о том, что плата не относится к топовым.
Периферийная функциональность: PCI-E, SATA, разные «прибамбасы»
Выше мы изучили потенциальные возможности тандема X570+Ryzen 3000, а теперь посмотрим, что из этого и как реализовано в данной материнской плате.

Начнем со слотов PCI-E.
На плате есть 6 слотов: 3 PCI-E x16 (для видеокарт или других устройств) и 3 PCI-E x1.
У процессора есть 16 линий PCI-E 4.0, они идут только на два верхних слота PCI-E x16, третий «длинный» слот получает 4 линии от системного чипсета. Вот так выглядит схема распределения:
То есть полноценно получит 16 линий PCI-E только одиночная видеокарта, а если установить две видеокарты, объединив из в Nvidia SLI или AMD /CrossFire, то процессор выдаст уже по 8 линий PCI-E на каждый слот. А если уже кому-то очень захочется заполучить комбинацию из трех видеокарт (на сегодня это актуально только для технологии AMD CrossFireX), то по 8 линий получат только первые две карты, а третья карты получит 4 линии от чипсета. Собственно, третий слот PCI-Ex16 (по общему счету — шестой) всегда получает х4 от X570 (работает независимо от наличия/отсутствия видеокарт в первых двух). Сильно ли это снижение количества линий на каждый слот ударит по производительности в целом? В случае двух карт — ощутимо, но не так уж сильно. С учетом не так давно введенного NV Link, у видеокарт Nvidia, соединенных мостами, потери, возможно, вообще будут неощутимы. А вот целесообразность установки в такую систему трех карт одновременно находится под большим вопросом.
Распределением линий PCI-E между слотами в случае использования более одной видеокарты занимаются мультиплексоры PI3EQX16 от Pericom.
Первые два слота PCI-E x16 имеют металлические «кожухи» и дополнительные точки пайки. Общеизвестно, что такая технология призвана увеличить срок службы слотов, а также подобная защита предохраняет слоты от электромагнитных помех.
Следует особо отметить, что первый PCI-E слот расположен поодаль от сокета, что позволяет легко смонтировать СО любого уровня и класса. Надо также сказать, что первый после PCI-Ex16 слот PCI-Ex1 (второй по общему счету) может быть будет недоступен, если используется видеокарта шириной более, чем 2 слота. Однако с учетом наличия трех PCI-E x1, вышеупомянутый минус практически нивелирован.
Идем дальше. На очереди — накопители.
Всего у платы 6 разъемов Serial ATA 6 Гбит/с + 2 слота для накопителей в форм-факторе M.2.
Все 6 портов SATA600 реализованы через чипсет X570.
Слоты M.2 поддерживают все современные типы накопителей этого форм-фактора, с интерфейсами PCI-E и SATA.
Оба слота одинаковые и поддерживают M.2-модули любой длины (до 22100 включительно).
Стоит особо отметить, что при установке накопителей в слот M.2_1 (верхний) с интерфейсом PCI-E в случае использования Ryzen 3000 будет поддержка PCI-E 4.0 — этот слот обслуживается процессором. При Ryzen 2xxx — PCI-E 3.0. Второй слот M.2_2 обслуживается системным чипсетом Х570, поэтому всегда имеет поддержку PCI-E 4.0.
Портов ввода-вывода у чипсета с процессором на всех хватает, поэтому надобности делить аппаратные ресурсы между устройствами нет.
Теперь о «фенечках», то есть «прибамбасах». На этой плате тоже они есть, хоть и мало. Кнопка питания имеется и расположена около основного разъема питания платы.
Если вдруг случился сбой из-за неверно выставленных параметров работы материнской платы, то для сброса настроек CMOS имеются два пина.
У материнской платы имеются световые индикаторы, сообщающие о проблемах с тем или иным компонентом системы.

Если после включения компьютера к моменту перехода на загрузку ОС все индикаторы погасли, то проблем нет.

Продолжая разговор о световых индикаторах, надо упомянуть и возможности материнской платы по подключению RGB-подсветки. Имеется три разъема для подключения любых устройств этого плана: 1 разъем для подключения адресуемых (5 B 3 A, до 15 Вт) RGB-лент/устройств, 2 разъема неадресуемых (12 В 3 А, до 36 Вт) RGB-лент/устройств. Сверху на плате имеются два неадресуемых разъема 12 В.
Внизу платы есть разъем для подключения адресуемой ARGB-подсветки:

Контроль по синхронизации работы подсветки возложен на чип Aura 50Q (не удалось выяснить, как оригинально назывался чип и кто его производитель)
Разумеется, есть и традиционный набор штырьков FPanel для подключения проводов к передней (а сейчас уже часто и верхней или боковой или все это сразу) панели корпуса.

Чтобы было проще устанавливать гнезда в нужные пины, в комплекте поставки есть этакий удлинитель (адаптер) передней панели — он надевается на гнездо FPanel на плате.
Также на плате имеется фирменный разъем Node: для подключения совместимых блоков питания (мониторинг напряжений, оборотов вентилятора и прочих функций).

Порт Node подписан и он рядом с USB. Также неподалеку и COM-порт.
Для размещения прошивки UEFI/BIOS использована микросхема Winbond.
Также имеется не менее фирменная микросхема TPU — контроллер для программного управления частотами работы (короче, для разгона. Все же, несмотря на «prime», некоторые оверклокерские возможности плата имеет).
Периферийная функциональность: USB-порты, сетевые интерфейсы, ввод-вывод
Продолжаем рассматривать периферию. Теперь на очереди USB-порты. И начнем с задней панели, куда выведены большинство из них.
Как говорилось выше, чипсет X570 способен реализовать 12 портов USB, а процессор Ryzen 3000 — 4, то есть суммарно способны реализовать 16 выделенных портов USB всех типов (из них 12 — USB 3.2 Gen2, 4 — USB 2.0), а также есть 20 PCI-E 4.0 линий, из которых также можно сформировать дополнительные порты.
А что мы имеем? Всего на материнской плате — 15 портов USB (даже остался свободным ресурс на 1 порт ):
- 5 портов USB 3.2 Gen2 (самые быстрые на сегодня): все реализованы через X570 и представлены 1 внутренним портом Type-C (для подключения такого же разъема на передней панели корпуса), 1 портом Type-C и 3 портами Type-A (голубые) на задней панели;
- 6 портов USB 3.2 Gen1: 4 из них реализованы через CPU Ryzen 3000/2xxx и представлены на задней панели 4 портами Type-A (синие); остальные 2 реализованы через X570 и представлены внутренним разъемом на материнской плате на 2 порта;
- 4 порта USB 2.0/1.1 реализованы через X570 и представлены 2 внутренними разъемами (каждый на 2 порта).
Итак, через чипсет X570 реализовано 5 USB 3.2 Gen2 + 2 USB 3.2 Gen1 + 4 USB 2.0 = 11 портов. То есть возможности X570 использованы почти по максимуму (минус 1 порт). Через процессор Ryzen 3000 реализовано 4 USB 3.2 Gen1 порта.
Оба порта Type-C (USB 3.2 Gen2) усилены возможностями быстрой зарядки с помощью дополнительных контроллеров от ASMedia:
Теперь о сетевых делах.
Материнская плата оснащена средствами связи очень просто. Имеется лишь один Ethernet-контроллер: традиционный гигабитный Intel I211-AT, способный работать по стандарту 1 Гбит/с.
Несмотря на то, что фирменная система защиты сетевых соединений Asus LanGuard относится к топовой серии ROG, ею оснастили и эту плату.
Проверить реальную пользу этой технологии не удалось, отзывы в Сети о ней — противоречивые.
Теперь про блок ввода-вывода, разъемы для подключения вентиляторов и т. п. Мы имеем 7 разъемов для вентиляторов, правда при этом они распределены как-то «кучкообразно»: три сверху, три снизу, и один посредине. Хотя в целом нормально: не потребуется тянуть кабели от вентиляторов через всю материнку.
Так что возможности Asus Prime X570-Pro в плане охлаждения реализованы хорошо (несмотря на среднебюджетность опять же). Все вентиляторы могут управляться как через ШИМ, так и банальным изменением напряжения/тока. Для этого можно воспользоваться настройками UEFI/BIOS.
Для всех этих целей (мониторинг, Multi I/O) имеется контроллер Nuvoton.
Также у данной материнской платы есть и стандартные видеовыходы (HDMI и DP), ведь у ряда Ryzen 2xxx имеется встроенное видеоядро (и на подходе Ryzen 3000 с интегрированной графикой). Реализация HDMI 2.0b (для вывода в формате до 4К@60Hz) поддерживается контроллером от ITE.
Заглушка, традиционно надеваемая на заднюю панель, в данном случае уже надета, и изнутри экранирована для снижения электромагнитных помех.
Аудиоподсистема
Как и практически во всех современных материнских платах, звуком заведует аудиокодек Realtek ALC1220. Он обеспечивает вывод звука по схемам до 7.1. Традиционно на платах Asus эту микросхему прикрывают фирменным металлическим «колпачком» (где-то читал даже, что декларируется как защита от внешних электромагнитных помех).
В аудиоцепях платы применяются «аудиофильские» конденсаторы Nippon Chemi-con. Аудиотракт вынесен на угловую часть платы, не пересекается с другими элементами.
Более того, левый и правый каналы тракта разведены по разным слоям печатной платы. Никаких иных улучшений или особенностей аудиосистема не имеет (опять же по соответствию с ценовым сегментом). В целом это стандартная аудиоподсистема, опять-таки способная удовлетворить запросы большинства пользователей, не ожидающих от звука на материнской плате чудес.
Для тестирования выходного звукового тракта, предназначенного для подключения наушников или внешней акустики, мы использовали внешнюю звуковую карту Creative E-MU 0202 USB в сочетании с утилитой RightMark Audio Analyzer 6.4.5. Тестирование проводилось для режима стерео, 24-бит/44,1 кГц. По результатам тестирования аудиотракт на плате получил оценку «Хорошо».
Питание, охлаждение
Для питания платы на ней предусмотрены 3 разъема: в дополнение к 24-контактному ATX здесь есть еще два ATX12V (8 контактов и 4 контакта).
Система питания весьма внушительная, однако явно не топовая (последняя предусматривает 24+8+8).
Внешне схема питания выглядит как 12+2: 12 фаз — ядро процессора, 2 фазы — SoC (I/O-чиплет Ryzen).
Управляет фазами цифровой контроллер Digi+ EPU ASP1106 (традиционно входящий в схему Asus VRM, есть предположение, что это перемаркированный Richtek 8877C), а он вообще-то рассчитан всего на схему 4+2 фазы максимум.
Положим, 2 фазы питания блока I/O являются честными, то на питание ядра — всего 4 фазы у контроллера при наличии физических 12 сборок! Это ж уже не удвоители, а утроители фаз нужны! Но их нет! Так что с первого взгляда получаем 4 фазы на VCore, но каждая из них — «шварцнеггер» по питанию: имеет три суперферритовые катушки и три транзисторные сборки SIC639 (Vishay Intertechnology). Asus утверждает, что тут задействована хитрая схема через программное управление «деления» фаз. Помните, выше я показывал контроллер TPU, отвечающий за дополнительное управление частотами и прочим. Вот именно через него и задействована данная схема (по утверждению производителя). В реальности скорее всего просто каждая фаза из 4х имеет по три набора элементов (как я выше указал), то есть просто параллельно. А как этим всем может заведовать TPU – ну закрыто завесой секретности.
У модулей оперативной памяти все проще: однофазная система питания.
Теперь про охлаждение.
Все потенциально сильно греющиеся элементы имеют свои собственные радиаторы. Как известно, самым горячим звеном в наборе AMD X570 является сам чипсет, поэтому многие производители вынуждены вспомнить про вентиляторы для такого рода микросхем (до того все топовые десктопные продукты (не HEDT) обходились простыми радиаторами). Есть мнение, что партнеры из ASMedia просто не смогли вовремя взяться за создание X570, поэтому его пришлось делать инженерам из самой AMD, потому он и получился таким горячим. :) Общеизвестно, что очень многие системные чипсеты AMD разработаны компанией ASMedia (согласно кросслицензионному соглашению с AMD), и AMD имеет к ним отношение только в плане заказа полупроводникового производства и лейба на кристаллах.
Разработчики из Asus также установили небольшой вентилятор на X570, при этом задали режим его включения при нагреве чипсета больше 50-52 градусов. Если нагрев меньше, то вентилятор выключен (опыт показан, что вентилятор всегда работал: радиатор слишком мал, да и нет целостного большого контура охлаждения, поэтому чипсет легко нагревается).
Следует отметить некоторый минус: вентилятор попадает аккурат под кулер видеокарты (особенно негативно – если кулер у видеокарты массивный и перекрывает доступ воздуха к чипсетному вентилятору).
Остальной набор охлаждающих элементов весьма обычен и привычен.
Как мы видим, охлаждение чипсета идет отдельно от остальных греющихся элементов. Две группы силовых преобразователей имеют свои раздельные радиаторы.
Из двух модулей M.2, как я уже выше отмечал, только у нижнего есть свой радиатор с термоинтерфейсом. Он крепится отдельно от большого чипсетного радиатора.
Над блоком разъемов задней панели установлен пластиковый кожух соответствующего дизайна и с подсветкой, радиаторов там нет.
В целом надо сказать, что система питания очень мощная, выглядит как весьма гибкая, однако в реальности всего 4+2 фазы.
Подсветка
Вообще я был несколько удивлен, увидев весьма богатую схему подсветки у платы из линейки Prime (как-то все же думалось, что россыпи светодиодов по плате — это удел дорогих линеек типа ROG Strix, CrossHair и т. д.). И это было приятным сюрпризом. Более того, по дизайну и стильности данный вариант, смонтированный уже на плате, мне показался одним из лучших, что я видел.
Уже многие знают, что сейчас топовые, да и вот подчас среднебюджетные решения (будь то видеокарта, материнская плата или даже модули памяти) практически все оснащаются красивыми модулями подсветки, положительно влияющими на эстетическое восприятие. В настоящее время моддинг ПК — это не только уже привычно, но и красиво, а подчас притягивает глаз, если все подобрано со вкусом. Кого подсветка раздражает — ее всегда можно выключить.
Кроме того, не забываем, что еще поддерживается подключение светодиодных RGB-лент/устройств к 3 разъемам на самой материнской плате. Управление всем этим комплексом осуществляется через утилиту Asus Aura Sync, которую мы рассмотрим в следующем разделе. Надо сказать, что ряд производителей моддинговых корпусов с уже вмонтированной подсветкой «сертифицируют» поддержку программ ведущих производителей материнских плат, включая Asus.
Программное обеспечение под Windows
Все программное обеспечение можно скачать с сайта производителя asus.com. Основная программа — так сказать, менеджер всего «софта» — это Ai-Suite. Остальные утилиты можно ставить как отдельно, так из Ai-Suite. В частности, так может устанавливаться Asus Aura Sync.
Утилита имеет более десятка вариантов свечения кожуха и радиатора X570 (можно задавать те же режимы подсветки и для остальных элементов системы свечения платы (три разъема RGB/ARGB). Позволительно выбрать режим свечения как для отдельных элементов, так и для всей группы в целом. Ну и, разумеется, можно выключить подсветку вообще. Программа распознает многие элементы с RGB от иных производителей (подсветки блоков питания, накопителей (при условии наличия какой-либо связи по USB, модулей памяти (здесь просто программа распознает производителя/модель)).
Выше в видеоролике и на фото мы уже демонстрировали всю эту красоту.
Но основным элементом Ai-Suite является Dual Intelligent Processors 5 — программа настройки работы всей платы по частотам, вентиляторам и напряжениям.
Выше при изучении VRM я писал о необычной схеме питания с 12ю сборками для VCore и наличием ШИМ-контроллера, умеющего работать всего с 4 фазами. Наличие дополнительного контроллера TPU дает возможность программно выставлять режимы питания.
Можно в основном меню просто выбирать пресеты, тогда утилита автоматически все выставит.
Не менее интересным и нужным является система управления вентиляторами (которых может быть подключено до 7 штук).
Точно также можно использовать пресеты, а можно вручную задать кривые по работе вентиляторов. Вообще то, что у данной материнки есть такие мощные инструменты настроек, говорит о том, что она явно тянет в топовый сегмент.
Настройки BIOS
Все современные платы сейчас имеют UEFI (Unified Extensible Firmware Interface), которые, по сути, являются операционными системами в миниатюре. Для входа в настройки при загрузке ПК традиционно надо нажать клавишу Del или F2.
По умолчанию система предлагает «простое» меню для тонкой настройки, но можно нажать F7 и попасть в «продвинутое» меню.
Основные разделы «продвинутого» меню касаются общих установок работы материнской платы, настроек разгона, возможности обновления прошивки BIOS (уже через программный интерфейс), просмотра состояния платы (мониторинга), записи-чтения профилей, в которых занесены установки по разгонам, также имеются: настройщик автоматического разгона, программа по настройки работы вентиляторов (аналогично той «софтине», о которой рассказал выше).
Закладка мониторинга не только просто демонстрирует температуры и частоты вращения вентиляторов, но и дает возможность управлять работой вентиляторов: на плате есть 7 разъемов для подключения оных. И каждый из них имеет возможность управления из BIOS (можно выставить режим контроля: через ШИМ или напрямую), также можно наглядно выставить контрольные точки работы вентиляторов в зависимости от нагрева.
Общие настройки работы системы не сильно отличаются от общепринятых во всех BIOS последних лет.



Про CSM (Compatibility Support Module — блок совместимости со старыми устройствами) уже не раз писал. Если CSM выключить, это будет означать, что загрузочный накопитель отформатирован с GPT (все NVMe-накопители поддерживают загрузку только с GPT), загрузка с него пойдет быстрее (по сути, UEFI «передает вахту» Windows 10, даже не меняя заставку). Если же у вас загрузочный накопитель с MBR, то CSM следует включить, тогда будет опрос и запуск загрузки как раньше. Так вот, у плат от Asus по умолчанию CSM всегда выключен, это надо иметь в виду!
Имеется возможность вручную задать режимы работы каждого слота PCI-E и порта USB.


Удивило меня наличие и встроенной утилиты Armoury Crate, которая следит за актуальностью версий всего комплекса ПО и временами обновляет их (настраивается): ведь эта программа также является признаком принадлежности к топовым продуктам Asus. Следует иметь в виду, что установка этой программы по умолчанию включена, поэтому при запуске Windows будет задан вопрос о скачивании и установки утилиты. Удалить ее через Windows станет возможным только если в BIOS ее отключить (надо это помнить!).
Настроек по разгону не так много, как обычно бывает у самых «продвинутых» и топовых плат, но все достаточно запутанные «дебри». Очевидно, что на то, чтобы все это с умом попробовать, уйдет очень много времени. Однако...
Как уже я говорил ранее, Precision Boost от AMD уже по сути обеспечивает максимум разгона, и программа обслуживания процессоров Ryzen — AMD Ryzen Master наилучшим образом определяет те стабильные максимумы, на которые может выйти тот или иной процессор в конкретных условиях.
Хоть данная плата особо и не предназначена для оверклокинга, но раз есть опции в этом плане, то кратко пройдемся по разгону.
Разгон
Полная конфигурация тестовой системы:
- материнская плата Asus Prime X570-Pro;
- процессор AMD Ryzen 7 3700X 3,6 ГГц;
- оперативная память Corsair UDIMM (CMT32GX4M4C3200C14) 32 ГБ (4×8) DDR4 (XMP 3200 МГц);
- накопитель SSD OCZ TRN100 240 ГБ;
- видеокарта AMD Radeon RX 5700 XT ;
- блок питания Corsair AX1600i (1600 Вт) Вт;
- ЖСО Corsair H115i RGB Platinum 280 ;
- телевизор LG 43UK6750 (43″ 4K HDR);
- клавиатура и мышь Logitech;
- операционная система Windows 10 Pro (v.1903), 64-битная.
Для проверки стабильности разгона я использовал программы:
- AIDA 64 Extreme
- AMD Ryzen Master
- 3DMark Time Spy CPU benchmark
- 3DMark Fire Strike Physics benchmark
- 3DMark Night Raid CPU benchmark
- HWInfo64
- Adobe Premiere CS 2019 (рендеринг видеоролика)
Вот что у нас по умолчанию. Частоты бегают вразнобой по ядрам, просто соблюдается Precision Boost с его лимитами.
Мы видим, что все температурные параметры в норме, а частоты работы ядра «вылетают» далеко выше номинала в 3600 МГц. То есть уже без нашего участия в оверклокинге, процессор работает подчас на прилично высоких частотах. Разумеется, только часть ядер так разгоняется, идет жесткое слежение за нагревом.
Далее можно пробовать разгонять традиционными способами: через фирменную утилиту или через настройки в BIOS. А можно воспользоваться программой AMD Ryzen Master, которая бесплатно раздается самой компанией (утилиту можно скачать с сайта AMD). Ryzen Master предлагает два основных режима использования процессора, и в зависимости от них выставляет нужные параметры работы CPU: Creator Mode и Game Mode. Желающие экспериментов могут создать свои профили и пресеты. Мы же запускаем программу в Game Mode.
Теперь запуск авторазгона. Программа перезагружает ПК и запускает внутренние тесты проверки.
При этом прогоняем все тесты. Нагружаем очень жестким тестом рендеринга с помощью Adobe Premiere CS 2019, а также CPU-тесты из пакета 3DMark. Задача хорошо прогрузила все ядра процессора, однако максимальная частота смогла вырасти до 4.0+ ГГц. Разумеется, перед запуском тестов режим работы ЖСО был выставлен на максимум.
Прекрасно видно, что Ryzen Master перестраховался и выставил недостаточно высокие частоты, хотя очень может быть, что в момент тестирования СО не вошла в максимальный режим (ПО от Corsair несколько странное, живет своей жизнью).
Поэтому вручную выставил 4.3 ГГц на всех ядрах через тот же Ryzen Master. И загрузил не только вышеупомянутыми программами, но еще и стресс-тестом из AIDA64.
Вот это уже другое дело! Все ядра заняли нужные позиции по частотам, и что мы видим? Даже при очень активном охлаждении через отличную «водянку» все равно температура на процессоре поднимается уже к критическим... Да, пока термопакет не сработал, и Precision Boost не «шмякнул» по частотам, но... Хотя в принципе, это были стрессовые тесты. Потом играл на этих же частотах 4.3 ГГц в ту же Shadow Of The Tomb Raider, нагрев CPU был не выше 65С. То есть в целом нормально.
Пойдем выше? — Берем 4,4 ГГц. Да, против номинальных 3,6 — это просто «уххх». Стресс-тесты показали примерно такую же картину, нагрев процессора до 95 С, иногда включался лимит по термопакету, который чуть сбрасывал частоты. А если запустить обычные тесты?
.. то мы видим, что и экстремального нагрева нет. То есть зачет. Мерять — на сколько там больше производительности мы получили, я не стал. Ну надо же это все оставлять для материнских плат более высокого уровня. Хотя и по умолчанию авторазгон от AMD уже дает прилично. И вообще, не уверен, что кто-то будет искать — как выключить авторазгоны, чтобы процессор работал только на своей штатной частоте.
Надо отметить очень эффективную работу системы охлаждения материнской платы, температуры VRM, чипсета были в пределах разумного, вентилятор на X570 работал всегда, однако шум от него можно было услышать только если приложить уху ближе к радиатору.
Выводы
Плату Asus Prime X570-Pro можно назвать относительно недорогой для решений на базе топового чипсета AMD X570, но все-таки на момент подготовки обзора она имела цену около 20 тысяч рублей, и для многих это будет чрезмерно дорого. Но тут надо понимать, что топовый чипсет никто не будет ставить в дешевые материнские платы, а бюджетных чипсетов для Ryzen 3000 компания AMD пока еще не представила. Поэтому если кто-то хочет уже сегодня получать выигрыш от полноскоростного PCI-E 4.0, придется покупать материнскую плату на чипсете X570. А среди относительно недорогих моделей этой группы рассмотренная плата выглядит очень хорошим выбором.
У нее отменная функциональность: 15 портов USB всех калибров, два «защищенных» слота PCI-E x16, два «длинных» слота M.2 (поддерживающих модули с интерфейсом как PCI-E 4.0, так и SATA). Стоит отметить очень хорошую систему питания (явно не бюджетного уровня), дающую ощутимый запас для разгона и обеспечивающую гибкие возможности регулирования напряжений (программа AMD Ryzen Master тестирует это при запуске режима разгона). 7 разъемов для вентиляторов позволяют организовать какую угодно систему охлаждения ПК, при этом есть гибкая система контроля за работой каждого вентилятора! Еще в плюсы надо добавить неожиданно красивую подсветку самой платы, включая широкие возможности для подключения дополнительных RGB-устройств. Можно упомянуть и поддержку быстрой зарядки мобильных гаджетов через порты USB Type-C. Поддержка со стороны программного обеспечения также хороша. Имеется и минус: расположение чипсетного вентилятора, попадающего прямо под кулеры массивных видеокарт, что может привести к затрудненному попаданию воздуха к вентилятору, что может вызвать как перегрев X570, так и повышенный шум вентилятора на нем.
Плата получилась очень интересной и, как мне кажется, даже немного затмевает более дорогие варианты (в том числе и самой Asus): ведь при вдвое меньшей стоимости (по сравнению с топовыми продуктами на Х570) мы получаем отличную функциональность! Но не будем спешить. Во-первых, мы пока еще изучили достаточно мало плат на Х570 и не можем сказать, какова будет их типичная функциональность. Во-вторых, очевидно, что тот же AMD Ryzen Master тщательно «щупает» систему питания и выставляет максимально возможные частоты работы, исходя из возможностей VRM, а это все же, как правило, относится к платам премиального уровня.
Благодарим компанию Asus Russia
и лично Евгения Бычкова
за предоставленную на тестирование плату
Для тестового стенда:
блок питания Corsair AX1600i (1600W) предоставлен компанией Corsair
термопаста Noctua NT-H2 предоставлена компанией Noctua















































































