Технология сканирования BET от UMAX
Как получить в отсканированном изображении максимум подобия оригиналу? Новая технология BET (Bit Enchancement Technology) от UMAX дает ответ на этот вопрос.
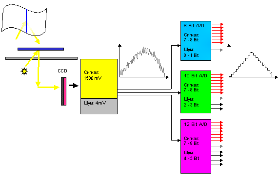
Блок-схема типового «36-бит» SOHO-сканера:

Примечание: Это описание относится к сканерам, построенным по CCD-технологии. Сканеры, построенные по технологии CIS, в этой статье не рассматриваются ввиду их практической непригодности для более-менее качественного полноцветного сканирования (в частности, из-за очень высокого уровня шумов).
Сигнал с CCD-матрицы сканера передается в Аналого-цифровой преобразователь (АЦП), который оцифровывает его в некоторое число разрядов (обычно 8, 10 или 12) для каждого из трех цветов RGB. Суммарное число разрядов (соответственно 24, 30 или 36) широко используется в рекламе и документации в качестве одной из основных характеристик сканера — «Cканер 36-битный? Значит — очень хороший».
Вопрос: сколько бит ПОЛЕЗНОЙ ИНФОРМАЦИИ О ЦВЕТЕ мы при этом получаем?
Причины потери части информации о сканируемом изображении
1. Собственный шум CCD-матрицы и аналого-цифрового преобразователя (АЦП).
Хорошими характеристиками для CCD-матриц сканеров класса SOHO считаются
уровень шума 3-4mV и максимальный уровень выходного сигнала 1500mV.
Соответственно, сигнал с такой CCD-матрицы содержит полезной информации в
количестве, эквивалентном 8—9 бит. (256 < 1500mV / 4mV < 512). В некоторых сканерах
применяются CCD-матрицы с уровнем шума 8mV и даже 10mV, что означает 7—8 бит
полезной информации. Даже для хорошей CCD-матрицы с уровнем шума 3—4mV и
максимальным уровнем выходного сигнала 1500mV получается следующая картина:

Получается, что в дешевых сканерах SOHO класса отношение сигнал-шум CCD-матриц таково, что с увеличением разрядности АЦП выше 8 бит может просто увеличиваться количество младших бит, наполненных шумом. При этом АЦП дешевых «36 бит» сканеров зачастую имеют высокий уровень собственного шума, что дополнительно уменьшает количество полезной информации.
2. Цифровые преобразования информации в процессе коррекции в контроллере
сканера и программе сканирования.
После оцифровки цветовой информации в АЦП на каждом этапе дальнейших
преобразований в контроллере сканера и программе сканирования —
гамма-коррекции, коррекции по цветовому профилю, цветокоррекции, наложению
фильтров в программе сканирования — еще большее количество младших разрядов
перестают содержать полезную информацию. Это явление имеет чисто
математическую природу — при операциях сложения и умножения, выполняемых над
дискретными (оцифрованными) данными, в младших разрядах накапливаются
погрешности вычислений.
ВЫВОДЫ:
- Полученная от сканера стандартной конструкции информация о цвете точки содержит меньше разрядов полезной информации, чем заявленная производителем «разрядность сканера» — часть разрядов «съедают» собственные шумы электронных компонентов и математические погрешности, накапливающиеся в процессе выполнения гамма-коррекции и других цифровых преобразований.
- Полезной информации о цвете точки может быть получено менее чем 24 бит даже при 36 бит «внутренней разрядности сканера» и хорошем качестве CCD-матрицы. Это происходит в тех случаях, когда часть цифровых преобразований выполняется в программе сканирования, а разрядность передаваемых в компьютер данных ограничена 24 бит (именно так обстоят дела для большинства SOHO-сканеров).
Bit Enhancement Technology
Оригинальное решение данной проблемы после долгих исследований нашла и
реализовала в новейших моделях своих сканеров фирма UMAX. После создания
уже ставшей легендарной среди дизайнеров модели SuperVista S12 с аналоговой
гамма коррекцией, UMAX разработала уникальную технологию, именуемую Bit
Enhancement Technology (BET). Эта технология заключается в очистке полезного
сигнала от шумов CCD-линейки и АЦП с помощью построенного на основе
запатентованного алгоритма 48-битного цифрового фильтра и выполнении
гамма-коррекции в 48-битном пространстве, что позволяет после отсечения младших
разрядов, уже не содержащих полезную информацию, получить 36 «чистых» бит
цвета.

Блок-схема сканера UMAX с Bit Enhancement Technology.

Хорошая новость: технология BET теперь применяется не только в мощных полиграфических сканерах UMAX PowerLook III и PowerLook 3000, но и в серии SOHO-сканеров UMAX Astra 1220 : Astra 1220S, Astra 1220P, Astra 1220U, Astra 2400S, Astra 1200S.
BET — сравнение результатов сканирования
Технология BET обеспечивает увеличение динамического диапазона, уменьшение
общего шума, эффекта «пикселизации» и обеспечивает более гладкую тональную
кривую на гистограмме даже при использовании корректирующих фильтров.
Отсканированное полноцветное изображение содержит больше деталей, особенно в
тенях, а цветовые переходы выглядят более естественными и плавными.
| С использованием BET | Без использования BET |
|---|---|
![]() |
![]() |
Результат сканирования с BET:
|
Результат сканирования без BET:
|
Оба изображения — непосредственные результаты сканирования, уменьшенные до ширины 300 пикселей с разрешением 300 dpi. Качество изображений не улучшалось ни в какой программе обработки изображений
Теперь у вас есть дополнительный повод для раздумий при выборе сканера. Решать все равно вам.
| Дополнительно |





