В разделе по материнским платам мы процессоры не тестируем, поэтому если кого интересует обзор непосредственно процессоров 12-го поколения от Intel, то имеется материал нашего автора Андрея Кожемяко. А здесь мы изучаем особенности той или иной материнской платы.
Не так давно мы изучали флагманский продукт от Gigabyte под брендом Aorus — Gigabyte Z690 Aorus Xtreme. Стоит напомнить, что Aorus означает — все самое навороченное и топовое среди ассортимента продуктов Gigabyte для ПК. А само слово Aorus появилось от древнеегипетского бога Horus, покровителя неба и охоты, имевшего вид человека с головой сокола, поэтому логотип Aorus стилизован именно под голову этой хищной птицы.
И вот, сегодня у нас так сказать, премиум — версия той и без того флагманской матплаты. И если той материнки суффикс Xtreme уже говорил о том, что это высший продукт на базе Intel Z690, то материнская плата Gigabyte Z690 Aorus Xtreme Waterforce, — по сути полный аналог, но в комплекте с водоблоком для использования вместе с кастомной системой жидкостного охлаждения, то есть самый дорогой продукт из материнских плат этой компании. Обычно платы такого уровня имеют не только богатый набор периферии, но и обладают роскошным комплектом поставки,... а также ценой, сравнимой со стоимостью целого нового игрового ПК (хоть и средне-минимального уровня).
Давайте посмотрим на чудо.
Gigabyte Z690 Aorus Xtreme Waterforce поставляется в коробке просто колоссальных размеров (в плане толщины), ну которые, кстати, весьма гармонируют с ее весом. Внутри коробки есть еще несколько «суб»-коробок.
Собственно, плата и ее «близкий» комплект — в большой коробке, которая тоже имеет ручку (внутри по сути родственная плата — Gigabyte Z690 Aorus Xtreme, та, что без водоблока, однако не просто копия, а со своими нюансами). Мигрирующий от одного к другому комплекту ряда премиальных плат Aorus RGB Fan Commander имеется и здесь. Я уже рассказывал о нем при изучении Gigabyte Z390 Aorus Xtreme, расскажу еще раз и здесь (ниже). Ну и в третьей коробке — сам водоблок. Называемый как Aorus All-in-One Monoblock. Реально крутая штука: до монтажа на плату можно использовать как гантель.
Комплект поставки распределен по многочисленным коробочкам под матплатой и вполне соответствует флагманскому продукту. Кроме традиционных элементов типа руководства пользователя и кабелей SATA, имеются: две антенны встроенного Wi-Fi/BT-модуля, винтики для М.2 слотов, адаптеры для подключения подсветок, USB-портов и передней панели (плюс фирменный G-connector для той же передней панели), ARGB-крышка для слотов памяти, ЦАП USB ESSential HiFi, два термодатчика, бонусные стикеры, накопитель типа «флешки».
Второй раз вижу такого рода чехол для модулей памяти -). В целом идея понятна: первое время на рынке DDR5 будет много модулей без подсветки, и поэтому для тех, кто привык к оной, есть вот такой вариант. Правда есть сомнения в практичности. Но об этом позже.


Несмотря на то, что ПО имеется на поставляемом с платой flash-накопителе, его все же следует обновить с вебсайта компании.
Водоблок (называемый производителем как «моноблок») имеет свой комплект поставки (набор крепежа и запасных термопрокладок), о нем будет рассказано в разделе охлаждения.
«Заглушка» на заднюю панель с разъемами уже смонтирована на самой плате.
Форм-фактор
Форм-фактор ATX имеет размеры до 305×244 мм, а E-ATX — до 305×330 мм. Материнская плата Gigabyte Z690 Aorus Xtreme Waterforce имеет размеры 305×285 мм, поэтому выполнена в форм-факторе E-ATX, и на ней имеются 9 монтажных отверстий для установки в корпус. Однако следует иметь в виду, что два из девяти монтажных отверстий перекрыты моноблоком.
На оборотной стороне расположено практически ничего нет, кроме одного контроллера и мелкой логики. Текстолит обработан отменно: во всех точках пайки не только острые концы срезаны, но и все отшлифовано. Установлен бэкплейт в виде алюминиевой пластины с наноуглеродным покрытием. Также пластина помогает отводить тепло от задней стороны PCB через термоинтерфейс и обеспечивает жесткость материнской платы. Но я еще раз заострю внимание на том, что такую матплату вряд ли получится установить в корпусе, где в качестве опор для материнских плат используются не привычные всем латунные втулки, а выпрессованные возвышения, которые (по опыту) много шире, нежели выемки в задней пластине у материнки.
Технические характеристики
Традиционная таблица с перечнем функциональных особенностей.
| Поддерживаемые процессоры | Intel Core 12-го поколения |
|---|---|
| Процессорный разъем | LGA 1700 |
| Чипсет | Intel Z690 |
| Память | 4 × DDR5, до 6600 МГц (XMP), до 128 ГБ, два канала |
| Аудиоподсистема | 1 × ESS ES9280A + 2 ЦАП ESS ES9080A (8x8) 1 × USB HiFi ESSential DAC |
| Сетевые контроллеры | 1 × Marvell AQtion AQC113C Ethernet 10,0 Гбит/с 1 × Intel I225-V Ethernet 2,5 Гбит/с 1 × Intel Dual Band Wireless AX210NGW (Wi-Fi 802.11a/b/g/n/ac/ax (2,4/6 ГГц) + Bluetooth 5.2) |
| Thunderbolt | 1 × Intel JHL8540 Thunderbolt 4: 2 × Type-C (TB4 (40 Gb/s), USB 3.2 (20,10 Gb/s)) |
| Слоты расширения | 2 × PCIe 5.0 x16 (режимы x16, x8+x8) 1 × PCIe 4.0 x16 (режим x4) |
| Разъемы для накопителей | 4 × SATA 6 Гбит/с (Z690) 1 × M.2 (CPU, PCIe 4.0 x4 для устройств формата 2260/2280/22110) 2 × M.2 (Z690, PCIe 3.0 x4 для устройств формата 2260/2280/22110) 1 × M.2 (Z690, PCIe 4.0 x4/SATA для устройств формата 2260/2280/22110) |
| USB-порты | 4 × USB 2.0: 2 внутренних разъема на 4 порта (GL850G) 4 × USB 3.2 Gen1: 2 внутренних разъема на 4 порта (Realtek RTS5411) 1 × USB 3.2 Gen2x2: 1 внутренний разъем Type-C (Z690) 4 × USB 3.2 Gen2: 4 порта Type-A (красные) (Realtek RTS5420) 2 × USB 3.2 Gen2: 2 порта Type-C (Thunderbolt4) 6 × USB 3.2 Gen2: 6 портов Type-A (красные) (Z690) |
| Разъемы на задней панели | 2 × USB 3.2 Gen2 (Type-C) 10 × USB 3.2 Gen2 (Type-A) 2 × RJ-45 2 аудиоразъема типа миниджек + S/PDIF 2 антенных разъема кнопка OC Ignition кнопка сброса CMOS кнопка перепрошивки BIOS — Q-Flash Plus |
| Прочие внутренние элементы | 24-контактный разъем питания ATX 2 8-контактный разъем питания EPS12V 1 слот M.2 (E-key), занят адаптером беспроводных сетей 1 разъем для подключения порта USB 3.2 Gen2×2 Type-C 2 разъема для подключения 4 портов USB 3.2 Gen1 1 разъем для адаптера подключения 4 портов USB 2.0 10 разъемов для подключения 4-контактных вентиляторов и помп ЖСО 2 разъема для подключения адаптеров подсветки (каждый обслуживает 1 разъем неадресуемой RGB-ленты и 1 разъем адресуемой ARGB-ленты) 2 разъема для термодатчика 1 разъем для подключения адаптера управления с передней панели корпуса 1 кнопка включения питания Power 1 кнопка перезагрузки Reset |
| Форм-фактор | E-ATX (305×285 мм) |
| Ожидаемая стоимость | точно более 100 тысяч рублей |
Основная функциональность: чипсет, процессор, память
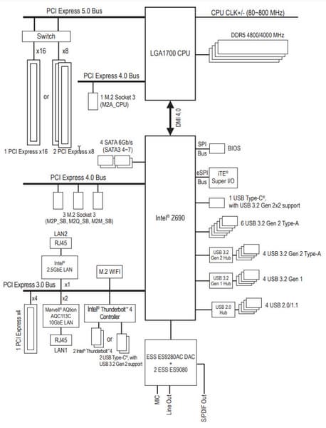
Схема работы связки чипсет+процессор.
Формально имеется поддержка памяти DDR5 до 4800 МГц, однако всем хорошо известно, и производители материнских плат это активно рекламируют: через XMP-профили сейчас можно использовать частоты до 5333 и выше МГц. В частности данная плата поддерживает частоты до 6600 МГц.
Процессоры Intel Core 12-го поколения (совместимые с сокетом LGA1700 и поддерживаемые Z690) имеют 20 линий ввода-вывода (16 PCIe 5.0, 4 PCIe 4.0), не имеют USB и SATA портов. При этом взаимодействие с Z690 идет по особому каналу Digital Media Interface 4.0 (DMI 4.0 x8). Все PCIe линии процессора идут на слоты расширения PCIe и порт М.2. Serial Peripheral Interface (SPI) используется для взаимодействия с системой UEFI/BIOS, а шина Low Pin Count (LPC) — для связи с устройствами ввода/вывода, не требующими высокой пропускной способности (контроллерами вентиляторов, TPM, старой периферии).
В свою очередь чипсет Z690 поддерживает в сумме 38 линий ввода/вывода, которые распределяться могут так:
- до 14 портов USB (из которых до 4 портов USB 3.2 Gen2х2, 10 портов USB 3.2 Gen2, до 10 портов USB 3.2 Gen1, до 14 портов USB 2.0, линии USB 2.0 используются в том числе и для поддержки 3.2 портов, а каждый порт USB 3.2 Gen2х2 требует поддержки со стороны двух USB 3.2 Gen2);
- до 8 портов SATA 6Гбит/с;
- до 28 линий PCIe (16 версии 3.0 и 12 версии 4.0).
Мы уже все усвоили, что матплаты подобные сегодняшней, целиком и полностью поддерживает процессоры Intel Core 12-го поколения, которые можно установить только в разъем (сокет) LGA1700.
Для установки модулей памяти на плате Gigabyte имеется четыре DIMM-слота (для работы памяти в Dual Channel в случае использования всего 2 модулей их следует устанавливать в А2 и B2 (отмечены красным). Плата поддерживает небуферизованную память DDR5 (non-EСС), а максимальный объем памяти составляет 128 ГБ. Разумеется, поддерживаются профили XMP.
Слоты DIMM имеют металлическую окантовку, защищающую их как от физических повреждений (от прогибаний в случае чрезмерных нажатий при установке модулей памяти), как и от помех. Специалисты Gigabyte это называют Ultra Durable SMD DDR5 Memory Armor.

Периферийная функциональность: PCIe, SATA, разные «фенечки»
Выше мы изучили потенциальные возможности тандема Z690+Core, а теперь посмотрим, что из этого и как реализовано в данной материнской плате.

Кроме USB-портов, к которым мы подойдем позже, чипсет Z690 обладает 28 PCIe линиями. Считаем, сколько линий уходит на поддержку (связь) с тем или иным элементом (надо учитывать, что 28 линий не единой версии, а 12 линий PCIe 4.0 и 16 линий PCIe 3.0):
- Слот PCIe x16_3 (4 линии PCIe 3.0;
- порты SATA_1/2/3/4: 4 линии PCIe 3.0;
- Слот M2P_SB (4 линии PCIe 4.0);
- Слот M2Q_SB (4 линии PCIe 4.0);
- Слот M2M_SB (4 линии PCIe 4.0);
- Marvel AQC113 (Ethernet 10Gb/s) (1 линия PCIe 3.0);
- Intel Thunderbolt 4 (4 линии PCIe 3.0);
- Intel i225-V (Ethernet 2,5Gb/s) (1 линия PCIe 3.0);
- Intel AX210NGW WIFI/BT (Wireless) (1 линия PCIe 3.0)
27 линий PCIe оказались занятыми (12 PCIe 4.0 + 15 PCIe 3.0). В чипсете Z690 связь с аудиокодеками идет через USB-порт. Также один USB 2.0 расходуется на поддержку BT (при наличии слота M.2 (key E) и контроллеры GL850G, RTS5411 и RTS5420 для своих нужд использует сигнальные линии USB 2.0 Детально об этом ниже в разделе USB-портов.
Теперь посмотрим выше на то, как работают процессоры в данной конфигурации. У CPU 12-го поколения всего 20 линий PCIe, 4 из них версии PCIe 4.0 отведены на порт М.2 (M2_1). Оставшиеся 16 линий PCIe 5.0 надо делить на два слота PCIe x16 (_1 и _2). Вариантов переключения несколько:
- Слот PCIe x16_1 имеет 16 линий (слот PCIe x16_2 отключен, всего одна видеокарта);
- Слот PCIe x16_1 имеет 8 линий, слот PCIe x16_2 имеет 8 линий
Надо особо отметить, что в случае установки видеокарты в PCIe x16_2 при пустом PCIe x16_1, оба они все равно получают по 8 линий.
Теперь в целом про слоты PCIe.
Всего на плате есть 3 слота: два PCIe x16 (для видеокарт или других устройств) и один PCIe x16 (но фактически имеющий 4 линии). Если про первые два PCIe x16 я выше уже рассказал (они подключены к CPU), то PCIe x16_3 подключен к Z690 и работающий в режиме х4.
Как видим, перераспределение линий PCIe между слотами у этой материнки имеется, поэтому востребованы мультиплексоры Lerain.
Все три слота PCIe x16 имеют металлическое армирование из нержавеющей стали, которое увеличивает их надежность (что может быть важным в случае довольно частой смены видеокарт, но что более важно: такой слот легче выдержит нагрузку на изгиб в случае установки очень тяжелой видеокарты топового уровня. Кроме того, такая защита предохраняет слоты от электромагнитных помех.
Для поддержания стабильных частот на шине PCIe (и для нужд оверклокеров) имеется внешний тактовый генератор.
А также имеются усилители (ре-драйверы) сигнала PCIe 4.0 от Diodes Inc.
На очереди — накопители.
Всего у платы 4 разъема Serial ATA 6 Гбит/с + 4 слота для накопителей в форм-факторе M.2. Порты SATA странно промаркированы, начиная с 4 (4, 5, 6, 7), реализованы через чипсет Z690 и поддерживают создание RAID.
Материнская плата имеет 4 гнезда форм-фактора М.2.
Второй, третий и четвертый слоты M.2 (M2P_SB, M2Q_SB, M2M_SB) получают данные от чипсета Z690 (PCIe 4.0), а первый M2A_CPU — от CPU (PCIe 4.0). При этом только М2M_SB поддерживает модули с любым интерфейсом, а все остальные работают с модулями только с PCIe интерфейсом.
Все слоты М.2 поддерживают размеры модулей 2260/2280/22110. На всех M.2 можно организовать RAID, а также использовать для Intel Optane Memory.
Все M.2 слоты покрываются единым водоблоком (моноблоком), поэтому имеют полноценное охлаждение.
Периферийная функциональность: USB-порты, сетевые интерфейсы, ввод-вывод
Теперь на очереди USB-порты и прочие вводы-выводы. И начнем с задней панели, куда выведены большинство из них.
Повторим: чипсет Z690 способен реализовать не более 14 портов USB, из которых может быть до 10 портов USB 3.2 Gen1, до 10 портов USB 3.2 Gen2, до 4 портов USB 3.2 Gen2x2, и/или до 14 портов USB 2.0.
Также мы помним и про 28 линий PCIe, которые идут на поддержку накопителей, сетевых и иных контроллеров (я выше уже показал на что и как расходуются 27 линий из 28).
И что мы имеем? Всего на материнской плате — 21 порт USB:
- 1 порт USB 3.2 Gen2x2: реализован с помощью двух линий USB 3.2 Gen2 от Z690 и представлен внутренним портом Type-C (для подключения к соответствующему разъему на передней панели корпуса);
- 12 портов USB 3.2 Gen2: 6 реализованы через Z690 и представлены на задней панели портами Type-A (красного цвета); 4 реализованы через Realtek RTS5420 (на него потрачена 1 линия USB 2.0) и также представлены на задней панели портами Type-A (красного цвета); остальные 2 реализованы через Thunderbolt 4 и также представлены на задней панели портами Type-C;
- 4 порта USB 3.2 Gen1: все реализованы через контроллер Realtek RTS5411 (на него потрачена 1 линия USB 2.0) и представлены двумя внутренними разъемами на материнской плате (каждый на 2 порта);
- 4 портов USB 2.0/1.1: 2 реализованы через контроллер Genesys Logic GL850G (на него потрачена 1 линия USB 2.0), еще 2 реализованы через второй контроллер Genesys Logic GL850G (на него потрачена 1 линия USB 2.0), при этом выводы объединены на правой стороне в общий разъем, к которому подключается прилагаемый к плате адаптер для образования привычных 2х внутренних разъемов (каждый на 2 порта).
Таким образом, у нас 6 контроллеров используют USB линии:
- Genesys Logic GL850G (2 USB 2.0) (1 линия USB 2.0);
- Genesys Logic GL850G (2 USB 2.0) (1 линия USB 2.0);
- Realtek RTS5411 (USB 3.2 Gen1 — два внутренних разъема на 4 порта) (1 линия USB 2.0);
- Realtek RTS5420 (USB 3.2 Gen2 — 4 порта Type-A на задней панели) (1 линия USB 2.0);
- Audio (1 линия USB 2.0);
- Bluetooth (AX210) (1 линия USB 2.0).
Итак, через чипсет Z690 реализовано высокоскоростных портов USB:
- 1 выделенный USB 3.2 Gen2x2 (не в счет, ибо получен засчет других HSIO);
- + 6 выделенных USB 3.2 Gen2
- + 2 USB 3.2 Gen2 на поддержку USB 3.2 Gen2x2
= 8 высокоскоростных портов. Не забываем, что каждый высокоскоростной порт USB обеспечен портом USB 2.0, то есть уже 8 портов USB 2.0 также занято. Плюс 6 портов USB 2.0 на обеспечение контроллеров. Всего 14 USB портов реализовано.
Ну и 27 линий PCIe, выделенных на поддержку иной периферии.
Итого у Z690 в данном случае реализовано 35 высокоскоростных портов из 38.
Все быстрые USB порты Type-C оснащены ре-драйверами от Diodes Inc, дающими устойчивый вольтаж, способный обеспечить быструю зарядку мобильных гаджетов через них.
Как и в случае с младшей сестрой Xtreme, данная материнка имеет Intel Thunderbolt 4, то есть укомплектована соответствующим контроллером на основе Intel JHL8540, который распаян на плате.
И имеет 2 гнезда Type-C для вывода как через протокол TB, так и для использования в качестве USB 3.2 Gen2/1, для чего имеется специальный контроллер от Texas Instruments для преобразования сигнала.
Теперь о сетевых делах.
Материнская плата оснащена средствами связи прекрасно!. У нее есть в наличии два скоростных Ethernet-контроллера. Во-первых, уже хорошо всем знакомый Intel I225-V, способный работать по стандарту 2,5 Гбит/с.
Во-вторых, 10-гигабитный контроллер AQC113 от Marvell.
Плата оснащена и комплексным беспроводным адаптером на контроллере Intel AX-210NGW, через который реализованы Wi-Fi 6E (802.11a/b/g/n/ac/ax) и Bluetooth 5.2. Он установлен в слот M.2 (E-key), и его разъемы для привинчивания выносных антенн выведены на заднюю панель.
Заглушка, традиционно надеваемая на заднюю панель, в данном случае уже надета, и изнутри экранирована для снижения электромагнитных помех.
Аудиоподсистема
Мы знаем, что уже самыми популярными в современных материнских платах звуковыми кодеками являются продукты от Realtek (ALC1220 (7.1, 24 бит / 192 кГц); ALC4080/4082 (7.1, 32 бит / 384 кГц). Но вот уже не в первый раз встречаем, что на матплате применяется собственная разработка Gigabyte в виде отдельной мини-аудио-платы.
Это USB HEX ESSentical GS-BGs карта, подключаемая к основной матплате только по питанию.
Имеет два ЦАП ESS ES9080A для раздельной обработки левого и правого каналов. Тем самым обеспечиваются: отношение сигнал / шум до + 130 дБ SNR и динамический диапазон +122 дБ, максимальная выходная мощность - 32 бит, PCM 384 кГц.
А верховодит всем встроенный 8-канальный аудиокодек ESS HiFi ESS 9280A Pro с динамическим диапазоном до 120 дБ и THD + N -108 дБ, а максимальная выходная мощность составляет до 32 бит, 768 кГц, PCM и DSD512.
У карты два универсальных разъема с позолоченным покрытием по приему и выводу сигналов плюс оптический S/PDIF.
Стоит особо упомянуть про бонус в комплекте поставки: внешний Hi-Fi ЦАП для использования в любом устройстве, имеющем возможность вывода звука через USB Type-C.
Представляет собой небольшое устройство-адаптер, подключаемый через Type-C к устройству вывода звука, на другом конце — 3.5 миниджек для подключения наушников.




Питание, охлаждение
Для питания платы на ней предусмотрены 3 разъема: в дополнение к 24-контактному ATX (он на правой стороне платы (на фото — слева), горизонтально ориентирован) здесь есть еще два 8-контактных EPS12V. Коннекторы имеют металлическую окантовку и надежно защищены от повреждений в случае слишком тугих разъемов от блоков питания, а также оснащены цельнометаллическими контактами, гарантирующих стабильную передачу питания.
Схема питания процессора выполнена по схеме 20+1+2 фаза.
20 фаз на ядро процессора, 1 фаза VCCGT (iGPU) — на интегрированную графику в процессор (даже если нет вывода графики у платы, обеспечивать графическое ядро вольтажом все равно надо) и 2 фазы на VCCIO (VCCAUX) — блок управления контроллером памяти и ввода/вывода.
Каждый канал фазы для VCore и iGPU имеет суперферритовый дроссель и RAA22010540 MOSFET от Renesas на 105 А.
То есть в сумме такая мощнейшая система способна на работу просто с колоссально огромными токами. Управляет схемой VCore+iGPU тандем из двух ШИМ-контроллеров Renesas.


RAA229131 рассчитан на 20 фаз, и именно он управляет вольтажом VCore. Контроллер RAA229130 управляет остальными фазами iGPU и VCCSA (кольцевой шины).
Питание VCCAUX идет по двухфазной схеме c мосфетами (до 70А) и цифровым контроллером от Monolithic Power Systems.
Что касается модулей оперативной памяти, то здесь реализована однофазная схема с силовым преобразователем от On Semi.
Специалисты Gigabyte нам вещают, что данная плата поддерживает работу модулей памяти на частотах до 6600 МГц и выше через профили XMP. Для полноценной поддержки таких (и даже более высоких частот) инженеры спроектировали особую разводку на печатной плате.
Вообще, традиционно уже Gigabyte в материнских платах флагманского уровня использует свою Ultra Durable технологию, предусматривающую удвоенный слой меди в цепях питания и заземления, помогающую не только улучшению прохождения сигналов (удалению помех), но и более эффективное теплорассеивание. Также предусмотрено использование танталовых конденсаторов с оборотной стороны на месте процессорного разъема.
Они отвечают за стабилизацию vCore при внезапных тяжелых операциях процессора (например, чтобы повысить стабильность разгона).
Теперь про охлаждение.Собственно, это ключевая «фишка», а именно огромный водоблок. Уже из заголовка и названия самой матплаты понятно было, что она оснащена водоблоком. Причем не только колоссальных размеров, но и весом в 3 кг (разумеется, сплошная медь, покрытая никелем снаружи).
Хе-хе, в данном случае моя традиционная фраза: «Все потенциально сильно греющиеся элементы имеют свои собственные радиаторы», не имеет смысла.
Единый водоблок охлаждает все! И чипсет Z690, и слоты M.2, и преобразователи питания VRM всех видов, и сетевой контроллер от Marvel, и, разумеется, сам процессор.
Несмотря на приличный вес, водоблок не отличается уж очень большой толщиной. Надо особо отметить, что слоты М.2 оснащаются термоинтерфейсом с обеих сторон.
На месте будущего соприкосновения с крышкой процессора уже не наносится термоинтерфейс в виде пасты, а паста предлагается отдельно в шприце.
Места прижима к мосфетам, Z690 и даже к сетевому контроллеру Marvel AQtion AQC113 имеют мягкий термоинтерфейс. Поэтому элементы термоинтерфейса явно рассчитаны на 1-2 (максимум 3) использования, и в комплекте с водоблоком есть запасной набор этих «серых резинок», как и имеется полный набор крепежа водоблока к матплате.
Как я ранее говорил, управление водоблоком осуществляется через USB-интерфейс, для этого он подключается к материнской через разъем Type-C.
Матплата имеет бэкплейт, заднюю пластину, которая помогает печатной плате не только удерживать жесткость, но и охлаждаться в области силовых преобразователей VRM.
Над задним блоком портов установлен пластиковый кожух соответствующего дизайна, он оснащен подсветкой. А водоблок оснащен небольшим OLED экраном, на который выводится мониторинг состояния платы. Кстати, для его работы не требуется устанавливать отдельное ПО, сопряжением водоблока и матплаты управляет UEFI.
Подсветка
Программное обеспечение под Windows
Настройки BIOS
Работоспособность (и разгон)
Запускаем все в режиме по умолчанию. Затем нагружаем стресс-тестами.
Мы уже много раз видели, как без ручного вмешательства автоматически выставляется 4.9 ГГц по всем P-ядрам, и 3.7 ГГц по всем Е-ядрам — порукой тому прекрасная система питания! Стоит напомнить, что Р-ядра — это обычные всем привычные ядра, имеющие по 2 потока каждый, «Р» — означает Performance, то есть производительные. «Е» — это энергоэффективные ядра, так называемые, малые ядра, у них по 1 потоку.
Сразу же попробуем дотянуться до максимумов и вручную выставить 5.1 ГГц по всем Р-ядрам и 3.9 ГГц по всем Е-ядрам. Но именно только частоты!
Увы, автоматическая регулировка VCore слишком завысила напряжение на процессоре, и как результат, перегрев некоторых ядер, которые уже входили в троттлинг. И даже кастомная СВО никак не спасала положение, несмотря на очень высокие обороты вентиляторов (ну и жуткий вой СО в целом).
Поэтому пришлось также вручную выставить жесткий вольтаж 1,35 В на VCore.
И что? — Прекрасно видно, что частоты остались (5,1 и 3,9 ГГц), при этом перегрев пропал вообще (ну и энергопотребление процессора несколько снизилось). Вот еще раз убедился в том, как важно излишне не завышать напряжение на ядре процессора (ранее много раз сталкивался с подобной проблемой и чаще всего именно на матплатах от Gigabyte).
На таких частотах система проработала весьма долго, все тесты прошли без проблем, включая и рендеринг Adobe Premiere (разумеется, был выбран пресет с использованием только CPU). По сравнению с базовыми частотными характеристиками (при выключенном авторазгоне) прирост производительности в среднем составил 8-10%.
.
Выводы
Материнская плата Gigabyte Z690 Aorus Xtreme Waterforce — самый что ни на есть топовый представитель серии Aorus с соответствующей стоимостью (нам ее сейчас лучше просто не знать). Это не только крайне навороченная плата с поддержкой 12-го поколения процессоров Intel Core, созданная для энтузиастов-оверклокеров и рьяных поклонников игр, но и желанный объект для фанатов ПК с кастомными СВО. Материнская плата имеет 21 USB-порт, включая 12 очень быстрых USB 3.2 Gen2, из которых два поддерживают Thunderbolt 4, а также один самый быстрый USB 3.2 Gen2×2 в виде внутреннего Type-C. Нам также предлагаются 3 слота PCIe х16, два из которых получают от процессора 16 линий PCIe, причем версии 5.0, а третий работает в режиме х4. Для накопителей у платы имеются 4 слота M.2 (один из них подключен напрямую к процессору линиями PCIe 4.0, три других подключены к чипсету Z690 линиями PCIe 4.0) и 4 порта SATA.
Эта модель снабжена 10 разъемами для вентиляторов. Система питания процессора крайне мощная, она способна обеспечить работу любых совместимых процессоров с приличным запасом на разгон. Что касается охлаждения, то плата снабжена огромным водоблоком, подключаемым к кастомной СВО, при этом водоблок накрывает собой каждый потенциально греющийся элемент, включая CPU VRM, накопители в слотах M.2 (термопрокладки для охлаждения накопителей есть с обеих сторон) и скоростной сетевой контроллер Marvel. Кстати, сетевые возможности у платы прекрасные: два быстрых проводных контроллера 10 и 2,5 Гбит/с, а также один самый современный беспроводной. Поддержка Thunderbolt 4 позволяет передавать данные на скорости 40 Гбит/с. В числе плюсов можно упомянуть неплохую подсветку, включая широкие возможности для подключения дополнительных RGB-устройств. Отметим и уникальную аудиоподсистему, включающую Hi-Fi-решение на базе кодеков и ЦАП ЕSS, плюс отдельное USB-устройство также с ЦАП ESS, позволяющее получать очень качественный звук на любом устройстве, где есть USB Type-C.
Разумеется, Gigabyte Z690 Aorus Xtreme Waterforce предлагает широкие возможности для любителей разгона в виде множества настроек в BIOS Setup и фирменных утилитах — лишь бы кулер справлялся.
Обязательно стоит упомянуть и бонус поставки: вышеупомянутый USB-ЦАП ESSential, концентратор Aorus RGB Fan Commander, кожух для организации подсветки блока ОЗУ, USB-флешку и т. д.
Да, конечно, это имиджевый продукт, колоссально дорогой. Конечно, такую материнскую плату не станут покупать в обычный компьютер, чтобы побродить по интернету, немного поиграть и т. п. Эта модель может удостоиться внимания со стороны профессиональных оверклокеров и сборщиков выставочных компьютеров. Также она станет очень приятным подарком для компьютерного энтузиаста (скорее всего, близкого родственника, учитывая стоимость подарка :)), который любит все самое новое, навороченное и крутое.
В номинации «Оригинальный дизайн» плата Gigabyte Z690 Aorus Xtreme Waterforce получила награду:

В номинации «Отличная поставка» плата Gigabyte Z690 Aorus Xtreme Waterforce получила награду:

Благодарим компанию Gigabyte Russia
и лично Марию Ушакову
за предоставленную на тестирование плату
а также Евгения Лесикова
за предоставленный Gigabyte Aorus Gen4 SSD 500G для тестового стенда
Особо благодарим компанию Super Flower
за предоставление блока питания Super Flower Leadex Platinum 2000W













































































































































