Что такое квантовый мультиметр? Создан прибор, обещающий измерения с идеальной точностью
Представьте себе обычный мультиметр — небольшой прибор с проводами и дисплеем, который есть в арсенале любого инженера или просто домашнего мастера. Он измеряет напряжение, силу тока и сопротивление — три кита, на которых держится вся современная электроника. А теперь представьте, что учёные создали его квантового «старшего брата» — устройство, которое делает то же самое, но с точностью, ограниченной лишь фундаментальными законами природы. Звучит как научная фантастика, не так ли? Однако это уже реальность.
Недавно команда из Национального института стандартов и технологий США (NIST) представила именно такой прибор. Это не просто очередное улучшение старой технологии. Это, по сути, переосмысление самого подхода к электрическим измерениям, способное повлиять на всё: от производства микрочипов до медицинской диагностики.
Зачем нам вообще такая точность?
На первый взгляд, может показаться, что существующей точности измерений вполне достаточно. Зачем гоняться за дополнительными нулями после запятой? Ответ кроется в слове «эталон». Вся наша технологическая цивилизация построена на единых, незыблемых стандартах. Килограмм должен быть килограммом и в Париже, и в Токио. Секунда должна длиться одинаково везде. То же самое касается вольта, ампера и ома.
Когда инженеры проектируют процессоры с нанометровыми транзисторами или врачи настраивают аппараты МРТ, малейшее отклонение от эталона может привести к сбоям или неверным диагнозам. До сих пор для калибровки сверхточного оборудования приходилось создавать сложные, громоздкие и дорогие установки — по одной на каждую величину. Новый прибор предлагает элегантное решение «три в одном», что не только упрощает процесс, но и кардинально снижает вероятность ошибки. Мы переходим от сложной системы из нескольких «эталонных линеек» к одному универсальному швейцарскому ножу квантовой точности.
Сердце машины: два квантовых гения в одной коробке
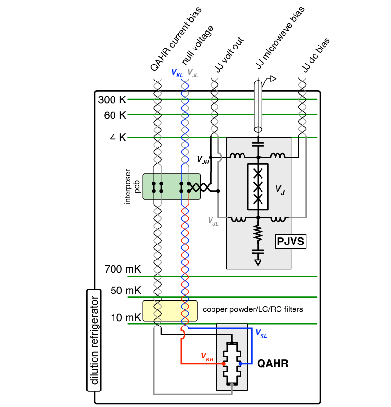
Как же удалось этого добиться? Учёные поместили в один криостат — специальный «холодильник», поддерживающий сверхнизкие температуры, — два удивительных квантовых устройства.
- Программируемый стандарт напряжения на эффекте Джозефсона (PJVS). Если говорить просто, это идеальный генератор напряжения. Основанный на чисто квантовом явлении (так называемом эффекте Джозефсона), он способен выдавать напряжение идеально выверенными, дискретными «порциями». Это не аналоговый регулятор, а своего рода цифровая линейка для вольт, где каждое деление продиктовано фундаментальными константами Вселенной. Ошибиться тут практически невозможно.
- Квантовый аномальный холловский резистор (QAHR). Это его идеальный партнёр для измерения сопротивления. Обычный эффект Холла (возникновение поперечного электрического поля в проводнике под действием магнитного поля) давно используется в датчиках. Но его квантовая версия позволяет получить значение сопротивления, которое также завязано на фундаментальные константы. Оно стабильно и не зависит от дефектов материала или температуры.
Вместе эти два компонента образуют идеальную пару. Зная эталонное напряжение от PJVS и эталонное сопротивление от QAHR, можно по закону Ома (I = V/R) вычислить силу тока с той же невероятной точностью. Просто и гениально.
Непростое соседство: как помирить квантовые противоположности
Конечно, на бумаге всё выглядело гладко. Но в реальности учёные столкнулись с серьёзной проблемой. Классический квантовый холловский резистор требует для работы невероятно сильного внешнего магнитного поля. А эффект Джозефсона, наоборот, чрезвычайно чувствителен к любым магнитным полям — они попросту разрушают его хрупкое квантовое состояние. Это всё равно что пытаться провести нейрохирургическую операцию рядом с работающим адронным коллайдером.
И вот здесь кроется главный прорыв. Команда использовала резистор, основанный на аномальном квантовом эффекте Холла. Благодаря особому топологическому материалу, ему не нужно внешнее магнитное поле! Необходимые для эффекта условия создаются самой внутренней структурой материала. Это позволило двум квантовым системам мирно ужиться в одном криостате, не мешая друг другу. Учёным удалось найти изящное решение, которое ещё несколько лет назад казалось невозможным.
Что дальше? От лаборатории до завода
Пока что это устройство — удел ведущих метрологических институтов и лабораторий. Но его появление — знаковое событие. Во-первых, оно задаёт новый стандарт точности, к которому будет стремиться вся высокотехнологичная промышленность. Производители электроники, медицинского оборудования и научных приборов получат более надёжный инструмент для калибровки своей продукции.
Во-вторых, как справедливо отмечают сами авторы, эта работа — мощный стимул для развития смежных областей. Она подстегнёт материаловедов к поиску новых топологических материалов, а инженеров — к созданию более совершенных и компактных криостатов.
Возможно, через десятилетия компактные версии таких квантовых «мультиметров» станут обычным инструментом в лабораториях и на производствах. Сегодня мы стали свидетелями рождения технологии, которая переводит наши отношения с электричеством на фундаментально новый уровень — уровень, где точность измерений гарантирована самими законами квантовой механики. И это, без преувеличения, маленькая революция.





0 комментариев
Добавить комментарий