Всю детальную информацию о семействах процессоров можно найти в нашем разделе по ним. В скором времени там появится и новый материал о флагмане последнего поколения Intel Core Ultra 2й серии.
А мы продолжаем изучать поступающие на наш рынок материнские платы на базе топового чипсета Intel Z890.
Глянем на таблицу сравнения 4х последних поколений системных чипсетов серии Z.
| Особенности | Z890 | Z790 | Z690 | Z590 |
|---|---|---|---|---|
| Совместимость с процессорами Intel | Core Ultra 2xx | Core 14/13/12 | Core 14/13/12 | Core 11/10 |
| Версия PCIe (процессор) | 4.0 & 5.0 | 4.0 & 5.0 | 4.0 & 5.0 | 3.0 (10 Gen) or 4.0 (11 Gen) |
| Количество линий PCIe (процессор) | 20 версии 5.0 & 4 версии 4.0 = 24 | 16 версии 5.0 & 4 версии 4.0 = 20 | 16 версии 5.0 & 4 версии 4.0 = 20 | 16 (10 Gen) or 20 (11 Gen) |
| Версия PCIe (чипсет) | 4.0 | 3.0 & 4.0 | 3.0 & 4.0 | 3.0 |
| Количество линий PCIe/SATA (чипсет) | 24 версии 4.0 & 8 SATA = 32 | 20 версии 4.0 & 8 версии 3.0 или 8 SATA = 28 | 12 версии 4.0 & 16 версии 3.0 или 8 SATA = 28 | 18 версии 3.0 или 6 SATA = 18 |
| Количество портов SATA 6.0 Gb/s до | 8 | 8 | 8 | 6 |
| Версия DMI | 4.0 | 4.0 | 4.0 | 3.0 |
| Количество линий DMI | x8 | x8 | x8 | x8 |
| Поколение ОЗУ | DDR5 | DDR4 & DDR5 | DDR4 & DDR5 | DDR4 |
| Количество каналов ОЗУ | 2 | 2 | 2 | 2 |
| Максимальное количество слотов ОЗУ | 4 | 4 | 4 | 4 |
| Максимальный объем ОЗУ | 256 ГБ | 256 ГБ DDR5/128 ГБ DDR4 | 256 ГБ DDR5/128 ГБ DDR4 | 128 ГБ |
| Порты USB4 (40Gbps)(процессор) до | 2 | - | - | - |
| Порты USB 3.2 Gen 2x2 (20Gbps) до | 5 | 5 | 4 | 3 |
| Порты USB 3.2 Gen 2x1 (10Gbps) до | 10 | 10 | 10 | 10 |
| Порты USB 3.2 Gen 1x1 (5Gbps) до | 10 | 10 | 10 | 10 |
| Порты USB 2.0 до | 14 | 14 | 14 | 14 |
| Встроенная поддержка Wi-Fi | Wi-Fi 7 | Wi-Fi 7 | Wi-Fi 6E | Wi-Fi 6 |
Снова отметим, что у Z790 порты SATA входят в общее количество линий PCIe (в сумме 28), а у Z890 – 24 линии PCIe 4.0 плюс максимально 8 линий SATA, то есть в сумме чипсет Z890 обладает по сути 32 линиями PCIe, однако 8 линий на порты SATA переконфигурировать под иное использование нельзя (когда как у Z790 просто было 8 линий PCIe 3.0, и они могли расходоваться до 8 портов SATA).
Процессоры Core Ultra обладают в сумме 24 линиями PCIe (из них 20 – версии 5.0, а 4 – версии 4.0), еще имеется и встроенный контроллер Thunderbolt 4, который по сути нам дает 2 порта USB4 (до 40 Гб/с каждый).
В сумме новая платформа LGA1851 (процессор + Z890) дает нам прибавку 8 линий PCIe (относительно платформы LGA1700).
Третьей материнской платой на новом чипсете Z890 и с новым процессорным сокетом LGA1851, попавшей к нам в лабораторию, стал продукт компании MSI, а именно MSI MPG Z890 Carbon WiFi. Эта матплата относится к игровой серии MPG (MSI Performance Gaming), которая стоит на втором месте после MEG (MSI Extremal Gaming). Поэтому данная плата, хоть и топовая, но не флагманского уровня.
MSI MPG Z890 Carbon WiFi поставляется в традиционной коробке фирменного дизайна серии MPG. Комплект размещен под платой в отдельных отсеках.
Надо отметить, что комплект поставки неплох: кроме традиционных элементов типа краткого руководства пользователя и кабелей SATA, имеются антенна встроенного Wi-Fi-модуля, фирменный адаптер для передней панели, бонусные стикеры, ключ для смены держателей в слотах M.2, адаптеры для подключения внешней подсветки, адаптер для подключения СО от MSI через проприетарное гнездо JAF и накопитель типа Flash-drive с ПО.
Несмотра на то, что ПО поставляется, все равно последние версии надо скачивать с вебсайта производителя).
В комплект поставки входит фирменный ключ для смены держателей в слотах M.2 Детали – ниже в разделе по накопителям.
Надо отметить, что также имеется и адаптер для удобного подключения проводов от корпуса к матплате (он выполнен в виде небольшого кабеля).
«Заглушка» на заднюю панель с разъемами уже смонтирована на самой плате.
Форм-фактор
Форм-фактор ATX имеет размеры до 305×244 мм, а E-ATX — до 305×330 мм. Материнская плата MSI MPG Z890 Carbon WiFi имеет размеры 305×244 мм, поэтому выполнена в форм-факторе ATX, и на ней имеются 9 монтажных отверстий для установки в корпус. Однако следует иметь в виду, что одно из девяти монтажных отверстий перекрыто радиатором для слота M.2.
На оборотной стороне расположены традиционные некоторые электронные логические элементы, а также ряд контроллеров. Текстолит обработан неплохо: во всех точках пайки срезаны острые концы. Защитной пластины (бэкплейта) нет.
На тыльной стороне платы отмечены места, в которых при установке материнки в корпус могут быть установлены стойки, чтобы перед монтажом сборщик мог внимательно проверить минимальное количество нужных стоек. А также вокруг крепежных отверстий имеются зоны, подверженные потенциальному повреждению при неудачной установки платы в корпус, но при этом это не скажется на работоспособности матплаты.
Технические характеристики
Традиционная таблица с перечнем функциональных особенностей.
| Поддерживаемые процессоры | Intel Core Ultra 2xx |
|---|---|
| Процессорный разъем | LGA 1851 |
| Чипсет | Intel Z890 |
| Память | 4 × DDR5, до 9200 МТ/с (XMP), до 256 ГБ, два канала (DIMM/CUDIMM) |
| Аудиоподсистема | 1 × Realtek ALC1220 (7.1) + операционный усилитель Savitech SV3H712 |
| Сетевые контроллеры | 1 × Intel Killer E5000B Ethernet 5 Гбит/с 1 × Intel i226-V Ethernet 2,5 Гбит/с 1 × Intel Dual Band Wireless BE200 (Wi-Fi7 802.11a/b/g/n/ac/ax/be (2,4/5/6 ГГц) + Bluetooth 5.4) |
| Слоты расширения | 2 × PCIe 5.0 x16 (режимы x16, x8+x8)* 1 × PCIe 4.0 x16 (режим x4) |
| Разъемы для накопителей | 4 × SATA 6 Гбит/с (Z890) 1 × M.2 (M.2_1, CPU, PCIe 5.0 x4 для устройств формата 2260/2280) 1 × M.2 (M.2_2, CPU, PCIe 4.0 x4 для устройств формата 2260/2280) 1 × M.2 (M.2_3, Z890, PCIe 4.0 x4 для устройств формата 2260/2280) 1 × M.2 (M.2_4, Z890, PCIe 4.0 x4 для устройств формата 2260/2280/22110) 1 × M.2 (M.2_5, Z890, PCIe 4.0 x4/SATA для устройств формата 2260/2280) |
| USB-порты | 4 × USB 2.0: 2 внутренних разъема на 4 порта (GL850G) 4 × USB 3.2 Gen1: 2 внутренних разъема на 4 порта (GL3523) 10 × USB 3.2 Gen2: 10 порта Type-A (красные) (2×RTS5420+Z890) 1 × USB 3.2 Gen2: 1 порт Type-C (Z890) 1 × USB 3.2 Gen2x2: внутренний разъем Type-C (Z890) 2 × USB4: 2 порта Type-C (CPU, Thunderbolt4) |
| Разъемы на задней панели | 2 × USB4 (Type-C) 10 × USB 3.2 Gen2 (Type-A) 1 × USB 3.2 Gen2 (Type-C) 2 × RJ-45 2 аудиоразъема типа миниджек 1 × S/PDIF (оптический, выход) 1 × HDMI (выход) 2 антенных разъема многофункциональная кнопка Smart кнопка сброса CMOS кнопка перепрошивки BIOS — Flash BIOS |
| Прочие внутренние элементы | 24-контактный разъем питания ATX 2 8-контактный разъем питания EPS12V 1 8-контактный разъем питания PCIe 1 слот M.2 (E-key), занят адаптером беспроводных сетей 1 разъем для подключения порта USB 3.2 Gen2x2 Type-C 2 разъема для подключения 4 портов USB 3.2 Gen1 2 разъема для подключения 4 портов USB 2.0 7 разъемов для подключения 4-контактных вентиляторов и помп ЖСО 3 разъема для подключения адресуемой ARGB-ленты 1 разъем для подключения неадресуемой RGB-ленты 1 разъем аудио для передней панели корпуса 1 переключатель подсветки LED_SW 1 разъем для термодатчиков 1 переключатель JOC_FS для загрузки со сниженными параметрами CPU 1 разъем для подключение дискретных карт Thunderbolt5 1 разъем для подключение систем безопасности TPM 1 разъем для подключения управления с передней панели корпуса 1 разъем для подключение проприетарных систем охлаждения от MSI 1 разъем WFLOW для контроля потока жидкости в кастомных СЖО |
| Форм-фактор | ATX (305×244 мм) |
| Розничные предложения |
* - слоты PCIe x16 (PCI_E1 и PCI_E2) делят ресурсы между собой, детали - ниже
Основная функциональность: чипсет, процессор, память

Схема работы связки чипсет+процессор.
Формально имеется поддержка памяти DDR5 до 6400 МТ/с, однако всем хорошо известно, и производители материнских плат это активно рекламируют: через XMP-профили сейчас можно использовать пропускную способность до 8000 и выше МТ/с. В частности данная плата поддерживает ПСП до 9200 МТ/с.
Все процессоры Core Ultra 2xx поддерживают:
- 2 порта USB4 (Thunderbolt 4),
- 20 линий ввода-вывода PCIe 5.0, которые могут конфигурироваться:
- 16 линий + 4 линии (слот PCIe x16 + слот M.2);
- 8 линий + 8 линий + 4 линии (2 слота PCIe x16 в режиме x8 + слот M.2);
- 8 линий + 4 линии + 4 линии + 4 линии (слот PCIe x16 в режиме x8 + 3 слота M.2);
- 4 линии ввода-вывода PCIe 4.0: могут конфигурироваться производителями материнских плат на выбор.
При этом взаимодействие с Z890 идет по особому каналу Digital Media Interface 4.0 (DMI 4.0 x8). Serial Peripheral Interface (SPI) используется для взаимодействия с системой UEFI/BIOS, а шина Low Pin Count (LPC) — для связи с устройствами ввода/вывода, не требующими высокой пропускной способности (контроллерами вентиляторов, TPM, старой периферии). HDA более не используется, связь с аудиокодеками идет с помощью линий USB 2.0.
В свою очередь чипсет Z890 поддерживает в сумме 42 линии ввода/вывода, которые распределяться могут так:
- до 10 портов USB 3.2 Gen1/2 (из которых до 5 портов USB 3.2 Gen2х2), до 14 портов USB 2.0 (из них линии используются в том числе и для поддержки 3.2 портов, а каждый порт USB 3.2 Gen2х2 требует поддержки со стороны двух USB 3.2 Gen2);
- до 8 портов SATA 6Гбит/с;
- до 24 линий PCIe 4.0.
Выше жирным шрифтом выделены HSIO (High Speed Input-Output) – высокоскоростные линии ввода-вывода, их в сумме (процессор+чипсет) – 60.
MSI MPG Z890 Carbon WiFi поддерживает процессоры Intel Core Ultra 2xx, выполненные под разъем (сокет) LGA1851.
Для установки модулей памяти на плате MSI имеется четыре DIMM-слота (для работы памяти в Dual Channel в случае использования всего 2 модулей их следует устанавливать в А2 и B2.
Плата поддерживает небуферизованную память DDR5 (non-EСС), а максимальный объем памяти составляет 256 ГБ. Могут использоваться модули CUDIMM.


Слоты DIMM не имеют металлической окантовки.
Периферийная функциональность: PCIe, SATA, разные дополнительные устройства
Выше мы изучили потенциальные возможности тандема Z890+Core, а теперь посмотрим, что из этого и как реализовано в данной материнской плате.
Кроме USB-портов, к которым мы подойдем позже, чипсет Z890 обладает 24 PCIe линиями PCIe 4.0 и 8 SATA портами. Считаем, сколько линий Z890 уходит на поддержку (связь) с тем или иным элементом:
- Слот PCIe x16 (PCI_E3) (4 линии PCIe 4.0);
- Слот M.2 (M.2_3) (4 линии PCIe 4.0);
- Слот M.2 (M.2_4) (4 линии PCIe 4.0);
- Слот M.2 (M.2_5) (4 линии PCIe 4.0);
- Intel Killer E5000B (Ethernet 5Gb/s) (1 линия PCIe 4.0);
- Intel i226-V (Ethernet 2,5Gb/s) (1 линия PCIe 4.0);
- Intel BE200 WIFI7/BT (Wireless) (1 линия PCIe 4.0);
- 4 слота SATA 1/2/3/4
19 линий PCIe оказались занятыми, плюс 4 порта SATA. Связь с аудиокодеками через HDA (эмуляцию шины PCI) теперь невозможна, так что в данном случае линия USB 2.0 расходуется на связь с Realtek RTL1220, плюс один USB 2.0 расходуется на поддержку BT, а также контроллеры GL850G, NUC126 и другие для своих нужд используют сигнальные линии USB 2.0 и 3.2 Gen1. Детально об этом ниже в разделе USB-портов.
Теперь посмотрим выше на то, как работают процессоры в данной конфигурации. У CPU Core Ultra 2xx всего 24 линии PCIe, из них 4 линии версии PCIe 5.0 отведены на порт М.2 (M.2_1), 4 линии версии PCIe 4.0 отведены на порт М.2 (M.2_2) . Оставшиеся 16 линий PCIe 5.0 надо делить на два слота PCIe x16 (PCI_E1, PCI_E2). Вариантов переключения несколько:
- Слот PCI_E1 имеет 16 линий (слот PCI_E2 отключен);
- Слоты PCI_E1 и PCI_E2 имеют по 8 линий
Стоит отметить, что даже при отсутствии устройств в первом PCIe x16 (PCI_E1) второй слот PCI_E2 все равно получает только 8 линий PCIe 5.0.
Теперь в целом про слоты PCIe.
Всего на плате есть 3 слота: два PCIe x16 (PCI_E1/2 для видеокарт или других устройств) и третий «длинный» PCIe x16 (PCI_E3, но фактически имеющий 4 линии PCIe 4.0).
Как видим, перераспределение линий PCIe 5.0 этой материнки имеется, поэтому востребованы мультиплексоры Texas Instruments.
Выше я вел речь про первые PCIe x16 (PCI_E1/2), подключенные к процессору. Третий PCIe x16 (PCI_E3) подключен к Z890 и работает в режиме x4.
Оба слота PCI_E1/2 имеют металлическое армирование: защиту из нержавеющей стали. Все это увеличивает надежность. Кроме того, такая защита предохраняет слоты от электромагнитных помех.
Для удобного извлечения видеокарт из слота PCI_E1 имеется особый механизм EZ-PCIE-Release c кнопкой.
Матплата позволяет смонтировать СО любого размера.
Для более стабильной работы на матплате имеются усилители (ре-драйверы) сигнала PCIe 4.0 от Genesys Logic.
Для нужд оверклокеров на плате имеется внешний тактовый генератор, позволяющий гибко настраивать частоты работы системной шины.
На очереди — накопители.
Всего у платы 4 разъема Serial ATA 6 Гбит/с +5 слотов для накопителей в форм-факторе M.2. 4 порта SATA 1,2,3,4 реализованы через чипсет Z890 и поддерживают создание RAID.
Материнская плата имеет 5 гнезд форм-фактора М.2.
Третий, четвертый и пятый слоты M.2 (M.2_3, M.2_4, M.2_5) получают данные от чипсета Z890, а первые два — от CPU, при этом M.2_1 получает PCIe 5.0, а M.2_2 получает от процессора PCIe 4.0.
Все слоты M.2, кроме M.2_5 работают с модулями только с PCIe интерфейсом, а в M.2_5 можно установить накопитель с любым интерфейсом.
Все слоты M.2 поддерживают модули с размерами 2260/2280. А слот M.2_4 поддерживает еще и 22110. На всех M.2 можно организовать RAID.
У всех слотов M.2 имеется удобный способ крепления накопителей через установленные на стойках поворотные замки.
Все M.2 слоты имеют радиаторы. Верхний M.2_1 обладает отдельным радиатором, когда как остальные все слоты M.2 имеют общий радиатор. Также все слоты M.2 кроме верхних радиаторов еще имеют радиаторы для охлаждения тыльной стороны модулей.
Также отдельно надо отметить, что оба радиатора удобно снимать и ставить с помощью откидывающихся запоров (без завинчивания/развинчивания).
По умолчанию стойка для крепления накопителей в каждом слоте установлена на размер 2280. Если надо установить модуль с размером 2260, то с помощью имеющегося в комплекте поставки ключа можно стойку переместить в нужное место.
Периферийная функциональность: USB-порты, сетевые интерфейсы, ввод-вывод
Теперь на очереди USB-порты и прочие вводы-выводы. И начнем с задней панели, куда выведены большинство из них.
Повторим: чипсет Z890 способен реализовать не более 14 портов USB, из которых может быть до 10 портов USB 3.2 Gen1, до 10 портов USB 3.2 Gen2, до 5 портов USB 3.2 Gen2x2, и/или до 14 портов USB 2.0.
Также мы помним и про 24 линии PCIe 4.0, которые идут на поддержку накопителей, сетевых и иных контроллеров (я выше уже показал на что и как расходуются 19 линий PCIe 4.0 + 4 порта SATA).
И что мы имеем? Всего на материнской плате — 22 порта USB:
- 2 порта USB4: оба реализованы через Thunderbolt 4, встроенный в CPU и представлены двумя портами Type-C на задней панели;
- 1 порт USB 3.2 Gen2x2: реализован с помощью Z890 и представлен одним внутренним портом Type-C (для подключения к соответствующему разъему на передней панели корпуса);
- 11 портов USB 3.2 Gen2: 4 реализованы через хаб Realtek RTS5420 (на него потрачена 1 линия USB 3.2 Gen2 от Z890), еще 4 реализованы через второй хаб Realtek RTS5420 (на него также потрачена 1 линия USB 3.2 Gen2 от Z890), и еще 3 реализованы через Z890, и представлены на задней панели 10 портами Type-A (красного цвета), а один – портом Type-C;
- 4 порта USB 3.2 Gen1: все реализованы через контроллер Genesys Logic GL3523 (он расположен на оборотной стороне платы, и на него потрачена 1 линия USB 3.2 Gen1 от Z890) и представлены 2 внутренними разъемами на материнской плате (каждый на 2 порта);
- 4 порта USB 2.0/1.1: все реализованы через контроллер Genesys Logic GL850G (он расположен под слотом PCIe E3, поэтому его не видно, на него потрачена 1 линия USB 2.0 от Z890) и представлены двумя внутренними разъемами (каждый на 2 порта)
В целом у нас 4 контроллера используют USB 2.0 линии от Z890:
- Genesys Logic GL850G (хаб на 4 USB 2.0 через 2 внутренних разъема) (1 линия USB 2.0);
- Realtek RTL1220 (аудиокодек) (1 линия USB 2.0);
- Nuvoton NUC126 (управление подсветкой) (1 линия USB 2.0);
- Bluetooth (Intel BE200) (1 линия USB 2.0).
Еще 2 контроллера используют линии USB 3.2 Gen2 от Z890:
- Realtek RTS5420 (хаб 4 USB 3.2 Gen2 на 4 порта Type-A на задней панели) (1 линия USB 3.2 Gen2);
- Realtek RTS5420 (хаб 4 USB 3.2 Gen2 на 4 порта Type-A на задней панели) (1 линия USB 3.2 Gen2)
И контроллер Genesys Logic GL3523 (хаб 4 USB 3.2 Gen1 через 2 внутренних разъема) использует 1 линию USB 3.2 Gen1;
Итак, через чипсет Z890 реализовано высокоскоростных портов USB:
- + 2 USB 3.2 Gen2 на обеспечение порта USB 3.2 Gen2x2
- + 3 выделенных USB 3.2 Gen2
- + 2 USB 3.2 Gen2 на обеспечение двух контроллеров
- + 1 USB 3.2 Gen1 на обеспечение одного контроллера
= 8 высокоскоростных портов. Не забываем, что каждый высокоскоростной порт USB обеспечен портом USB 2.0, то есть уже 8 портов USB 2.0 также занято. Плюс 4 порта USB 2.0 на обеспечение контроллеров. Всего 12 USB 2.0 портов реализовано.
Ну и 24 линии PCIe, выделенных на поддержку иной периферии (20 HSIO + 4 порта SATA).
Итого у Z890 в данном случае реализовано 28 высокоскоростных портов из 34.
Очевидно, что задняя панель просто переполнена портами, и мы впервые видим интересную реализацию портов – в 2 «этажа». На левом верхнем углу матплаты над четырьмя портами (HDMI и три Type-C) расположена небольшая плата, несущая на себе аж 6 портов Type-A (3.2 Gen2) и три кнопки управления.


При этом один из хабов USB 3.2 Gen2 – Realtek RTS5420 расположен на этой дополнительной карте, обеспечивая работу 4х (из 6ти) портов USB 3.2 Gen2 Type-A.
USB порт 3.2 Gen2x2 в виде внутреннего Type-C позволяет выдавать вольтаж, способный обеспечить быструю зарядку мобильных гаджетов (до 60 Вт). Также и порт USB 3.2 Gen2 Type-C на задней панели оснащен ре-драйверами для обеспечения зарядки тех же гаджетов.
Следует обратить особое внимание на поддержку USB4, которая на платформе Intel LGA1851 реализована через Thunderbolt 4, аппаратно встроенный в CPU.
Для устойчивой скоростной передачи по протоколам USB4/TB4 на матплате имеются два усилителя (ре-драйвера) от той же компании Intel.


Теперь о сетевых делах.
Материнская плата оснащена средствами связи отлично. Имеется два скоростных Ethernet-контроллера. Один Intel Killer E5000B, способный работать по стандарту 5 Гбит/с.
Второй – Intel i226-V, работающий по стандарту 2,5 Гбит/с.
Имеется и комплексный беспроводной адаптер на контроллере Intel BE200, через который реализованы Wi-Fi 7 (802.11a/b/g/n/ac/ax/be, 2,4/5/6 ГГц) и Bluetooth 5.4. Он установлен в слот M.2 (E-key), и его разъемы для выносных антенн выведены на заднюю панель.
И тут надо особо отметить уже вовсю применяемый новый способ крепления антенн к задней панели портов. Теперь прикручивать антенны не надо (даже если имеется резьба для их привинчивания), просто вставить в разъемы на матплате. Разъединить также легко.
Заглушка, традиционно надеваемая на заднюю панель, в данном случае уже надета, и изнутри экранирована для снижения электромагнитных помех.
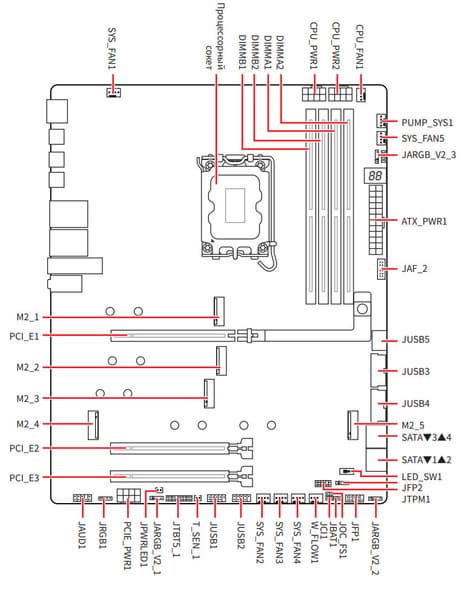
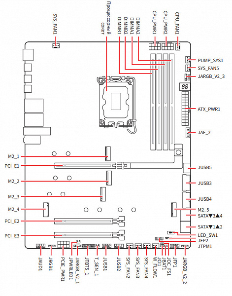
Теперь про блок ввода-вывода, разъемы для подключения вентиляторов и т. п. Разъемов для подключения вентиляторов и помп на самой плате — 7. Схема размещения коннекторов для систем охлаждения выглядит так:
Через ПО или BIOS контролируется все гнезда для подключения воздушных вентиляторов или помп: они могут управляться как через ШИМ, так и банальным изменением напряжения/тока расчитаны на максимальный ток 2А и потребление до 24 Вт, а одно гнездо для помпы кастомной СЖО – до 3А и 36 Вт.
Также имеется и разъем для подключения контроля потока жидкости в кастомных СЖО.
Отвечает за мониторинг состояния платы, координирует работу всех гнезд СО (а также в целом Multi I/O) контроллер Nuvoton NCT6701
Матплата имеет гнездо вывода встроенной графики HDMI, для усиления до версии 2.1 используется особый ре-драйвер.
Также мы помним про наличие двух гнезд Type-C с интерфейсом Thunderbolt 4, через которые можно выводить картинку со встроенного в процессор графического ядра (при наличии монитора с подобным интерфейсом)..
Аудиоподсистема
В данном случае плата оснащена аудиоподсистемой, где звуком заведует аудиокодек Realtek ALC1220, он целом обеспечивает вывод звука по схемам до 7.1 с разрешением до 24 бит /192 кГц. Не забываем, что для работы такого кодека требуются сигнальные линии USB 2.0 (протокол HDA «Азалия» убран из новой платформы).
Имеется и операционный усилитель для наушников Savitech SV3H712.
В аудиоцепях платы применяются «аудиофильские» конденсаторы.
Аудиотракт вынесен на угловую часть платы, не пересекается с другими элементами. У карты два универсальных разъема с позолоченным покрытием по приему и выводу сигналов плюс оптический S/PDIF.
Вывод по схемам 4.0, 5.1 и 7.1 возможен только через использование аудиогнезд на передней панели корпуса совместно с двумя гнездами на самой плате, а также через S/PDIF. Настройка схем – с помощью ПО, скачиваемого с сайта производителя.
Питание, охлаждение
Для питания платы на ней предусмотрены 4 разъема: в дополнение к 24-контактному ATX (он на правой стороне платы (на фото — слева) здесь есть еще два 8-контактных EPS12V (они имеют металлическое армирование), а также 8-контактный PCIe для поддержки усиленного питания слотов PCIe x16.
Схема подключения возможна для двух видеокарт на процессорах Nvidia, а также до трех карт на процессорах AMD. Не забываем, что мультиграфические конфигурации нынче поддерживаются только рабочим специализированным ПО (современные игры уже это не поддерживают).

Схема питания процессора выполнена по схеме 20+1+1+1 (всего 23 фазы: 20 на VCore (ядро процессора), 1 на iGPU (интегрированное графическое ядро), 1 на VCCSA (System Agent, кольцевая шина) и 1 на VNNAON (управление энергосбережением).
Каждый канал фазы VCore имеет суперферритовый дроссель и R2209004 DrMOS от Renesas на 110 А.
Управление этой схемой возложено на ШИМ-контроллер Renesas RAA229131 (он поддерживает до 24х фаз).
Каждый канал фазы питания VCCSA, iGPU и VNNAON кроме дросселя имеет RAA220075R0 DrMOS от Renesas на 75 А.
Управляет всеми тремя схемами ШИМ-контроллер Renesas RAA229134.
Теперь про охлаждение.
Все потенциально сильно греющиеся элементы имеют свои собственные радиаторы.
Как мы видим, охлаждение чипсета (один радиатор) организовано отдельно от силовых преобразователей. VRM-секция имеет свои два радиатора, соединенные тепловой трубкой под прямым углом.
Радиатор VRM, идущий вдоль заднего блока портов, имеет кожух, оснащенный подсветкой.
Как я уже упоминал ранее, M.2 слоты также имеют радиаторы: у верхнего — свой персональный радиатор, у остальных — общий.
Одной из особенностей новой платформы Intel является поддержка современной памяти DDR5 в в виде CUDIMM. Цель этих новаций – достижение более высоких тактовых частот работы, а значит и нагрев модулей памяти может вырасти.
Напомню, что материнская плата не имеет бэкплейта.
Подсветка
Программное обеспечение под Windows
Настройки BIOS
Работоспособность (и разгон)
Запускаем все в режиме по умолчанию (в BIOS – профиль от Intel) . Затем нагружаем тестами OCCT.
В режиме авторазгона мы получили до 5,4 ГГц по всем P-ядрам, и 4.6 ГГц по всем Е-ядрам. Напомню, что начиная с этого поколения процессоров, все ядра имеют по 1 потоку, то есть гипертрейдинга (многопоточности) теперь нет. Потребление процессора достигало 183 Вт. Мы видим в целом, что авторазгон очень приличный. Ибо, безусловно, у материнской платы очень мощное питание.
Но зачем останавливаться на том, что там советует Intel? А зачем тогда все партнеры «синих» придумывают всякие там подборы режимов работы, основываясь на ИИ ? Испробуем вначале включение AI Engine в MSI Center.
Частоты работы ядер процессора вроде почти не изменились, а потребление CPU выросло c 183 до 189 Вт. В целом – непонятно. Однако при сравнении реальной производительности, то в данном случае мы получили +2,8% к тому, что было по умолчанию. Может кому-то это и по вкусу, ибо не надо возиться с настройками: в MSI Center нажал кнопку и все.
Ну а что, если выключить эти все программные «пилюли» через MSI Center, а просто в BIOS включить профиль MSI Extreme?
Хахаха! Мы получили те же частоты работы, но потребление процессора выросло еще на 4-5 Вт, и производительность приросла на пару процентов. Ну, в целом, ощущение есть того, что все эти автоматические пробы разгона – ерунда, несколько лет назад изменение подобных настроек через BIOS (не считая AI – тогда этого еще не было) давало от 5% прироста производительности. Вероятно ситуация с деградацией процессоров Intel 13xxx/14xxx от избыточного вольтажа привела к тому, что Intel перестраховывается, и без влезания в гущу настроек оверклокинга с переводом всего и вся на ручное управления авторазгон у всех вендоров дает примерно одинаковую производительность, а раскрученные через маркетинг опции сверхразгонов дают лишь считанные проценты приростов.
Выводы
MSI MPG Z890 Carbon WiFi — очень мощная по системе питания, насыщенная всевозможными слотами и разъемами и, разумеется, недешевая материнская плата на базе последнего чипсета Intel Z890. Это не совсем флагман, ее стоимость на момент подготовки обзора составляла около 80 тысяч рублей.
У нее имеется 22 порта USB разных видов, включая 2 USB4, один USB 3.2 Gen2×2 в виде внутреннего порта Type-C и аж 11 портов USB 3.2 Gen2! Также плата предлагает 2 слота PCIe х16, получающих на двоих от процессора 16 линий PCIe 5.0 (и делящих эти линии), а третий «длинный» слот работает в режиме x4 и подключен к чипсету. У платы 5 слотов M.2, два из которых подключены напрямую к процессору: один — линиями PCIe 4.0, второй — линиями PCIe 5.0. Три других слота М.2 подключены к чипсету Z890 линиями PCIe 4.0.
В арсенале платы также есть 4 порта SATA и 7 разъемов для вентиляторов. Система питания процессора очень мощная, способная обеспечить работу любых совместимых процессоров с приличным запасом на разгон. Плата имеет грамотную систему охлаждения каждого потенциально греющегося элемента, включая накопители в слотах M.2 (термопрокладки для охлаждения накопителей есть с обеих сторон). Сетевые возможности включают два проводных контроллера (5 и 2,5 Гбит/с) и один самый современный беспроводной — Wi-Fi 7 + Bluetooth 5.4. В числе плюсов платы можно упомянуть неплохую стильную подсветку, а также широкие возможности для подключения дополнительных RGB-устройств.
Для энтузиастов плата предлагает огромный арсенал настроек в BIOS Setup и разгон через утилиты, использующие ИИ для определения самого производительного режима работы.








































































































































