Тем, кто еще мало знаком с чипсетом AMD B550, я советую посмотреть наш первый материал по нему. А если кому интересны тесты новых очень дешевых процессоров от AMD, то здесь можно посмотреть результаты AMD Ryzen 3 3100 и 3300X, а здесь — результаты самых новых AMD Ryzen 5 3600XT, 3800XT и 3900XT.
Ранее мы уже разобрались, что B550 совершенно спокойно «сотрудничает» с процессорами Ryzen 1-го и 2го поколений, несмотря на то, что компания AMD настоятельно рекомендует использовать матплаты на В550 с процессорами Ryzen 3xxx серии (ну и будущего поколения, конечно).
Далее мы выяснили, что В550 — это по мнению AMD — нечто такое среднее (высчитанное методом матанализа с привлечением теорем известных математиков, кроме тех, чьи имена когда-то уже использовала компания Nvidia) между X570 и B450 (вот не дай Бог опечататься на 460, и получится уже Intel). Вроде как свободные линии у B550 — версии PCI-e 3.0, а не 2.0, как у В450, но и не 4.0, как у Х570. Логично, да? Ну и ассортимент линий и портов у В550 будет побогаче, чем у 450-го аналога, но менее комфортный, нежели у 570. А так как идея-фикс у AMD состоит в том, что тандем B550 + Ryzen должен все же иметь как-то немного PCI-e 4.0 (иначе В550 вообще покажется пустышкой), то из рупора штаб-квартиры данной трехбуквенной компании разносятся призывы использовать матплаты на В550 только с Ryzen 3xxx, ну и с последующими, если они еще будут под сокет АМ4 (PGA-1331). Это как было на стадии перестройки в СССР, когда в Верховном Совете только еще вводили кнопочную систему голосования, и тогда председатель вылезал из кожи с криками «Только не нажимайте на поперечную кнопку!»... Типа если вдруг нажмут, то вся элита катапультируется...
Ну ладно, это было отвлечение. Вернемся к ситуации, когда флагманские варианты материнок на В550 (да, на этом чипсете тоже есть как очень бюджетные решения, так и топовые) стоят дороже более простых (не топовых) вариантов материнских плат на базе Х570, хотя, разумеется, есть и много вариантов, когда все же платы на В550 дешевле аналогов на Х570. Собственно, оттолкнуть от покупки матплаты на Х570 может только наличие иногда шумной «жужжалки» на чипсете. Надеюсь, что казусы с ценами все же уйдут в прошлое, и ассортимент материнок на В550 ляжет в свою ценовую нишу. Кстати, прошли слухи о снятии Х570 с производства.
Теперь перейдем к MSI. Напомню, что у этой компании есть три основные линейки геймерских материнских плат: MEG (MSI Enthusiast Gaming) — тут собраны все флагманские продукты; MPG (MSI Performance Gaming) — здесь тоже весьма дорогие материнские платы с обилием фишек для геймеров, но без супер-наворотов; MAG (MSI Arsenal Gaming) — здесь у материнских плат меньше фишек, упрощена периферия, и сделан упор на надежность, ибо в этой серии используются некоторые комплектующие, обычно применяемые в оборонном производстве.
Вот наша плата как раз относится к последней серии — MSI MAG B550 Tomahawk. То есть она практически не имеет «фенечек» для оверклокинга и иных дополнительных функций, которыми обычно обвешиваются топовые и даже среднебюджетные решения, но зато упор сделан на «ею можно гвозди заколачивать и в танковый ПК ставить (если там есть такие)». То есть долговечная работоспособность, компоненты все сверхнадежные, которые обычно ставятся в устройства для военных нужд.
Ну посмотрим.
MSI MAG B550 Tomahawk поставляется в стандартной картонной коробке с фирменным дизайном MSI (дракон) и этаким «милитари»-узором.
Внутри коробки есть традиционные отсеки: для самой материнской платы, и остального комплекта.
Комплект поставки банальный. Кроме традиционных элементов типа руководства пользователя и кабелей SATA, имеются: накопитель типа CD c ПО, винтики для M.2 накопителей, бумажки для участия во всяких программах от MSI, бонусная наклейка. И все! Ну понятно, для танков зачем что-то лишнее?
Уже стало модным «заглушку» на заднюю панель с разъемами заранее монтировать на саму плату (кидать ее отдельно в коробку с комплектом принято только у самых дешевых матплат). Не забываем, что программное обеспечение за время путешествия платы к покупателю успевает устареть, так что придется его загружать с сайта производителя сразу после покупки.
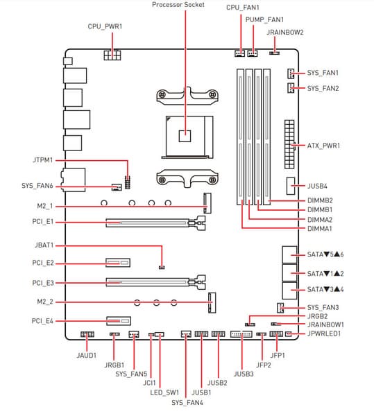
Форм-фактор
Форм-фактор ATX имеет размеры до 305×244 мм, а E-ATX — до 305×330 мм. Материнская плата MSI MAG B550 Tomahawk имеет размеры 305×244 мм, поэтому выполнена в форм-факторе ATX, и на ней имеются 9 монтажных отверстий для установки в корпус.
На оборотной стороне из элементов имеется только мелкая логика и несколько усилителей сигнала. Обработан текстолит неплохо: во всех точках пайки острые концы срезаны. Стоит обратить внимание на то, что традиционно в стиле MSI на обороте белой краской помечены места потенциального упора платы в незадействованные корпусные крепежные втулки, и в этих местах у матплаты нет никаких внешних электроконтактов.
Тем самым демонстрируется забота архитекторов материнки о том, чтобы ничего не замкнуло даже если сборщик ПК забудет вынуть из корпуса лишние крепежные втулки, на которые «садится» матплата. Сама печатная плата имеет удвоенные медные слои, дающие дополнительную стабильность в работе, защиту от наводок, а также улучшенную эффективность отвода лишнего тепла.
Технические характеристики
Традиционная таблица с перечнем функциональных особенностей.
| Поддерживаемые процессоры | AMD Ryzen 3-го поколения (неофициально все Ryzen) |
|---|---|
| Процессорный разъем | AM4 |
| Чипсет | AMD B550 |
| Память | 4 × DDR4, до 128 ГБ, до DDR4-4400 (XMP), два канала |
| Аудиоподсистема | 1 × Realtek ALC1200 |
| Сетевые контроллеры | 1 × Realtek RTL8125 Ethernet 2,5 Гбит/с 1 × Realtek RTL8111 Ethernet 1,0 Гбит/с |
| Слоты расширения | 1 × PCI Express 4.0/3.0 x16 (режимы x16, x16+x4 (CrossFire))(CPU) 1 × PCI Express 3.0 x4 (режим x4/x2)(B550) 2 × PCI Express 3.0 x1 (B550) |
| Разъемы для накопителей | 6 × SATA 6 Гбит/с (B550) 1 × M.2 (CPU, PCIe 4.0/3.0 x4/SATA для устройств формата 2242/2260/2280/22110) 1 × M.2 (B550, PCIe 3.0 x4 для устройств формата 2242/2260/2280) |
| USB-порты | 4 × USB 2.0: 2 внутренних разъема на 4 порта (Genesys Logic GL850G) 2 × USB 2.0: 2 порта Type-A (черные) на задней панели (B550) 2 × USB 3.2 Gen1: 1 внутренний разъем на 2 порта (B550) 1 × USB 3.2 Gen1: 1 внутренний разъем Type-C (B550) 2 × USB 3.2 Gen2: 2 порт Type-A (синие) на задней панели (CPU) 1 × USB 3.2 Gen2: 1 порт Type-A (красный) на задней панели (CPU) 1 × USB 3.2 Gen2: 1 порт Type-C на задней панели (CPU) |
| Разъемы на задней панели | 1 × USB 3.2 Gen2 (Type-C) 1 × USB 3.2 Gen2 (Type-A) 2 × USB 2.0 (Type-A) 2 × RJ-45 5 аудиоразъемов типа миниджек 1 × S/PDIF (оптический аудиовыход) 1 × HDMI 1 × DisplayPort 1 × PS/2 комбинированный разъем 1 кнопка перепрошивки BIOS — Flash BIOS |
| Прочие внутренние элементы | 24-контактный разъем питания ATX 1 8-контактный разъем питания EPS12V 1 разъем для подключения портов USB 3.2 Gen2 Type-C 1 разъем для подключения 2 портов USB 3.2 Gen1 2 разъема для подключения 4 портов USB 2.0 8 разъемов для подключения 4-контактных вентиляторов и помп ЖСО 2 разъема для подключения неадресуемой RGB-ленты 2 разъема для подключения адресуемой ARGB-ленты 1 разъем аудио для передней панели корпуса 1 разъем Thunderbolt 1 разъем TPM 2 разъема для подключения управления с передней панели корпуса 1 разъем сброса CMOS |
| Форм-фактор | ATX (305×244 мм) |
| Розничные предложения |
Основная функциональность: чипсет, процессор, память
Очевидно, что данная плата относится к среднебюджетным. Можно даже сказать, где-то между средне — и мало- бюджетными.


Схема работы связки чипсет+процессор.
Процессоры Ryzen 3ххх суммарно имеют 24 линии ввода-вывода (включая PCI-e 4.0). 4 линии (в данном случае превращаясь в PCI-e 3.0) идут на связь с чипсетом B550. Еще 16 линий — это PCI-e слоты для видеокарт. Осталось 4 линии: они могут конфигурироваться производителями материнских плат на выбор (либо-либо):
- работа одного NVMe накопителя х4 (высокоскоростной PCI-E 4.0)
- два SATA-порта по х1 + 1 порт NVMe x2
- два порта NVMe x2
Также процессоры Ryzen 3-го поколения имеют встроенные 4 порта USB 3.2 Gen2.
В свою очередь чипсет B550 поддерживает в сумме 18 линий PCI-e 3.0. Из них опять же 4 нужны для связи с CPU. Осталось 14 линий ввода-вывода, из которых 4 заняты портами SATA, а остальные 10 линий могут свободно конфигурироваться. Понятно, что скорее всего будет дефицит линий PCI-e для размещения всей нужной периферии, и придется делить ресурсы.
Также B550 поддерживает 2 порта USB 3.2 Gen2, 2 порта USB 3.2 Gen1, 6 портов USB 2.0.
Таким образом в сумме от тандема B550+Ryzen 3000 мы получаем:
- 16 PCI-e 4.0 линий для видеокарт (от процессора);
- 4 PCI-e 4.0 линий от процессора + 10 PCI-e 3.0 линий от чипсета, которые могут образовывать разные варианты комбинаций портов и слотов (в зависимости от производителя материнских плат);
- 4 порта SATA 6Гбит/с (от чипсета)
- 6 портов USB 3.2 Gen2 (4 от процессора, 2 от чипсета);
- 2 порта USB 3.2 Gen1 от чипсета;
- 6 портов USB 2.0 (от чипсета).
Итого: 14 портов USB, 4 порта SATA, 14 свободных PCI-e линий.
MSI MAG B550 Tomahawk поддерживает процессоры AMD Ryzen 3-го поколения, выполненные под разъем (сокет) AM4 (PGA 1331). Но, как показала практика, процессоры предыдущих поколений также поддерживаются.
Для установки модулей памяти на плате MAG имеется четыре DIMM-слота (для работы памяти в Dual Channel в случае использования всего 2 модулей их следует устанавливать в А2 и B2. Плата поддерживает небуферизованную память DDR4 (non-EСС), а максимальный объем памяти составляет 128 ГБ (при использовании UDIMM последнего поколения по 32 ГБ). Разумеется, поддерживаются профили XMP.
Слоты DIMM не имеют металлической окантовки, которая препятствует деформации слотов и печатной платы при установке модулей памяти и защищает от электромагнитных помех, и которая обычно всегда является составной частью именно флагманских материнских плат.
Периферийная функциональность: PCIe, SATA, разные «прибамбасы»
Выше мы изучили потенциальные возможности тандема B550+Ryzen, а теперь посмотрим, что из этого и как реализовано в данной материнской плате.
Кроме USB-портов, к которым мы подойдем позже, чипсет B550 обладает 14 PCIe линиями (плюс 4 линии на аплинк с процессором). Считаем, сколько линий уходит на поддержку (связь) с тем или иным элементом (надо учитывать, что из-за дефицита PCIe линий некоторые элементы периферии делят их, и потому использовать одновременно нельзя: для этих целей у материнской платы существуют мультиплексоры):
- Переключатель: или слот M.2_2 (4 линии)) или слот PCI-e2 x1 (1 линия) + PCI-e3 в режиме PCIe x2 (2 линии), или слот PCI-e3 в режиме PCIe x4: максимум 4 линии;
- Слот PCIe4 x1 (1 линия);
- Genesys Logic GL850G (4 USB 2.0 на 2х внутренних разъемах) (1 линия);
- Realtek RTL 8125 (Ethernet 2,5Gb/s) (1 линия);
- Realtek RTL 8111 (Ethernet 1,0Gb/s) (1 линия);
- 4 порта SATA_1,2,3,4 (4 линии штатно);
- 2 порта SATA_5,6 (2 линии из свободных)
14 линий PCIe оказались занятыми.
Теперь посмотрим выше на то, как работают процессоры в данной конфигурации. У всех CPU этого плана всего 20 линий PCIe (плюс 4 линии на даунлинк с чипсетом). И в данном случае делить ресурсы на два слота PCIe x16 не придется, так как он всего один. Ну и плюс слот M.2_1. В процессорах Ryzen встроен контроллер High Definition Audio (HDA), связь с аудиокодеком идет путем эмуляции PCI шины (есть ограничение на звук по схеме 7.1: до 32-бит/192 кГц). Варианты переключения слотов PCI-e x16 вот такие:
- Слот PCIe x16_1 имеет 16 линий (всего одна видеокарта);
- Слот PCIe x16_1 имеет... 16 линий, плюс слот PCIe3 x4 имеет 4 линии (две видеокарты, режимы AMD CrossFire)
Ниже полная схема распределения ресурсов по слотам PCI-e
Всего на плате есть 4 слота PCIe: один PCIe1 x16 (для видеокарт или других устройств), два «коротких» PCIe x1 (второй и четвертый по счету) и еще один «длинный», но он закоммутирован максимум на х4: PCIe3. Если про первый PCIe1 x16 и так все понятно (он подключен к CPU), то PCIe3 x4 (третий по счету) подключен к B550 и максимально работает в режиме х4. Он также делит ресурсы, но хитро. Если этот слот PCIe3 x4 задействован в полном режиме х4, то слот PCIe1 х1 будет выключен, а также порт M.2_2 также отключен. Если же M.2_2 будет задействован, то, аналогично PCIe3 x4 и PCIe1 x1 будут отключены (уже две видеокарты не поставить). Возможна совместная работа PCIe3 и PCIe1 только при условии, если первый перейдет в режим х2. Четвертый слот PCIe4 всегда активен и работает в режиме х1.
У данной платы распределение линий PCIe между слотами этакое витиеватое, поэтому востребованы мультиплексоры ASM1480 от ASMedia.
В отличие от слотов для памяти, слота PCIe1 x16 имеет металлическое армирование из нержавеющей стали, которое увеличивает надежность (что может быть важным в случае довольно частой смены видеокарт, но что более важно: такой слот легче выдержит нагрузку на изгиб в случае установки очень тяжелой видеокарты топового уровня). Кроме того, такая защита предохраняет слоты от электромагнитных помех.
Расположение PCIe слотов позволяет легко смонтировать СО любого уровня и класса.
А вот усилителей (ре-драйверой) шины у данной платы нет.
На очереди — накопители.
Всего у платы 6 разъемов Serial ATA 6 Гбит/с + 2 слота для накопителей в форм-факторе M.2. 6 портов SATA реализованы через чипсет B550 и поддерживают создание RAID.
Порты SATA у данной платы не делят ресурсы ни с чем.
Теперь про M.2. Материнская плата имеет 2 гнезда такого форм-фактора.
Первый слот M.2_1 поддерживает модули с любым интерфейсом (и размера до 22110 включительно), получая данные непосредственно от CPU, поэтому поддержка PCI-e 4.0 имеется. Второй M.2_2 получает данные от чипсета B550 и делит ресурсы со слотами PCI-e, о чем я уже выше рассказывал. Поддержки PCI-e 4.0 тут нет.
Оба M.2 слота на самой матплате имеют два раздельных радиатора, которые не связаны с какими-то иными устройствами охлаждения на данной плате.
Другие «прибамбасы» на плате
В нашем случае плата из семейства MAG, и основана на среднебюджетном чипсете, поэтому и «фенечек» у нее мало.
Тем не менее имеются световые индикаторы, сообщающие о проблемах с тем или иным компонентом системы.
Если после включения компьютера к моменту перехода на загрузку ОС все индикаторы погасли, то проблем нет.

Кому не нравятся все световые штучки на матплате, разом может их отключить.

Продолжая разговор о световых индикаторах, надо упомянуть и возможности материнской платы по подключению RGB-подсветки. Имеется четыре разъема для подключения любых устройств этого плана: 2 разъема для подключения адресуемых (5 B 3 A, до 15 Вт) ARGB-лент/устройств и 2 разъема неадресуемых (12 В 3 А, до 36 Вт) RGB-лент/устройств.
Схемы подключения стандартны для всех материнских плат, поддерживающих подсветку:
Контроль по синхронизации работы подсветки RGB возложен на чип NUC126 от Nuvoton (для его функционирования, а это ARM-процессор, задействована одна линия USB 2.0 от B550).
Есть и традиционный набор штырьков FPanel для подключения проводов к передней (а сейчас уже часто и верхней или боковой или все это сразу) панели корпуса.

Для размещения прошивки UEFI/BIOS использована микросхема MX25U25673G от Macronix.
Материнская плата обладает технологией «холодной» прошивки BIOS (наличие ОЗУ, процессора и прочей периферии необязательно, нужно лишь подключить питание) — Flash BIOS.
Для такого обновления BIOS версию прошивки надо вначале переименовать в MSI.ROM и записать в корень на USB-«флешку», которая вставляется в особо отмеченный порт USB. Ну и запуск через кнопку, которую надо держать 3 секунды. Материнская плата в процессе прошивания нового BIOS запускается, после успешного завершения (о чем демонстрирует погасший светодиод у кнопка Flash BIOS) выключается.
Для сбрасывания CMOS на заводские установки есть привычная перемычка.


Материнская плата имеет отдельный разъем для подключения систем безопасности TPM.

Заглушка, традиционно надеваемая на заднюю панель, в данном случае уже надета, и изнутри экранирована для снижения электромагнитных помех.
Периферийная функциональность: USB-порты, сетевые интерфейсы, ввод-вывод
На очереди USB-порты. И начнем с задней панели, куда выведены большинство из них.
Повторим: чипсет B550 способен реализовать максимально: 2 порта USB 3.2 Gen2, 2 порта USB 3.2 Gen1, 6 портов USB 2.0. Процессор Ryzen 3-го поколения способен реализовать до 4 портов USB 3.2 Gen2.
Также мы помним и про 14 линий PCIe, которые идут на поддержку накопителей, сетевых и иных контроллеров (я выше уже показал на что и как расходуются все 14 линий).
И что мы имеем? Всего на материнской плате — 13 портов USB:
- 2 порта USB 3.2 Gen2: оба реализованы через процессор и представлены на задней панели портом Type-A (красного цвета) и портом Type-C;
- 5 портов USB 3.2 Gen1: два реализованы через процессор и представлены на задней панели портам Type-A (синего цвета); еще 3 реализованы через B550 и два из них представлены внутренним разъемом на материнской плате на 2 порта; а один — внутренним разъемом на материнской плате Type-C;
- 6 портов USB 2.0/1.1: 4 реализованы через контроллер Genesys Logic GL850G (на него потрачена 1 линия PCIe от B550) и представлены двумя внутренними разъемами (каждый на 2 порта); еще 2 реализованы через B550 и представлены портами Type-A на задней панели (черные).
Итак, через чипсет B550 реализовано 3 USB 3.2 Gen1 + 2 USB 2.0 = 5 выделенных портов. Плюс 1 порт USB 2.0 использует контроллер ARGB Nuvoton NUC126.
Таким образом B550 кроме вышеуказанных портов USB 3.2 еще реализовал 3 порта USB 2.0.
Плюс 14 линий PCIe, выделенные на поддержку иной периферии (включая те же самые контроллеры USB). Итого, у B550 в данном случае реализованы почти все его возможные свободные PCIe линии, однако свободных линий USB портов еще достаточно.
Все быстрые USB порты Type-A/Type-C имеют свои усилители сигнала Pericom PI3EQX.

А внутренний порт Type-C поддерживается усилителем сигнала ASM1464 от ASmedia,
а также для реализации функции быстрой зарядки мобильных устройств имеется контроллер ASM1543.
Теперь о сетевых делах.
Материнская плата оснащена средствами связи скромно, но все равно 2 контроллера имеются. Один из них — скоростной Ethernet-контроллер Realtek RTL8125B, способный работать по стандарту 2,5 Гбит/с.
Имеется и всем привычный гигабитный Ethernet-контроллер, но не ожидаемый от Intel (как мы все привыкли), а тоже от Realtek: RTL8111H, способный работать по стандарту 1,0 Гбит/с.
Беспроводной связью плата не оснащена. Собственно, это удел все же решений из чуть более дорогого ценового сегмента.
Теперь про блок ввода-вывода, разъемы для подключения вентиляторов и т. п. Разъемов для подключения вентиляторов и помп — 8. Схема размещения коннекторов для систем охлаждения выглядит так:
Через ПО или BIOS контролируются все гнезда для подключения воздушных вентиляторов или помп: они могут управляться как через ШИМ, так и банальным изменением напряжения/тока.
Контролем за работой всех гнезд СО занимается процессор Nuvoton (также осуществляющий получение информации с датчиков и отвечающий за Multi I/O).
Поскольку в 3-м поколении процессоров Ryzen уже есть решения с интегрированным GPU, то у материнской платы имеется вывод встроенной в CPU графики по двум гнездам: DisplayPort и HDMI.
Аудиоподсистема
Обычно во всех современных материнских платах звуком заведует аудиокодек Realtek ALC1220, однако ради удешевления матплаты в данном случае используется чуть более простая версия — ALC1200. Тем не менее, обеспечивается вывод звука по схемам до 7.1.
Аудиотракт не содержит ни операционных усилителей, ни ЦАП. В аудиоцепях платы применяются «аудиофильские» конденсаторы Nichicon Fine Gold.
Аудиотракт вынесен на угловую часть платы, не пересекается с другими элементами. Сообщается, что левый и правый каналы разведены по разным слоям печатной платы. Все аудиоразъемы на задней панели не имеют привычной нам цветовую окраски, а помечены надписями.
В целом очевидно, что это обычная стандартная аудиоподсистема, способная удовлетворить минимальные запросы пользователей, не ожидающих от звука на материнской плате чудес.
Питание, охлаждение
Для питания платы на ней предусмотрены 2 разъема: обычный 24-контактный ATX плюс EPS12V (8-ми контактный).
Тем не менее, схема питания весьма неплохая для среднебюджетного уровня матплаты, мы видим 13 фаз.
12 каналов фаз имеют по набору из суперферритовой катушки и MOSFET ISL99360 от Intersil (Renesas Electronics) c максимальной токовой нагрузкой в 60А. Особенностью данных мосфетов является то, что каждый содержит термодатчик.
ШИМ-контроллером выступает процессор также от Renesas — RAA229004, рассчитанный максимум на 8 фаз.
Следовательно используется схема управления фазами без удвоителей фаз: 10 фаз (фактически 2х5) используются для ядра, а еще 2 — для SoC. Да, сигнал от ШИМ-контроллера идет параллельно сразу на 2 фазы (сборки). 13я (или 8-я для ШИМ-контроллера) фаза питания — для встроенной графики APU Ryzen.
Удивило лишь то, что всего один 8-контактный EPS12V. Все же схема питания не такая уж и простая.
Что касается модулей оперативной памяти, то здесь все проще: реализована однофазная схема на мосфетах от On Semiconductor и с ШИМ-контроллером от Richtek.
Теперь про охлаждение.
Все потенциально сильно греющиеся элементы имеют свои собственные радиаторы.
Как мы видим, охлаждение чипсета (один радиатор) организовано отдельно от силовых преобразователей.
VRM-секция имеет свои два раздельных радиатора.
При этом большой радиатор является кожухом задней панели, к нему приделана «заглушка» тех самых портов. Подсветок тут никаких нет.
Я ранее говорил о том, что охлаждение модулей M.2 организовано отдельно от охлаждения чипсета и VRM. И оба M.2 порта имеют свои отдельные радиаторы.
Подсветка
Несмотря на этакое милитари-позиционирование MAG серии, эти платы также подчас оснащаются подсветкой. Разумеется, в урезанном виде, как в данном случае: эффекты подсветки создаются только на самой PCB вокруг чипсета под его радиатором. Вообще как-то ожидаемо увидеть тут не RGB, а что-то типа зеленого, защитного цвета, раз «милитари».
Так же мы помним про 4 разъема для подключения внешней подсветки, и всем этим можно управлять через программу Dragon Center.
Ряд производителей моддинговых корпусов с уже вмонтированной подсветкой «сертифицируют» поддержку программ ведущих производителей материнских плат, включая MSI. А кому не нравится — всегда подсветку можно выключить через то же ПО (или в BIOS) или переключателем на самой плате.
Программное обеспечение под Windows
Настройки BIOS
Работоспособность (и разгон)
Запускаем все в режиме по умолчанию. Затем нагружаем тестами от AIDA, и OCCT.
Максимальная частота работы ядер получилась как 4,1 ГГц. Но именно максимальная, она быстро сошла ниже 4,0 ГГц, и предполагаемой максимальной частоты в 4,2 ГГц мы не увидели (собственно, глупо ждать такого от «неоверклокерской» материнки). Нагрев процессора максимально — 62°С, блока VRM и чипсета B550 не превышал 40 °C, необычных явлений не замечено.
Собственно, на этом и все. Потому что все попытки получить хотя бы 4,2 ГГц на короткое время, а 4,1 ГГц надолго — увенчались зависами и падениями системы. Как говорят военные: «колеи у танка — нет, он ее сам где хочет проложит, но «горючка» в лимите, так что не забалуешь». Плата надежная, добротная, но именно для тех, кто установил в ПК, запустил «как есть» и не лезет получать оверклокерские рекорды.
Да, я пробовал и режим Game Boost, и через Dragon Center. А авторазгоне эти утилиты ничего не приносят (плюс 50 Мгц — смешно, да?), а при ручном разгоне получается то, о чем я писал выше. Разумеется, делаем еще скидку на то, какой у нас был процессор. Вернее, экземпляр процессора.
Выводы
MSI MAG B550 Tomahawk — материнская плата на среднебюджетном чипсете, отнесенная к низшей серии MAG, то есть предназначенная для игроков и энтузиастов, так сказать, нетребовательных — не интересующихся разгоном, довольствующихся штатным режимом работы процессора и памяти. Взамен они получают стабильность и надежность работы, отменное качество исполнения платы, которой хватит не на один год, а также поддержку будущих процессоров AMD под тот же сокет АМ4.
Для среднебюджетной платы функциональность у MSI MAG B550 Tomahawk неплохая. Она имеет 13 портов USB разных видов (правда USB 3.2 Gen2 всего два), 1 слот PCIe х16 (с 16 линиями от процессора), а также «длинный» слот PCIe x4 (поэтому AMD CrossFire реализовать можно — правда, в этом случае один из слотов M.2 будет заблокирован), два слота PCIe x1 для карт расширения, 2 слота M.2, 6 портов SATA. Система питания процессора неплоха, она способна обеспечить работу любых совместимых процессоров даже в турборежиме (однако для этого потребуется хороший кулер). Плата имеет 8 разъемов для подключения вентиляторов и помп, радиаторами оснащены все накопители в слотах M.2. Дополняют картину два проводных сетевых контроллера: обычный на 1 Гбит/с и 2,5-гигабитный. Стоит отметить подсветку, включая широкие возможности для подключения дополнительных RGB-устройств.
В общем, для среднего уровня плата получилась очень неплохая, однако вряд ли она подойдет в качестве замены аналогов на Х570 (если кому надоел вентилятор на этом чипсете). На момент публикации обзора розничные цены еще не были известны, поэтому по данному поводу сказать пока нечего.
Напомню, что чипсет AMD B550 предусматривает поддержку процессоров Ryzen 3-го и будущего (4-го) поколений с PCIe 4.0, однако сам аппаратно реализует только PCIe 3.0. Это надо учитывать, размещая, например, накопители в слотах M.2 (ибо один из них подключается к процессору и потому реализует PCIe 4.0, а второй — к В550, и потому там скорость обмена информацией ограничена интерфейсом PCIe 3.0).
Несмотря на официальные спецификации AMD, платы на В550 прекрасно работают с процессорами Ryzen предыдущих поколений (разумеется, с учетом возможностей этих процессоров в плане поддержки тех же USB-портов).
Благодарим компанию MSI Russia
и лично Лизу Чень
за предоставленную на тестирование плату
Также благодарим компанию Acronis
и лично Анну Кочарову за предоставление Premium-лицензии Acronis True Image для тестовых стендов
Для тестового стенда:
ЖСО Cooler Master MasterLiquid ML240P Mirage предоставлена компанией Cooler Master
блок питания Corsair AX1600i (1600W) предоставлен компанией Corsair
термопаста Noctua NT-H2 предоставлена компанией Noctua

















































































