Всю детальную информацию о семействах процессоров можно найти в нашем разделе по ним.
К нам на изучение попадают все новые и новые материнские платы на базе Intel Z790, некоторые из них совсем недавно появились на нашем рынке, а какие-то уже давно имеются в продаже, но в силу ряда причин мы их пропустили.
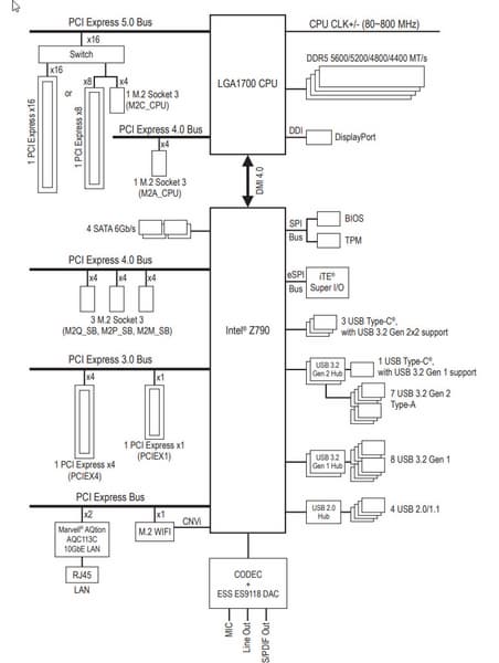
Стоит напомнить, что чипсет Z790 имеет 38 высокоскоростных портов (High Speed In Out, HSIO), до 5х интегрированных USB 3.2 Gen2x2 (до 20 Gb/s) портов (правда каждый из них требует поддержки со стороны двух USB 3.2 Gen2, неважно, от самого Z790 или сторонних хабов). В свою очередь 12е/13е/14е поколения процессоров имеют поддержку PCIe 5.0 в виде 16 линий (расходуемые на слоты PCIe x16), плюс 4 линии PCIe 4.0, идущие на М.2 слот, получающий данные непосредственно от процессора. По поводу памяти: все эти поколения процессоров могут работать как с DDR5, так и с DDR4.
Переходим к герою нынешнего материала – материнской плате Gigabyte Z790 Aorus Master X, которая относится к топовому суббренду Aorus, поэтому перед нами почти флагман (мы помним, что самая-самая в этой линейке — материнка c суффиксом Xtreme, а Master — на ступень ниже). Суффикс «Х» в названии означает новую версию материнской платы, выпущенную ради выхода 14го поколения процессоров Intel, и такая версия обязательно обладает какой-то изюминкой. Но об этом позже.
Gigabyte Z790 Aorus Master X поставляется в традиционной коробке фирменного «cоколиного» дизайна серии Aorus. Комплект размещен под платой в отдельном отсеке.
Комплект поставки весьма скромен для топового продукта: кроме традиционных элементов типа руководства пользователя и кабелей SATA, имеются антенна встроенного Wi-Fi-модуля, фирменный адаптер для передней панели, бонусные стикеры, два термодатчика и датчик шума.
ПО не поставляется (все равно последние версии надо скачивать с вебсайта производителя).
«Заглушка» на заднюю панель с разъемами уже смонтирована на самой плате.
Форм-фактор
Форм-фактор ATX имеет размеры до 305×244 мм, а E-ATX — до 305×330 мм. Материнская плата Gigabyte Z790 Aorus Master X имеет размеры 305×260 мм, поэтому выполнена в форм-факторе E-ATX, и на ней имеются 9 монтажных отверстий для установки в корпус. Однако следует иметь в виду, что одно из девяти монтажных отверстий перекрыто радиатором для слота M.2.
На оборотной стороне расположены несколько контроллеров и традиционные некоторые электронные логические элементы. Текстолит обработан неплохо: во всех точках пайки срезаны острые концы. На задней стороне установлена пластина из алюминия с наноуглеродным покрытием. Она помогает отводить тепло от задней стороны PCB через термоинтерфейс и обеспечивает жесткость материнской платы.
Технические характеристики
Традиционная таблица с перечнем функциональных особенностей.
| Поддерживаемые процессоры | Intel Core 12/13/14-го поколений |
|---|---|
| Процессорный разъем | LGA 1700 |
| Чипсет | Intel Z790 |
| Память | 4 × DDR5, до 8266 МГц (XMP), до 192 ГБ, два канала |
| Аудиоподсистема | 1 × Realtek ALC1220 (5.1) + ЦАП ESS ES9118 |
| Сетевые контроллеры | 1 × Marvell AQC113 Ethernet 10 Гбит/с 1 × Qualcomm Dual Band Wireless QCNCM865 (Wi-Fi7 802.11a/b/g/n/ac/ax/be (2,4/5/6 ГГц) + Bluetooth 5.4) |
| Слоты расширения | 1 × PCIe 5.0 x16 (режимы x16, x8+M.2) 1 × PCIe 3.0 x16 (режим x4) 1 × PCIe 3.0 x16 (режим x1) |
| Разъемы для накопителей | 4 × SATA 6 Гбит/с (Z790) 1 × M.2 (M2C_CPU, CPU, PCIe 5.0 x4 для устройств формата 2242/2260/2280/25110) 1 × M.2 (M2A_CPU, CPU, PCIe 4.0 x4 для устройств формата 2260/2280/22110) 1 × M.2 (M2Q_SB, Z790, PCIe 4.0 x4 для устройств формата 2260/2280/22110) 1 × M.2 (M2P_SB, Z790, PCIe 4.0 x4 для устройств формата 2260/2280) 1 × M.2 (M2M_SB, Z790, PCIe 4.0 x4/SATA для устройств формата 2242/2260/2280) |
| USB-порты | 4 × USB 2.0: 2 внутренних разъема на 4 порта (GL850G) 4 × USB 3.2 Gen1: 2 внутренних разъема на 4 порта (RTS5411) 4 × USB 3.2 Gen1: 4 порта Type-A (RTS5411) 1 × USB 3.2 Gen2: 1 порт Type-C (RTS5420) 1 × USB 3.2 Gen2x2: внутренний разъем Type-C (RTS5464) 2 × USB 3.2 Gen2x2: 2 порта Type-C (RTS5464) 7 × USB 3.2 Gen2: 7 портов Type-A (красные) (2xRTS5420) |
| Разъемы на задней панели | 3 × USB 3.2 Gen2x2 (Type-C) 7 × USB 3.2 Gen2 (Type-A) 4 × USB 3.2 Gen1 (Type-A) 1 × RJ-45 2 аудиоразъема типа миниджек 1 × S/PDIF (оптический, выход) 1 × DP 2 антенных разъема кнопка сброса CMOS кнопка перепрошивки BIOS — Q Flash Plus |
| Прочие внутренние элементы | 24-контактный разъем питания ATX 2 8-контактный разъем питания EPS12V 1 слот M.2 (E-key), занят адаптером беспроводных сетей 1 разъем для подключения порта USB 3.2 Gen2x2 Type-C 2 разъема для подключения 4 портов USB 3.2 Gen1 2 разъема для подключения 4 портов USB 2.0 10 разъемов для подключения 4-контактных вентиляторов и помп ЖСО 2 разъема для подключения неадресуемой RGB-ленты 2 разъема для подключения адресуемой ARGB-ленты 1 разъем аудио для передней панели корпуса 1 разъем для датчика шума 2 разъема для термодатчиков 1 разъем для устройств безопасности TPM 1 разъем для дискретных карт Thunderbolt 1 разъем для подключения управления с передней панели корпуса 1 кнопка включения питания Power 1 кнопка перезагрузки Reset |
| Форм-фактор | E-ATX (305×260 мм) |
| Розничная стоимость | 60-70 тысяч рублей на момент подготовки обзора |
Основная функциональность: чипсет, процессор, память
Схема работы связки чипсет+процессор.
Формально имеется поддержка памяти DDR5 до 5600 МГц, однако всем хорошо известно, и производители материнских плат это активно рекламируют: через XMP-профили сейчас можно использовать частоты до 7000 и выше МГц. В частности данная плата поддерживает частоты до 8266 МГц.
Процессоры Intel Core 14/13/12-го поколений (совместимые с сокетом LGA1700 и поддерживаемые Z790) имеют 20 линий ввода-вывода (16 PCIe 5.0, 4 PCIe 4.0), не имеют USB и SATA портов. При этом взаимодействие с Z790 идет по особому каналу Digital Media Interface 4.0 (DMI 4.0 x8). Все PCIe линии процессора идут на слоты расширения PCIe и порт М.2. Serial Peripheral Interface (SPI) используется для взаимодействия с системой UEFI/BIOS, а шина Low Pin Count (LPC) — для связи с устройствами ввода/вывода, не требующими высокой пропускной способности (контроллерами вентиляторов, TPM, старой периферии).
В свою очередь чипсет Z790 поддерживает в сумме 38 линий ввода/вывода, которые распределяться могут так:
- до 14 портов USB (из которых до 5 портов USB 3.2 Gen2х2, 10 портов USB 3.2 Gen2, до 10 портов USB 3.2 Gen1, до 14 портов USB 2.0, линии USB 2.0 используются в том числе и для поддержки 3.2 портов, а каждый порт USB 3.2 Gen2х2 требует поддержки со стороны двух USB 3.2 Gen2);
- до 8 портов SATA 6Гбит/с;
- до 28 линий PCIe (8 версии 3.0 и 20 версии 4.0).
Gigabyte Z790 Aorus Master X поддерживает процессоры Intel Core 12/13/14-го поколений, выполненные под разъем (сокет) LGA1700.
Для установки модулей памяти на плате Gigabyte имеется четыре DIMM-слота (для работы памяти в Dual Channel в случае использования всего 2 модулей их следует устанавливать в А2 и B2.
Плата поддерживает небуферизованную память DDR5 (non-EСС), а максимальный объем памяти составляет 192 ГБ.
Слоты DIMM имеют металлическую окантовку, которая препятствует деформации слотов и печатной платы при установке модулей памяти и защищает от электромагнитных помех. С той же целью проводники к ОЗУ тщательно экранированы.
Периферийная функциональность: PCIe, SATA, разные «фенечки»
Выше мы изучили потенциальные возможности тандема Z790+Core, а теперь посмотрим, что из этого и как реализовано в данной материнской плате.

Кроме USB-портов, к которым мы подойдем позже, чипсет Z790 обладает 28 PCIe линиями. Считаем, сколько линий уходит на поддержку (связь) с тем или иным элементом (надо учитывать, что 28 линий не единой версии, а 20 линий PCIe 4.0 и 8 линий PCIe 3.0):
- Слот PCIe x16_2 (1 линия PCIe 3.0);
- Слот PCIe x16_3 (4 линии PCIe 3.0);
- порты SATA_1/2/3/4: (4 линии PCIe 4.0);
- Слот M.2 (M2Q_SB) (4 линии PCIe 4.0);
- Слот M.2 (M2P_SB) (4 линии PCIe 4.0);
- Слот M.2 (M2M_SB) (4 линии PCIe 4.0);
- Marvell AQC113 (Ethernet 10Gb/s) (2 линии PCIe 3.0);
- Qualcomm QCNCM865 WIFI7/BT (Wireless) (1 линия PCIe 3.0);
- Realtek RTS5464 (контроллер USB 3.2 Gen2) (1 линия PCIe 4.0);
- Realtek RTS5464 (контроллер USB 3.2 Gen2) (1 линия PCIe 4.0);
- Realtek RTS5420 (контроллер USB 3.2 Gen2) (1 линия PCIe 4.0);
- Realtek RTS5420 (контроллер USB 3.2 Gen2) (1 линия PCIe 4.0);
28 линий PCIe оказались занятыми (20 PCIe 4.0 + 8 PCIe 3.0). Связь с аудиокодеками уровня Realtek RTL408x идет через USB 2.0, а с кодеками уровня RTL1220 и ниже – через HDA (эмуляцию шины PCI), так что в данном случае линия USB 2.0 не расходуется. Но один USB 2.0 расходуется на поддержку BT, а также контроллеры GL850G, RTS5411, RTS5463, для своих нужд используют сигнальные линии USB 2.0 и 3.2 Gen1/2. Детально об этом ниже в разделе USB-портов.
Теперь посмотрим выше на то, как работают процессоры в данной конфигурации. У CPU 14/13/12-го поколений всего 20 линий PCIe, 4 из них версии PCIe 4.0 отведены на порт М.2 (M2A_CPU). Оставшиеся 16 линий PCIe 5.0 надо делить на слот PCIe x16_1 и слот M.2 (M2C_CPU). Вариантов переключения несколько:
- Слот PCIe x16_1 имеет 16 линий (слот M2C_CPU отключен);
- Слот PCIe x16_1 имеет 8 линий, слот M2C_CPU занимает до 4 линий
Теперь в целом про слоты PCIe.
Всего на плате есть 3 слота: один PCIe x16_1 (для видеокарт или других устройств) и два PCIe x16_2/3 (но фактически имеющие 1 линию и 4 линии соответственно).
Еще раз отмечу, что материнская плата имеет возможность обеспечить слот M.2 (M2C_CPU) версией PCIe 5.0, но в случае занятости этого слота модулем SSD PCIe x16_1 получит всего 8 линий PCIe 5.0.
Как видим, перераспределение линий PCIe этой материнки имеется, поэтому востребованы мультиплексоры Lerain.
Выше я вел речь про первый PCIe x16_1, подключенный к процессору. Остальные два PCIe x16 подключены к Z790, и, несмотря на их форм-фактор, работают в режимах x1 и x4 соответственно.
Все три слота PCIe x16 имеют металлическое армирование из нержавеющей стали, которое увеличивает их надежность. Кроме того, такая защита предохраняет слоты от электромагнитных помех.
Для удобного извлечения видеокарт из слота имеется специальная кнопка — EZ-Plus, что расположена около слота PCIe x16, но в легко доступном месте.
Многим известно, частенько неудобно дотягиваться до «хвоста» слота, где требуется нажать на защелку для разблокирования карты в слоте: ведь, как правило, выше первого слота PCIe имеется M.2 слот с высоким радиатором, и до защелки даже пальцем не дотянуться.
Матплата позволяет смонтировать СО любого размера.
На очереди — накопители.
Всего у платы 4 разъема Serial ATA 6 Гбит/с + 5 слотов для накопителей в форм-факторе M.2. 4 порта SATA 1,2,3,4 реализованы через чипсет Z790 и поддерживают создание RAID.
Материнская плата имеет 5 гнезд форм-фактора М.2.
Третий, четвертый и пятый слоты M.2 (M2Q_SB, M2P_SB, M2M_SB) получают данные от чипсета Z790, а первые два — от CPU, при этом M2C_CPU получает PCIe 5.0, деля ресурсы со слотом PCIe x16_1 (о чем я уже выше рассказывал), а M2A_CPU штатно получает от процессора PCIe 4.0.
И только М2M_SB поддерживает модули с любым интерфейсом, а все остальные работают с модулями только с PCIe интерфейсом.
Все слоты M.2 поддерживают модули с размерами 2260 и 2280. Слоты M2C_CPU, M2A_CPU, M2Q_SB поддерживают еще и 22110, а M2C_CPU – 25110. Модули размером 2242 можно установить в слоты M2C_CPU и M2M_SB. Детально все показано на картинке распределения ресурсов по слотам, что приведена выше в разделе слотов PCIe.
На всех M.2 можно организовать RAID. Следует особо отметить способ крепления накопителей М.2 в слотах через установленные на стойках поворотные замки, что позволяет обойтись без тех самых очень маленьких винтиков.
Все M.2 слоты имеют радиаторы. Верхний M2C_CPU обладает отдельным мощным радиатором, когда как остальные все слоты M.2 имеют общий радиатор.
Периферийная функциональность: USB-порты, сетевые интерфейсы, ввод-вывод
Теперь на очереди USB-порты и прочие вводы-выводы. И начнем с задней панели, куда выведены большинство из них.
Повторим: чипсет Z790 способен реализовать не более 14 портов USB, из которых может быть до 10 портов USB 3.2 Gen1, до 10 портов USB 3.2 Gen2, до 5 портов USB 3.2 Gen2x2, и/или до 14 портов USB 2.0.
Также мы помним и про 28 линий PCIe, которые идут на поддержку накопителей, сетевых и иных контроллеров (я выше уже показал на что и как расходуются все 28 линий).
И что мы имеем? Всего на материнской плате — 23 порта USB:
- 3 порта USB 3.2 Gen2x2: один реализован с помощью контроллера Realtek RTS5463 (на него потрачена одна линия USB 3.2 Gen1 от Z790) и представлен одним внутренним портом Type-C (для подключения к соответствующему разъему на передней панели корпуса); два других реализованы через два контроллера Realtek RTS5464 (каждый из них использует 1 линию PCIe от Z790) и представлены двумя портами Type-C на задней панели;
- 7 портов USB 3.2 Gen2: 4 реализованы через контроллер Realtek RTS5420 (на него потрачена 1 линия PCIe от Z790) и представлены на задней панели портами Type-A (красного цвета); еще 3 реализованы через второй контроллер Realtek RTS5420 (на него потрачена 1 линия PCIe от Z790) и представлены также на задней панели портами Type-A (красного цвета);
- 9 портов USB 3.2 Gen1: 4 реализованы через контроллер Realtek RTS5411 (на него потрачена 1 линия USB 3.2 Gen1 от Z790) и представлены 2 внутренними разъемами на материнской плате (каждый на 2 порта); еще 4 реализованы через второй контроллер Realtek RTS5411 (на него потрачена 1 линия USB 3.2 Gen1 от Z790) и представлены на задней панели портами Type-A (синего цвета); и 1 порт реализован через ранее упомянутый второй контроллер Realtek RTS5420 и представлен на задней панели портом Type-C;
- 4 порта USB 2.0/1.1: все реализованы через контроллер Genesys Logic GL850G (на него потрачена 1 линия USB 2.0 от Z790) и представлены двумя внутренними разъемами (каждый на 2 порта).
Таким образом, у нас 2 контроллера используют USB 2.0 линии от Z790:
- Genesys Logic GL850G (4 USB 2.0 через 2 внутренних разъема) (1 линия USB 2.0);
- Bluetooth (Qualcomm QCNCM865) (1 линия USB 2.0).
Еще три контроллера используют линии USB 3.2 Gen1 от Z790:
- Realtek RTS5411 (4 USB 3.2 Gen1 через 2 внутренних разъема) (1 линия USB 3.2 Gen1);
- Realtek RTS5411 (4 USB 3.2 Gen1 через 4 порта Type-A на задней панели) (1 линия USB 3.2 Gen1)
- Realtek RTS5463 (2 USB 3.2 Gen2 на обеспечение порта USB 3.2 Gen2x2) (1 линия USB 3.2 Gen1).
Итак, через чипсет Z790 реализовано высокоскоростных портов USB:
- 3 выделенных USB 3.2 Gen2x2 (не в счет, ибо получены засчет других HSIO);
- + 0 выделенных USB 3.2 Gen2
- + 0 выделенных USB 3.2 Gen1
- + 3 USB 3.2 Gen1 на обеспечение трех контроллеров
= 3 высокоскоростных порта. Не забываем, что каждый высокоскоростной порт USB обеспечен портом USB 2.0, то есть уже 3 порта USB 2.0 также занято. Плюс 2 порта USB 2.0 на обеспечение контроллеров. Всего 5 USB 2.0 портов реализовано.
Ну и 28 линий PCIe, выделенных на поддержку иной периферии.
Итого у Z790 в данном случае реализовано 31 высокоскоростной порт из 38.
Все быстрые USB порты Type-C оснащены ре-драйверами, дающими устойчивый вольтаж, способный обеспечить быструю зарядку мобильных гаджетов через них.
Теперь о сетевых делах.
Материнская плата оснащена средствами связи очень даже хорошо. Имеется очень скоростной Ethernet-контроллер Marvell Aqtion AQC113, способный работать по стандарту 10 Гбит/с.
Имеется и комплексный беспроводной адаптер на контроллере Qualcomm QCNCM865, через который реализованы Wi-Fi 7 (802.11a/b/g/n/ac/ax/be, 2,4/5/6 ГГц) и Bluetooth 5.4. . Он установлен в слот M.2 (E-key), и его разъемы для привинчивания выносных антенн выведены на заднюю панель.
Заглушка, традиционно надеваемая на заднюю панель, в данном случае уже надета, и изнутри экранирована для снижения электромагнитных помех.
Аудиоподсистема
Мы знаем, что уже достаточно давно в большинстве современных материнских платах звуком заведовал аудиокодек Realtek ALC1220. В целом обеспечивает вывод звука по схемам до 7.1 с разрешением до 24 бит / 192 кГц. Мы видели уже и ALC4082 того же производителя с улучшенными характеристиками 32 бит / 384 кГц. Однако в данном случае мы видим возврат к прежнему ALC1220, а также схема вывода упрощена до 5.1.
Имеется и ЦАП ESS ES9118
В аудиоцепях платы применяются «аудиофильские» конденсаторы.
Аудиотракт вынесен на угловую часть платы, не пересекается с другими элементами. У карты два универсальных разъема с позолоченным покрытием по приему и выводу сигналов плюс оптический S/PDIF. Вывод по схеме 5.1 возможен только через S/PDIF (аналоговая схема упрощена до стерео).
Питание, охлаждение
Для питания платы на ней предусмотрены 3 разъема: в дополнение к 24-контактному ATX (он на правой стороне платы (на фото — слева) здесь есть еще два 8-контактных EPS12V. Все разъемы питания имеют металлическое армирование.
Схема питания процессора выполнена по схеме 20+2+1 (всего 23 фазы, 20 на VCore, 2 на VCCIO и 1 на интегрированное графическое ядро).
Каждый канал фазы имеет суперферритовый дроссель и RAA22010540 DrMOS от Renesas на 105 А.
Управляет схемой два ШИМ-контроллера RAA229130 и RAA229131 от Renesas, каждый рассчитан максимум на 20 фаз.


Блок VCCSA имеет свою отдельную двухфазную схему питания (с мосфетами от Om Semi (до 60А), управляемую ШИМ-контроллером MP2940A от Monolithic Power Systems.


Теперь про охлаждение.
Все потенциально сильно греющиеся элементы имеют свои собственные радиаторы.
Как мы видим, охлаждение чипсета (один радиатор) организовано отдельно от силовых преобразователей. VRM-секция имеет свои два радиатора, соединенные тепловой трубкой под прямым углом.
Радиатор VRM, идущий вдоль заднего блока портов, имеет кожух, прикрывающий тот самый блок, оснащенный подсветкой.
Как я уже упоминал ранее, M.2 слоты также имеют радиаторы: у верхнего — свой персональный радиатор, у остальных — общий, который прикручивается к радиатору чипсета.
Материнская плата имеет бэкплейт, защитную пластину на оборотной стороне, которая также принимает участие в охлаждении в районе VRM через термопрокладки.
Подсветка
Программное обеспечение под Windows
Настройки BIOS
Работоспособность (и разгон)
Запускаем все в режиме по умолчанию, настройки PerfDrive в режиме оптимизации . Затем нагружаем тестами.
В режиме авторазгона мы получили от 5 до 5,3 ГГц по всем P-ядрам, и 4.3 ГГц по всем Е-ядрам. Напомню, что Р-ядра — это обычные всем привычные ядра, имеющие по 2 потока каждый, «Р» — означает Performance, то есть производительные. «Е» — это энергоэффективные ядра, так называемые, малые ядра, у них по 1 потоку.
Скажу, что авторазгон не самый высокий, что мы видели ранее. Да, система по умолчанию, определив мощное питание матплаты, выставила приличные частоты, но я видел и выше. Что касается остальных параметров работы компонентов по нагреву, то все они были в норме. Потребление CPU переваливало за 240 Вт.
Надо отметить, что инженеры Gigabyte еще в 2023 году ввели новый параметр настроек – PerfDrive.
Как мы видим, отключить эту технологию никак нельзя, она:
- находится либо в режиме самооптимизации (выше мы уже видели, что эта «оптимизация» привела по сути к отключению MCE, и автоматический рост частот по TurboBoost уже не по всем ядрам, да и не такой приличный, какого следовало бы ожидать от матплаты с очень мощной системой питания),
- либо пытается достичь 6 ГГц хотя бы одним ядром на короткое время (ну типа зафиксировали «рекорд» и хватит),
- либо пытается как-то выйти на уровень MCE по всем ядрам, но опять же нужные нам частоты работы ядер вручную задать мы не можем (PerfDrive извещает, что или ручной разгон, или эта технология будет «самооптимизироваться», мешая тем самым ручному разгону).
Включение режима Unleash (то есть максимально возможный автоматический разгон) дало вот что:
Авторазгон позволил получить 5,7 ГГц по всем P-ядрам, и 4.4 ГГц по всем Е-ядрам, при этом потребление процессора уже перевалило за 290 Вт, но остальные все параметры по нагреву были в норме.
Собственно, для желающих безопасно выжать из процессора максимум частот работы советуем именно этот режим в настройках BIOS.
Выводы
Gigabyte Z790 Aorus Master X — очень мощный, современный и дорогой вариант материнской платы на базе Intel Z790 из серии Aorus (хотя и не самая старшая в ней модель) со стоимостью в районе 60-70 тысяч рублей на момент публикации обзора. Эта весьма навороченная плата с поддержкой 12-го, 13-го и 14-го поколений процессоров Intel Core создана для геймеров и энтузиастов-оверклокеров.
У Gigabyte Z790 Aorus Master X имеется 23 порта USB разных видов, включая 7 очень быстрых USB 3.2 Gen2, а также три(!) USB 3.2 Gen2×2 в виде портов Type-C. Плата предлагает 3 слота PCIe х16, один из которых получает от процессора 16 линий PCIe версии 5.0, а два других работают в режимах х1 и x4 (подключены к чипсету). Также у платы аж 5 слотов M.2: два подключены напрямую к процессору, при этом один линиями PCIe 4.0, а другой делит линии PCIe 5.0 со слотом PCIe x16, вынуждая последний переходить в режим х8. Три других слота М.2 подключены к чипсету Z790 линиями PCIe 4.0.
В арсенале платы также есть 4 порта SATA и 10 разъемов для вентиляторов. Система питания процессора очень мощная, способная обеспечить работу любых совместимых процессоров с приличным запасом на разгон (надо лишь включить нужные настройки в BIOS Setup). Плата имеет грамотную систему охлаждения каждого потенциально греющегося элемента, включая накопители в слотах M.2 (термопрокладки для охлаждения накопителей есть с обеих сторон). Сетевые возможности прекрасные: очень быстрый проводной контроллер 10 Гбит/с и один самый современный беспроводной. В числе плюсов платы можно упомянуть неплохую подсветку, включая широкие возможности для подключения дополнительных RGB-устройств.

В номинации «Оригинальный дизайн» плата Gigabyte Z790 Aorus Master X получила награду:
















































































































