Всю детальную информацию о семействах процессоров можно найти в нашем разделе по ним.
Напомню, что Intel Z790 – не сменяемый чипсет с 2022 года, то есть на рынке уже присутствует огромное количество моделей и вариантов матплат на нем. Именно поэтому мы все продолжаем и продолжаем изучать подобные продукты, попадающие на наш рынок.
Данная матплата интересна прежде всего тем, что, несмотря на относится к топовому суббренду Aorus, не является флагманской и очень дорогой.
Многие читатели знают, что чипсет Z790 получил 38 высокоскоростных портов (High Speed In Out, HSIO), также мы видим поддержку до 5х интегрированных USB 3.2 Gen2x2 (до 20 Gb/s) портов (правда каждый из них требует поддержки со стороны двух USB 3.2 Gen2, неважно, от самого Z790 или сторонних хабов).
При этом 12/13/14е поколения процессоров имеют поддержку PCIe 5.0 в виде 16 линий (расходуемые на слоты PCIe x16), плюс 4 линии PCIe 4.0, идущие на М.2 слот, получающий данные непосредственно от процессора. По поводу памяти : все три поколения процессоров могут работать как с DDR5, так и с DDR4.
Переходим к герою нынешнего материала – материнской плате Gigabyte Z790 Aorus Elite AX.
Gigabyte Z790 Aorus Elite AX поставляется в стандартной коробке с фирменным дизайном. Комплект размещен под платой в отдельном отсеке.
Комплект поставки очень скромен: кроме традиционных элементов типа руководства пользователя и кабелей SATA, имеются: антенна встроенного Wi-Fi-модуля и G-коннектор, упрощающий подключение проводов управления от корпуса к матплате.
ПО не поставляется (все равно последние версии надо скачивать с вебсайта производителя).
«Заглушка» на заднюю панель с разъемами уже смонтирована на самой плате.
Форм-фактор
Форм-фактор ATX имеет размеры до 305×244 мм, а E-ATX — до 305×330 мм. Материнская плата Gigabyte Z790 Aorus Elite AX имеет размеры 305×244 мм, поэтому выполнена в форм-факторе ATX, и на ней имеются 9 монтажных отверстий для установки в корпус.
На оборотной стороне практически ничего нет. Текстолит обработан хорошо: во всех точках пайки не только острые концы срезаны, но и все неплохо отшлифовано. Бэкплейта нет.
Технические характеристики
Традиционная таблица с перечнем функциональных особенностей.
| Поддерживаемые процессоры | Intel Core 12/13/14-го поколений |
|---|---|
| Процессорный разъем | LGA 1700 |
| Чипсет | Intel Z790 |
| Память | 4 × DDR5, до 7600 МГц (XMP), до 192 ГБ, два канала |
| Аудиоподсистема | 1 × Realtek ALC1220 (5.1) |
| Сетевые контроллеры | 1 × Realtek RTL8125BG Ethernet 2,5 Гбит/с 1 × Realtek RTL8852 WiFi 6E (Wi-Fi 802.11a/b/g/n/ac/ax + Bluetooth 5.3) |
| Слоты расширения | 1 × PCIe 5.0 x16 (режим x16) 2 × PCIe 4.0 x16 (режим x4) |
| Разъемы для накопителей | 6 × SATA 6 Гбит/с (Z790) 1 × M.2 (M2A_CPU, CPU, PCIe 4.0 x4 для устройств формата 2280/22110) 1 × M.2 (M2Q_SB, Z790, PCIe 4.0 x4 для устройств формата 2280/22110) 1 × M.2 (M2P_SB, Z790, PCIe 4.0 x4 для устройств формата 2280/22110) 1 × M.2 (M2M_SB, Z790, PCIe 4.0 x4/SATA для устройств формата 2280/22110) |
| USB-порты | 4 × USB 2.0: 2 внутренних разъема на 4 порта (GL850G) 4 × USB 2.0: 4 порта Type-A (GL850G) 2 × USB 3.2 Gen1: 1 внутренний разъем на 2 порта (Z790) 3 × USB 3.2 Gen1: 3 порта Type-A (Z790) 1 × USB 3.2 Gen2: 1 внутренний разъем Type-C (Z790) 1 × USB 3.2 Gen2x2: 1 порт Type-C (Z790) 2 × USB 3.2 Gen2: 2 порта Type-A (красные) (Z790) |
| Разъемы на задней панели | 1 × USB 3.2 Gen2x2 (Type-C) 2 × USB 3.2 Gen2 (Type-A) 3 × USB 3.2 Gen1 (Type-A) 4 × USB 2.0 (Type-A) 1 × RJ-45 2 аудиоразъема типа миниджек 1 × S/PDIF (оптический, выход) 1 × DP 1 × HDMI 2 антенных разъема |
| Прочие внутренние элементы | 24-контактный разъем питания ATX 2 8-контактный разъем питания EPS12V 1 слот M.2 (E-key), занят адаптером беспроводных сетей 1 разъем для подключения порта USB 3.2 Gen2 Type-C 1 разъем для подключения 2 портов USB 3.2 Gen1 2 разъема для подключения 4 портов USB 2.0 6 разъемов для подключения 4-контактных вентиляторов и помп ЖСО 1 разъем для подключения неадресуемой RGB-ленты 3 разъема для подключения адресуемой ARGB-ленты 1 разъем аудио для передней панели корпуса 1 разъем сброса CMOS 1 разъем для устройств безопасности TPM 2 разъема для дискретных карт Thunderbolt 1 разъем для подключения управления с передней панели корпуса 1 кнопка перепрошивки BIOS — Q Flash Plus 1 кнопка перезагрузки Reset |
| Форм-фактор | ATX (305×244 мм) |
| Розничные предложения |
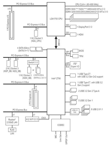
Основная функциональность: чипсет, процессор, память

Схема работы связки чипсет+процессор.
Формально имеется поддержка памяти DDR5 до 5600 МГц, однако всем хорошо известно, и производители материнских плат это активно рекламируют: через XMP-профили сейчас можно использовать частоты до 7000 и выше МГц. В частности данная плата поддерживает частоты до 7600 МГц.
Процессоры Intel Core, совместимые с сокетом LGA1700 и поддерживаемые Z790, имеют 20 линий ввода-вывода (16 PCIe 5.0, 4 PCIe 4.0), не имеют USB и SATA портов. При этом взаимодействие с Z790 идет по особому каналу Digital Media Interface 4.0 (DMI 4.0 x8). Все PCIe линии процессора идут на слоты расширения PCIe и порт М.2. Serial Peripheral Interface (SPI) используется для взаимодействия с системой UEFI/BIOS, а шина Low Pin Count (LPC) — для связи с устройствами ввода/вывода, не требующими высокой пропускной способности (контроллерами вентиляторов, TPM, старой периферии).
В свою очередь чипсет Z790 поддерживает в сумме 38 линий ввода/вывода, которые распределяться могут так:
- до 14 портов USB (из которых до 5 портов USB 3.2 Gen2х2, 10 портов USB 3.2 Gen2, до 10 портов USB 3.2 Gen1, до 14 портов USB 2.0, линии USB 2.0 используются в том числе и для поддержки 3.2 портов, а каждый порт USB 3.2 Gen2х2 требует поддержки со стороны двух USB 3.2 Gen2);
- до 8 портов SATA 6Гбит/с;
- до 28 линий PCIe (8 версии 3.0 и 20 версии 4.0).
Еще раз надо напомнить, что Gigabyte Z790 Aorus Elite AX поддерживает процессоры Intel Core 12/13/14-го поколений, выполненные под разъем (сокет) LGA1700.
Для установки модулей памяти на плате Gigabyte имеется четыре DIMM-слота (для работы памяти в Dual Channel в случае использования всего 2 модулей их следует устанавливать в А2 и B2.
Плата поддерживает небуферизованную память DDR5 (non-EСС), а максимальный объем памяти составляет 192 ГБ.
Слоты DIMM не имеют металлической окантовки, препятствующей деформации слотов и печатной платы при установке модулей памяти, однако при этом проводники к ОЗУ тщательно экранированы и защищены от электромагнитных помех.
Периферийная функциональность: PCIe, SATA, разные дополнительные устройства
Выше мы изучили потенциальные возможности тандема Z790+Core, а теперь посмотрим, что из этого и как реализовано в данной материнской плате.

Кроме USB-портов, к которым мы подойдем позже, чипсет Z790 обладает 28 PCIe линиями. Считаем, сколько линий уходит на поддержку (связь) с тем или иным элементом (надо учитывать, что 28 линий не единой версии, а 20 линий PCIe 4.0 и 8 линий PCIe 3.0):
- Слот PCIe x16_2 (4 линии PCIe 4.0);
- Слот PCIe x16_3 (4 линии PCIe 4.0);
- порты SATA_4/5/6/7: (4 линии PCIe 3.0);
- Слот M.2 (M2Q_SB) (4 линии PCIe 4.0);
- Слот M.2 (M2P_SB) (4 линии PCIe 4.0);
- Переключатель: или слот M.2 (M2M_SB) (4 линии PCIe 4.0), или порты SATA_2/3 (2 линии PCIe 4.0) (максимум 4 линии PCIe 4.0);
- Realtek RTL8125BG (Ethernet 2,5Gb/s) (1 линия PCIe 3.0);
- Realtek RTL8852 WIFI/BT (Wireless) (1 линия PCIe 3.0)
26 линий PCIe оказались занятыми (20 PCIe 4.0 + 6 PCIe 3.0). Связь с аудиокодеками уровня Realtek RTL408x идет через USB 2.0, а с кодеками уровня RTL1220 и ниже – через HDA (эмуляцию шины PCI), так что в данном случае линия USB 2.0 не расходуется. Но один USB 2.0 расходуется на поддержку BT, а также 2 контроллера GL850G для своих нужд используют сигнальные линии USB 2.0 Детально об этом ниже в разделе USB-портов.
Теперь посмотрим выше на то, как работают процессоры в данной конфигурации. У CPU всего 20 линий PCIe, 4 из них версии PCIe 4.0 отведены на порт М.2 (M2A_CPU). Оставшиеся 16 линий PCIe 5.0 идут на слот PCIe x16_1.
Теперь в целом про слоты PCIe.
Всего на плате есть 3 слота: один PCIe x16_1 (для видеокарт или других устройств) и два PCIe x16_2/3 (но фактически имеющие по 4 линии PCIe 4.0 соответственно).
Как видим, перераспределений линий PCIe 5.0 нет, поэтому и мультиплексоров PCIe 5.0 нет. Выше я вел речь про первый PCIe x16_1, подключенный к процессору. Остальные два PCIe x16 подключены к Z790, и, несмотря на их форм-фактор, работают в режимах x4.
Первый слот PCIe x16 имеет особое армирование. «Латы» у слота из цинкового сплава (эффективная защита от электромагнитных помех), используются резиновые вставки для предохранения видеокарт от царапин.
Для удобного извлечения видеокарт из слота имеется специальный удлиненный «хвостик» на замке PCIe x16_1, ведь подчас неудобно дотягиваться до обычного «хвоста» слота, где требуется нажать на защелку для разблокирования карты в слоте: ведь как правило, выше первого слота PCIe имеется M.2 слот с высоким радиатором, и до защелки даже пальцем не дотянуться.
Матплата позволяет смонтировать СО любого размера.
Плата относится к среднебюджетным решениям, поэтому нет ни внешнего тактового генератора, ни усилителей (ре-драйверов) сигнала PCIe 4.0/5.0.
На очереди — накопители.
Всего у платы 6 разъемов Serial ATA 6 Гбит/с + 4 слота для накопителей в форм-факторе M.2. Все порты SATA 2,3,4,5,6,7 реализованы через чипсет Z790 и поддерживают создание RAID.
При этом 2 порта SATA 2/3 делят ресурсы с одним из слотов М.2, так что перейдем к последним.
Материнская плата имеет 4 гнезда форм-фактора М.2.
Второй, третий и четвертый слоты M.2 (M2Q_SB, M2P_SB, M2M_SB) получают данные от чипсета Z790, а первый M2A_CPU — от CPU, получая от процессора PCIe 4.0.
И только М2M_SB поддерживает модули с любым интерфейсом, а все остальные работают с модулями только с PCIe интерфейсом. Слот M2M_SB делит ресурсы с двумя портами SATA: 2 и 3. Для этой цели на материнке установлен мультиплексор от Diodes Inc.
Все слоты M.2 поддерживают модули с размерами 2280 и 22110. А M2A_CPU имеет крепления и для модулей с размерами 2260.
На всех M.2 можно организовать RAID. Следует особо отметить способ крепления накопителей М.2 в слотах через установленные на стойках поворотные замки, что позволяет обойтись без тех самых очень маленьких винтиков.
Все M.2 слоты имеют радиаторы. Верхний M2A_CPU обладает отдельным радиатором (он очень удобно сделан – на защелках, не требуются винты), когда как остальные все слоты M.2 имеют общий радиатор.
Периферийная функциональность: USB-порты, сетевые интерфейсы, ввод-вывод
Теперь на очереди USB-порты и прочие вводы-выводы. И начнем с задней панели, куда выведены большинство из них.
Повторим: чипсет Z790 способен реализовать не более 14 портов USB, из которых может быть до 10 портов USB 3.2 Gen1, до 10 портов USB 3.2 Gen2, до 5 портов USB 3.2 Gen2x2, и/или до 14 портов USB 2.0.
Также мы помним и про 28 линий PCIe, которые идут на поддержку накопителей, сетевых и иных контроллеров (я выше уже показал на что и как расходуются 26 линий из 28).
И что мы имеем? Всего на материнской плате — 17 портов USB:
- 1 порт USB 3.2 Gen2x2: реализован с помощью Z790 и представлен портом Type-C на задней панели;
- 3 порта USB 3.2 Gen2: все реализованы через Z790, и 2 представлены на задней панели портами Type-A (красного цвета); еще 1 представлен внутренним портом Type-C (для подключения к соответствующему разъему на передней панели корпуса);
- 5 портов USB 3.2 Gen1: все реализованы через Z790 и 2 представлены внутренним разъемом на материнской плате на 2 порта; еще 3 представлены на задней панели портами Type-A (синего цвета);
- 8 портов USB 2.0/1.1: 4 реализованы через контроллер Genesys Logic GL850G (на него потрачена 1 линия USB 2.0 от Z790) и представлены двумя внутренними разъемами (каждый на 2 порта); еще 4 реализованы через второй контроллер Genesys Logic GL850G (на него потрачена 1 линия USB 2.0 от Z790) и представлены представлены на задней панели портами Type-A (черного цвета) .
Таким образом, у нас 3 контроллера используют USB линии от Z790:
- Genesys Logic GL850G (4 USB 2.0 через 2 внутренних разъема) (1 линия USB 2.0);
- Genesys Logic GL850G (4 USB 2.0 через 4 порта Type-A) (1 линия USB 2.0);
- Bluetooth (RTL8852) (1 линия USB 2.0).
Итак, через чипсет Z790 реализовано высокоскоростных портов USB:
- 1 выделенный USB 3.2 Gen2x2 (не в счет, ибо получен засчет других HSIO);
- + 3 выделенных USB 3.2 Gen2
- + 5 выделенных USB 3.2 Gen1
- + 2 USB 3.2 Gen2 на обеспечение USB 3.2 Gen2x2
= 10 высокоскоростных портов. Не забываем, что каждый высокоскоростной порт USB обеспечен портом USB 2.0, то есть уже 10 портов USB 2.0 также занято. Плюс 3 порта USB 2.0 на обеспечение контроллеров. Всего 13 USB портов реализовано.
Ну и 26 линий PCIe, выделенных на поддержку иной периферии.
Итого у Z790 в данном случае реализовано 36 высокоскоростных портов из 38.
Все быстрые USB порты Type-C оснащены ре-драйверами, дающими устойчивый вольтаж, способный обеспечить быструю зарядку мобильных гаджетов через них.
Теперь о сетевых делах.
Материнская плата оснащена средствами связи очень хорошо. Имеется скоростной Ethernet-контроллер Realtek RTL8125BG, способный работать по стандарту 2,5 Гбит/с.
Также мы видим комплексный беспроводной адаптер на контроллере Realtek RTL8852, через который реализованы Wi-Fi 6E (802.11a/b/g/n/ac/ax) и Bluetooth 5.3. Адаптер установлен в слот M.2 (E-key), и его разъемы для привинчивания выносных антенн выведены на заднюю панель.
Заглушка, традиционно надеваемая на заднюю панель, в данном случае уже надета, и изнутри экранирована для снижения электромагнитных помех.
Аудиоподсистема
Мы знаем, что уже достаточно давно в большинстве современных материнских платах звуком заведовал аудиокодек Realtek ALC1220. В целом обеспечивает вывод звука по схемам до 7.1 с разрешением до 24 бит / 192 кГц. Мы видели уже и ALC4082 того же производителя с улучшенными характеристиками 32 бит / 384 кГц. Однако в данном случае мы видим возврат к прежнему ALC1220, а также схема вывода упрощена до 5.1. Сам чип накрыт металлической крышкой.
В аудиоцепях платы применяются «аудиофильские» конденсаторы.
Аудиотракт вынесен на угловую часть платы, не пересекается с другими элементами. У карты два универсальных разъема с позолоченным покрытием по приему и выводу сигналов плюс оптический S/PDIF. Вывод по схеме 5.1 возможен только через S/PDIF (аналоговая схема упрощена до стерео).
Питание, охлаждение
Для питания платы на ней предусмотрены 3 разъема: в дополнение к 24-контактному ATX (он на правой стороне платы (на фото — слева) здесь есть еще два 8-контактных EPS12V.
Схема питания процессора выполнена по схеме 16+2+1 (всего 19 фаз, 16 на VCore, 2 на VCCIO и 1 на интегрированное графическое ядро).
Каждый канал фазы VCore имеет суперферритовый дроссель и DrMOS ISL99390 (90 A) от Renesas.
Фаза iGPU укомплектована сборкой Renesas ISL99360 (60 A).
Управляет схемой ШИМ-контроллер RAA229130 от Renesas, он рассчитан максимум на 20 фаз. Почему на сайте производителя указано, что фазы VCore работают по схеме 8+8 (то есть идет параллельное управление 2х фаз одновременно) – непонятно. Данного ШИМ-контроллера вполне достаточно для полного охвата прямой схемы питания VCore+iGPU.
Блок VCCIO имеет свою двухфазную схему питания (с мосфетами Om Semi, до 60 А), управляемую ШИМ-контроллером MP2940A (Monolithic Power Systems).
Теперь про охлаждение.
Все потенциально сильно греющиеся элементы имеют свои собственные радиаторы.
Как мы видим, охлаждение чипсета (один радиатор) организовано отдельно от силовых преобразователей. VRM-секция имеет свои два радиатора, соединенные тепловой трубкой под прямым углом.
Как я уже упоминал ранее, M.2 слоты также имеют радиаторы: у верхнего — свой персональный радиатор, у остальных — общий.
Материнская плата не имеет бэкплейта, защитной пластины на оборотной стороне.
Подсветка
Программное обеспечение под Windows
Настройки BIOS
Работоспособность (и разгон)
Запускаем все в режиме по умолчанию (MCE находится в автоматическом режиме). Затем нагружаем тестами. Замечу, что я не устанавливал обновление BIOS, где по требованию Intel автоматический разгон процессоров в рамках Intel Turboboost и MCE были отключены.
В режиме авторазгона мы получили до 5,7 ГГц по P-ядрам, и 4.4 ГГц по всем Е-ядрам. Напомню, что Р-ядра — это обычные всем привычные ядра, имеющие по 2 потока каждый, «Р» — означает Performance, то есть производительные. «Е» — это энергоэффективные ядра, так называемые, малые ядра, у них по 1 потоку.
Как обычно, система по умолчанию, определив мощное питание матплаты, выставила приличные частоты. Что касается остальных параметров работы компонентов по нагреву, то все они были в норме. Потребление CPU переваливало за 260 Вт. Нестабильностей в работе зафиксировано не было.
Выводы
Материнская плата Gigabyte Z790 Aorus Elite AX основана на топовом чипсете Intel Z790 и относится к топовому суббренду, но при этом не слишком дорогая: на момент публикации обзора она стоила от 25 тысяч рублей. У платы 17 портов USB разных видов, включая 3 очень быстрых USB 3.2 Gen2, а также один USB 3.2 Gen2×2 в виде порта Type-C; 3 слота PCIe х16, один из которых получает от процессора 16 линий PCIe версии 5.0, а два других работают в режиме x4 (подключены к чипсету); а также 4 слота M.2 — один подключен напрямую к процессору линиями PCIe 4.0, три других подключены к чипсету также линиями PCIe 4.0 (последний делит ресурсы с двумя портами SATA). В арсенале платы есть 6 портов SATA и 6 разъемов для вентиляторов. Система питания процессора достаточно мощная, способная обеспечить работу любых совместимых процессоров с некоторым запасом на разгон. Плата имеет грамотную систему охлаждения каждого потенциально греющегося элемента, включая накопители в слотах M.2. Сетевые возможности включают быстрый проводной контроллер 2,5 Гбит/с и современный беспроводной (Wi-Fi 6E + Bluetooth 5.3). В числе плюсов платы можно упомянуть возможности для подключения подсветки в виде дополнительных ARGB/RGB-устройств.







































































































