У нас на рассмотрении очередная материнская плата на базе топового чипсета от Intel – Z690. Да, подчеркну, что сам чипсет подразумевает то, что с ним дешевых материнок не бывает. Хотя попадаются и относительно недорогие продукты этого класса (правда в современных реалиях жизни цен понятие «недорогое» может быть выше 20 000 рублей). Вот и сегодня у нас хоть и наиболее простой продукт из премиального сегмента Aorus от Gigabyte, но в целом... он все равно дорогой: около 30 000 рублей ).
Напомню, что мы тут изучаем именно платы, а не процессоры, а по ним, в частности, 12му поколению от Intel есть особый материал.
А мы снова глянем на краткую таблицу отличий в чипсетах трех последних поколений.
| Особенности | Z690 | Z590 | Z490 |
|---|---|---|---|
| Совместимость с процессорами Intel | 12th Gen Core | 10th & 11th Gen Core | 10th & 11th Gen Core |
| Версия PCIe (процессор) | 4.0 & 5.0 | 3.0 (10th Gen) or 4.0 (11th Gen) | 3.0 (10th Gen) or 4.0 (11th Gen) |
| Количество линий PCIe (процессор) | 20 | 16 (10th Gen) or 20 (11th Gen) | 16 |
| Версия PCIe (чипсет) | 3.0 & 4.0 | 3.0 | 3.0 |
| Количество линий PCIe (чипсет) | 28 (12 x 4.0 & 16 x 3.0) | 24 | 24 |
| Версия DMI | 4.0 | 3.0 | 3.0 |
| Количество линий DMI | x8 | x8 | x4 |
| Поколение ОЗУ | DDR4 & DDR5 | DDR4 | DDR4 |
| Количество каналов ОЗУ | 2 | 2 | 2 |
| Максимальное количество слотов ОЗУ | 4 | 4 | 4 |
| Максимальный объем ОЗУ | 128 ГБ | 128 ГБ | 128 ГБ |
| Количество портов SATA 6.0 Gb/s до | 8 | 6 | 6 |
| Порты USB 3.2 Gen 2x2 (20Gbps) до | 4 | 3 | 0 |
| Порты USB 3.2 Gen 2x1 (10Gbps) до | 10 | 10 | 6 |
| Порты USB 3.2 Gen 1x1 (5Gbps) до | 10 | 10 | 10 |
| Порты USB 2.0 до | 14 | 14 | 14 |
| Встроенная поддержка Wi-Fi | Wi-Fi 6E | Wi-Fi 6 | Wi-Fi 6 |
Z690 поддерживает PCIe 4.0 (12 из 28 линий PCI-e, остальные — 3.0). Высокоскоростных портов (High Speed In Out, HSIO) — 38. Также Z690 поддерживает до 4х интегрированных USB 3.2 Gen2x2 (до 20 Gb/s) портов (правда каждый из них требует поддержки со стороны двух USB 3.2 Gen2, неважно, от самого Z690 или сторонних хабов).
12е поколение процессоров добавляет к этому набору еще 20 линий PCIe, при этом 16 линий (расходуемые на слоты PCIe x16) версии PCIe 5.0, оставшиеся 4 линии PCIe 4.0 идут на М.2 слот. Те же процессоры теперь умеют поддерживать DDR5, не отказываясь от DDR4, так что производители матплат вольны выпускать продукты как с DDR5, так и с DDR4 слотами. Ну и помним про новый процессорный сокет LGA 1700, так что взаимной совместимости с процессорами 11го и 10го поколений больше нет.
Изучаемый сегодня продукт от Gigabyte относится к игровым сериям и входит в суббренд Aorus (в семействе которого выпускаются самые передовые, ну и понятное дело, дорогие продукты от Gigabyte). При этом материнка внутри Aorus относительно бюджетная и довольно простая, однако присутствие Aorus накладывает обязательства в ценообразовании. Поэтому именно – относительно бюджетная. Впрочем, учитывая, что сейчас топовые матплаты могут стоить 70 тысяч рублей и выше, ценник в 30 000 рублей уже не кажется фантастическим. В целом настольные ПК сильно подорожали за последний год из-за мирового кризиса в полупроводниковой сфере, а также бешеного спроса на видеокарты со стороны майнеров, поэтому даже, казалось бы, самые простые решения топовых брендов типа Aorus могут стоить также, как предфлагманские решения 1.5 – 2 года назад.
Итак, перед нами материнская плата Gigabyte Z690 Aorus Pro.
Карта поставляется в стандартной коробке из твердого картона с фирменным дизайном Aorus. На лицевой стороне особо отмечено, что данный вариант материнки предназначен для работы с DDR5 памятью, ибо еще имеется вариант Z690 Aorus Pro DDR4 (оба варианта плат полностью идентичны по наличию и расположению периферии).
Комплект поставки расположен в отсеке под платой. Кроме традиционных элементов типа руководства пользователя и кабелей SATA, имеются: антенна встроенного Wi-Fi/BT-модуля, винтики для М.2 слотов, внешние термодатчики и датчик шума, удлинитель подсветки, фирменные адаптер G-connector (для передней панели корпуса) и стикеры.
ПО с платой не поставляется, но по-любому его следует обновлять с вебсайта компании.
«Заглушка» на заднюю панель с разъемами уже смонтирована на самой плате.
Форм-фактор
Форм-фактор ATX имеет размеры до 305×244 мм, а E-ATX — до 305×330 мм. Материнская плата Gigabyte Z690 Aorus Pro имеет размеры 305×244 мм, поэтому выполнена в форм-факторе ATX, и на ней имеются 9 монтажных отверстий для установки в корпус. Однако следует иметь в виду, что одно из девяти монтажных отверстий перекрыто радиатором для слота M.2.
На оборотной стороне практически ничего нет, кроме мелкой логики. Текстолит обработан неплохо: во всех точках пайки острые концы срезаны. Бэкплейта нет.
Технические характеристики
Традиционная таблица с перечнем функциональных особенностей.
| Поддерживаемые процессоры | Intel Core 12-го поколения |
|---|---|
| Процессорный разъем | LGA 1700 |
| Чипсет | Intel Z690 |
| Память | 4 × DDR5 до 6200 МГц (XMP), до 128 ГБ, два канала |
| Аудиоподсистема | 1 × 2x1 (аналоговый), 7x1(S/PDIF) Realtek ALC4080 |
| Сетевые контроллеры | 1 × Intel I225-V Ethernet 2,5 Гбит/с 1 × Intel Dual Band Wireless AX200NGW (Wi-Fi 802.11a/b/g/n/ac/ax (2,4/5 ГГц) + Bluetooth 5.2) |
| Слоты расширения | 1 × PCIe 5.0 x16 (режим x16) 2 × PCIe 3.0 x16 (режим x4) |
| Разъемы для накопителей | 6 × SATA 6 Гбит/с (Z690) 1 × M.2 (CPU, PCIe 4.0 x4 для устройств формата 2260/2280/22110) 2 × M.2 (Z690, PCIe 4.0 x4 для устройств формата 2260/2280/22110) 1 × M.2 (Z690, PCIe 4.0 x4/SATA для устройств формата 2260/2280/22110) |
| USB-порты | 4 × USB 2.0: 2 внутренних разъема на 4 порта (GL850+Z690) 4 × USB 2.0: 4 порта Type-A (черные) (GL850+Z690) 2 × USB 3.2 Gen1: 1 внутренний разъем на 2 порта (RTS5411) 4 × USB 3.2 Gen1: 4 порта Type-A (синие) (RTS5411) 1 × USB 3.2 Gen2x2: 1 внутренний разъем Type-C (Z690+IT8851) 1 × USB 3.2 Gen2x2: 1 порт Type-C (Z690+IT8851) 2 × USB 3.2 Gen2: 4 портa Type-A (красные) (Z690) |
| Разъемы на задней панели | 1 × USB 3.2 Gen2x2 (Type-C) 4 × USB 3.2 Gen2 (Type-A) 4 × USB 2.0 (Type-A) 1 × RJ-45 2 аудиоразъема типа миниджек + S/PDIF 2 антенных разъема 1 Display Port |
| Прочие внутренние элементы | 24-контактный разъем питания ATX 1 8-контактный разъем питания EPS12V 1 4-контактный разъем питания EPS12V 1 слот M.2 (E-key), занят адаптером беспроводных сетей 1 разъем для подключения порта USB 3.2 Gen2×2 Type-C 1 разъем для подключения 2 портов USB 3.2 Gen1 2 разъемa для подключения 4 портов USB 2.0 8 разъемов для подключения 4-контактных вентиляторов и помп ЖСО 4 разъема для подключения подсветки (2 неадресуемой RGB-ленты и 2 адресуемой ARGB-ленты) 1 разъем для термодатчикa 1 разъем для датчикa шума 1 разъем для подключения адаптера управления с передней панели корпуса 1 кнопка прошивки BIOS Q Flash Plus 1 кнопка запуска 1 кнопка перезагрузки Reset |
| Форм-фактор | ATX (305×244 мм) |
| Розничные предложения |
Основная функциональность: чипсет, процессор, память
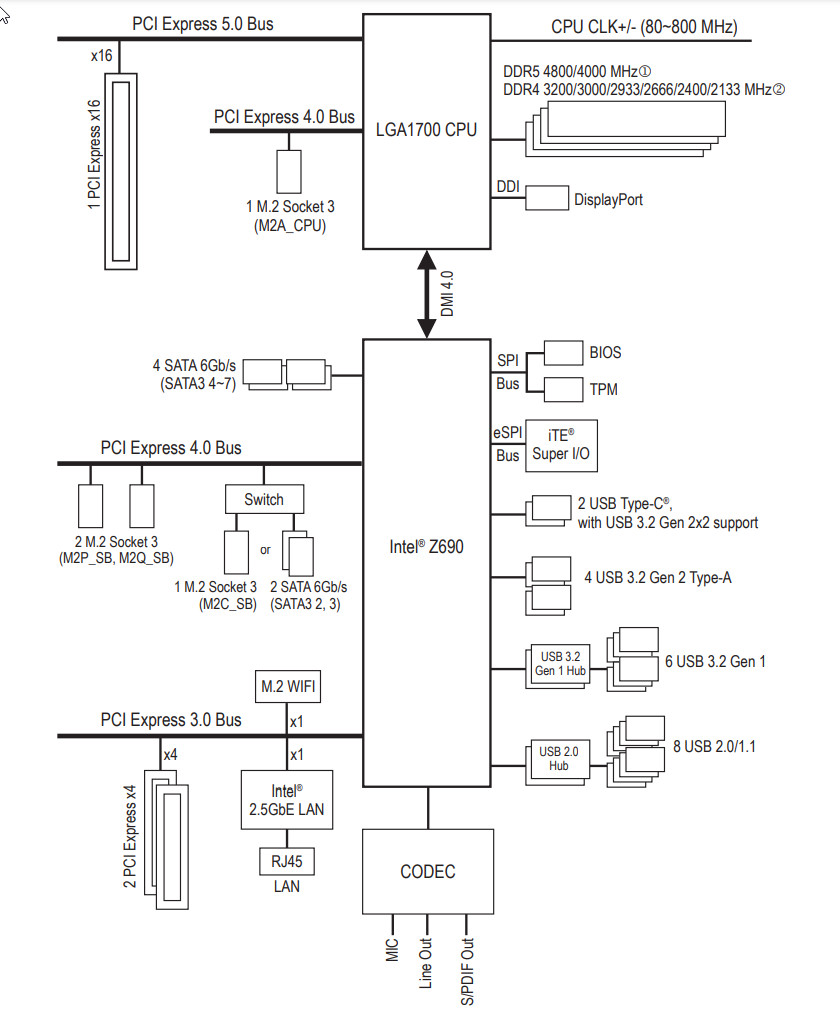
Схема работы связки чипсет+процессор.
Формально имеется поддержка памяти DDR5 до 4800 МГц, однако всем хорошо известно, и производители материнских плат это активно рекламируют: через XMP-профили сейчас можно использовать частоты до 5333 и выше МГц. В частности данная плата поддерживает частоты до 6200 МГц.
Процессоры Intel Core 12-го поколения (совместимые с сокетом LGA1700 и поддерживаемые Z690) имеют 20 линий ввода-вывода (16 PCIe 5.0, 4 PCIe 4.0), не имеют USB и SATA портов. При этом взаимодействие с Z690 идет по особому каналу Digital Media Interface 4.0 (DMI 4.0 x8). Все PCIe линии процессора идут на слоты расширения PCIe и порт М.2. Serial Peripheral Interface (SPI) используется для взаимодействия с системой UEFI/BIOS, а шина Low Pin Count (LPC) — для связи с устройствами ввода/вывода, не требующими высокой пропускной способности (контроллерами вентиляторов, TPM, старой периферии).
В свою очередь чипсет Z690 поддерживает в сумме 38 линий ввода/вывода, которые распределяться могут так:
- до 14 портов USB (из которых до 4 портов USB 3.2 Gen2х2, 10 портов USB 3.2 Gen2, до 10 портов USB 3.2 Gen1, до 14 портов USB 2.0, линии USB 2.0 используются в том числе и для поддержки 3.2 портов, а каждый порт USB 3.2 Gen2х2 требует поддержки со стороны двух USB 3.2 Gen2);
- до 8 портов SATA 6Гбит/с;
- до 28 линий PCIe (16 версии 3.0 и 12 версии 4.0).
Еще раз надо напомнить, что Gigabyte Z690 Aorus Pro поддерживает процессоры Intel Core 12-го поколения, выполненные под разъем (сокет) LGA1700. Система крепления систем охлаждения для CPU несовместима с той, что для LGA1151/1200. Но при этом следует иметь в виду, что ряд старых СО все же сможет быть применим, лишь придется где-то приобретать или заказывать у производителя комплект крепежа под LGA 1700. Дело в в том, что новые процессоры 12ххх на чуть тоньше предшественников, и кулеры с жесткой установкой в матплате на фиксированную высоту просто не достанут до 12ххх. Подойдут лишь СО с пружинистой посадкой подошвы на процессор.
Для установки модулей памяти на плате Gigabyte имеется четыре DIMM-слота (для работы памяти в Dual Channel в случае использования всего 2 модулей их следует устанавливать в А2 и B2 (отмечены желтым цветом). Плата поддерживает небуферизованную память DDR5 (non-EСС), а максимальный объем памяти составляет 128 ГБ. Разумеется, поддерживаются профили XMP.
Слоты DIMM имеют металлическую окантовку, защищающую их как от физических повреждений, как и от помех.
Периферийная функциональность: PCIe, SATA, разные «фенечки»
Выше мы изучили потенциальные возможности тандема Z690+Core, а теперь посмотрим, что из этого и как реализовано в данной материнской плате.
Кроме USB-портов, к которым мы подойдем позже, чипсет Z690 обладает 28 PCIe линиями. Считаем, сколько линий уходит на поддержку (связь) с тем или иным элементом (надо учитывать, что 28 линий не единой версии, а 12 линий PCIe 4.0 и 16 линий PCIe 3.0):
- Слот PCIe x16_2 (4 линии PCIe 3.0;
- Слот PCIe x16_3 (4 линии PCIe 3.0;
- порты SATA_4/5/6/7: 4 линии PCIe 3.0;
- Слот M2P_SB (4 линии PCIe 4.0);
- Слот M2Q_SB (4 линии PCIe 4.0);
- Переключатель: или слот M2С_SB (4 линии PCIe 4.0); или порты SATA_2,3 (2 линии) (максимум 4 линии PCIe 4.0);
- Realtek RTS 5411 (USB 3.2 Gen1, 4 Type-A) (1 линия PCIe 3.0);
- Realtek RTS 5411 (USB 3.2 Gen1, 2 внутренних порта) (1 линия PCIe 3.0);
- Intel i225-V (Ethernet 2,5Gb/s) (1 линия PCIe 3.0);
- Intel AX200NGW WIFI/BT (Wireless) (1 линия PCIe 3.0)
28 линий PCIe оказались занятыми (12 PCIe 4.0 + 16 PCIe 3.0). В чипсете Z690 связь с аудиокодеками идет через USB-порт. Также один USB 2.0 расходуется на поддержку BT (при наличии слота M.2 (key E) и контроллеры IT8851 и GL850 для своих нужд использует сигнальные линии USB 2.0 Детально об этом ниже в разделе USB-портов.
Теперь посмотрим выше на то, как работают процессоры в данной конфигурации. У CPU 12-го поколения всего 20 линий PCIe, 4 из них версии PCIe 4.0 отведены на порт М.2 (M2A_CPU). Оставшиеся 16 линий PCIe 5.0 идут на слот PCIe x16_1. Он один, поэтому никаких делений ресурсов тут нет.
Всего на плате есть 3 слота: один PCIe x16_1 (для видеокарт) и два PCIe x16_2/3 (но фактически имеющие по 4 линии). Если первый PCIe x16_1 подключен к CPU, то PCIe x16_2/3 подключены к Z690 и работают в режиме х4.
Как видим, перераспределения линий PCIe между слотами у этой материнки нет, поэтому мультиплексоры не востребованы.
Первый слот PCIe x16_1 имеет металлическое армирование (Ultra Durable PCIe Gen5 armor) из нержавеющей стали, которое увеличивает надежность (что может быть важным в случае довольно частой смены видеокарт, но что более важно: такой слот легче выдержит нагрузку на изгиб в случае установки очень тяжелой видеокарты топового уровня. Кроме того, такая защита предохраняет слоты от электромагнитных помех.
Матплата позволяет смонтировать СО любого размера.
Для поддержания стабильных частот на шине PCIe (и для нужд оверклокеров) имеются усилители (ре-драйверы) сигнала PCIe 4.0 от Diodes Inc.
На очереди — накопители.
Всего у платы 6 разъемов Serial ATA 6 Гбит/с + 4 слота для накопителей в форм-факторе M.2. Порты SATA промаркированы, начиная с 2, реализованы через чипсет Z690 и поддерживают создание RAID.
Материнская плата имеет 4 гнезда форм-фактора М.2.
Второй, третий и четвертый слоты M.2 (M2P_SB, M2Q_SB, M2C_SB) получают данные от чипсета Z690 (PCIe 4.0), а первый M2A_CPU — от CPU (PCIe 4.0). При этом только М2C_SB поддерживает модули с любым интерфейсом, а все остальные работают с модулями только с PCIe интерфейсом. Следует иметь в виду, что М2C_SB делит ресурсы с портами SATA_2/3.
Все слоты М.2 поддерживают размеры модулей 2260/2280/22110. На всех M.2 можно организовать RAID, а также использовать для Intel Optane Memory.
Поскольку имеется разделение ресурсов между слотом М.2 и портами SATA, то задействован мультиплексор от Diodes Inc.
Все M.2 слоты имеют радиаторы. Верхний M2A_CPU обладает отдельным радиатором, когда как остальные слоты M.2 имеют общий радиатор.
Периферийная функциональность: USB-порты, сетевые интерфейсы, ввод-вывод
Теперь на очереди USB-порты и прочие вводы-выводы. И начнем с задней панели, куда выведены большинство из них.
Повторим: чипсет Z690 способен реализовать не более 14 портов USB, из которых может быть до 10 портов USB 3.2 Gen1, до 10 портов USB 3.2 Gen2, до 4 портов USB 3.2 Gen2x2, и/или до 14 портов USB 2.0.
Также мы помним и про 28 линий PCIe, которые идут на поддержку накопителей, сетевых и иных контроллеров (я выше уже показал на что и как расходуются 27 линий из 28).
И что мы имеем? Всего на материнской плате — 20 портов USB:
- 2 порта USB 3.2 Gen2x2: каждый реализован с помощью двух линий: USB 3.2 Gen2 от Z690 и ITE IT8851 (на каждый потрачена 1 линия USB 2.0) и представлены: внутренним портом Type-C (для подключения к соответствующему разъему на передней панели корпуса); второй представлен портом Type-C на задней панели;
- 4 порта USB 3.2 Gen2: все реализованы через Z690 и представлены на задней панели портами Type-A (красного цвета);
- 6 портов USB 3.2 Gen1: 4 реализованы через контроллер Realtek RTS5411 (на него потрачена 1 линия PCIe) и представлены 4 портами Type-A на задней панели (синие); остальные два реализованы через второй Realtek RTS5411 (на него потрачена 1 линия PCIe) и представлены внутренним разъемом на материнской плате на 2 порта;
- 8 портов USB 2.0/1.1: все реализованы через два контроллера Genesys Logic GL850G (на каждый потрачена 1 линия USB 2.0) и представлены: 4 – портами Type-A на задней панели (черные); остальные 4 – двумя внутренними разъемами (каждый на 2 порта).
Таким образом, у нас 6 контроллеров используют USB линии:
- ITE IT8851 (USB 3.2 Gen2 для Gen2x2) (1 линия USB 2.0);
- ITE IT8851 (USB 3.2 Gen2 для Gen2x2) (1 линия USB 2.0);
- Genesys Logic GL850G (4 USB 2.0 Type-A) (1 линия USB 2.0);
- Genesys Logic GL850G (4 USB 2.0 внутренние) (1 линия USB 2.0);
- Audio (1 линия USB 2.0);
- Bluetooth (AX201) (1 линия USB 2.0).
Итак, через чипсет Z690 реализовано высокоскоростных портов USB:
- 2 выделенных USB 3.2 Gen2x2 (не в счет, ибо получены засчет других HSIO);
- + 4 выделенных USB 3.2 Gen2
- + 0 выделенных USB 3.2 Gen1
- + 2 USB 3.2 Gen2 на поддержку USB 3.2 Gen2x2
= 6 высокоскоростных портов. Не забываем, что каждый высокоскоростной порт USB обеспечен портом USB 2.0, то есть уже 6 портов USB 2.0 также занято. Плюс 6 портов USB 2.0 на обеспечение контроллеров. Всего 12 USB портов реализовано.
Ну и 28 линий PCIe, выделенных на поддержку иной периферии.
Итого у Z690 в данном случае реализовано 34 высокоскоростных портов из 38.
Все быстрые USB порты Type-C оснащены ре-драйверами от Diodes Inc, дающими устойчивый вольтаж, способный обеспечить быструю зарядку мобильных гаджетов через них.
Теперь о сетевых делах.
Материнская плата оснащена средствами связи неплохо. Имеется скоростной Ethernet-контроллер Intel I225-V, способный работать по стандарту 2,5 Гбит/с.
Также есть комплексный беспроводной адаптер на контроллере Intel AX-200NGW, через который реализованы Wi-Fi 6E (802.11a/b/g/n/ac/ax) и Bluetooth 5.2. Он установлен в слот M.2 (E-key), и его разъемы для привинчивания выносных антенн выведены на заднюю панель.
Заглушка, традиционно надеваемая на заднюю панель, в данном случае уже надета, и изнутри экранирована для снижения электромагнитных помех.
Аудиоподсистема
Мы знаем, что самым популярным в большинстве современных материнских платах звуковым кодеком является продукт от Realtek. В данном случае это ALC4080, обеспечивающий вывод звука по схемам до 7.1 с разрешением до 32 бит / 384 кГц. У платы он прикрыт металлическим «колпачком» AMP-UP Audio/
Также отметимс, что у текущей матплаты вывод звукового сигнала по аналоговому пути сильно упрощен до стереовывода, а 7.1 осуществляется исключительно через S/PDIF. Так что у карты два универсальных разъема по приему и выводу сигналов плюс оптический S/PDIF.
Ни ЦАП, ни операционных усилителей в данном тракте не предусмотрено. В аудиоцепях платы применяются «аудиофильские» конденсаторы Nippon Chemi-con. Аудиотракт вынесен на угловую часть платы, не пересекается с другими элементами. Разумеется, левый и правый каналы разведены по разным слоям печатной платы. Маркировок у гнезд нет.
Питание, охлаждение
Для питания платы на ней предусмотрены 3 разъема: в дополнение к 24-контактному ATX здесь есть еще два EPS12V (8-ми и 4-х контактные).
Схема питания процессора имеет в сумме 19 фаз, выполнена по схеме 16+1+2.
16 фаз на ядро процессора, 1 фаза VCCGT (iGPU) — на интегрированную графику в процессор и 2 фазы на VCCIO (VCCAUX) — блок управления контроллером памяти и ввода/вывода .
Каждый канал фазы для VCore и iGPU имеет суперферритовый дроссель и MOSFET Renesas (-ex Intersil) ISL99390 на 90 А.
Управляет схемой VCore+iGPU ШИМ-контроллер Renesas RAA229131, который рассчитан на 20 фаз.
Питание VCCIO идет по двухфазной схеме c мосфетами (до 70А) и цифровым контроллером от Monolithic Power Systems.
Что касается модулей оперативной памяти, то здесь реализована однофазная схема с силовым преобразователем от On Semi.
Вообще, традиционно уже Gigabyte в материнских платах флагманского уровня использует свою Ultra Durable технологию, предусматривающую удвоенный слой меди в цепях питания и заземления, помогающую не только улучшению прохождения сигналов (удалению помех), но и более эффективное теплорассеивание. Также предусмотрено использование танталовых конденсаторов с оборотной стороны на месте процессорного разъема.
Теперь про охлаждение.
Все потенциально сильно греющиеся элементы имеют свои собственные радиаторы.
Как и во многих случаях, охлаждение чипсета организовано отдельно от силовых преобразователей. VRM-секция имеет свои два радиатора.
Как я уже упоминал ранее, M.2 слоты также имеют радиаторы: у верхнего — свой персональный радиатор. Остальные три слота покрыты общим радиатором, прижимающимся к чипсетному охладителю.
Подсветка
Программное обеспечение под Windows
Настройки BIOS
Работоспособность (и разгон)
Запускаем все в режиме по умолчанию. Затем нагружаем стресс-тестами.
Ну что же, мы видим, что по умолчанию матплата выставила более чем приличный авторазгон процессора до 4,9 ГГц по P-ядрам. Подчеркну, что именно под очень тяжелой нагрузкой. А без оной частота по ядрам скачет и до 5,2 ГГц. А что касается Е-ядер, то там тоже неплохо: 3,7 ГГц под стресс-нагрузкой, и 3,9 ГГц без оной. Нагрев в пределах нормы по всем параметрам. Стоит напомнить, что Р-ядра — это обычные всем привычные ядра, имеющие по 2 потока каждый, «Р» — означает Performance, то есть производительные. «Е» — это энергоэффективные ядра, так называемые, малые ядра, у них по 1 потоку.
Да, казалось бы, это вовсе не 5 ГГц и выше, как мы видели у флагманских игровых решений. Но и материнка у нас, хоть и игровая, но на экстремальный оверклокинг не рассчитана. К тому же для 12900К и 4.9 ГГц — это очень хорошо, да еще и по умолчанию! Если кому-то маловато, то можно вручную в настройках BIOS пошаманить.
Выводы
Материнская плата Gigabyte Z690 Aorus Pro предназначена для игроков, как и вся продукция под брендом Aorus, однако перед нами не флагманский продукт, а условно средняя модель, которая может показаться более привлекательной из-за своей цены (в районе 30 тысяч рублей) при отменной функциональности и мощной системе питания.
Плата имеет 20 портов USB разных видов (включая два USB 3.2 Gen2×2, 4 USB 3.2 Gen2 и 6 USB 3.2 Gen1), 1 слот PCIe х16 (PCIe 5.0) и 2 слота PCIe x4 для разной периферии, 4(!) слота M.2 и 6 портов SATA. Есть 8 разъемов для подключения вентиляторов и помп, радиаторами оснащены все накопители в слотах M.2. Сетевые подключения — 2,5-гигабитный проводной контроллер и беспроводной с поддержкой Bluetooth и Wi-Fi 6. Подсветка здесь скромная, но имеются широкие возможности для подключения дополнительных RGB-устройств.
Конечно, даже такой среднебюджетный продукт сейчас недешев, это логично на фоне общего подорожания комплектующих для ПК. Однако тем, кому действительно нужен продукт, выжимающий из CPU всё, но при этом не стоящий колоссальных денег, как флагманские материнские платы, данный вариант вполне может подойти.
Благодарим компанию Gigabyte Russia
и лично Марию Ушакову
за предоставленную на тестирование плату
а также Евгения Лесикова
за предоставленный Gigabyte Aorus Gen4 SSD 500G для тестового стенда
Особо благодарим компанию Super Flower
за предоставление блока питания Super Flower Leadex Platinum 2000W



















































































