Мы продолжаем изучать, как устроена конкретная материнская плата, на что способна ее система питания, с какой поддержкой периферии, а также программных средств она попадает к потребителю.
Исследование процессоров — в своем разделе.
Несмотря на то, что на рынке уже очень много решений, основанных на чипсетах последнего поколения AMD из 800-й серии, еще появляются в продаже и матплаты, базируемые на системных чипсетах предыдущего поколения 600-й серии. В частности, можно встретить продукты на основе AMD X670E по весьма привлекательным ценам. Конечно же, взрывной рост цен на микросхемы памяти, случившийся в конце 2025 года, сильно бьет по рынку ПК, в которых используется DDR5 (а это относится прежде всего к платформе AMD AM5, ибо у Intel еще весьма популярна платформа LGA1700, где достаточно много выпущено материнских плат с поддержкой DDR4, ибо процессоры поколений 12ххх-14ххх поддерживают как DDR5, так и DDR4). Тем не менее, ОЗУ уровня DDR5 на рынке уже очень давно, и поэтому у многих желающих апгрейда уже имеются модули памяти последнего поколения, и дело лишь в смене платформы или процессоров. Так что, полагаем, что матплаты на базе AMD X670E могут быть вполне востребованы, особенно если цены на них очень привлекательны.
Ниже приведена таблица основных отличий старших чипсетов AM5 двухлетней давности и последнего поколения.
| Особенности | X670E | X870E |
|---|---|---|
| Совместимость с процессорами AMD | Ryzen 7xxx/8xxx/9xxx | |
| Версия PCIe (процессор) | 5.0 | |
| Количество линий PCIe (процессор) | 28 | |
| Количество линий PCIe от процессора на связь с чипсетом | x4 PCIe 4.0 | |
| Версия PCIe (чипсет) | 3.0 & 4.0 | |
| Количество линий PCIe (чипсет) | 20 (12 x 4.0 & 8 x 3.0) | 20 (12 x 4.0 & 8 x 3.0)* |
| Поколение ОЗУ | DDR5 | |
| Количество каналов ОЗУ | 2 | |
| Максимальное количество слотов ОЗУ | 4 | |
| Максимальный объем ОЗУ | 256 ГБ | |
| Количество портов SATA 6.0 Gb/s до | 8 | |
| Порты USB4 (40Gbps) до | необязательно, по желанию производителя через сторонний контроллер | 2 (обязательно) через сторонний контроллер с выделением для него 4х линий PCIe |
| Порты USB 3.2 Gen 2x2 (20Gbps) до | 2 | |
| Порты USB 3.2 Gen 2x1 (10Gbps) / Gen 1x1 (5Gbps) до | 8 | |
| Порты USB 2.0 до | 12 | |
| Конфигурация слота PCIe x16 (от процессора) | x16 или x8+x8 или x8+x4+x4 | |
| Возможность разгона по частоте шины | Да | |
Примечание: * – 4 линии PCIe 4.0 могут быть зарезервированы для контроллера USB4 как у чипсета X870E, так и у CPU.
Собственно,серия 8хх отличается от 6хх прежде всего обязательным присутствием контроллера USB4, что ранее было опциональным и зависело от желания партнера AMD. На платах, базируемых на X8xx серии, обязательно устанавливается контроллер это ASM4242 от ASMedia, и он требует 4 линии PCIe, которые могут использоваться как от чипсета 8xx, так и от процессора Ryzen (за счет линий для NVMe (M.2) слотов). Когда как практически все матплаты на основе X670E не поддерживают USB4, не имея данного хаба, что и является одной из причин более низких цен на такие решения.
Сегодня у нас на рассмотрении продукт из серии Aorus от компании Gigabyte. Эта серия производителем позиционируется как флагманская, но при этом в ней могут материнские платы и на среднебюджетных чипсетах, просто исполнение более премиального уровня.
Переходим к самой материнской плате Gigabyte X670E Aorus Pro X.
Gigabyte X670E Aorus Pro X поставляется в традиционной коробке фирменного дизайна серии (но белого цвета, подчеркивающего окрас самой материнки). Комплект размещен под платой в отдельном отсеке.
Комплект поставки скромен, ибо, как я уже говорил ранее, внутри серии Aorus имеются продукты разных уровней (например, наша материнка относится к как бы к среднему уровню топовой серии. Итак, кроме традиционных элементов типа руководства пользователя и кабелей SATA, имеются антенна встроенного Wi-Fi-модуля (белая!), провод с детектором шума, фирменный адаптер G-connector для передней панели, бонусные стикеры, два термодатчика.
ПО не поставляется, это уже и не нужно, ибо последние версии драйверов и утилит следует устанавливать с вебсайта производителя.
«Заглушка» на заднюю панель с разъемами уже смонтирована на самой плате.
Форм-фактор
Форм-фактор ATX имеет размеры до 305×244 мм, а E-ATX — до 305×330 мм. Материнская плата Gigabyte X670E Aorus Pro X имеет размеры 305×244 мм, поэтому выполнена в форм-факторе ATX, и на ней имеются 9 монтажных отверстий для установки в корпус. Одно из отверстий частично перекрыто радиатором от M.2 слота.
На оборотной стороне расположена металлическая пластина жесткости крепления основного слота PCIe x16 и традиционная некоторая логика. Текстолит обработан хорошо: во всех точках пайки острые концы срезаны,а также отшлифовано. Защитной пластины (бэкплейта) нет. Любопытно отметить, что с оборотной стороны плата покрашена в серый, а не белый цвет, а также видны попытки создания некоего абстрактного рисунка.
Кстати, вот одно из традиционных отличий продуктов топового уровня от остальных: оснащение слота для видеокарты PCIe x16 очень внушительной пластиной жесткости с оборотной стороны PCB.
Технические характеристики
Традиционная таблица с перечнем функциональных особенностей.
| Поддерживаемые процессоры | AMD Ryzen 7xxx/8xxx/9xxx под AM5 |
|---|---|
| Процессорный разъем | AM5 |
| Чипсет | AMD X670E |
| Память | 4 × DDR5, до 256 ГБ (поддержка 64 ГБ модулей), до DDR5-8000 (XMP/Expo), два канала |
| Аудиоподсистема | 1 × Realtek ALC897 (7.1) |
| Сетевые контроллеры | 1 × Intel i226-V Ethernet 2,5 Гбит/с 1 × Qualcomm Dual Band Wireless QCNCM865 (Wi-Fi 7 802.11a/b/g/n/ac/ax/be (2,4/5/6 ГГц) + Bluetooth 5.4) |
| Слоты расширения | 1 × PCIe 5.0 x16 (режимы x16, x8+x4+x4) 1 × PCIe 4.0 x16 (режим x4) 1 × PCIe 3.0 x16 (режим x2) |
| Разъемы для накопителей | 4 × SATA 6 Гбит/с (X670E) 1 × M.2 (M2A_CPU, CPU, PCIe 5.0 x4 для устройств формата 2280/2580/22110/25110) 1 × M.2 (M2B_CPU, CPU, PCIe 5.0 x4 для устройств формата 2280/22110) 1 × M.2 (M2C_SB, X670E, PCIe 4.0 x4 для устройств формата 2280/22110) 1 × M.2 (M2D_SB, X670E, PCIe 4.0 x4 для устройств формата 2280/22110) |
| USB-порты | 4 × USB 2.0: 2 внутренних разъема на 4 порта (X670E) 4 × USB 2.0: 2 порта Type-A (черные) (GL850G) 4 × USB 3.2 Gen1: 2 внутренних разъема на 4 порта (X670E) 4 × USB 3.2 Gen1: 4 порта Type-A (синие) (X670E+CPU) 1 × USB 3.2 Gen2x2: 1 внутренний разъем Type-C (X670E) 1 × USB 3.2 Gen2x2: 1 порт Type-C (X670E) 3 × USB 3.2 Gen2: 3 порта Type-A (красные) (X670E+CPU) |
| Разъемы на задней панели | 1 × USB 3.2 Gen2x2 (Type-C) 3 × USB 3.2 Gen2 (Type-A) 4 × USB 3.2 Gen1 (Type-A) 4 × USB 2.0 (Type-A) 1 × RJ-45 4 аудиоразъема типа миниджек 1 × HDMI (выход) 2 антенных разъема кнопка перепрошивки BIOS — Q-Flash Plus |
| Прочие внутренние элементы | 24-контактный разъем питания ATX 2 8-контактных разъема питания EPS12V 1 слот M.2 (E-key), занят адаптером беспроводных сетей 1 разъем для подключения порта USB 3.2 Gen2x2 Type-C 2 разъема для подключения 4 портов USB 3.2 Gen1 2 разъема для подключения 4 портов USB 2.0 8 разъемов для подключения 4-контактных вентиляторов и помп ЖСО 3 разъема для подключения адресуемой ARGB-ленты 1 разъем для подключения неадресуемой RGB-ленты 1 разъем аудио для передней панели корпуса 1 разъем HDMI для подключения фирменной панели Gigabyte (приобретается отдельно) 1 разъем для систем безопасности TPM 1 разъем для подключения фирменной карты Gigabyte Thunderbolt4 1 разъем для датчика шума 2 разъема для термодатчиков 1 разъем для подключения управления с передней панели корпуса |
| Форм-фактор | ATX (305×244 мм) |
| Стоимость | около 25 тысяч рублей |
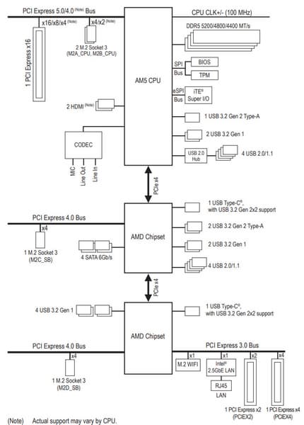
Основная функциональность: чипсет, процессор, память
Схема работы связки чипсет+процессор.
Все процессоры Ryzen 7000/8000/9000 поддерживают:
- 3 порта USB 3,2 Gen2 Type-C,
- 1 порт USB 3,2 Gen2 Type-A,
- 1 порт USB 2.0,
Только Ryzen 7000/9000 поддерживают:
- 28 линий ввода-вывода (включая PCI-E 5.0, в случае работы с A620/B840 пониженные до версии 4.0):
- 4 линии из них (в случае чипсета A620/B840 пониженные до версии 3.0) идут на взаимодействие с чипсетом,
- 16 линий — это PCI-E 5.0 слот для видеокарт,
- Осталось 8 линий PCIe 5.0:
- 4 линии — это слот M.2,
- остальные 4 могут конфигурироваться производителями материнских плат на выбор.
Только Ryzen 8700/8600 поддерживают:
- 20 линий ввода-вывода (PCIe версии 4.0):
- 4 линии из них (в случае чипсета A620/B840 пониженные до версии 3.0) идут на взаимодействие с чипсетом,
- 8 линий — это PCI-E 4.0 слот для видеокарт,
- Осталось 8 линий PCIe 4.0:
- 4 линии — это слот M.2,
- остальные 4 могут конфигурироваться производителями материнских плат на выбор.
Только Ryzen 8500/8300 поддерживают:
- 14 линий ввода-вывода (PCIe версии 4.0):
- 4 линии из них (в случае чипсета A620/B840 пониженные до версии 3.0) идут на взаимодействие с чипсетом,
- 4 линии — это PCI-E 4.0 слот для видеокарт,
- Осталось 6 линий PCIe 4.0:
- 4 линии — это слот M.2,
- остальные 2 могут конфигурироваться производителями материнских плат на выбор .
В свою очередь чипсет X670E поддерживает до:
- 8 портов USB 3.2 Gen2,
- 2 портов USB 3.2 Gen2x2,
- 12 портов USB 2.0,
- 2 портов USB4;
- 24 линии ввода-вывода:
- 4 линии для связи внутри микросхем чипсета (см. ниже).
- Остальные 20 линий распределяются как 12 PCIe 4.0 + 8 PCIe 3.0 (включая до 8 портов SATA).
Таким образом в сумме от тандема X670/X670E+Ryzen 7000/9000 мы получаем:
- 16 PCI-E 5.0 линий для видеокарт (от процессора);
- 2 порта USB 3.2 Gen2x2 (от чипсета);
- 12 портов USB 3.2 Gen2 (4 от процессора, 8 от чипсета);
- 13 портов USB 2.0 (1 от процессора, 12 от чипсета);
- 8 портов SATA 6Гбит/с (от чипсета)
- 8 линий PCIe 5.0 (от процессора), 4 из которых — на слот М.2, 4 — могут образовывать разные варианты комбинаций портов и слотов (в зависимости от производителя материнских плат);
- 12 линий PCI-E 4.0 ( от чипсета), которые могут образовывать разные варианты комбинаций портов и слотов (в зависимости от производителя материнских плат);
- 8 линий PCI-E 3.0 ( от чипсета), которые могут образовывать разные варианты комбинаций портов и слотов (в зависимости от производителя материнских плат).
Итого: 25 портов USB, 28 свободных PCI-E линий (включая до 8 портов SATA).
Напомню, что чипсеты AMD X670 и X670E полностью равнозначны по функциональности (набору портов и линий), но слот PCIe x16 (для видеокарт), получаемый данные от процессора в случае X670E получает версию PCIe 5.0, а в случае X670 — 4.0. Чипсеты X670, X670E, X870E состоят из двух микросхем, каждая из которых представляет собой по сути соответственно, B650, B650E или X870.
Поколения Ryzen 7xxx/8xxx/9xxx поддерживают как традиционные уже модули памяти DDR5 c Intel XMP (Extreme Memory Profile), так и модули с проприетарным от AMD профилем Expo.
Плата Gigabyte поддерживает процессоры AMD поколений 7xxx/8xxx/9xxx, выполненные под разъем (сокет) AM5.
Для установки модулей памяти на плате имеется четыре DIMM-слота (для работы памяти в Dual Channel в случае использования всего 2 модулей их следует устанавливать в А2 и B2).
Плата поддерживает небуферизованную память DDR5, а максимальный объем памяти составляет 256 ГБ. Поддерживаются профили XMP и Expo.

Все слоты DIMM имеют металлическую окантовку.
Периферийная функциональность: PCIe, SATA, разные дополнительные устройства
Выше мы изучили потенциальные возможности тандема X870E+Ryzen, а теперь посмотрим, что из этого и как реализовано в данной материнской плате.

Итак, кроме USB-портов, к которым мы подойдем позже, чипсет X670E обладает 20 PCIe линиями (плюс 4 линии на аплинк с процессором). Считаем, сколько линий уходит на поддержку (связь) с тем или иным элементом:
- слот PCIe x16_2 (4 линии PCIe 4.0);
- слот PCIe x16_3 (2 линии PCIe 3.0);
- порты SATA_0/1/2/4 (4 линии PCIe 3.0);
- Слот M2С_SB (4 линии PCIe 4.0);
- Слот M2D_SB (4 линии PCIe 4.0);
- Realtek RTL8125D (Ethernet 2,5Gb/s) (1 линия PCIe 3.0);
- Qualcomm QCNCM865 WIFI/BT (Wireless) (1 линия PCIe 3.0)
20 линий PCIe оказались занятыми (12 PCIe 4.0 + 8 PCIe 3.0). В данном случае связь с аудиокодеком идет через внутренний HDA. На поддержку BT (при наличии слота M.2 (key E) расходуется один USB 2.0. Детально об этом ниже в разделе USB-портов.
Теперь посмотрим выше на то, как работают процессоры в данной конфигурации. У всех Ryzen 7xxx/9xxx — 24 линии PCIe (плюс 4 линии на даунлинк с чипсетом). Смотрим распределение:
- Слот M2A_CPU (4 линии PCIe 5.0);
- Слот M2B_CPU (4 линии PCIe 5.0);
- 16 линий PCIe 5.0 идут на слот PCIe x16_1 без деления.
Все 24 линии PCIe распределены.
Теперь в целом про слоты расширения.
Всего на плате есть 3 слота: слот PCIe x16_1 (для видеокарт или других устройств, режим х16/x8+x4+x4), слот PCIe x16_2, работающий в режиме х4 и слот PCIe x16_3, работающий в режиме х2. Если про первый PCIe x16_1 я выше уже рассказал (он подключен к CPU), то PCIe x16_2/3 подключены к X670E, но разными версиями: PCIe x16_2 – PCIe 4.0, PCIe x16_3 – PCIe 3.0.
Как видим, перераспределения линий PCIe между слотами PCIe у этой материнки нет, традиционных мультиплексоров нет.
Первый («процессорный») слот PCIe x16 имеет не только жесткую защиту от деформирования в виде пластины с оборотной стороны платы (о чем я выше уже писал), но также еще и металлическое армирование из цинкового сплава, которое увеличивает надежность. Кроме того, такая защита предохраняет слот от электромагнитных помех.
Имеется и более длинный «хвост» у замка слота PCIe x16_1 для более удобного изъятия карт расширения из первого слота. Матплата позволяет смонтировать СО любого размера.
Усилителей (ре-драйверов) сигнала PCIe 5.0/4.0 нет. Как и нет внешнего тактового генератора.
На очереди — накопители.
Всего у платы 4 разъема Serial ATA 6 Гбит/с + 4 слота для накопителей в форм-факторе M.2.
4 порта SATA 0,1,2,3 реализованы через чипсет X670E и поддерживают создание RAID.
Материнская плата сама имеет 4 гнезда форм-фактора М.2.
Слоты M2C_SB и M2D_SB получают данные от чипсета X670E (PCIe 4.0), а остальные два — от CPU (PCIe 5.0). При этом все слоты работают с модулями только с PCIe интерфейсом и поддерживают размеры модулей 2280 и 22110. Слот M2A_CPU также поддерживает еще и размеры 2580/25110. На всех M.2 можно организовать RAID.
Все M.2 слоты на матплате имеют радиаторы. Слот M2A_CPU обладает отдельным очень толстым радиатором, когда как остальные M.2 слоты имеют общий радиатор. Следует отметить, что слот M2A_CPU кроме охлаждения верхней стороны имеет еще и нижний радиатор.
То есть следует отметить, что охлаждение системного чипсета (2 микросхемы) отдельно от охлаждения модулей в слотах M.2.
Периферийная функциональность: USB-порты, сетевые интерфейсы, ввод-вывод
Теперь на очереди USB-порты и прочие вводы-выводы. И начнем с задней панели, куда выведены большинство из них.
Повторим: чипсет X670E способен реализовать максимально: 8 портов USB 3.2 Gen2/1, 2 USB 3.2 Gen2x2, 12 портов USB 2.0. Процессор Ryzen 7000/9000 способен реализовать до 4 портов USB 3.2 Gen2 и 1 USB 2.0.
Также мы помним и про 20 линий PCIe от чипсета, которые идут на поддержку накопителей, сетевых и иных контроллеров (я выше уже показал на что и как расходуются 18 линий).
И что мы имеем? Всего на материнской плате — 21 порт USB:
- Порты USB4 отсутствуют;
- 2 порта USB 3.2 Gen2x2: оба реализованы с помощью X670E и один представлен внутренним портом Type-C (для подключения к соответствующему разъему на передней панели корпуса); второй портом Type-C на задней панели;
- 3 порта USB 3.2 Gen2: 1 реализован через CPU, остальные 2 реализованы через X670E, и все представлены на задней панели портами Type-A (красного цвета);
- 8 портов USB 3.2 Gen1: 6 реализованы через X670E и 4 из них представлены двумя внутренними разъемами на материнской плате (каждый на 2 порта); еще 2 представлены на задней панели портами Type-A (синего цвета); остальные 2 реализованы через CPU и также представлены на задней панели портами Type-A (синего цвета);
- 8 портов USB 2.0/1.1: 4 реализованы через X670E и представлены двумя внутренними разъемами (каждый на 2 порта), еще 4 реализованы через контроллер Genesys Logic GL850G (на него потрачена 1 линия USB 2.0 от CPU) представлены портами Type-A (черного цвета) на задней панели.
Плюс у нас беспроводной контроллер использует 1 линию USB 2.0 от X670E.
Итак, через чипсет X670E реализовано высокоскоростных портов USB:
- + 2 выделенных USB 3.2 Gen2x2;
- + 2 выделенных USB 3.2 Gen2
- + 6 выделенных USB 3.2 Gen1
= 10 высокоскоростных портов и 5 USB 2.0 портов (4 выделенных и 1 линия на поддержку контроллера QCNCM865).
Плюс 20 линий PCIe, выделенные на поддержку иной периферии. Итого, у X670E в данном случае реализовано 30 высокоскоростных портов.
Через процессор реализовано всего 3 высокоскоростных порта USB – 1 USB 3.2 Gen2 и 2 USB 3.2 Gen1.
Все быстрые USB 3.2 порты оснащены ре-драйверами.


А порт USB 3.2 Gen2x2 в виде внутреннего Type-C отдельным контроллером от ITE, являющимся по сути усилителем питания, дающий вольтаж, способный обеспечить быструю зарядку мобильных гаджетов через него.
Отдельно надо отметить, что материнская плата НЕ оснащена портами USB4 (это прерогатива плат на основе AMD X870/X870E).
Теперь о сетевых делах.
Материнская плата оснащена средствами связи просто отлично. Имеется скоростной Ethernet-контроллер Intel i226-V, способный работать по стандарту 2,5 Гбит/с.
Имеется и комплексный беспроводной адаптер на контроллере Qualcomm QCNCM865, через который реализованы Wi-Fi 7 (802.11a/b/g/n/ac/ax/be) и Bluetooth 5.4. Он установлен в слот M.2 (E-key), и его разъемы для привинчивания выносных антенн выведены на заднюю панель.
Заглушка, традиционно надеваемая на заднюю панель, в данном случае уже надета, и изнутри экранирована для снижения электромагнитных помех.
Аудиоподсистема
Плата оснащена звуковым кодеком Realtek ALC897, обеспечивающим вывод звука по схемам до 7.1 с разрешением до 24 бит / 192 кГц.
Операционного усилителя нет.
В аудиоцепях платы применяются «аудиофильские» конденсаторы.
Аудиотракт вынесен на угловую часть платы, не пересекается с другими элементами. Организация схемы 7.1 осуществляется с помощью двух дополнительных гнезд на передней (верхней) панели корпуса ПК (обязательно подключить их к матплате стандартным кабелем).
Питание, охлаждение
Для питания платы на ней предусмотрены 3 разъема: в дополнение к 24-контактному ATX (он на правой стороне платы (на фото — слева) здесь есть еще два 8-контактных EPS12V.
Внешне схема питания выглядит как 16+2+2: 16 фаз — ядро процессора, 2 фазы — SoC (I/O-чиплет Ryzen), 2 фазы — VDD_MISC (вывод встроенной графики).
Каждый канал фазы VCore имеет суперферритовый дроссель и транзисторную сборку TDA21472 от Infineon (ex- IOR) (до 80A).
Каждый канал фазы iGPU имеет суперферритовый дроссель и транзисторную сборку NCP303160 от On Semi (до 60A).
Управляет обоими наборами фаз (16+2) ШИМ-контроллер XDPE192C3B от Infineon, рассчитанный на 12 фаз, поэтому у фаз питания для VCore организовано параллельное управление: 8x2 плюс 2 фазы на встроенную графику: физически 10 фаз питания.
2 фазы питания SoC образуют суперферритовые дроссели и наборы полевых МОП-транзисторов NTMFS4C06-4C10 от On Semi на 69 А.
Управляет этой схемой ШИМ-контроллер RT3672 от Richtek.
Теперь про охлаждение.
Все потенциально сильно греющиеся элементы имеют свои собственные радиаторы.
Как мы видим, охлаждение двух микросхем чипсета (один радиатор) организовано отдельно от остальных элементов. VRM-секция имеет свои два радиатора, соединенных тепловой трубкой под прямым углом.
Как я уже упоминал ранее, M.2 слоты также имеют радиаторы: у первого — свой персональный радиатор (также этот слот снабжен нижним радиатором), у остальных — общий.
Угловой радиатор VRM имеет встроенную в кожух подсветку.
Напомню, что материнская плата не имеет бэкплейта.
Подсветка
Программное обеспечение под Windows
Настройки BIOS
Работоспособность (и разгон)
Запускаем все в режиме по умолчанию. Затем нагружаем тестами от OCCT.
В данном случае авторазгон сработал очень хорошо с учетом стрессовой нагрузки на процессор (его максимальный нагрев был чуть ниже 80 градусов, а максимум потребления выше 160 Вт). При этом стоит отметить, что во всех этих испытаниях мы не получили никаких нареканий на работу сопутствующих блоков, никаких перегревов или странных явлений не было.
Выводы
Материнская плата Gigabyte X670E Aorus Pro X относится к игровой серии, основана на практически топовом чипсете AMD X670E (это те же 2 микросхемы Promontory21, что и у X870E) и позиционируется для работы с топовыми процессорами AMD платформы AM5. Это решение для игровых ПК весьма высокого уровня, при этом модель не относится к флагманским, и ее можно найти в продаже по цене в пределах 25-28 тысяч рублей. Повторим, что X670E ничем не отличается от X870E, просто платы с X870E обязательно имеют хаб USB4, который, в общем, не так уж актуален на сегодня.
У Gigabyte X670E Aorus Pro X имеется 21 порт USB разных видов, включая 2 современных USB 3.2 Gen2×2 (20 Гбит/с) и 11 USB 3.2 Gen1/2. Плата предлагает 1 слот PCIe х16, который получает от процессора 16 линий PCIe версии 5.0, также имеются 2 слота формата PCIe x16, соединенные с чипсетом 4 линиями PCIe 4.0 и 2 линиями PCIe 3.0 соответственно. Всего у платы 4 слота M.2: два из них подключены напрямую к процессору линиями PCIe 5.0, а два подключены к чипсету X670E линиями PCIe 4.0. Также в арсенале платы есть 4 порта SATA и 8 разъемов для вентиляторов. Система питания процессора очень мощная, она способна обеспечить работу любых совместимых процессоров с приличным запасом на разгон. Плата имеет грамотную систему охлаждения каждого потенциально греющегося элемента, включая накопители в слотах M.2.
Сетевые возможности включают проводной контроллер 2,5 Гбит/с и беспроводной Wi-Fi 7 + Bluetooth 5.4. В числе плюсов Gigabyte X670E Aorus Pro X можно упомянуть возможности для подключения дополнительных ARGB-устройств.
Рассмотренная плата предлагает широкие программные возможности для любителей разгона (через BIOS Setup).

В заключение еще раз напомним, что в последнем поколении чипсетов AMD только X870E является топовым (состоит из двух микросхем) и поддерживает такой же набор линий PCIe и портов, как его предшественник X670E, плюс 2 порта USB4. Так что если отсутствие USB4 для вас не является критичным, а плату на основе X670E удастся приобрести по адекватной цене, то это отличный выбор.

































































































