Мы продолжаем изучать, как устроена та или иная материнская плата, на что способна система питания, с каким ассортиментом периферии, а также программных средств она попадает к потребителю.
Исследование процессоров — в своем разделе.
Как известно, с выходом поколения 9ххх процессоров от AMD обновилась и линейка системных чипсетов от AMD, новое поколение получило цифру 8, то есть X870/B850 и так далее. Сегодня мы впервые познакомимся с чипсетом среднего уровня – AMD B850.
Таблица основных отличий чипсетов AM5 двухлетней давности и последнего поколения.
| Особенности | B650/B650E | B850 | X870 | X670/X670E | X870E |
|---|---|---|---|---|---|
| Совместимость с процессорами AMD | Ryzen 7xxx/8xxx/9xxx | ||||
| Версия PCIe (процессор) | 4.0 & 5.0/5.0 | 4.0 & 5.0 | 5.0 | 4.0 & 5.0/5.0 | 5.0 |
| Количество линий PCIe (процессор) | 28 | ||||
| Количество линий PCIe от процессора на связь с чипсетом | x4 PCIe 4.0 | ||||
| Версия PCIe (чипсет) | 3.0 & 4.0 | ||||
| Количество линий PCIe (чипсет) | 12 (8 x 4.0 & 4 x 3.0) | 12 (8 x 4.0 & 4 x 3.0) | 12 (8 x 4.0 & 4 x 3.0)* | 20 (12 x 4.0 & 8 x 3.0) | 20 (12 x 4.0 & 8 x 3.0)* |
| Поколение ОЗУ | DDR5 | ||||
| Количество каналов ОЗУ | 2 | ||||
| Максимальное количество слотов ОЗУ | 4 | ||||
| Максимальный объем ОЗУ | 256 ГБ | ||||
| Количество портов SATA 6.0 Gb/s до | 4 | 4 | 4 | 8 | 8 |
| Порты USB4 (40Gbps) до | необязательно, по желанию производителя через сторонний контроллер | необязательно, по желанию производителя через сторонний контроллер | 2 (обязательно) через сторонний контроллер с выделением для него 4х линий PCIe | необязательно, по желанию производителя через сторонний контроллер | 2 (обязательно) через сторонний контроллер с выделением для него 4х линий PCIe |
| Порты USB 3.2 Gen 2x2 (20Gbps) до | 1 | 1 | 1 | 2 | 2 |
| Порты USB 3.2 Gen 2x1 (10Gbps) / Gen 1x1 (5Gbps) до | 6 | 6 | 6 | 8 | 8 |
| Порты USB 2.0 до | 6 | 6 | 6 | 12 | 12 |
| Конфигурация слота PCIe x16 (от процессора) | только x16/x16 или x8+x8 или x8+x4+x4 | x16 или x8+x8 или x8+x4+x4 | x16 или x8+x8 или x8+x4+x4 | только x16/x16 или x8+x8 или x8+x4+x4 | x16 или x8+x8 или x8+x4+x4 |
| Возможность разгона по частоте шины | Да | ||||
Примечание: * – 4 линии PCIe 4.0 могут быть зарезервированы для контроллера USB4 как у чипсета, так и у CPU.
2 года назад AMD внедрила размещение старшего чипсета X670/X670E в виде двух микросхем Promontory 21, которые между собой также соединяются линиями PCIe 4.0, при этом каждый их этих чипов представлял собой фактически более младшие решения B650/B650E. Если как-то грубо отбросить трату 4х линии PCIe на связь между данными микросхемами, то можно сказать, что X6xx имеет ровно в 2 раза больше линий и портов, чем B6xx, то есть разница между X670/X670E и B650/650E – очень существенная именно по количеству имеющихся линий PCIe/USB. Суффикс «E» у тех чипсетов означает лишь поддержку PCIe 5.0 от процессора для слота PCIe x16 и слотов M.2 (а также возможность деления 16-ти линий на варианты x8+x8 или x8+x4+x4), когда как у аналогов без «Е» на «процессорных» слотах версия 4.0 (и 16 линий PCIe делить нельзя – только 1 вариант: все 16 линий на слот для видеокарт).
C учетом того, что у соответствующих чипсетов 8xx и 6xx серий практически идентичное количество портов и линий PCIe, очевидно, что поколение 8хх отличается от 6хх прежде всего обязательным присутствием контроллера USB4, что ранее было опциональным и зависело от желания партнера AMD. На сегодня для этих целей повсеместно используется контроллер ASM4242 от ASMedia, и он для своей работы требует 4 линии PCIe, и (внимание!) они могут использоваться как от чипсета 8xx, так и от процессора Ryzen (за счет линий для NVMe (M.2) слотов).
Обращаясь к новой линейке 8xx, мы уже уяснили, что X870 – это по сути тот же B650E (плюс обязательная поддержка USB4), а не никакой не «X-чипсет» (к которому мы уже успели привыкнуть на примере X670/670E).
А что же собой представляет B850, и чем он отличается от X870 и B650E? Учитывая, что физически это тот же чип Promontory 21, мы можем уверенно сказать, что маркетологи AMD, видимо, испытывали очень тяжелые мучения, пытаясь искусственно создать хоть какие-то отличия между X870 и B850.
Итак, если AMD X870 – это по сути B650E (то есть линий и портов почти в 2 раза меньше, чем у X870E, а от процессора на слоты и порты идет полная версия PCIe 5.0, и 16 линий для видеокарты можно делить на 2 слота по 8 линий, плюс обязательная поддержка USB4 через сторонний контроллер), то AMD B850 – это по сути B650 (от процессора на слоты и порты могут идти линии PCIe как версии 5.0, так и 4.0 – на выбор производителя), нет обязательной поддержки USB4, но при этом имеется опция разделения 16 линий для видеокарты на x8+x8 – что являлось прерогативой B650E). Короче, запутаться можно.
Одно следует иметь в виду: X670/X670E/X870E – чипсеты с двумя физическими Promontory 21, поэтому там линий PCIe и портов в 2 раза больше, а B650/B650E/X870/B850 – чипсеты с одним Priomontory 21 с вытекающими последствиями. А чего еще могут добавить/убавить производители – непредсказуемо.
Теперь возвращаемся к самой матплате.
Известно, что у компании Gigabyte кроме собственного бренда есть суббренд Aorus, в который компания относит наиболее «навороченные» продукты. Вот наша сегодняшняя плата относится к этой серии — Gigabyte B850 Aorus Elite WiFi7 Ice, базируемая на AMD B850 (суффикс Elite означает, что это 4я по уровню модель внутри Aorus (выше – Xtreme, Master, Pro).
Посмотрим ближе.
Gigabyte B850 Aorus Elite WiFi7 Ice поставляется в традиционной для Aorus коробке из жесткого картона с фирменным дизайном серии белого окраса. Комплект размещен под платой в отдельных отсеках.
Комплект поставки в целом скромен: в нем есть очень краткое руководство пользователя (детальное скачивается с сайта компании), 2 кабеля SATA, антенна встроенного Wi-Fi/BT-модуля, фирменный G-connector для передней панели, бонусные наклейки.
ПО не поставляется, его надлежит скачивать с сайта производителя.
«Заглушка» на заднюю панель с разъемами уже смонтирована на самой плате.
Форм-фактор
Форм-фактор ATX имеет размеры до 305×244 мм, а E-ATX — до 305×330 мм. Материнская плата Gigabyte B850 Aorus Elite WiFi7 Ice имеет размеры 305×244 мм, поэтому выполнена в форм-факторе ATX, и на ней имеются 9 монтажных отверстий для установки в корпус.
На оборотной стороне расположена металлическая пластина жесткости крепления процессорного разъема (сокета) и традиционная некоторая логика. Текстолит обработан хорошо: во всех точках пайки острые концы срезаны,а также отшлифовано. Защитной пластины (бэкплейта) нет.
Кстати, вот одно из традиционных отличий продуктов топового уровня от остальных: оснащение слота для видеокарты PCIe x16 очень внушительной пластиной жесткости с оборотной стороны PCB – здесь мы ее не видим. Уже маркетинговое «понижение» из-за B850. -)
Технические характеристики
Традиционная таблица с перечнем функциональных особенностей.
| Поддерживаемые процессоры | AMD Ryzen 7xxx/8xxx/9xxx под AM5 |
|---|---|
| Процессорный разъем | AM5 |
| Чипсет | AMD B850 |
| Память | 4 × DDR5, до 256 ГБ, до DDR5-8200 (XMP/Expo), два канала |
| Аудиоподсистема | 1 × Realtek ALC897 (7.1) |
| Сетевые контроллеры | 1 × Realtek RTL8125D Ethernet 2.5 Гбит/с 1 × Realtek Dual Band Wireless RTL8922 (Wi-Fi 7 802.11a/b/g/n/ac/ax (2,4/5/6 ГГц) + Bluetooth 5.4) |
| Слоты расширения | 1 × PCI Express 5.0 x16 (режимы x16/x8+x8) 1 × PCI Express 4.0 x16 (режим x1) 1 × PCI Express 4.0 x16 (режим x1) |
| Разъемы для накопителей | 4 × SATA 6 Гбит/с (B850) 1 × M.2 (M2A_CPU, CPU, PCIe 5.0 x4 для устройств формата 2280/2580/22110/25110) 2 × M.2 (M2B_CPU, CPU, PCIe 4.0 x4 для устройств формата 2280/2580/22110/25110) 1 × M.2 (M2C_SB, B850, PCIe 4.0 x4 для устройств формата 2280/2580/22110/25110) |
| USB-порты | 4 × USB 2.0: 4 порта Type-A (белые)(Genesys Logic GL850G) 4 × USB 2.0: 2 внутренних разъема на 4 порта (B850) 2 × USB 3.2 Gen1: 1 внутренний разъем на 2 порта (B850) 5 × USB 3.2 Gen1: 5 портов Type-A (синие) (B850+RTS5411) 1 × USB 3.2 Gen2x2: 1 внутренний разъем Type-C (B850) 1 × USB 3.2 Gen2: 1 порт Type-C (CPU) 2 × USB 3.2 Gen2: 2 порта Type-A (красные) (CPU) |
| Разъемы на задней панели | 1 × USB 3.2 Gen2 (Type-C) 2 × USB 3.2 Gen2 (Type-A) 5 × USB 3.2 Gen1 (Type-A) 4 × USB 2.0 (Type-A) 1 × RJ-45 2 аудиоразъема типа миниджек 1 × S/PDIF (оптический, выход) 1 × DP 2 антенных разъема кнопка перепрошивки BIOS — Q-Flash Plus |
| Прочие внутренние элементы | 24-контактный разъем питания ATX 1 8-контактный разъем питания EPS12V 1 4-контактный разъем питания EPS12V 1 слот M.2 (E-key), занят адаптером беспроводных сетей 1 разъем для подключения порта USB 3.2 Gen2x2 Type-C 1 разъем для подключения 2 портов USB 3.2 Gen1 2 разъема для подключения 4 портов USB 2.0 6 разъемов для подключения 4-контактных вентиляторов и помп ЖСО 1 разъем для подключения неадресуемой RGB-ленты 3 разъема для подключения адресуемой ARGB-ленты 1 разъем аудио для передней панели корпуса 1 разъем для сброса CMOS 1 разъем TPM для систем безопасности 1 разъем для перезагрузки Reset 1 разъем для подключения управления с передней панели корпуса 1 кнопка включения питания Power 1 кнопка перезагрузки Reset |
| Форм-фактор | ATX (305×244 мм) |
| Примерная цена | 28 тысяч рублей на момент подготовки обзора (на Озоне) |
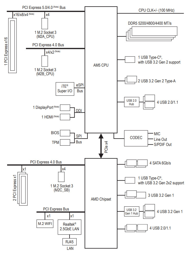
Основная функциональность: чипсет, процессор, память
Схема работы связки чипсет+процессор.
Все процессоры Ryzen 7000/8000/9000 поддерживают:
- 3 порта USB 3,2 Gen2 Type-C,
- 1 порт USB 3,2 Gen2 Type-A,
- 1 порт USB 2.0,
Только Ryzen 7000/9000 поддерживают:
- 28 линий ввода-вывода (включая PCI-E 5.0, в случае работы с A620 пониженные до версии 4.0):
- 4 линии из них (в случае чипсета A620 пониженные до версии 3.0) идут на взаимодействие с чипсетом,
- 16 линий — это PCI-E 4.0 слот для видеокарт,
- Осталось 8 линий PCIe 4.0:
- 4 линии — это слот M.2,
- остальные 4 могут конфигурироваться производителями материнских плат на выбор.
Только Ryzen 8700/8600 поддерживают:
- 20 линий ввода-вывода (PCIe версии 4.0):
- 4 линии из них (в случае чипсета A620 пониженные до версии 3.0) идут на взаимодействие с чипсетом,
- 8 линий — это PCI-E 4.0 слот для видеокарт,
- Осталось 8 линий PCIe 4.0:
- 4 линии — это слот M.2,
- остальные 4 могут конфигурироваться производителями материнских плат на выбор.
Только Ryzen 8500/8300 поддерживают:
- 14 линий ввода-вывода (PCIe версии 4.0):
- 4 линии из них (в случае чипсета A620 пониженные до версии 3.0) идут на взаимодействие с чипсетом,
- 4 линии — это PCI-E 4.0 слот для видеокарт,
- Осталось 6 линий PCIe 4.0:
- 4 линии — это слот M.2,
- остальные 2 могут конфигурироваться производителями материнских плат на выбор.
В свою очередь чипсет B850 поддерживает до:
- 6 портов USB 3.2 Gen2,
- 1 порт USB 3.2 Gen2x2,
- 6 портов USB 2.0,
- 12 линий ввода-вывода:
- распределение линий: 8 PCIe 4.0 + 4 PCIe 3.0;
- линии PCIe 3.0 могут включать до 4 портов SATA .
Таким образом в сумме от тандема B850+Ryzen 7000/9000 мы получаем:
- 16 PCI-E 4.0/5.0 линий для видеокарт (от процессора);
- 1 порт USB 3.2 Gen2x2 (от чипсета);
- 10 портов USB 3.2 Gen2 (4 от процессора, 6 от чипсета);
- 7 портов USB 2.0 (1 от процессора, 6 от чипсета);
- 4 порта SATA 6Гбит/с (от чипсета, входят в состав линий PCIe 3.0)
- 4 линии PCIe 5.0 (от процессора) на слот М.2;
- 12 линий PCI-E 4.0 ( от чипсета и процессора), которые могут образовывать разные варианты комбинаций портов и слотов;
- 4 линии PCI-E 3.0 ( от чипсета), которые могут образовывать разные варианты комбинаций портов и слотов (в зависимости от производителя материнских плат).
Итого: до 18 портов USB, 20 свободных PCI-E линий (включая до 4 портов SATA).
Напомню, что чипсет B850 имеет тот же набор портов и линий PCIe, что и B650, плюс возможность разделения 16 PCIe 5.0 линий от процессора на 8 + 8.
Поколения Ryzen 7xxx/8xxx/9xxx поддерживают как традиционные уже модули памяти DDR5 c Intel XMP (Extreme Memory Profile), так и модули с проприетарным от AMD профилем Expo.
Gigabyte B850 Aorus Elite WiFi7 Ice поддерживает процессоры AMD поколения 7000/8000/9000, выполненные под разъем (сокет) AM5.
Для установки модулей памяти на плате имеется четыре DIMM-слота (для работы памяти в Dual Channel в случае использования всего 2 модулей их следует устанавливать в А2 и B2). Плата поддерживает небуферизованную память DDR5, а максимальный объем памяти составляет 256 ГБ. Поддерживаются профили XMP и Expo.

Слоты DIMM не имеют металлической окантовки.
Периферийная функциональность: PCIe, SATA, разные дополнительные устройства
Выше мы изучили потенциальные возможности тандема B850+Ryzen, а теперь посмотрим, что из этого и как реализовано в данной материнской плате.

Итак, кроме USB-портов, к которым мы подойдем позже, чипсет B850 обладает 12 PCIe линиями. Считаем, сколько линий уходит на поддержку (связь) с тем или иным элементом:
- Слот PCIe x16_2 (1 линия PCIe 4.0)
- порт M.2 (M2C_SB) (4 линии PCIe 4.0);
- Слот PCIe x16_3 (1 линия PCIe 4.0);
- SATA 0,1,2,3 (4 линии PCIe 3.0);
- Realtek RTL8125D (Ethernet 2.5 Gb/s) (1 линия PCIe 4.0);
- Realtek RTL8922 WIFI7/BT (Wireless) (1 линия PCIe 4.0)
12 линий PCIe (8 версии 4.0 и 4 версии 3.0) оказались занятыми, включая 4 порта SATA.
Теперь посмотрим выше на то, как работают процессоры в данной конфигурации. У всех Ryzen 7xxx/9xxx — 24 линии PCIe (плюс 4 линии на даунлинк с чипсетом). Смотрим распределение:
- Порт M.2 (M2A_CPU) (4 линии PCIe 5.0);
- Слот PCIe x16_1 (16 линий PCIe 5.0);
- Порт M.2 ( M2B_CPU) (4 линии PCIe 4.0)
В процессорах Ryzen встроен контроллер High Definition Audio (HDA), связь с аудиокодеком идет путем эмуляции PCI шины. А также контроллер USB 2.0 Genesys Logic GL850G использует линию USB 2.0 от CPU, а Realtek RTS5411 использует 1 линию USB 3.2 Gen1 от B850 (детали ниже в разделе USB портов).
Выше приведена полная схема распределения ресурсов по слотам PCIe. Всего на плате есть 3 слота PCIe: один PCIe x16 PCIe 5.0, получающий данные от процессора, и два «длинных» слота, получающие данные от B850, но работающие по схеме x1 и x1.
Первый («процессорный») слот PCIe x16 имеет металлическое армирование из нержавеющей стали, которое увеличивает надежность. Кроме того, такая защита предохраняет слот от электромагнитных помех.
Имеется и схема EZ-Latch-Plus удобного изъятия карт расширения из первого слота. Путем нажатия кнопки за пределами слота можно легко открыть замок PCIe x16_1.
Матплата позволяет смонтировать СО любого размера.
Поскольку имеются переключения работы слота PCIe x16_1 (x16 или x8+x8), то востребованы мультиплексоры от Lerain, специально предназначенные для работы с шиной PCIe 5.0.
Внешнего тактового генератора нет.
На очереди — накопители.
Всего у платы 4 разъема Serial ATA 6 Гбит/с + 3 слота для накопителей в форм-факторе M.2. Все порты SATA реализованы через чипсет B850 и поддерживают создание RAID.
Материнская плата имеет 3 гнезда форм-фактора М.2.
Все 3 слота поддерживают размеры модулей 25110/2580/22110/2280 и работают с модулями только с PCIe интерфейсом, при этом два (M2A_CPU, M2B_CPU) из них получают данные от CPU, а один M2C_SB – от чипсета B850.
Все M.2 слоты имеют общий радиатор.
Периферийная функциональность: USB-порты, сетевые интерфейсы, ввод-вывод
На очереди USB-порты. И начнем с задней панели, куда выведены большинство из них.
Повторим: чипсет B850 способен реализовать максимально: 6 портов USB 3.2 Gen2/1, 1 USB 3.2 Gen2x2, 6 портов USB 2.0. Процессор Ryzen 7000/8000/9000 способен реализовать до 4 портов USB 3.2 Gen2 и 1 USB 2.0.
Также мы помним и про 12 линий PCIe от чипсета, которые идут на поддержку накопителей, сетевых и иных контроллеров (я выше уже показал на что и как расходуются все 12 линий).
И что мы имеем? Всего на материнской плате — 19 портов USB:
- 1 порт USB 3.2 Gen2x2: реализован через B850 и представлен внутренним портом Type-C для подключения к соответствующему разъему на передней панели корпуса;
- 3 порта USB 3.2 Gen2: все реализованы через CPU и представлены на задней панели двумя портами Type-A (красные) и одним портом Type-C;
- 7 портов USB 3.2 Gen1: 3 реализованы через B850 и 2 представлены внутренним разъемом на материнской плате на 2 порта, а 1 представлен на задней панели портом Type-A (синий); еще 4 реализованы через контроллер Realtek RTS5411 (на него потрачена 1 линия USB 3.2 Gen1 от B850) и представлены на задней панели 4 портами Type-A (синие);
- 8 портов USB 2.0/1.1: 4 реализованы через B850 и представлены двумя внутренними разъемами (каждый на 2 порта); еще 4 реализованы через контроллер Genesys Logic GL850G (на него потрачена 1 линия USB 2.0 от CPU) и представлены 4 портами Type-A на задней панели (белые).
Итак, через чипсет B850 реализовано 1 USB 3.2 Gen2x2, 4 USB 3.2 Gen1 и 5 USB 2.0 портов (помним, что беспроводной контроллер требует одну линию USB 2.0).
Плюс 12 линий PCIe, выделенные на поддержку иной периферии. Итого, у B850 в данном случае реализовано 17 высокоскоростных портов.
Все быстрые USB порты Type-A/Type-C имеют свои усилители сигнала PI3EQX1014 от Diodes Inc.(ex Pericom).
А для нужд быстрой зарядки порт Type-C на задней панели и аналогичный внутренний порт для вывода на переднюю панель имеют редрайверы от Realtek.
Теперь о сетевых делах.
Материнская плата оснащена средствами связи хорошо. Имеется скоростной Ethernet-контроллер: Realtek RTL8125D, способный выдавать до 2,5 Гбит/с.
Имеется и комплексный беспроводной адаптер на контроллере Realtek RTL8922, через который реализованы Wi-Fi 7 (802.11a/b/g/n/ac/ax/be) и Bluetooth 5.4. Он установлен в слот M.2 (E-key), и его разъемы для присоединения выносных антенн выведены на заднюю панель.
В данном адаптере реализована новая схема подключения антенн – с помощью пластиковых замков (без завинчивания наконечников антенных проводов).
Заглушка, традиционно надеваемая на заднюю панель, в данном случае уже надета, и изнутри экранирована для снижения электромагнитных помех.
Аудиоподсистема
Мы знаем, что уже достаточно давно в большинстве современных материнских платах звуком заведовал аудиокодек Realtek ALC897. Он обеспечивает вывод звука по схемам до 7.1 с разрешением до 24 бит / 192 кГц. В данном случае схема 7.1 реализована через S/PDIF, а также с участием гнезд на корпусе (поэтому их следует подключить к матплате).
Ни ЦАП, ни операционных усилителей нет.
В аудиоцепях платы применяются «аудиофильские» конденсаторы.
Аудиотракт вынесен на угловую часть платы, не пересекается с другими элементами. У карты два универсальных разъема с позолоченным покрытием по приему и выводу сигналов плюс оптический S/PDIF. Еще раз напомню, что вывод по схеме 7.1 не только через S/PDIF, но и по схеме ниже.


Питание, охлаждение
Для питания платы на ней предусмотрены 3 разъема: в дополнение к 24-контактному ATX здесь есть еще два ATX12V (4 и 8 контактов).
Внешне схема питания выглядит как 14+2+2: 14 фаз — ядро процессора, 2 фазы — SoC (I/O-чиплет Ryzen), 2 фазы — VDD_MISC (вывод встроенной графики).
Управляет фазами VCore и SoC цифровой контроллер RT3678 от Richtek, он способен работать максимум с 10 фазами, так что уже очевидно, что используется параллельная схема для VCore (7x2). Плюс 2 фазы SoC.
Фазы питания VDD_MISC — под управлением ШИМ-контроллера RT3672 от Richtek.
Каждая фаза VCore и SoC имеет по транзисторной сборке NCP302155 от On Semi (до 55А).
Схема питания VDD_MISC снабжена набором полевых транзисторов NTMFS4C10N/4C06N от On Semi (до 69А).
Теперь про охлаждение.
Все потенциально сильно греющиеся элементы имеют свои собственные радиаторы. Чипсет B850 имеет весьма широкий радиатор, он прекрасно справляется с охлаждением без вентилятора.
Остальной набор охлаждающих элементов весьма привычен.
Две группы силовых преобразователей имеют свои раздельные радиаторы, соединенные тепловой трубкой.
У всех модулей M.2, как я уже выше отмечал, есть общий радиатор с термоинтерфейсом. Следует особо отметить, что слот M2A_CPU оснащен термопрокладками с обеих сторон. То есть под слотом также есть плоский тонкий радиатор.
Материнская плата не имеет бэкплейта с оборотной стороны.
Подсветка
Программное обеспечение под Windows
Настройки BIOS
Работоспособность (и разгон)
Запускаем все в режиме по умолчанию. Затем нагружаем тестами от OCCT. Напомню, что во всех современных матплатах по умолчанию включен авторазгон CPU.
При этом современные технологии авторазгона базируют свои лимиты подъема частот на информации о системе питания на той или иной матплате, возможностях чипсета и т.д. (контроллеры – цифровые, в UEFI вся информация имеется)..
Мы видим, что авторазгон у этой платы в режиме работы по умолчанию сработал отлично (до 5,3 – 5,5 ГГц по всем ядрам — это очень хороший уровень для матплаты такого уровня). При этом стоит отметить, что во всех этих испытаниях мы не получили никаких нареканий на работу сопутствующих блоков, никаких перегревов или странных явлений не было.
Также хочу отметить очень важный момент. Ряд пользователей уверен, что общая производительность ПК сильно зависит от уровня материнской платы: чем она дороже и навороченнее, тем выше производительность (при одинаковых остальных составляющих). Так вот, производительность в деловых задачах (не в играх) у современного ПК на 99% зависит от центрального процессора и оперативной памяти (в играх еще и от видеокарты). Материнские платы на одном и том же чипсете, имеющие примерно сопоставимые системы питания, укомплектованные одними и теми же процессором и ОЗУ, работающие в режиме по умолчанию (без ручного вмешательства) дают разницу в производительности не выше 1,5%, что соответствует погрешности измерений. Если две платы на одном и том же чипсете стоят условно 70 000 рублей и 50 000 рублей, то это лишь говорит о том, что у первой более широкий набор периферии, более богатый комплект поставки, возможно больше опций в BIOS по настройкам того же оверклокинга, она может поддерживать модули памяти с более высокой пропускной способностью, чем вторая. Вот если системы питания кардинально отличаются, и авторазгон у плат также сильно разный, то там уже может быть осязаемая разница в производительности. Однако такое возможно только при очень большой разницей в цене, ибо подсистема питания занимает очень большую долю в себестоимости производства той или иной материнской платы.
По всем этим причинам мы не занимаемся сравнением материнских плат внутри одного ценового уровня от разных производителей плане производительности в реальных приложениях. Осязаемая разница может быть только при ручном вмешательстве в настройки работы плат, а также при кардинальном отличии систем питания, количестве слоев текстолита и т.п.
Выводы
Материнская плата Gigabyte B850 Aorus Elite WiFi7 Ice основана на чипсете среднего уровня AMD B850 и предназначена для процессорного разъема AM5. Ее стоимость на момент подготовки обзора составляла около 28 тысяч рублей. Плата поддерживает процессоры AMD Ryzen 7000/8000/9000 и создана для геймеров и пользователей, ценящих эстетику компонентов своего ПК.
У Gigabyte B850 Aorus Elite WiFi7 Ice имеется 19 портов USB разных видов, включая три быстрых порта USB 3.2 Gen2 и один USB 3.2 Gen2×2. Основной слот PCIe х16 получает от процессора 16 линий PCIe 5.0, возможно разделение линий через настройки в BIOS Setup (в случае установки в слот карты расширения под слоты M.2). У платы имеется три слота M.2, один из которых (M2A_CPU) поддерживает PCIe 5.0, остальные два — PCIe 4.0.
В арсенале этой модели также есть 4 порта SATA и 6 разъемов для вентиляторов. Система питания процессора весьма мощная, почти как у старших решений. Плата имеет систему охлаждения для каждого потенциально греющегося элемента, включая накопители в слотах M.2. Сетевые возможности включают один проводной контроллер 2,5 Гбит/с и один самый современный беспроводной Wi-Fi 7 + Bluetooth 5.4. В числе плюсов платы можно упомянуть широкие возможности для подключения дополнительных RGB-устройств.
Также плата Gigabyte B850 Aorus Elite WiFi7 Ice предлагает некоторые возможности для любителей разгона.

В заключение предлагаем посмотреть наш видеообзор материнской платы Gigabyte B850 Aorus Elite WiFi7 Ice:































































































