Сразу же сообщу, что здесь информация только по возможностям той или иной материнской платы, ибо если кого интересуют процессоры Intel 12-го поколения, их сравнения с предыдущими и конкурентами от AMD, то ищите материалы на нашем сайте в разделе процессоров.
Давайте снова глянем на основные отличия чипсетов B660, H670 и Z690.
| Особенности | B660 | H670 | Z690 |
|---|---|---|---|
| Совместимость с процессорами Intel | 12th Gen Core | 12th Gen Core | 12th Gen Core |
| Версия PCIe (процессор) | 4.0 & 5.0 | 4.0 & 5.0 | 4.0 & 5.0 |
| Количество линий PCIe (процессор) | 20 | 20 | 20 |
| Версия PCIe (чипсет) | 3.0 & 4.0 | 3.0 & 4.0 | 3.0 & 4.0 |
| Количество линий PCIe (чипсет) | 14 (6 x 4.0 & 8 x 3.0) | 24 (12 x 4.0 & 12 x 3.0) | 28 (12 x 4.0 & 16 x 3.0) |
| Версия DMI | 4.0 | 4.0 | 4.0 |
| Количество линий DMI | x4 | x8 | x8 |
| Поколение ОЗУ | DDR4 & DDR5 | DDR4 & DDR5 | DDR4 & DDR5 |
| Количество каналов ОЗУ | 2 | 2 | 2 |
| Максимальное количество слотов ОЗУ | 4 | 4 | 4 |
| Максимальный объем ОЗУ | 128 ГБ | 128 ГБ | 128 ГБ |
| Количество портов SATA 6.0 Gb/s до | 4 | 8 | 8 |
| Порты USB 3.2 Gen 2x2 (20Gbps) до | 2 | 2 | 4 |
| Порты USB 3.2 Gen 2x1 (10Gbps) до | 4 | 4 | 10 |
| Порты USB 3.2 Gen 1x1 (5Gbps) до | 6 | 8 | 10 |
| Порты USB 2.0 до | 12 | 14 | 14 |
| Встроенная поддержка Wi-Fi | Wi-Fi 6E | Wi-Fi 6E | Wi-Fi 6E |
| Возможность разгона по частоте шины | Нет | Нет | Да |
Основные моменты и отличия B660:
- связь между чипсетом и процессором по DMI урезана в 2 раза, очевиден искусственно сделанный шаг маркетологами от Intel;
- общее количество линий PCIe – 14: 6 линий PCIe 4.0 и 8 линий PCIe 3.0, это означает урезанность в 2 раза в сравнении с Z690;
- наличие 4х портов SATA идет в дополнении к 14 линиям PCIe, когда как в 28 линий у Z690 4 порта SATA уже входят;
- поддержка до 2х интегрированных USB 3.2 Gen2x2 (до 20 Gb/s) портов (правда каждый из них требует поддержки со стороны двух USB 3.2 Gen2), до 4х USB 3.2 Gen2 (10 Gb/s) и 6 USB 3.2 Gen1 (5 Gb/s). В целом высокоскоростных портов (High Speed In Out, HSIO) получилось 24.
- поддержка до 12 USB 2.0.
12е поколение процессоров добавляет к этому набору еще 20 линий PCIe, при этом 16 линий (расходуемые на слоты PCIe x16) версии PCIe 5.0, оставшиеся 4 линии PCIe 4.0 идут на М.2 слот. Процессоры 12ххх умеют поддерживать как DDR5, так и DDR4, так что производители матплат вольны выпускать продукты как с DDR5, так и с DDR4 слотами. Напомню про процессорный сокет LGA 1700, так что взаимной совместимости с процессорами 11го и 10го поколений нет.
Рассматриваемый сегодня продукт относится к топовой серии матплат ROG Strix, правда не к флагманской ROG Maximus, ну просто по причине того, что базируется на чипсете среднего уровня B660, однако это все не умаляет некоторых достоинств данной материнской платы, например, ее форм-фактора. Впрочем, давайте по порядку.
Герой нынешнего обзора — Asus ROG Strix B660-I Gaming WiFi.
Asus ROG Strix B660-I Gaming WiFi поставляется в стандартной коробке фирменного дизайна серии ROG. Комплект размещен под платой в отдельном отсеке.
Комплект поставки традиционен для линейки ROG Strix: кроме традиционных элементов типа руководства пользователя и кабелей SATA, имеются накопитель с ПО, антенны встроенного Wi-Fi-модуля, винтики для М.2 слотов, адаптеры для подключения USB-портов и передней панели, а также бонусные стикеры и подарочный брелок.
ПО поставляется на накопителе типа CD (р-р-р!), впрочем за время путешествия платы к покупателю оно все равно успевает устареть, так что придется его обновлять с сайта производителя сразу после покупки. В качестве бонуса прилагается брелок, который можно использовать как стяжку-«липучку».
«Заглушка» на заднюю панель с разъемами уже смонтирована на самой плате.
Форм-фактор
Форм-фактор Mini-ITX имеет размеры 170x170 мм, Micro-ATX до 244×244 мм, ATX до 305×244 мм, а E-ATX — до 305×330 мм. Материнская плата Asus ROG Strix B660-I Gaming WiFi выполнена в форм-факторе Mini-ITX, имеет размеры 170×170 мм, и на ней имеются 4 монтажных отверстия для установки в корпус.
Оборотная сторона — не пустая, там расположена некоторая логика, а также размещен слот для SSD-накопителей в форм-факторе M.2. Текстолит обработан хорошо: во всех точках пайки острые концы срезаны.
Забавно видеть, что на плате на обеих сторонах имеется зеркально перевернутая надпись «GAME ON».
Технические характеристики
Традиционная таблица с перечнем функциональных особенностей.
| Поддерживаемые процессоры | Intel Core 12-го поколения |
|---|---|
| Процессорный разъем | LGA 1700 |
| Чипсет | Intel B660 |
| Память | 2 × DDR5, до 6200 МГц (XMP), до 64 ГБ, два канала |
| Аудиоподсистема | 1 × Realtek RTL1220 (7.1) + операционный усилитель Savitech SV3H712 |
| Сетевые контроллеры | 1 × Intel i225-V Ethernet 2,5 Гбит/с 1 × Intel Dual Band Wireless AX201NGW (Wi-Fi 802.11a/b/g/n/ac/ax (2,4/6 ГГц) + Bluetooth 5.1) |
| Слоты расширения | 1 × PCIe 5.0 x16 (режим x16) |
| Разъемы для накопителей | 4 × SATA 6 Гбит/с (B660) 1 × M.2 (M.2_1, CPU, PCIe 4.0 x4 для устройств формата 2260/2280) 1 × M.2 (M.2_2, B660, PCIe 4.0 x4 для устройств формата 2242/2260/2280) |
| USB-порты | 2 × USB 2.0: 1 внутренний разъем на 2 порта (B660) 3 × USB 2.0: 3 порта Type-A (черные) (B660) 2 × USB 3.2 Gen1: 1 внутренний разъем на 2 порта (B660) 1 × USB 3.2 Gen2x2: 1 порт Type-C (B660) 1 × USB 3.2 Gen2: 1 внутренний разъем Type-C (B660)) 3 × USB 3.2 Gen1: 3 порта Type-A (синие) (ASM1074) 1 × USB 3.2 Gen1: 1 порт Type-C (ASM1074) |
| Разъемы на задней панели | 1 × USB 3.2 Gen2x2 (Type-C) 1 × USB 3.2 Gen1 (Type-C) 3 × USB 3.2 Gen1 (Type-A) 3 × USB 2.0 (Type-A) 1 × RJ-45 5 аудиоразъемов типа миниджек 2 антенных разъема 1 разъем HDMI out 1 разъем Display Port out |
| Прочие внутренние элементы | 24-контактный разъем питания ATX 1 8-контактный разъем питания EPS12V 1 слот M.2 (E-key), занят адаптером беспроводных сетей 1 разъем для подключения порта USB 3.2 Gen2 Type-C 1 разъем для подключения 2 портов USB 3.2 Gen1 1 разъем для подключения 2 портов USB 2.0 3 разъема для подключения 4-контактных вентиляторов и помп ЖСО 2 разъема для подключения адаптеров подсветки (1 разъем неадресуемой RGB-ленты, 1 разъем адресуемой ARGB-ленты) 1 разъем для подключения адаптера управления с передней панели корпуса 1 разъем S/PDIF |
| Форм-фактор | Mini-ITX (170×170 мм) |
| Средняя цена |
Основная функциональность: чипсет, процессор, память


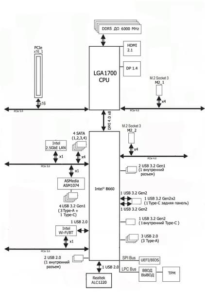
Схема работы связки чипсет+процессор.
Формально имеется поддержка памяти DDR5 до 4800 МГц, однако всем хорошо известно, и производители материнских плат это активно рекламируют: через XMP-профили сейчас можно использовать частоты до 6000 и выше МГц. В частности данная плата поддерживает частоты до 6200 МГц.
Процессоры Intel Core 12-го поколения (совместимые с сокетом LGA1700 и поддерживаемые B660/Z690) имеют 20 линий ввода-вывода (16 PCIe 5.0, 4 PCIe 4.0), не имеют USB и SATA портов. При этом взаимодействие с B660 идет по особому каналу Digital Media Interface 4.0 (DMI 4.0 x4 (именно х4!)). Все PCIe линии процессора идут на слоты расширения PCIe и порт М.2. Serial Peripheral Interface (SPI) используется для взаимодействия с системой UEFI/BIOS, а шина Low Pin Count (LPC) — для связи с устройствами ввода/вывода, не требующими высокой пропускной способности (контроллерами вентиляторов, TPM, старой периферии).
В свою очередь чипсет B660 поддерживает в сумме 24 линий ввода/вывода, которые распределяться могут так:
- до 12 портов USB (из которых до 2 портов USB 3.2 Gen2х2, 4 портов USB 3.2 Gen2, до 6 портов USB 3.2 Gen1, до 12 портов USB 2.0, линии USB 2.0 используются в том числе и для поддержки 3.2 портов, а каждый порт USB 3.2 Gen2х2 требует поддержки со стороны двух USB 3.2 Gen2);
- до 4 портов SATA 6Гбит/с;
- до 14 линий PCIe (8 версии 3.0 и 6 версии 4.0).
Asus ROG Strix B660-I Gaming WiFi поддерживает процессоры Intel Core 12-го поколения, выполненные под разъем (сокет) LGA1700. Официально система крепления систем охлаждения для CPU несовместима с той, что для LGA1151/1200, однако все же ряд старых СО все же сможет быть применим, лишь придется где-то приобретать или заказывать у производителя комплект крепежа под LGA 1700. Дело в в том, что кулеры с жесткой установкой в матплате на фиксированную высоту могут не достать до 12ххх. Подойдут лишь СО с пружинистой посадкой подошвы на процессор. У данной платы, как и у всех в серии ROG имеются овальные отверстия для монтажа СО с крепежом под LGA 11xx/1200.
Для установки модулей памяти на плате Asus имеется два DIMM-слота. Плата поддерживает небуферизованную память DDR5 (non-EСС), а максимальный объем памяти составляет 64 ГБ. Разумеется, поддерживаются профили XMP.
Слоты DIMM не имеют металлической окантовки, защищающую их как от физических повреждений, как и от помех.
Периферийная функциональность: PCIe, SATA, разные «фенечки»
Выше мы изучили потенциальные возможности тандема B660+Core, а теперь посмотрим, что из этого и как реализовано в данной материнской плате.
Кроме USB-портов, к которым мы подойдем позже, чипсет B660 обладает 14 PCIe линиями и 4 портами SATA. Считаем, сколько линий уходит на поддержку (связь) с тем или иным элементом (надо учитывать, что 14 линий не единой версии, а 6 линий PCIe 4.0 и 8 линий PCIe 3.0):
- ASMedia ASM1074 (USB 3.2 Gen1 хаб) (1 линия PCIe 3.0);
- Слот M.2_2 (4 линии PCIe 4.0);
- Intel i225-V (Ethernet 2,5Gb/s) (1 линия PCIe 3.0);
- Intel AX201NGW WIFI/BT (Wireless) (1 линия PCIe 3.0)
7 линий PCIe оказались занятыми (4 PCIe 4.0 + 4 PCIe 3.0) плюс порты SATA_1/2/3/4, суммарно потрачено 11 HSIO. В чипсете B660 связь с аудиокодеками идет через USB-порт. Также один USB 2.0 расходуется на поддержку BT (при наличии слота M.2 (key E).
Теперь посмотрим выше на то, как работают процессоры в данной конфигурации. У CPU 12-го поколения всего 20 линий PCIe, 4 из них версии PCIe 4.0 отведены на порт М.2 (M2_1). Оставшиеся 16 линий PCIe 5.0 идут на единственный слот PCIe x16_1, поэтому вариантов переключений нет, как и мультиплексоров для этих целей.
Этот слот PCIe x16 имеет металлическое армирование из нержавеющей стали, которое увеличивает их надежность (что может быть важным в случае довольно частой смены видеокарт, но что более важно: такой слот легче выдержит нагрузку на изгиб в случае установки очень тяжелой видеокарты топового уровня. Кроме того, такая защита предохраняет слоты от электромагнитных помех.
Из-за компактных размеров матплаты не все воздушные СО типа «башен» смогут подойти (надо тщательно замерять размеры пространства и высоту радиатора у заднего блока портов). А вот помпы систем водяного охлаждения возможно установить по сути любые.
На очереди — накопители.
Всего у платы 4 разъема Serial ATA 6 Гбит/с + 2 слота для накопителей в форм-факторе M.2.
Порты SATA реализованы через чипсет B660 и поддерживают создание RAID. Стоит обратить внимание на то, что порты SATA вертикально ориентированы и сгруппированы на нижнем конце платы. На рисунке ниже все наглядно видно.
Материнская плата имеет 2 слота форм-фактора М.2.Первый M.2_1 расположен на лицевой стороне платы, получает данные от CPU (PCIe 4.0) и работает с модулями только с PCIe интерфейсом. Слот поддерживает размеры модулей 2260/2280.
Второй M.2_2 расположен на оборотной стороне матплаты, получает данные от чипсета B660, поддерживая PCIe 4.0, при этом также работает с модулями только с PCIe интерфейсом. Слот поддерживает размеры модулей 2242/2260/2280.
На всех M.2 можно организовать RAID, а также использовать для Intel Optane Memory.
Слот M.2_1 имеет свой радиатор, для охлаждения системного чипсета под слотом есть свой небольшой радиатор. А вот слот М.2_2 – без охлаждения, ибо и так понятно, что между материнкой и основанием корпуса очень узкое пространство. Кстати, это следует учитывать, что модуль в М.2_2 будет находиться не в лучших температурных условиях.
Периферийная функциональность: USB-порты, сетевые интерфейсы, ввод-вывод
Теперь на очереди USB-порты и прочие вводы-выводы. И начнем с задней панели, куда выведены большинство из них.
Повторим: чипсет B660 способен реализовать не более 12 портов USB, из которых может быть до 6 портов USB 3.2 Gen1, до 4 портов USB 3.2 Gen2, до 2 портов USB 3.2 Gen2x2, и/или до 12 портов USB 2.0.
Также мы помним и про 14 линий PCIe (+ 4 SATA), которые идут на поддержку накопителей, сетевых и иных контроллеров (я выше уже показал на что и как расходуются 11 линий из 18).
И что мы имеем? Всего на материнской плате — 13 портов USB:
- 1 порт USB 3.2 Gen2x2: реализован с помощью двух линий USB 3.2 Gen2 от B660 и представлен портом Type-C на задней панели;
- 1 порт USB 3.2 Gen2: реализован через B660 и представлен внутренним портом Type-C (для подключения к соответствующему разъему на передней панели корпуса);
- 6 портов USB 3.2 Gen1: 2 реализованы через B660 и представлены внутренним разъемом на материнской плате на 2 порта; 4 реализованы через хаб ASMedia ASM1074 и представлены на задней панели: 3 портами Type-A (синего цвета) и 1 портом Type-C;
- 5 портов USB 2.0/1.1: все реализованы через B660 и 2 представлены внутренним разъемом на материнской плате на 2 порта; еще 3 представлены на задней панели 3 портами Type-A (черного цвета).
Таким образом, у нас 2 контроллера используют USB линии:
- Audio (1 линия USB 2.0);
- Bluetooth (AX201) (1 линия USB 2.0).
Итак, через чипсет B660 реализовано высокоскоростных портов USB:
- 1 выделенный USB 3.2 Gen2x2 (не в счет, ибо получен засчет других HSIO);
- + 1 выделенных USB 3.2 Gen2
- + 2 выделенных USB 3.2 Gen1
- + 2 USB 3.2 Gen2 на поддержку USB 3.2 Gen2x2
= 5 высокоскоростных портов. Не забываем, что каждый высокоскоростной порт USB обеспечен портом USB 2.0, то есть уже 5 портов USB 2.0 также занято. Плюс 5 выделенных портов USB 2.0 и 2 порта на обеспечение контроллеров. Всего 12 USB портов реализовано.
Ну и 11 HSIO (линий PCIe и портов SATA), выделенных на поддержку иной периферии.
Итого у B660 в данном случае реализован 16 высокоскоростных портов из 24.
Все быстрые USB порты Type-C оснащены ре-драйверами от ASMedia и Diodes Inc.
Теперь о сетевых делах.
Материнская плата оснащена средствами связи неплохо. Имеется скоростной Ethernet-контроллер Intel i225-V, способный работать по стандарту 2,5 Гбит/с.
Имеется и комплексный беспроводной адаптер на контроллере Intel AX-201NGW, через который реализованы Wi-Fi 6 (802.11a/b/g/n/ac/ax) и Bluetooth 5.1. Он установлен в слот M.2 (E-key), и его разъемы для привинчивания выносных антенн выведены на заднюю панель.
Заглушка, традиционно надеваемая на заднюю панель, в данном случае уже надета, и изнутри экранирована для снижения электромагнитных помех.
Аудиоподсистема
Много лет в большинстве современных материнских платах звуком заведуют аудиокодеки Realtek семейства ALC, и долгое время это был ALC1220. Он обеспечивает вывод звука по схемам до 7.1 с разрешением до 24 бит / 192 кГц.
В тракте используется весьма популярный операционный усилитель Savitech SV3H712.
В аудиоцепях платы применяются «аудиофильские» конденсаторы Nichicon Fine Gold.
Аудиотракт вынесен на угловую часть платы, не пересекается с другими элементами. Все аудиоразъемы на задней панели имеют позолоченное покрытие, а также привычную цветовую окраску.
S/PDIF с задней панели перенесен на внутренний разъем на матплате.
Питание, охлаждение
Для питания платы на ней предусмотрены 2 разъема: в дополнение к 24-контактному ATX (он на правой стороне платы (на фото — слева) здесь есть еще 8-контактный EPS12V.
Схема питания процессора выполнена по схеме 2+8+1 (всего 11 фаз, 8 на VCore, 1 на iGPU и 2 на VCCIO).
Каждый канал фазы имеет суперферритовый дроссель и SiC643 MOSFET от Vishay на 40 А для VCore и встроенного графического ядра
и FDPC5030SG от On Semi для VCCIO на 50А.
Управляет схемой питания VCore и iGPU фирменный ШИМ-контроллер Digi+ ASP2100.
А для одной фазы VCSSA имеется свой ШИМ-контроллер от On Semi.
Питание модулей оперативной памяти также имеет однофазную схему.
Теперь про охлаждение.
Все потенциально сильно греющиеся элементы имеют свои собственные радиаторы.
Как мы видим, охлаждение чипсета (маленький радиатор, расположенный под слотом М.2_1) организовано отдельно от силовых преобразователей. VRM-секция имеет свои два раздельных радиатора.
Как я уже упоминал ранее, M.2_1 слот также имеет свой радиатор. М.2_2 – без охлаждения.
Подсветка
Программное обеспечение под Windows
Настройки BIOS
Работоспособность (и разгон)
Запускаем все в режиме по умолчанию. Затем нагружаем стресс-тестами. Даже не буду приводить скриншоты, ибо изначально было понятно, что данная матплата имеет определенные лимиты по системе питания, и самые топовые процессоры будут работать явно не на максимумах потенциального авторазгона. То есть без ручного вмешательства автоматически выставляется 4.6 ГГц по всем P-ядрам, и 3.2 ГГц по всем Е-ядрам, и для такой «малышки» это даже очень неплохой авторазгон, учитывая все нюансы данной материнской платы и ее стоимость.
Очевидно, что все же такого рода матплаты предназначены для работы вместе с процессорами средне- и малобюджетного сегментов типа Core i5 – 12400 и ниже, даже 12600 – уже многовато для такого рода устройства. И уже такие процессоры демонстрируют несколько более высокий уровень авторазгона: все дело в системе питания.
Выводы
Материнская плата Asus ROG Strix B660-I Gaming WiFi предназначена для геймеров, которые хотят собрать не столько мощный, сколько компактный ПК и потому ищут решение формата Mini-ITX. Она основана на бюджетном чипсете B660, но, впрочем, это не мешает ей работать даже с топовыми процессорами Intel Core 12-го поколения. У платы 13 USB-портов, включая 1 быстрый USB 3.2 Gen2, а также один самый быстрый USB 3.2 Gen2×2 в виде порта Type-C на задней панели, плюс 6 портов USB 3.2 Gen1. Слот для карт расширения, понятно, только один, но зато PCIe 5.0 х16. Также у платы 2 слота M.2 (PCIe 4.0), один из них расположен на оборотной стороне текстолита, поэтому температурный режим накопителя в нем вызывает опасения. Еще у этой модели 4 порта SATA и 3 разъема для вентиляторов. Сетевые возможности хорошие: быстрый проводной контроллер 2,5 Гбит/с, а также один самый современный беспроводной. В числе плюсов можно упомянуть возможность подключения дополнительных ARGB/RGB-устройств подсветки.
В номинации «Оригинальный дизайн» плата Asus ROG Strix B660-I Gaming WiFi получила награду:

Благодарим компанию Asus Russia
и лично Евгения Бычкова
за предоставленную на тестирование плату
Также благодарим компанию Gigabyte Russia
и лично Евгения Лесикова
за предоставленный Gigabyte Aorus Gen4 SSD 500G для тестового стенда
Особо благодарим компанию Super Flower
за предоставление блока питания Super Flower Leadex Platinum 2000W

























































































