Не так давно мы изучали относительно дешевую материнскую плату на базе чипсета AMD X570 производства Asustek из серии Prime. Разумеется, если идет речь о топовом чипсете, то понятие даже относительно небольшой стоимости будет начинаться где-то от 15 тысяч рублей. Дешевле, если и есть, то совсем простые материнки и без «фишек».
Сегодня мы возвращаемся к самым навороченным материнским платам, предназначенным для энтузиастов: как в среде геймеров, так и в среде оверклокеров. И здесь уже надо понимать, что ценник улетит раза в два, такого рода продукты стоят около 30 тысяч рублей. И действительно, цены на рассматриваемую сегодня материнскую плату Asus ROG Crosshair VIII Hero (Wi-Fi) начинаются с 29 тысяч (на момент написания материала). Разумеется, это дорого, однако, это все еще не «айфон» в сегменте матплат: самые «навороченные» материнские платы на AMD X570 стоят от 40 до 60 тысяч рублей (особо «одаренные» доходят и до 70 000).
Итак, сегодня у нас Asus ROG Crosshair VIII Hero (Wi-Fi).
Asus ROG Crosshair VIII Hero (Wi-Fi), как и положено топовой плате, поставляется в большой коробке, открывающиеся наподобие ларца, имеющую строгую фирменную для ROG-серии расцветку.
Внутри нее расположены отсеки для самой платы и комплекта.
Последний, кроме традиционных элементов типа руководства пользователя, носителя с ПО и кабелей SATA (что уже много лет является обязательным набором ко всем материнкам), имеет «пипку» для насаживания на блок разъемов передней панели (A-Connector), винтики для монтажа модулей M.2, антенну с подставкой для подключения к гнездам беспроводного модуля связи, кабели-переходники/удлинители для RGB-подсветки, ну и бонусные наклейки и подставки.
Разумеется, «заглушка» на заднюю панель с разъемами уже смонтирована на самой плате, что обычно наблюдается у дорогих материнских плат.
Форм-фактор
Материнская плата Asus ROG Crosshair VIII Hero (Wi-Fi) выполнена в форм-факторе ATX, имеет размеры 305×244 мм и 9 монтажных отверстий для установки в корпус.
На оборотной стороне установлено несколько микросхем контроллеров, мелкая логика, плюс металлическая платформа под сокетом для крепления СО. Обработан текстолит хорошо: во всех точках пайки острые концы срезаны.
Технические характеристики
Традиционная таблица с перечнем функциональных особенностей.
| Поддерживаемые процессоры | AMD Ryzen 2-го и 3-го поколений |
|---|---|
| Процессорный разъем | AM4 |
| Чипсет | AMD X570 |
| Память | 4 × DDR4, до 128 ГБ, до DDR4-4600, два канала |
| Аудиоподсистема | 1 × Realtek ALC1220 (7.1, перемаркирован в ROG SupremeFX S1220) + ЦАП ESS ES9023P |
| Сетевые контроллеры | 1 × Intel WGI211AT (Ethernet 1 Гбит/с) 1 × Realtek RTL8125CG (Ethernet 2,5 Гбит/с) 1 × Intel Dual Band Wireless AX200NGW/CNVi (Wi-Fi 6: 802.11a/b/g/n/ac/ax (2,4/5 ГГц) + Bluetooth 5.0) |
| Слоты расширения | 3 × PCI Express 4.0/3.0 x16 (режимы x16, x8+x8 (SLI/CrossFire), x8+x8+x4 (CrossFire)) 1 × PCI Express 4.0/3.0 x1 |
| Разъемы для накопителей | 8 × SATA 6 Гбит/с (X570) 1 × M.2 (X570, PCI-E 4.0/3.0 x4/SATA 6 Гбит/с для устройств формата 2242/2260/2280) 1 × M.2 (CPU, PCI-E 4.0/3.0 x4/SATA 6 Гбит/с для устройства формата 2242/2260/2280/22110) |
| USB-порты | 4 × USB 3.2 Gen2: 3 порта Type-A (красные) на задней панели + 1 порт Type-C (X570) 1 × USB 3.2 Gen2: 1 внутренний порт Type-C (X570) 2 × USB 3.2 Gen1: 1 внутренний разъем на 2 порта (X570) 4 × USB 2.0: 2 внутренних разъема каждый на 2 порта (Genesys Logic GL852G) 4 × USB 3.2 Gen1: 4 порта Type-A (синие) на задней панели (ASMedia ASM1074) 4 × USB 3.2 Gen2/1: 4 порта Type-A (красные) на задней панели (CPU) |
| Разъемы на задней панели | 1 × USB 3.2 Gen2 (Type-C) 7 × USB 3.2 Gen2 (Type-A) 4 × USB 3.2 Gen1 (Type-A) 2 × RJ-45 2 антенных разъема 5 аудиоразъемов типа миниджек 1 × S/PDIF (оптический, выход) 1 кнопка прошивки BIOS - Flashback 1 кнопка сброса CMOS |
| Прочие внутренние элементы | 24-контактный разъем питания EATX 1 8-контактный разъем питания EATX12V 1 4-контактный разъем питания EATX12V 1 слот M.2 (E-key), занят адаптером беспроводных сетей 1 разъем для подключения порта USB 3.2 Gen2 Type-C 1 разъем для подключения 2 портов USB 3.2 Gen1 2 разъема для подключения 4 портов USB 2.0 8 разъемов для подключения 4-контактных вентиляторов (поддержка помп ЖСО) 2 разъема для подключения неадресуемой RGB-ленты 2 разъема для подключения адресуемой ARGB-ленты 1 разъем аудио для передней панели корпуса 1 разъем TPM 1 разъем NODE 2 разъема для подключения управления с передней панели корпуса 1 разъем включения режима LN2 1 переключатель Slow Mode 1 кнопка Safe_boot 1 кнопка Retry 1 кнопка включения питания Power 1 кнопка перезагрузки Reset |
| Форм-фактор | ATX (305×244 мм) |
| Розничные предложения |
Основная функциональность: чипсет, процессор, память


Данная материнская плата относится к премиальному сегменту (причем, материнки по ценам около 30 000 рублей — уже не самые-самые топовые, а пониже, ибо есть платы и за 50-60 тысяч рублей), поэтому имеет просто колоссальное количество портов, слотов и разъемов.

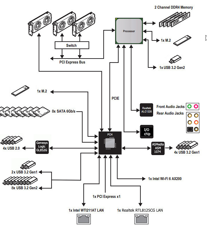
Начнем с чипсета X570 и его взаимодействия с процессором.
Напомним, что главным отличием тандемов AMD от Intel (если мы говорим об общепользовательском рынке десктопов) является тот факт, что у Intel баланс поддержки портов/линий как-то смещен в сторону системного чипсета, а у AMD примерный паритет (и по PCI-E линиям CPU Ryzen даже покруче).
Процессоры Ryzen 3000 поддерживают 4 порта USB 3,2 Gen2, 24 линии ввода-вывода (включая PCI-E 4.0), но 4 линии из них идут на взаимодействие с X570, еще 16 линий — это PCI-E слоты для видеокарт. Осталось 4 линии: они могут конфигурироваться производителями материнских плат на выбор (либо-либо):
- работа одного NVMe накопителя х4 (высокоскоростной PCI-E 4.0)
- два SATA-порта по х1 + 1 порт NVMe x2
- два порта NVMe x2
В свою очередь чипсет X570 поддерживает 8 портов USB 3.2 Gen2, 4 порта USB 2.0, 4 порта SATA и 20 линий ввода-вывода, из которых опять же 4 нужны для связи с CPU (суммарный линк х8). Остальные линии могут свободно конфигурироваться.
Таким образом в сумме от тандема X570+Ryzen 3000 мы получаем:
- 16 PCI-E 4.0 линий для видеокарт (от процессора);
- 12 портов USB 3.2 Gen2 (4 от процессора, 8 от чипсета);
- 4 порта USB 2.0 (от чипсета);
- 4 порта SATA 6Гбит/с (от чипсета)
- 20 PCI-E 4.0 линий (4 от процессора + 16 от чипсета), которые могут образовывать разные варианты комбинаций портов и слотов (в зависимости от производителя материнских плат).
Еще раз надо напомнить, что Asus ROG Crosshair VIII Hero (Wi-Fi) поддерживает процессоры AMD Ryzen 2-го и 3-го поколений, выполненные под разъем (сокет) AM4.
Для установки модулей памяти на плате Asus имеется четыре DIMM-слота (для работы памяти в Dual Channel в случае использования всего 2 модулей их следует устанавливать в А2 и B2). Плата поддерживает небуферизованную память DDR4 (non-EСС), а максимальный объем памяти составляет 128 ГБ (при использовании UDIMM последнего поколения по 32 ГБ). Разумеется, поддерживаются профили XMP.
Слоты DIMM не имеют металлизированных защит, что как-то даже меня удивило, ведь материнская плата — из премиального сегмента. Впрочем, есть продукт на ступень выше, возможно там уже есть и армирование слотов памяти (мы его изучим позже).
Периферийная функциональность: PCI-E, SATA, разные «прибамбасы»
Выше мы изучили потенциальные возможности тандема X570+Ryzen 3000, а теперь посмотрим, что из этого и как реализовано в данной материнской плате.

Начнем со слотов PCI-E.
На плате есть 4 слота: 3 PCI-E x16 (для видеокарт или других устройств) и 1 PCI-E x1.
У процессора есть 16 линий PCI-E 4.0, они идут только на два верхних слота PCI-E x16, третий «длинный» слот получает 4 линии от системного чипсета. Вот так выглядит схема распределения:
То есть полноценно получит 16 линий PCI-E только одиночная видеокарта, а если установить две видеокарты, объединив из в Nvidia SLI или AMD /CrossFire, то процессор выдаст уже по 8 линий PCI-E на каждый слот. А если уже кому-то очень захочется заполучить комбинацию из трех видеокарт (на сегодня это актуально только для технологии AMD CrossFireX), то по 8 линий получат только первые две карты, а третья карты получит 4 линии от чипсета. Собственно, третий слот PCI-Ex16 (по общему счету — четвертый) всегда получает х4 от X570 (работает независимо от наличия/отсутствия видеокарт в первых двух). Следует особо отметить, что если использовать одиночную карту, но во втором слоте, то 16 линий мы не получим, к сожалению, будет только х8.
Сильно ли это снижение количества линий на каждый слот ударит по производительности в целом? В случае двух карт — ощутимо, но не так уж сильно. С учетом не так давно введенного NV Link, у видеокарт Nvidia, соединенных мостами, потери, возможно, вообще будут неощутимы. А вот целесообразность установки в такую систему трех карт одновременно находится под большим вопросом.
Распределением линий PCI-E между слотами в случае использования более одной видеокарты занимаются мультиплексоры PI3EQX16 от Pericom.

Первые два слота PCI-E x16 имеют металлические «кожухи» и дополнительные точки пайки. Общеизвестно, что такая технология призвана увеличить срок службы слотов, а также подобная защита предохраняет слоты от электромагнитных помех.
Снова отмечаем, что первый PCI-E слот расположен достаточно далеко от сокета, что позволяет легко смонтировать СО любого уровня и класса. Надо также сказать, что слот PCI-Ex1 расположен третьим по общему счету, и потому будет всегда доступен, вне зависимости от размеров видеокарты. Однако если будет использован тандем SLI/CrossFire, то слот PCI-E x1 будет перекрыт видеокартой.
Идем дальше. На очереди — накопители.
Всего у платы 8 разъемов Serial ATA 6 Гбит/с + 2 слота для накопителей в форм-факторе M.2.
Все 8 портов SATA600 реализованы через чипсет X570 (чувствуете, что пошли в ход те самые резервные 20 линий PCI-E?).
Слоты M.2 поддерживают все современные типы накопителей этого форм-фактора, с интерфейсами PCI-E и SATA.
Верхний слот поддерживает M.2-модули до 80 мм длины (2242, 2260, 2280), а второй обслуживает модули всех длин (до 22100 включительно).
Стоит особо отметить, что при установке накопителей в слот M.2_1 (верхний) с интерфейсом PCI-E в случае использования Ryzen 3000 будет поддержка PCI-E 4.0 — этот слот обслуживается процессором. При Ryzen 2000 — PCI-E 3.0. Второй слот M.2_2 обслуживается системным чипсетом Х570, поэтому всегда имеет поддержку PCI-E 4.0.
Портов ввода-вывода у чипсета с процессором на всех хватает, поэтому надобности делить аппаратные ресурсы между устройствами нет.
Теперь о «фенечках», то есть «прибамбасах». На этой плате они должны быть, и их много. Кнопки питания и перезагрузки имеются и расположены около основного разъема питания платы.
Как обычно в стиле ROG, имеется набор технологий, помогающих оверклокерам. Прежде всего, кнопка возврата в настройки BIOS в случае неудачного старта ПК из-за нереализуемых настроек разгона — при этом все они останутся (не будут сброшены). Затем кнопка повторной попытки запуска системы при тех же настройках.
При этом лучше включить особый режим LN2 для повторного запуска (происходит автоматическая настройка системы питания на максимально гибкий режим работы).

Далее. Для того, чтобы материнская плата успешно работала и запускалась при особо экстремальном разгоне с использованием отрицательных температур, имеется переключатель Slow Mode.
Для оверклокеров имеются и точки измерения вольтажей различных подсистем питания материнской платы.
У платы еще есть световые индикаторы, сообщающие о проблемах с тем или иным компонентом системы.
Если после включения компьютера к моменту перехода на загрузку ОС все индикаторы погасли, то проблем нет. Более того, по самой плате разбросаны и другие индикаторы: работы накопителей, наличия CPU (очень оригинально!) и др.
Продолжая разговор о световых индикаторах, надо упомянуть и возможности материнской платы по подключению RGB-подсветки. Имеется четыре разъема для подключения любых устройств этого плана: 2 разъема для подключения адресуемых (5 B 3 A, до 15 Вт) ARGB-лент/устройств и 2 разъема неадресуемых (12 В 3 А, до 36 Вт) RGB-лент/устройств. Разъемы объединены в пары: одна (RGB+ARGB) — находится наверху платы

Схемы подключения стандартны для всех материнских плат, поддерживающих подсветку:


Контроль по синхронизации работы подсветки возложен на чип Aura 50QА0 (не удалось выяснить, как оригинально назывался чип и кто его производитель), который на сей раз производитель так запрятал под замок слота PCI-Ex16, что даже сфотографировать его получилось не с первого раза.
Разумеется, есть и традиционный набор штырьков FPanel для подключения проводов к передней (а сейчас уже часто и верхней или боковой или все это сразу) панели корпуса.
Чтобы было проще устанавливать гнезда в нужные пины, в комплекте поставки есть этакий удлинитель A-Connector (адаптер) передней панели — он надевается на гнездо FPanel на плате.

Также на плате имеется фирменный разъем Node: для подключения совместимых блоков питания (мониторинг напряжений, оборотов вентилятора и прочих функций).
Порт Node подписан и он рядом с ARGB.
Также имеется не менее фирменная микросхема TPU — контроллер для программного управления частотами работы (короче, для разгона).
Для размещения прошивки UEFI/BIOS использована микросхема MXIC MX26U.

Как и многие топовые материнки от конкурентов, эта плата обладает технологией «холодной» прошивки BIOS без включения самой платы (наличие ОЗУ, процессора и прочей периферии необязательно, нужно лишь подключить питание) — Flashback.

Для такого обновления BIOS версию прошивки надо вначале переименовать в C8HW.CAP и записать в корень на USB-«флешку», которая вставляется в особо отмеченный порт USB. Ну и запуск через кнопку, которую надо держать 3 секунды.
Разумеется, плата имеет и традиционный разъем TPM для подключения систем безопасности, контроля конфиденциальности и т. п.
Здесь все стандартно, и комментарии излишни.
Периферийная функциональность: USB-порты, сетевые интерфейсы, ввод-вывод
Продолжаем рассматривать периферию. Теперь на очереди USB-порты. И начнем с задней панели, куда выведены большинство из них.
Как говорилось выше, чипсет X570 способен реализовать 12 портов USB, а процессор Ryzen 3000 — 4, то есть суммарно способны реализовать 16 выделенных портов USB всех типов (из них 12 — USB 3.2 Gen2, 4 — USB 2.0), а также есть 20 PCI-E 4.0 линий, из которых также можно сформировать дополнительные порты.
А что мы имеем? Всего на материнской плате — 19 портов USB (очевидно, что стандартные возможности тандема чипсет+процессор превышены):
- 9 портов USB 3.2 Gen2 (самые быстрые на сегодня): 8 из них реализованы через X570 и представлены 1 портом Type-C и 7 портами Type-A (красные) на задней панели, а один реализован через процессор и представлен внутренним портом Type-C (для подключения такого же разъема на передней панели корпуса) — в случае использования Ryzen 2000 порт из Gen2 перейдет в Gen1;
- 6 портов USB 3.2 Gen1: 4 из них реализованы через контроллер ASM1074 от ASmedia и представлены на задней панели 4 портами Type-A (синие); остальные 2 реализованы через X570 и представлены внутренним разъемом на материнской плате на 2 порта;
- 4 порта USB 2.0/1.1 реализованы через контроллер Genesys Logic GL852G и представлены 2 внутренними разъемами (каждый на 2 порта).
Итак, через чипсет X570 реализовано 8 USB 3.2 Gen2 + 2 USB 3.2 Gen1 = 10 портов. То есть возможности X570 использованы не максимально по количеству портов, но в полной мере по наличию самых быстрых USB 3.2 Gen2. Через процессор Ryzen 3000 реализован всего 1 USB 3.2 Gen2 порт (скромненько). Зато имеются два контроллера: ASMedia ASM1074 (давший 4 USB 3.2 Gen1) и Genesys Logic GL852G (давший 4 USB 2.0)
Оба порта Type-C (USB 3.2 Gen2) усилены возможностями быстрой зарядки с помощью дополнительных контроллеров от ASMedia:

Теперь о сетевых делах.
Материнская плата оснащена средствами связи очень прекрасно! Имеется Ethernet-контроллер: традиционный гигабитный Intel I211-AT, способный работать по стандарту 1 Гбит/с.
Также есть и второй Ethernet-контроллер: Realtek RTL8125CG, способный выдать уже 2,5 Гбит/с.

Разумеется, плата, относящаяся к ROG-серии, не может не иметь фирменную систему защиты сетевых соединений Asus LanGuard.
Проверить реальную пользу этой технологии не удалось, отзывы в Сети о ней — противоречивые.
Но и это не все! Не зря же в суффиксе названия платы имеется Wi-Fi! Так что, третьим сетевым контроллером, которым укомплектована данная материнская плата, стал уже также ставший традиционным комплексный беспроводной адаптер на контроллере Intel AX-200NGW, через который реализованы Wi-Fi 6 (802.11a/b/g/n/ac/ax) и Bluetooth 5.0. Он установлен в слот M.2 (E-key), и его разъемы для привинчивания выносных антенн выведены на заднюю панель.
Теперь про блок ввода-вывода, разъемы для подключения вентиляторов и т. п.
Схема размещения коннекторов для систем охлаждения выглядит так:
Через ПО или BIOS контролируется 6 гнезд для подключения воздушных вентиляторов (один из них — для особо мощных систем, например в случае единого подключения 3-х и более вентиляторов от ЖСО типа «все в одном» в одно гнездо): вентиляторы могут управляться как через ШИМ, так и банальным изменением напряжения/тока, для этих целей имеется контроллер APW8713 от Anpec Electronics.

Также имеются гнезда для подключения помп от ЖСО: как от сборных, так и от «все-в-одном». Разумеется, есть и набор гнезд (белого цвета) для подключения фирменных СО от ROG.
Для целей слежения за системами охлаждения, а также получения информации с датчиков (мониторинг, Multi I/O) имеется контроллер Nuvoton.
Стандартных видеовыходов (HDMI и DP), несмотря на то, что у ряда Ryzen 2000 имеется встроенное видеоядро (и на подходе Ryzen 3000 с интегрированной графикой), плата не имеет. Ну мотивация стандартная: мало кто будет ставить бюджетный процессор (у AMD не бывает топовых процессоров со встроенной графикой) в материнку премиального класса.
Заглушка, традиционно надеваемая на заднюю панель, в данном случае уже надета, и изнутри экранирована для снижения электромагнитных помех.
Аудиоподсистема
Как и практически во всех современных материнских платах, звуком заведует аудиокодек Realtek ALC1220. Он обеспечивает вывод звука по схемам до 7.1. Традиционно на платах Asus эту микросхему прикрывают фирменным металлическим «колпачком» (где-то читал даже, что декларируется как защита от внешних электромагнитных помех). Да и к тому же переименовывают по-своему, например, SupremeFX.
Его сопровождает ЦАП ESS Sabre ES9023P, имеется также усилитель для наушников RC45801 от Texas Instruments.
В аудиоцепях платы применяются «аудиофильские» конденсаторы Nippon Chemi-con. Аудиотракт вынесен на угловую часть платы, не пересекается с другими элементами.
Как обычно, левый и правый каналы тракта разведены по разным слоям печатной платы. В целом это стандартная аудиоподсистема, опять-таки способная удовлетворить запросы большинства пользователей, не ожидающих от звука на материнской плате чудес.
Для тестирования выходного звукового тракта, предназначенного для подключения наушников или внешней акустики, мы использовали внешнюю звуковую карту Creative E-MU 0202 USB в сочетании с утилитой RightMark Audio Analyzer 6.4.5. Тестирование проводилось для режима стерео, 24-бит/44,1 кГц. По результатам тестирования аудиотракт на плате получил оценку «Хорошо».
Питание, охлаждение
Для питания платы на ней предусмотрены 3 разъема: в дополнение к 24-контактному ATX здесь есть еще два ATX12V (8 контактов и 4 контакта).
Система питания весьма внушительная, однако явно не самая топовая (последняя предусматривает 24+8+8).
Внешне схема питания выглядит как 12+4: 12 фаз — ядро процессора, 4 фазы — SoC (I/O-чиплет Ryzen).
Управляет фазами цифровой контроллер Digi+ EPU ASP1405I (традиционно входящий в схему Asus VRM, есть предположение, что это перемаркированный IR35201), а он вообще-то рассчитан всего на схему 6+2 фазы максимум.
Получается, что питание идет по хитрой схеме, без множителей. Причем, как для блока I/O, так и для VCore: Всего 8 фаз у контроллера, а в наличии физических 16 сборок. Так что каждая фаза имеет усиленный потенциал по питанию: имеет две суперферритовые катушки и две транзисторные сборки IR3555/IR3553 от International Rectifier.
Asus утверждает, что тут задействована хитрая схема через программное управление «деления» фаз. Собственно, так и есть. Выше я упоминал контроллер TPU, отвечающий за дополнительное управление частотами и прочим. Вот именно через него и задействована данная схема: каждая фаза из 8ми имеет по два набора элементов, то есть просто параллельно, а использовать полновесную схему, или что-то из нее выключать — заведует TPU. Для этих целей на плате имеются 8 вспомогательных контроллеров uP0132Q от uPI Semiconductor, которые, судя по всему, и заняты хитрым включением/отключением сборок.
У модулей оперативной памяти все проще: двухфазная система питания со своим ШИМ-контроллером тоже из серии Digi+.
Теперь про охлаждение.
Все потенциально сильно греющиеся элементы имеют свои собственные радиаторы. Как известно, самым горячим звеном в наборе AMD X570 является сам чипсет, поэтому многие производители вынуждены вспомнить про вентиляторы для такого рода микросхем (до того все топовые десктопные продукты (не HEDT) обходились простыми радиаторами). Есть мнение, что партнеры из ASMedia просто не смогли вовремя взяться за создание X570, поэтому его пришлось делать инженерам из самой AMD, потому он и получился таким горячим. :) Общеизвестно, что очень многие системные чипсеты AMD разработаны компанией ASMedia (согласно кросслицензионному соглашению с AMD), и AMD имеет к ним отношение только в плане заказа полупроводникового производства и лейба на кристаллах.
Разработчики из Asus также установили небольшой вентилятор на X570, при этом задали режим его включения при нагреве чипсета больше 50-52 градусов. Если нагрев меньше, то вентилятор выключен (опыт показан, что вентилятор всегда работал: радиатор слишком мал, да и нет целостного большого контура охлаждения, поэтому чипсет легко нагревается, к тому же вентилятор попадает аккурат под радиатор видеокарты, установленной в первый слот — что является, безусловно, минусом).
Сам производитель делает упор на долговечность работы данного вентилятора. Впрочем, шум от него крайне мал, поэтому как-то не испытал дискомфорта.

Остальной набор охлаждающих элементов весьма обычен и привычен.
Как мы видим, охлаждение чипсета идет отдельно от остальных греющихся элементов. Две группы силовых преобразователей имеют свои раздельные радиаторы, соединенные тепловой трубкой.
У двух модулей M.2, как я уже выше отмечал, есть свои радиаторы с термоинтерфейсом. Они крепятся отдельно от большого чипсетного радиатора.
Над блоком разъемов задней панели, чипсетным радиатором и аудиотрактом установлены пластиковые кожухи соответствующего дизайна (один из них с подсветкой).
В целом надо сказать, что система питания очень мощная, выглядит как весьма гибкая, посмотрим, как поведет себя в деле.
Подсветка
Разумеется, все платы премиального сегмента изобилуют возможностями подсветок, вот и эта плата — дает огромные возможности, предоставляя кроме уже установленной подсветки на кожухах и радиаторе, еще 4 гнезда для подключения ARGB/RGB устройств (лент, подсветок вентиляторов).
Вообще-то, не нужно и говорить, что сейчас даже подчас среднебюджетные решения (будь то видеокарта, материнская плата или даже модули памяти) оснащаются красивыми модулями подсветки, положительно влияющими на эстетическое восприятие. В настоящее время моддинг ПК — это не только уже привычно, но и красиво, а подчас притягивает глаз, если все подобрано со вкусом. Кого подсветка раздражает — ее всегда можно выключить.
Управление всем этим комплексом осуществляется через утилиту Asus Aura Sync, которую мы рассмотрим в следующем разделе.
Надо сказать, что ряд производителей моддинговых корпусов с уже вмонтированной подсветкой «сертифицируют» поддержку программ ведущих производителей материнских плат, включая Asus.
Программное обеспечение под Windows
Все программное обеспечение можно скачать с сайта производителя asus.com. Основная программа — так сказать, менеджер всего «софта» — это Ai-Suite. Остальные утилиты можно ставить как отдельно, так из Ai-Suite. В частности, так может устанавливаться Asus Aura Sync.
Утилита имеет более десятка вариантов свечения кожуха и радиатора X570 (можно задавать те же режимы подсветки и для остальных элементов системы свечения платы (три разъема RGB/ARGB). Позволительно выбрать режим свечения как для отдельных элементов, так и для всей группы в целом. Ну и, разумеется, можно выключить подсветку вообще. Программа распознает многие элементы с RGB от иных производителей (подсветки блоков питания, накопителей (при условии наличия какой-либо связи по USB, модулей памяти (здесь просто программа распознает производителя/модель)).
Выше в видеоролике и на фото мы уже демонстрировали всю эту красоту.
Но основным элементом Ai-Suite является Dual Intelligent Processors 5 — программа настройки работы всей платы по частотам, вентиляторам и напряжениям.
Что обозначает это загадочное название «Dual Intelligent Processors 5»? 5 — означает пять стадий установки оптимальных параметров работы системы при оверклокинге.
ROG существует в том числе и для того, чтобы находить всевозможные варианты сочетаний частот, таймингов, вольтажей и поз геймеров... То бишь получается много пресетов. И вот, TPU — берет некий пресет оверклокинга, устанавливает параметры.
Затем передает следующему процессору — EPU, который, почти как Гринпис, просчитывает — какой урон природе будет нанесен с этими параметрами, согласовывает с TPU.
После консенсуса все переходит к третьей стадии — наладке работы систем охлаждения, чтобы они обеспечили должное снижение температуры процессору и ОЗУ (которые уже за дверью ждут экзекуции, как перед дверью к дантисту).
На четвертой стадии ШИМ-контроллер командует транзисторными сборками с помощью дополнительных чипов отбрасывая ненужные.
Пятая стадия — самая романтичная: приложение Turbo APP определяет набор игр и иных программ, которые получат дивиденды от оверклокинга, выставляет им кулак и вещает: «Денег нет, но вы работайте быстрее!» Вот вкратце пять стадий «Ускорения компьютера» от ROG.
Почему «Dual Processors...» — ну так сладкая парочка же TPU+EPU.
Геймер всегда может вмешаться в этот праздник автооверклокинга и задать свое. Подписав соглашение, что все последствия берет на себя...
Следует еще сказать про утилиту Armoury Crate, которая является этаким менеджером-надзирателем за всем ПО от Asus, следя за своевременным обновлением, ну и новыми возможностями, а также отвечает за синхронизацию работы всех устройств от Asus из серии ROG. Ее установщик находится в... UEFI BIOS.
По умолчанию настройка установки этой программы включена, поэтому не стоит удивляться, если после загрузки Windows вам будет задан вопрос о том — хотите вы установить Armoury Crate или нет. Даже если откажитесь, то Asus Live Update все равно будет принудительно установлен, и периодически будет оповещать о надобности обновлений. Удалить его невозможно, т. к. при следующей перезагрузке программа снова будет установлена из UEFI. Так что, если кому сие не нужно — не забудьте в настройках BIOS выключить эту утилиту.
Еще следует рассказать про утилиту GameFirst. Это мощный сетевой менеджер, рассчитанный на работу с несколькими сетевыми устройствами, включая быстрый Ethernet (в нашем случае Realtek 2.5 Гбит/с).



Программа может выставлять приоритеты по загрузке канала сети, то есть можно, например, игровым приложениям выставить «зеленый» свет, чтобы не было никаких тормозов, связанных с сетью, ограничив доступ остальным приложениям, и т. д.


Утилита также осуществляет мониторинг сетевых соединений, загрузки канала и т. п. Собственно, это тоже одна из черт, особенностей серии ROG.
Настройки BIOS
Все современные платы сейчас имеют UEFI (Unified Extensible Firmware Interface), которые, по сути, являются операционными системами в миниатюре. Для входа в настройки при загрузке ПК традиционно надо нажать клавишу Del или F2.
По умолчанию система предлагает «простое» меню для тонкой настройки, но можно нажать F7 и попасть в «продвинутое» меню. Обратите внимание на пункт сверху справа: EZ System Tuning: в следующем разделе его опробую.
Основные разделы «продвинутого» меню касаются общих установок работы материнской платы, настроек разгона, возможности обновления прошивки BIOS (уже через программный интерфейс), просмотра состояния платы (мониторинга), записи-чтения профилей, в которых занесены установки по разгонам, также имеются: настройщик автоматического разгона, программа по настройки работы вентиляторов (аналогично той «софтине», о которой рассказал выше).



Разделы, касающиеся периферийных устройств — обычны и привычны.


Интересен лишь раздел по конфигурации каждого слота PCI-E, а также M.2. Лишний раз можно убедиться в том, что второй PCI-Ex16 всегда работает в х8 режиме, даже если в него вставлена одиночная видеокарта. Понятно, что если видеокарта — в первом PCI-Ex16, то второй просто отключается (они оба делят 16 линий от CPU). Также можно отключить ASM1074, и 4 USB-порта 3.2 Gen1 (на задней панели синего цвета) отключатся. Правда не понимаю, зачем и кому это может потребоваться: все равно ресурсов на все и вся хватает.
Закладка мониторинга не только просто демонстрирует температуры и частоты вращения вентиляторов, но и дает возможность управлять работой вентиляторов: мы помним, что суммарно на плате есть 8 разъемов для подключения оных (включая помповые гнезда). И шесть из них имеют возможность управления из BIOS (можно выставить режим контроля: через ШИМ или напрямую), также можно наглядно выставить контрольные точки работы вентиляторов в зависимости от нагрева.
Про CSM (Compatibility Support Module — блок совместимости со старыми устройствами) уже не раз писал. Если CSM выключить, это будет означать, что загрузочный накопитель отформатирован с GPT (все NVMe-накопители поддерживают загрузку только с GPT), загрузка с него пойдет быстрее (по сути, UEFI «передает вахту» Windows 10, даже не меняя заставку). Если же у вас загрузочный накопитель с MBR, то CSM следует включить, тогда будет опрос и запуск загрузки как раньше. Так вот, у плат от Asus по умолчанию CSM всегда выключен, это надо иметь в виду!
Настроек по разгону много, как обычно бывает у самых «продвинутых» и топовых плат, то есть это достаточно запутанные «дебри». Очевидно, что на то, чтобы все это с умом попробовать, уйдет очень много времени. Однако...
Как уже я говорил ранее, Precision Boost от AMD уже по сути обеспечивает максимум разгона, и программа обслуживания процессоров Ryzen — AMD Ryzen Master наилучшим образом определяет те стабильные максимумы, на которые может выйти тот или иной процессор в конкретных условиях. К тому же Asus предлагает свой собственный набор программных инструментов для достижения оптимального оверклокинга.



Настройки в BIOS трогать не будем, пройдемся по разгону, исходя из предлагаемого компанией ПО.
Разгон
Полная конфигурация тестовой системы:
- материнская плата Asus ROG Crosshair VIII Hero (Wi-Fi);
- процессор AMD Ryzen 9 3900X 3,8 ГГц;
- оперативная память Corsair UDIMM (CMT32GX4M4C3200C14) 32 ГБ (4×8) DDR4 (XMP 3200 МГц);
- накопитель SSD OCZ TRN100 240 ГБ;
- видеокарта Nvidia GeForce RTX 2070 Super;
- блок питания Corsair AX1600i (1600 Вт) Вт;
- ЖСО Corsair H115i RGB Platinum 280;
- телевизор LG 43UK6750 (43″ 4K HDR);
- клавиатура и мышь Logitech;
- операционная система Windows 10 Pro (v.1903), 64-битная.
Для проверки стабильности разгона, а также для бенчмарков я использовал программы:
- AIDA 64 Extreme
- Cinebench R20 (мультиядерный тест / одноядерный тест / соотношение)
- 3DMark Time Spy CPU benchmark
- 3DMark Fire Strike Physics / Combined CPU benchmark
- 3DMark Night Raid CPU benchmark
- 3DMark Sky Diver Physics / Combined CPU benchmark
- HWInfo64
- PCMark 10
- Prime95 (результаты для 2240К FFT length, 12 workers, hyperthreaded)
Режим 1. По умолчанию.
Частоты бегают вразнобой по ядрам, просто соблюдается Precision Boost с его лимитами. Прогоняем стресс-тест от AIDA 64.
Затем прогоняем наши тесты, получаем:






- Cinebench R20 (мультиядерный тест / одноядерный тест / соотношение) — 6831 / 516 / 13,24
- 3DMark Time Spy CPU benchmark — 12904
- 3DMark Fire Strike Physics / Combined CPU benchmark — 28155 / 9276
- 3DMark Night Raid CPU benchmark — 14019
- 3DMark Sky Diver Physics / Combined CPU benchmark — 26456 / 39546
- PCMark 10 — 8735
- Prime95 — 487,7
- Температура CPU — средняя около 70С, максимальная 80С
- Температура X570 — средняя 58С, максимальная 62С
- Температура VRM — средняя 42С, максимальная 44С
Режим 2. Asus Optimal
Далее имеет смысл попробовать некий режим «Asus Optimal» в настройках BIOS.
И мы получили фиксированную частоту в 3999 МГц по всем 12 ядрам. Прогоняем снова стресс-тест от AIDA 64.
Снова прогоняем все тесты. Чтобы статью не переполнять картинками, все промежуточные результаты приводить буду в числах, и только результаты финального разгона снова покажу картинками.
- Cinebench R20 (мультиядерный тест / одноядерный тест / соотношение) — 6958 (+1,8%) / 463 (−10%) / 15,02 (+13%)
- 3DMark Time Spy CPU benchmark — 12904
- 3DMark Fire Strike Physics / Combined CPU benchmark — 27005 (−4%) / 9982 (+7,6%)
- 3DMark Night Raid CPU benchmark — 13193 (−5,9%)
- 3DMark Sky Diver Physics / Combined CPU benchmark — 25436 (−3,8%) / 37924 (−4,1%)
- PCMark 10 — 8822 (+1%)
- Prime95 — 483,8 (−0,8%)
- Температура CPU — средняя около 72С, максимальная 80С
- Температура X570 — средняя 58С, максимальная 62,2С
- Температура VRM — средняя 42С, максимальная 46С
Результаты разнородные. Собственно, оно и ожидалось, так как в данном случае частота 4 ГГц по всем ядрам, однако по умолчанию она на некоторых ядрах поднималась выше 4000 МГц, а следовательно, и результаты в целом могли оказаться интереснее. Забавно, что одноядерном тесте Cinebench случился сильный проигрыш: первоначально в режиме по умолчанию программа нагружала ядро, работавшее на частоте выше 4000 МГц, потому и там скорость получилась выше.
Вывод: режим «Asus Optimal» — ну так, скажем, ни о чем..
Режим 3. Использование EZ Tuning Wizard в UEFI BIOS
Если кто помнит настройки BIOS, о которых я рассказывал выше, то там есть некая кнопка F11, включающая автооверклокинг по некоему сценарию, заданному в UEFI. Я оставил режим «Asus Optimal», поэтому программа начала свои «ощупывания» с 4000 МГц по процессору.


В процессе настройки ПК перегружался несколько раз, при этом на начальном логотипе демонстрации UEFI BIOS уже появилось обозначение оверклокинга.
К сожалению, после 7% перестала стартовать ОС (так и висел вышепоказанный логотип), однако система возвращалась снова в BIOS и упорно продолжала разгон.
.. Вот только реалии оказались печальными. Из-за 3-4-кратных зависаний Windows 10 операционка просто даже не смогла восстановиться (пришлось из бэкапа доставать). Короче, данная технология еще очень сырая, и приводит к неадекватным последствиям.
Режим 4. Использование Ai-Suite (Dual Intelligent Processors 5)
Расквитавшись с попытками автооверклокинга через BIOS теперь надо посмотреть, чего умеет хваленая программа, о которой я выше говорил, и где участвуют волшебные процессоры TPU+EPU.
Запускаем обычный авторазгон (не экстремальный). Теперь уже подход к поднятию частот и изменению иных параметров — более тонкий, система успешно перегрузилась 4 раза, и выдала... те же 4.0 ГГц, что и при «Asus Optimal»..
Как-то даже был разочарован. Там просто кликом мышки включил «Asus Optimal» без всяких перезагрузок, и все. А тут пыжилось, пыжилось оно... А результат тот же. Не, это не годится. Идем дальше в раздел TPU в программе и там запускаем уже более сильный автооверклокинг.
Потом было 4125, 4150... Короче с шагом в 25 МГц умная система поднимала частоты на всех 12 ядрах процессора. И вот уже...
После 4350 МГц система все же зависла, пошла на перезагрузку, умная программа поняла, что натворила, взяла тряпку, убрала последствия... И снизила частоты на 2 шага назад. То есть 4300 МГц!
Надо сказать, что впервые я получил на том же CPU (у нас единственный экземпляр Ryzen 9 3900X на всю лабораторию) такие частоты на ядрах. Даже ранее побывавшие у нас на тестах более дорогие материнские платы не смогли достичь таких вершин! Все же «умный софт» плюс грамотная система питания — это прекрасно!
Что получили на 4300 МГц (на минуточку, это выше номинальной частоты 3800 на 13%).
- Cinebench R20 (мультиядерный тест / одноядерный тест / соотношение) — 7572 (+11%) / 500 (−3%) / 15,14 (+14%)
- 3DMark Time Spy CPU benchmark — 14453 (+12%)
- 3DMark Fire Strike Physics / Combined CPU benchmark — 31252 (+11%) / 10575 (+14%)
- 3DMark Night Raid CPU benchmark — 15420 (+10%)
- 3DMark Sky Diver Physics / Combined CPU benchmark — 28572 (+8%) / 44291 (+12%)
- PCMark 10 — 9433 (+8%)
- Prime95 — 512,4 (+5,2%)
- Температура CPU — средняя около 74С, максимальная 85С
- Температура X570 — средняя 60С, максимальная 66С
- Температура VRM — средняя 44С, максимальная 48С
Таким макаром мы легко получили (даже без мучений с подбором опций оверклокинга в BIOS) разгон CPU на 13%, с учетом малого разгона ОЗУ получили в среднем 10%-11% прироста реальной производительности. Вероятно в том же Adobe Premiere это может дать существенную экономию времени на рендеринге. Но однако не забываем, что такие понятия как разгон касаются конкретных экземпляров материнских плат и процессоров (в первую очередь последних). Поэтому информация об оверклокинге является просто любопытной, но ни в коем случае не призывом к повторным действиям.
Выводы
Плата Asus ROG Crosshair VIII Hero (Wi-Fi) относится к премиальному сегменту комплектующих ПК и потому имеет высокую стоимость (на момент написания материала — от 30 тысяч рублей). Впрочем, мы знаем, что на топовом чипсете AMD X570 есть и более дорогие решения. Еще раз повторю, что топовый чипсет никто не будет ставить в дешевые материнские платы, а бюджетных чипсетов для Ryzen 3000 компания AMD пока еще не представила (и, судя по всему, не представит, полагая, что чипсетов 400-й серии вполне достаточно и для Ryzen 3000).
При всей своей дороговизне данная плата имеет просто великолепную функциональность! У нее 19 портов USB всех калибров (при этом самых быстрых USB 3.2 Gen2 — аж 9!), два армированных слота PCI-E x16, два слота M.2 (поддерживающих модули с интерфейсами PCI-E или SATA). Стоит отметить прекрасную систему питания, обеспечивающую не только ощутимый запас для разгона, но и гибкие возможности регулирования напряжений (с помощью фирменных контроллеров типа TPU). У платы огромный выбор разъемов для подключения корпусных вентиляторов и процессорных кулеров, включая ЖСО. Все это позволяет организовать какую угодно систему охлаждения ПК. Кроме того, имеется гибкая система контроля за работой каждого вентилятора!
Огромным плюсом является комплект ПО, предоставляющий потребителю очень простые пути не только для настройки работы платы, но и для разгона.
Еще в плюсы надо добавить красивую подсветку самой платы, включая широкие возможности для подключения дополнительных ARGB/RGB-устройств. Можно упомянуть и поддержку быстрой зарядки мобильных гаджетов через порты USB Type-C.
Имеется и минус: расположение чипсетного вентилятора прямо под кулером массивной видеокарты, что может затруднить попадание к нему воздуха и потенциально вызвать повышение шума. Однако при тестировании дискомфорт от работы кулера отмечен не был (правда, в плату была установлена относительно небольшая видеокарта Nvidia GeForce RTX 2070 Super).
Плата получилась очень интересной и вполне оправдывает свою цену. Разумеется, на рынке есть и более дешевые варианты для Ryzen 3000, однако у них, как правило, более скромная функциональность и поддержка периферии.
В номинации «Оригинальный дизайн» плата Asus ROG Crosshair VIII Hero (Wi-Fi) получила награду:

Благодарим компанию Asus Russia
и лично Евгения Бычкова
за предоставленную на тестирование плату
Для тестового стенда:
блок питания Corsair AX1600i (1600W) предоставлен компанией Corsair
термопаста Noctua NT-H2 предоставлена компанией Noctua






























































































