Мы продолжаем изучать – как устроена та или иная материнская плата, на что способна система питания, с каким ассортиментом периферии, а также программных средств она попадает к потребителю.
Исследование процессоров — в своем разделе.
Платформа AMD AM5 этим летом получила развитие: вышло новое поколение процессоров Ryzen 9xxx. Именно процессоров я касаться не буду, ибо, как выше сказано, по ним вся информация в своем разделе на нашем сайте. Вместе с ними обновилась и линейка системных чипсетов от AMD, новое поколение получило цифру 8, то есть X870/B850 и так далее. Казалось бы, – а зачем? 9ххх поколение процессоров прекрасно может использовать предыдущие материнские платы на чипсетах 6хх серии, о чем и было заявлено AMD еще летом (требуется лишь обновить версии BIOS). Однако самый главный вопрос к AMD появился позже, когда уже появились официальные спецификации новых чипсетов.
Давайте посмотрим на таблицу основных отличий старших чипсетов AM5 двухлетней давности и последнего поколения.
| Особенности | B650/B650E | X870 | X670/X670E | X870E |
|---|---|---|---|---|
| Совместимость с процессорами AMD | Ryzen 7xxx/8xxx/9xxx | |||
| Версия PCIe (процессор) | 4.0 & 5.0/5.0 | 5.0 | 4.0 & 5.0/5.0 | 5.0 |
| Количество линий PCIe (процессор) | 28 | |||
| Количество линий PCIe от процессора на связь с чипсетом | x4 PCIe 4.0 | |||
| Версия PCIe (чипсет) | 3.0 & 4.0 | |||
| Количество линий PCIe (чипсет) | 12 (8 x 4.0 & 4 x 3.0) | 12 (8 x 4.0 & 4 x 3.0)* | 20 (12 x 4.0 & 8 x 3.0) | 20 (12 x 4.0 & 8 x 3.0)* |
| Поколение ОЗУ | DDR5 | |||
| Количество каналов ОЗУ | 2 | |||
| Максимальное количество слотов ОЗУ | 4 | |||
| Максимальный объем ОЗУ | 192 ГБ | |||
| Количество портов SATA 6.0 Gb/s до | 4 | 4 | 8 | 8 |
| Порты USB4 (40Gbps) до | необязательно, по желанию производителя через сторонний контроллер | 2 (обязательно) через сторонний контроллер с выделением для него 4х линий PCIe | необязательно, по желанию производителя через сторонний контроллер | 2 (обязательно) через сторонний контроллер с выделением для него 4х линий PCIe |
| Порты USB 3.2 Gen 2x2 (20Gbps) до | 1 | 1 | 2 | 2 |
| Порты USB 3.2 Gen 2x1 (10Gbps) / Gen 1x1 (5Gbps) до | 6 | 6 | 8 | 8 |
| Порты USB 2.0 до | 6 | 6 | 12 | 12 |
| Конфигурация слота PCIe x16 (от процессора) | только x16/x16 или x8+x8 или x8+x4+x4 | x16 или x8+x8 или x8+x4+x4 | только x16/x16 или x8+x8 или x8+x4+x4 | x16 или x8+x8 или x8+x4+x4 |
| Возможность разгона по частоте шины | Да | |||
Примечание: * – 4 линии PCIe 4.0 могут быть зарезервированы для контроллера USB4 как у чипсета, так и у CPU.
Я нарочно поместил X870 рядом с B650/B650E, чтобы вам был четко видно: это по сути один и тот же чипсет. Напомню, что 2 года назад AMD впервые (с тех пор, как исчезли так называемые северные и южные мосты системных чипсетов) внедрила размещение старшего чипсета X670/X670E в виде двух микросхем Promontory 21, которые между собой также соединяются линиями PCIe 4.0. При этом более младшее решение B650/B650E фактически – это один из данных чипов. Сказать, что X6xx имеет ровно в 2 раза больше линий и портов – нельзя, ибо у серии X6xx 4 линии PCIe уходят на связь между микросхемами Promontory 21. Но все равно разница между X670/X670E и B650/650E – очень существенная именно по количеству имеющихся линий PCIe/USB. Суффикс «E» у тех чипсетов означает лишь поддержку PCIe 5.0 от процессора для слота PCIe x16 и слотов M.2 (а также возможность деления 16-ти линий на варианты x8+x8 или x8+x4+x4), когда как у аналогов без «Е» на «процессорных» слотах версия 4.0 (и 16 линий PCIe делить нельзя – только 1 вариант: все 16 линий на слот для видеокарт).
Теперь же мы видим явную попытку введения потребителя в заблуждение, так как новый X870 – это по сути тот же B650E (плюс обязательная поддержка USB4), а не никакой не X-чипсет. Учитывая современную ситуацию с AMD и Intel, на ум явно приходят аналогии (ниже небольшое лирическое отступление):
... Когда AMD была слабой, даже хилой, выпускала малобюджетные и среднебюджетные процессоры, многие из которых даже спросом не пользовались, могущественная на тот момент Intel перестала по сути развиваться и 10 лет «кормила» потребителей инкарнациями процессоров на одном и том же техпроцессе 14 нм, выжимая из него больше и больше соков, мало меняя архитектуру, а чтобы как-то еще и кормить партнеров – производителей материнских плат, выдумывала новые разъемы/сокеты для процессоров – LGA1151, 1151v2, 1200. Да и системных чипсетов, мало чем отличавшихся друг от друга, вышел с десяток. Когда же у AMD вышла в свет серия новых архитектур Zen, которая сразу же показала свою перспективность, процессоры Ryzen стали очень популярными, Intel вынуждена была ускорить все работы, и уже как-то что-то стало меняться, новые процессоры, выполненные по техпроцессу 10 нм, получили новую архитектуру, вышли в свет два варианта ядер: Р- и Е- ядра, и т.д. Однако «мина, заложенная еще в те годы застоя» у Intel сработала, ранее никогда не слышавшие о проблемах с процессорами владельцы платформ Intel вдруг стали их получать, десятками лет строившаяся схема великой надежности и «вылизанности» платформ Intel дала трещину, и как снежный ком, помчались проблемы у «синего гиганта». А что же AMD? – А они теперь «отдыхать», видя ситуацию у конкурента. То есть компании по сути поменялись местами: теперь Intel догоняет, и ближайшим выходом нового поколения процессоров хочет как-то поднять и престиж, и остановить падение доли на рынке CPU, и доказать, что они еще мощны и могут выдать что-то новое и перспективное. А AMD, выпустив невразумительное поколение Ryzen 9xxx, которому название архитектуры следовало бы поменять c Zen5 на Zen4+, еще решила и с системными чипсетами хитрить и по сути вводить в заблуждение потребителей, привыкших к тому, что серия Х у AMD – топовая. Печально это видеть, откровенно говоря. Особенно когда видишь в продаже новые материнские платы на AMD X870 (это по сути B650E) по ценам в 2 раза выше, нежели платы на B650E.
Давайте вернемся к чипсетам AMD. Мы видим, что серия 8хх отличается от 6хх прежде всего обязательным присутствием контроллера USB4, что ранее было опциональным и зависело от желания партнера AMD. На сегодня такой контроллер, который не требует лицензии (в отличие от Intel Thunderbolt4), – это ASM4242 от ASMedia. Да, перед нами по сути почти копия Thunderbolt4, но без неких проприетарных протоколов, которые для работы USB4 не нужны. Минус в том, что такой контроллер требует 4 линии PCIe, и (внимание!) они могут использоваться как от чипсета 8xx, так и от процессора Ryzen (за счет линий для NVMe (M.2) слотов). То есть если вам не требуется USB4, то матплата на базе X870/X870E будет обладать потенциально меньшим количеством слотов или портов (либо использовать разделение ресурсов по принципу «или-или»), нежели плата на базе X670/X670E. Вот такой парадокс от AMD. При этом за гораздо большее количество денег (новые платы сильно дороже предшественников).
И это еще не все: сам по себе контроллер ASMedia ASM4242 имеет пропускную способность до 64 Гбит/с, то есть если полностью загрузить 2 порта USB4 (каждый 40 Гбит/с), то мы не получим максимум теоретической пропускной способности. Правда, такой сценарий очень маловероятен, ибо и устройств с полноценной поддержкой USB4 еще по сути нет, и очень мала вероятность ситуации по одновременному задействованию обоих портов USB4.
Ну в целом, надеюсь, что читатели усвоили уже: AMD X870 – это по сути B650E (то есть линий и портов почти в 2 раза меньше, чем у X670E, а от процессора на слоты и порты идет полная версия PCIe 5.0). Топовый чипсет, аналогичный X670E – это лишь X870E, а аналога X670 (где от процессора версия PCIe понижается до 4.0) у нового семейства чипсетов нет.
Теперь возвращаемся к самой матплате.
Первой материнской платой, основанной на AMD X870E, стал продукт из серии ProArt. Вообще, я скажу, что у компании Asus весьма сложное и вероятно понятное только их собственным маркетологам деление по сериям всего ассортимента материнок. Даже в их собственной диаграмме треугольники продуктовых серий частично перекрывают друг друга, то есть много моделей, которые по сути можно отнести к любой из ниже приведенных серий.
Серия ProArt самим производителем позиционируется как продукты для рабочих ПК в большей степени, там что-то есть от серии Prime (просто и сердито), дизайн строгий и невзрачный (как у Workstation), но на таких ПК можно и неплохо поиграть. Короче, берется продукт из ROG, выбрасываются все оверклокерские фишки, удаляется подсветка, перекрашивается как Prime, на радиаторы наносят шкалы, таблицу Менделеева и т.п. (шутка).
В общем, ProArt – это для ПК создателей чего-то, какого-либо контента, эти матплаты оснащаются большим набором периферии, что не свойственно серии Prime, но нет оверклокерских «штучек».
Переходим к самой материнской плате Asus ProArt X870E-Creator WiFi.
Asus ProArt X870E-Creator WiFi поставляется в традиционной коробке фирменного дизайна серии. Комплект размещен под платой в отдельном отсеке.
Комплект поставки минимален, однако соответствует нуждам продукта данной серии: кроме традиционных элементов типа руководства пользователя и кабелей SATA, имеются антенна встроенного Wi-Fi-модуля, запасные держатели для М.2 слотов, адаптер DisplayPort – Type-C (для подключения вывода графики из дискретной карты через USB4), фирменный адаптер для передней панели, бонусная линейка серии ProArt и карта с лицензией на установку Asus Control Center.
Сувенирная линейка длиной всего 12 дюймов, но возможно, кому-то пригодится.
ПО не поставляется, это уже и не нужно, ибо последние версии драйверов и утилит следует устанавливать с вебсайта производителя, а не с подобных накопителей. Гнезда для подключения антенный беспроводного сетевого подключения WiFi7 имеют новый дизайн: штекеры от антенны вставляются и удерживаются пластиковыми замками, а не привинчиваются, как ранее.
«Заглушка» на заднюю панель с разъемами уже смонтирована на самой плате.
Форм-фактор
Форм-фактор ATX имеет размеры до 305×244 мм, а E-ATX — до 305×330 мм. Материнская плата Asus ProArt X870E-Creator WiFi имеет размеры 305×244 мм, поэтому выполнена в форм-факторе ATX, и на ней имеются 9 монтажных отверстий для установки в корпус.
На оборотной стороне расположено несколько контроллеров и традиционная некоторая логика. Текстолит обработан удовлетворительно: во всех точках пайки острые концы срезаны, однако отшлифовано не было. Защитной пластины (бэкплейта) нет.
Технические характеристики
Традиционная таблица с перечнем функциональных особенностей.
| Поддерживаемые процессоры | AMD Ryzen 7xxx/8xxx/9xxx под AM5 |
|---|---|
| Процессорный разъем | AM5 |
| Чипсет | AMD X870E |
| Память | 4 × DDR5, до 192 ГБ (поддержка 48/24 ГБ модулей), до DDR5-8000 (XMP/Expo), два канала |
| Аудиоподсистема | 1 × Realtek ALC1220 (7.1) |
| Сетевые контроллеры | 1 × Intel I225-V Ethernet 2,5 Гбит/с 1 × Marvel AQC113 Ethernet 10 Гбит/с 1 × MediaTek Dual Band Wireless MT7927 (Wi-Fi 7 802.11a/b/g/n/ac/ax (2,4/5/6 ГГц) + Bluetooth 5.4) |
| Слоты расширения | 2 × PCIe 5.0 x16 (режимы x16, x8+x8, x8+x4+x4)* 1 × PCIe 4.0 x16 (режим x4) |
| Разъемы для накопителей | 4 × SATA 6 Гбит/с (X870E) 1 × M.2 (M.2_1, CPU, PCIe 5.0 x4 для устройств формата 2242/2260/2280) 1 × M.2 (M.2_2, CPU, PCIe 5.0 x4 для устройств формата 2242/2260/2280)* 1 × M.2 (M.2_3, X870E, PCIe 4.0 x4 для устройств формата 2242/2260/2280) 1 × M.2 (M.2_4, X870E, PCIe 4.0 x4 для устройств формата 2242/2260/2280/22110) |
| USB-порты | 6 × USB 2.0: 3 внутренних разъема на 6 портов (X870E) 1 × USB 2.0: 1 порт Type-A (черный) (X870E) 2 × USB 3.2 Gen1: 2 внутренних разъема на 4 порта (X870E) 1 × USB 3.2 Gen2x2: 1 порт Type-C (X870E) 1 × USB 3.2 Gen2x2: 1 внутренний разъем Type-C (X870E) 7 × USB 3.2 Gen2: 7 портов Type-A (зеленые) (X870E+IT8857) 2 × USB4: 2 порта Type-C (ASM4242) |
| Разъемы на задней панели | 2 × USB4 (Type-C) 7 × USB 3.2 Gen2 (Type-A) 1 × USB 3.2 Gen2x2 (Type-C) 1 × USB 2.0 (Type-A) 2 × RJ-45 3 аудиоразъема типа миниджек 1 × DisplayPort (вход) 1 × HDMI (выход) 2 антенных разъема кнопка сброса CMOS кнопка перепрошивки BIOS — Flashback |
| Прочие внутренние элементы | 24-контактный разъем питания ATX 2 8-контактных разъема питания EPS12V 1 слот M.2 (E-key), занят адаптером беспроводных сетей 1 разъем для подключения порта USB 3.2 Gen2x2 Type-C 1 разъем для подключения 2 портов USB 3.2 Gen1 3 разъема для подключения 6 портов USB 2.0 8 разъемов для подключения 4-контактных вентиляторов и помп ЖСО 3 разъема для подключения адресуемой ARGB-ленты 1 разъем аудио для передней панели корпуса 1 разъем COM-порта 1 переключатель OV_CPU 1 разъем для термодатчикa 1 разъем для подключения управления с передней панели корпуса |
| Форм-фактор | ATX (305×244 мм) |
| Ожидаемая стоимость | в районе 60 тысяч рублей |
Примечание: * – слоты PCIe делят ресурсы со слотом M.2_2. Детали - ниже
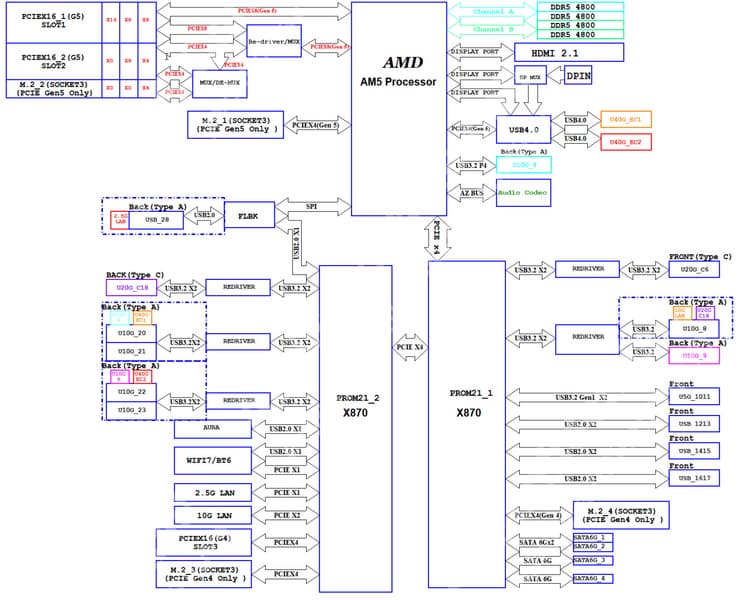
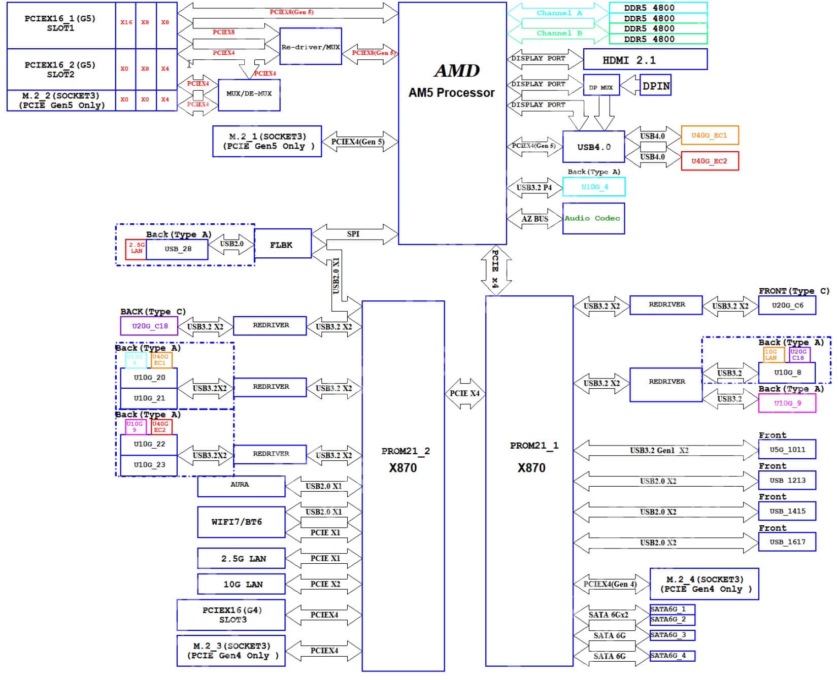
Основная функциональность: чипсет, процессор, память


Схема работы связки чипсет+процессор.
Все процессоры Ryzen 7000/8000/9000 поддерживают:
- 3 порта USB 3,2 Gen2 Type-C,
- 1 порт USB 3,2 Gen2 Type-A,
- 1 порт USB 2.0,
Только Ryzen 7000/9000 поддерживают:
- 28 линий ввода-вывода (включая PCI-E 5.0, в случае работы с A620/B840 пониженные до версии 4.0):
- 4 линии из них (в случае чипсета A620/B840 пониженные до версии 3.0) идут на взаимодействие с чипсетом,
- 16 линий — это PCI-E 5.0 слот для видеокарт,
- Осталось 8 линий PCIe 5.0:
- 4 линии — это слот M.2,
- остальные 4 могут конфигурироваться производителями материнских плат на выбор.
Только Ryzen 8700/8600 поддерживают:
- 20 линий ввода-вывода (PCIe версии 4.0):
- 4 линии из них (в случае чипсета A620/B840 пониженные до версии 3.0) идут на взаимодействие с чипсетом,
- 8 линий — это PCI-E 4.0 слот для видеокарт,
- Осталось 8 линий PCIe 4.0:
- 4 линии — это слот M.2,
- остальные 4 могут конфигурироваться производителями материнских плат на выбор.
Только Ryzen 8500/8300 поддерживают:
- 14 линий ввода-вывода (PCIe версии 4.0):
- 4 линии из них (в случае чипсета A620/B840 пониженные до версии 3.0) идут на взаимодействие с чипсетом,
- 4 линии — это PCI-E 4.0 слот для видеокарт,
- Осталось 6 линий PCIe 4.0:
- 4 линии — это слот M.2,
- остальные 2 могут конфигурироваться производителями материнских плат на выбор .
В свою очередь чипсет X870E поддерживает до:
- 8 портов USB 3.2 Gen2,
- 2 портов USB 3.2 Gen2x2,
- 12 портов USB 2.0,
- 2 портов USB4;
- 24 линии ввода-вывода:
- 4 линии для связи внутри микросхем чипсета (см. ниже).
- Остальные 20 линий распределяются как 12 PCIe 4.0 + 8 PCIe 3.0 (включая до 8 портов SATA).
Таким образом в сумме от тандема X870E+Ryzen 7000/9000 мы получаем:
- 16 PCI-E 5.0 линий для видеокарт (от процессора);
- 2 порта USB4 (от контроллера ASM4242);
- 2 порта USB 3.2 Gen2x2 (от чипсета);
- 12 портов USB 3.2 Gen2 (4 от процессора, 8 от чипсета);
- 13 портов USB 2.0 (1 от процессора, 12 от чипсета);
- 8 портов SATA 6Гбит/с (от чипсета)
- 8 линий PCIe 5.0 (от процессора), 4 из которых — на слот М.2, 4 — могут образовывать разные варианты комбинаций портов и слотов (в зависимости от производителя материнских плат);
- 12 линий PCI-E 4.0 ( от чипсета), которые могут образовывать разные варианты комбинаций портов и слотов (в зависимости от производителя материнских плат);
- 8 линий PCI-E 3.0 ( от чипсета), которые могут образовывать разные варианты комбинаций портов и слотов (в зависимости от производителя материнских плат).
Итого: 25 портов USB, 28 свободных PCI-E линий (включая до 8 портов SATA).


Напомню, что чипсеты AMD X670 и X670E полностью равнозначны по функциональности (набору портов и линий), но слот PCIe x16 (для видеокарт), получаемый данные от процессора в случае X670E получает версию PCIe 5.0, а в случае X670 — 4.0. Чипсет X870E имеет тот же набор, что и X670E, плюс поддержка 2х портов USB4 (через сторонний контроллер). Чипсеты X670, X670E, X870E состоят из двух микросхем, каждая из которых представляет собой по сути соответственно, B650, B650E или X870.
Поколения Ryzen 7xxx/8xxx/9xxx поддерживают как традиционные уже модули памяти DDR5 c Intel XMP (Extreme Memory Profile), так и модули с проприетарным от AMD профилем Expo.
Плата Asus поддерживает процессоры AMD поколений 7xxx/8xxx/9xxx, выполненные под разъем (сокет) AM5.
Для установки модулей памяти на плате имеется четыре DIMM-слота (для работы памяти в Dual Channel в случае использования всего 2 модулей их следует устанавливать в А2 и B2).
Плата поддерживает небуферизованную память DDR5, а максимальный объем памяти составляет 192 ГБ. Поддерживаются профили XMP и Expo.

Слоты DIMM не имеют металлической окантовки.
Периферийная функциональность: PCIe, SATA, разные дополнительные устройства
Выше мы изучили потенциальные возможности тандема X870E+Ryzen, а теперь посмотрим, что из этого и как реализовано в данной материнской плате.
Итак, кроме USB-портов, к которым мы подойдем позже, чипсет X870E обладает 20 PCIe линиями (плюс 4 линии на аплинк с процессором). Считаем, сколько линий уходит на поддержку (связь) с тем или иным элементом:
- слот PCIe x16_3 (4 линии PCIe 4.0);
- порты SATA_1/2/3/4 (4 линии PCIe 3.0);
- Слот M.2_3 (4 линии PCIe 4.0);
- Слот M.2_4 (4 линии PCIe 4.0);
- Marvel AQC113 (Ethernet 10Gb/s) (1 линия PCIe 3.0);
- Intel i225-V (Ethernet 2,5Gb/s) (1 линия PCIe 3.0);
- MediaTek MT7927 WIFI/BT (Wireless) (1 линия PCIe 3.0)
19 линий PCIe оказались занятыми (12 PCIe 4.0 + 7 PCIe 3.0). В данном случае связь с аудиокодеком идет через внутренний HDA. На поддержку BT (при наличии слота M.2 (key E) расходуется один USB 2.0, контроллер подсветки Aura, а также контроллер Flashback для своих нужд используют сигнальные линии USB 2.0, плюс хаб ITE ITE8857 использует линии USB 3.2 Gen2 от CPU. Детально об этом ниже в разделе USB-портов.
Теперь посмотрим выше на то, как работают процессоры в данной конфигурации. У всех Ryzen 7xxx/8xxx/9xxx — 24 линии PCIe (плюс 4 линии на даунлинк с чипсетом). Смотрим распределение:
- Слот PCIe x16_1 имеет 16 линий, слоты PCIe x16_2 и M.2_2 отключены, всего одна видеокарта;
- Слот PCIe x16_1 имеет 8 линий, слот PCIe x16_2 имеет 8 линий, и слот M.2_2 отключен;
- Слот PCIe x16_1 имеет 8 линий, слот PCIe x16_2 имеет 4 линии, и слот M.2_2 имеет 4 линии.
Надо особо отметить, что в случае установки видеокарты в PCIe x16_2 при пустом PCIe x16_1, оба они все равно получают по 8 линий. Мы помним, что все эти линии PCIe версии 5.0.
Теперь в целом про слоты PCIe.
Всего на плате есть 3 слота: два PCIe x16_1/2 (для видеокарт или других устройств) и один PCIe x16_3, работающий в режиме х4. Если про первые два PCIe x16 я выше уже рассказал (они подключены к CPU), то PCIe x16_3 подключен к X870E.
Как видим, перераспределение линий PCIe между слотами у этой материнки имеется, поэтому востребованы мультиплексоры PI2DBS2212XEBEX от Diodes Inc.
Два первых («процессорных») слота PCIe x16 имеют металлическое армирование из нержавеющей стали, которое увеличивает их надежность. Кроме того, такая защита предохраняет слоты от электромагнитных помех.
Схема удобного изъятия карт расширения из первых двух слотов Q Release в данном случае модифицирована в версию Slim, и когда требуется нажать на защелку для разблокирования карты в слоте, этого делать не нужно – просто потяните видеокарту (или иную карту) около крепежной планки вверх.

Матплата позволяет смонтировать СО любого размера.
Для поддержания стабильных частот на шине PCIe имеются усилители (ре-драйверы) сигнала PCIe 5.0 от Phison.
Внешнего тактового генератора нет.
На очереди — накопители.
Всего у платы 4 разъема Serial ATA 6 Гбит/с + 4 слота для накопителей в форм-факторе M.2.
4 порта SATA 1,2,3,4 реализованы через чипсет X870E и поддерживают создание RAID.
Материнская плата сама имеет 4 гнезда форм-фактора М.2.
Третий и четвертый слоты M.2 (M2_3, M2_4) получают данные от чипсета X870E (PCIe 4.0), а первые два — от CPU (PCIe 5.0). При этом все слоты работают с модулями только с PCIe интерфейсом и поддерживают размеры модулей: 2242/2260/2280. А слот M.2_4 также поддерживает еще и размер 22110. На всех M.2 можно организовать RAID.
Особо обращу внимание на то, что слот M.2_2, получающий данные от процессора, делит ресурсы со слотами PCIe x16_1/2, о чем я говорил уже выше. Это связано как раз с тем, что контроллер USB4 требует 4 линии PCIe 4.0, и инженеры решили «отнять» их у CPU (поэтому у того свободно поддерживается только один слот M.2_1), а не у X870E.
Следует особо отметить относительно новый способ крепления накопителей М.2 в слотах: через установленные на стойках поворотные замки (запасные имеются в комплекте поставки).
Все M.2 слоты на матплате имеют радиаторы. Слоты M.2_1 и M.2_2 обладают отдельными радиаторами, когда как остальные M.2 слоты имеют общий радиатор. Следует отметить, что слот M.2_1 кроме охлаждения верхней стороны имеет еще и нижний радиатор.
То есть следует отметить, что охлаждение системного чипсета (2 микросхемы) отдельно от охлаждения модулей в слотах M.2.
Периферийная функциональность: USB-порты, сетевые интерфейсы, ввод-вывод
Теперь на очереди USB-порты и прочие вводы-выводы. И начнем с задней панели, куда выведены большинство из них.
Повторим: чипсет X870E способен реализовать максимально: 8 портов USB 3.2 Gen2/1, 2 USB 3.2 Gen2x2, 12 портов USB 2.0. Процессор Ryzen 7000/9000 способен реализовать до 4 портов USB 3.2 Gen2 и 1 USB 2.0.
Также мы помним и про 20 линий PCIe от чипсета, которые идут на поддержку накопителей, сетевых и иных контроллеров (я выше уже показал на что и как расходуются 19 линий).
И что мы имеем? Всего на материнской плате — 20 портов USB:
- 2 порта USB4: оба реализованы с помощью хаба ASMedia ASM4242 (на него потрачены 4 линии PCIe 4.0 от CPU) и представлены двумя портами Type-C на задней панели;
- 2 порта USB 3.2 Gen2x2: оба реализованы с помощью X870E и один представлен внутренним портом Type-C (для подключения к соответствующему разъему на передней панели корпуса), второй на задней панели портом Type-C;
- 7 портов USB 3.2 Gen2: 5 реализованы через X870E остальные 2 реализованы через CPU, и все представлены на задней панели портами Type-A (зеленого цвета);
- 2 порта USB 3.2 Gen1: все реализованы через X870E и представлены внутренним разъемом на материнской плате на 2 порта;
- 7 портов USB 2.0/1.1: все реализованы через X870E и 6 представлены тремя внутренними разъемами (каждый на 2 порта), еще 1 представлен портом Type-A (черного цвета) на задней панели.
Таким образом, у нас 3 контроллера используют USB линии от X870E:
- Aura Sync (контроллер подсветки) (1 линия USB 2.0);
- BIOS Flashback (обновление BIOS без запуска системы) (1 линия USB 2.0);
- Bluetooth (беспроводной контроллер MT7927) (1 линия USB 2.0).
И 1 контроллер использует USB линии от CPU: ITE IT8857 (хаб USB 3.2 Gen2) (1 линия USB 3.2 Gen2).
Итак, через чипсет X870E реализовано высокоскоростных портов USB:
- + 2 выделенных USB 3.2 Gen2x2;
- + 4 выделенных USB 3.2 Gen2
- + 2 выделенных USB 3.2 Gen1
= 8 высокоскоростных портов и 10 USB 2.0 портов (7 выделенных и 3 линии на поддержку контроллеров).
Плюс 19 линий PCIe, выделенные на поддержку иной периферии. Итого, у X870E в данном случае реализовано 27 высокоскоростных портов.
Все USB 3.2 Gen2 порты оснащены ре-драйверами.
Порт USB 3.2 Gen2x2 в виде Type-C на задней панели оснащен отдельным контроллером IT8857 от ITE, являющимся по сути усилителем питания, дающий вольтаж, способный обеспечить быструю зарядку мобильных гаджетов через него.
А порт USB 3.2 Gen2x2 в виде внутреннего Type-C оснащен подобным контроллером от Realtek, обеспечивающим аналогичные возможности.
Отдельно надо отметить, что материнская плата оснащена портами USB4. Плата комплектуется соответствующим контроллером ASM4242 от ASMedia, который распаян на материнской плате.
На задней панели имеется 2 гнезда Type-C как для вывода через протокол USB4, так и для вывода графики на мониторы с интерфейсом Type-C.
Если у вас используется дискретная видеокарта, то ее вывод DP следует соединить со входом DP на матплате, для чего в комплекте поставки имеется соответствующий адаптер.
Если вывод графики производится со встроенного в процессор Ryzen графического ядра, то для вывода через Type-C можно использовать любой из двух портов USB4. Если же имеется дискретная видеокарта, то для вывода ее изображения через Type-C следует подключать монитор к порту EC1, второй же порт EC2 используется для вывода только встроенной в процессор графики.
Теперь о сетевых делах.
Материнская плата оснащена средствами связи просто отлично. Имеется скоростной Ethernet-контроллер Intel I225-V, способный работать по стандарту 2,5 Гбит/с.
Также есть и второй проводной скоростной контроллер Marvel AQC113, способный работать по стандарту 10 Гбит/с.
Имеется и комплексный беспроводной адаптер на контроллере MediaTek MT7927, через который реализованы Wi-Fi 7 (802.11a/b/g/n/ac/ax/be) и Bluetooth 5.4. Он установлен в слот M.2 (E-key), и его разъемы для привинчивания выносных антенн выведены на заднюю панель.
Заглушка, традиционно надеваемая на заднюю панель, в данном случае уже надета, и изнутри экранирована для снижения электромагнитных помех.
Аудиоподсистема
Плата оснащена звуковым кодеком Realtek ALC1220, обеспечивающим вывод звука по схемам до 7.1 с разрешением до 24 бит / 192 кГц.
Операционного усилителя нет.
В аудиоцепях платы применяются «аудиофильские» конденсаторы Nichicon Fine Gold.
Аудиотракт вынесен на угловую часть платы, не пересекается с другими элементами. Организация схемы 7.1 осуществляется с помощью двух дополнительных гнезд на передней (верхней) панели корпуса ПК (обязательно подключить их к матплате стандартным кабелем).
Питание, охлаждение
Для питания платы на ней предусмотрены 3 разъема: в дополнение к 24-контактному ATX (он на правой стороне платы (на фото — слева) здесь есть еще два 8-контактных EPS12V.
Внешне схема питания выглядит как 16+2+2: 16 фаз — ядро процессора, 2 фазы — SoC (I/O-чиплет Ryzen), 2 фазы — VDD_MISC (вывод встроенной графики).
Каждый канал фазы VCore и встроенной графики имеет суперферритовый дроссель и транзисторную сборку MP86670 от Monolith Power Systems (до 70A).
Управляет обоими наборами фаз (18+2) фирменный ШИМ-контроллер Digi+ ASP2206.
Asus широко рекламирует, что никогда не пользуются удвоителями фаз для управления большим количеством фаз питания.
Практически на всех материнских платах среднего и топового уровней можно найти фирменный цифровой контроллер TPU, который как раз и занимается умными сборками фаз питания для ШИМ-контроллера. В частности тут имеем:
Компания не раскрывает названий реальных производителей контроллеров под своими марками.
2 фазы питания SoC образуют также суперферритовые дроссели и сборки AOZ5516QI от Alpha&Omega Systems на 55 А.
Управляет этой схемой ШИМ-контроллер RT3672 от Richtek.
Теперь про охлаждение.
Все потенциально сильно греющиеся элементы имеют свои собственные радиаторы.
Как мы видим, охлаждение двух микросхем чипсета (один радиатор) организовано отдельно от остальных элементов. VRM-секция имеет свои два раздельных радиатора.
Как я уже упоминал ранее, M.2 слоты также имеют радиаторы: у двух — свои персональные радиаторы, у двух остальных — общий. У M.2_1 верхний радиатор имеет большую толщину, а также этот слот снабжен нижним радиатором.
Напомню, что материнская плата не имеет бэкплейта.
Подсветка
Программное обеспечение под Windows
Настройки BIOS
Работоспособность (и разгон)


Запускаем все в режиме по умолчанию. Затем нагружаем тестами от OCCT.
В данном случае авторазгон сработал очень даже хорошо с учетом стрессовой нагрузки на процессор (его максимальный нагрев был чуть ниже 80 градусов, а максимум потребления выше 190 Вт). При этом стоит отметить, что во всех этих испытаниях мы не получили никаких нареканий на работу сопутствующих блоков, никаких перегревов или странных явлений не было.
А если через BIOS выбрать «умный» режим работы, когда сама материнская плата будет решать – когда и как и на сколько повышать или понижать частоты работы? Теперь же все эти технологии нейронных сетей работают и здесь, кругом встречаются AI.
Так вот, ИИ посчитал, что если выставлять тупо режимы работы, как заложено просто в BIOS согласно постановлениям AMD и лично Лизы Су (ну через AMD PBO), то получается как-то неэкономное расходование ресурсов, и исходя из конкретной мгновенной стрессовой нагрузки от ОССТ, ИИ стал резать частоты работы и потребление, в результате чего на диаграммах получился забавный «забор», при этом в целом потребление уменьшилось, ну и частоты до 5,1 ГГц по ядрам упали.
Меня это все заинтересовало, и я решил проверить – как включение такого режима AI в BIOS скажется на производительности, выяснилось, что никак. Да, что при 5,5 ГГц и 192 Вт, что при 5,1 ГГц и 173 Вт производительность в бенчмарках почти одна и та же. Любопытно.
Выводы
Материнская плата Asus ProArt X870E-Creator WiFi основана на топовом чипсете AMD X870E и позиционируется для работы с флагманскими процессорами AMD платформы AM5. Это решение для рабочих ПК очень высокого уровня.
У Asus ProArt X870E-Creator WiFi имеется 20 портов USB разных видов, включая 2 самых современных USB4 (40 Гбит/с), 7 портов USB 3.2 Gen2, а также два USB 3.2 Gen2×2 в виде внутреннего и обычного портов Type-C. Плата предлагает 2 слота PCIe х16, которые получают от процессора 16 линий PCIe версии 5.0 (и делят их со вторым слотом M.2, подключенным к процессору), также имеется слот формата PCIe x16, соединенный с чипсетом 4 линиями PCIe 4.0. Всего у платы 4 слота M.2: два из них подключены напрямую к процессору линиями PCIe 5.0, два других подключены к чипсету X870E линиями PCIe 4.0. Также в арсенале платы есть 4 порта SATA и 8 разъемов для вентиляторов. Система питания процессора очень мощная, она способна обеспечить работу любых совместимых процессоров с приличным запасом на разгон. Плата имеет грамотную систему охлаждения каждого потенциально греющегося элемента, включая накопители в слотах M.2.
Сетевые возможности включают проводные контроллеры 10 и 2,5 Гбит/с и беспроводной Wi-Fi 7 + Bluetooth 5.4. Поддержка USB4 позволяет передавать данные на скорости до 40 Гбит/с и выводить изображение на монитор или телевизор через порт USB Type-C, в том числе предварительно заведя на плату выход дискретной видеокарты. В числе плюсов Asus ProArt X870E-Creator WiFi можно упомянуть возможности для подключения дополнительных ARGB-устройств.
В силу позиционирования для рабочих ПК рассмотренная плата не предлагает широких аппаратных возможностей для любителей разгона, однако в BIOS Setup имеется множество настроек для разгона (видимо, наследство от моделей серии Asus ROG).

В заключение еще раз напомним, что в новом поколении чипсетов AMD только X870E является топовым и поддерживает такой же набор линий PCIe и портов, как его предшественник X670E, плюс 2 порта USB4. Похожий по названию X870 — это, по сути, B650E + USB4, а вовсе не модификация X670 (тот отличается от X870E отсутствием поддержки PCIe 5.0 и USB4).





























































































































