Пятый материал по AMD X570, вернее не по нему, а по платам с его участием. Пятый раз новоиспеченный за 30-50 тысяч рублей Ryzen нежно ножками вставляем в сокет, прихлопывая подошвой от ЖСО. И если в предыдущем случае на рассмотрении была материнская плата среднебюджетного сегмента, то теперь мы снова кидаем взор на топовый сегмент. Хотя.. У компании ASRock цены на продукты топового сегмента практически как у Asus, но из среднебюджетного. :)
Новый чипсет AMD X570, который, как известно, был создан для поддержки нового семейства процессоров AMD Ryzen 3000 (на основе архитектуры Zen2), и который наверно первый за последние годы такой горячий, которому нужно или обширное пассивное охлаждение (покрывающее как панцирем всю плату), или охлаждение с вентилятором.
Тем не менее, Х570 является важной составляющей нового тандема процессор-чипсет от американского чипмейкера, стремительно захватывающего рынок ПК в последние 2 года. Несмотря на то, что сам по себе AMD X570 отнесен к премиальному сегменту (то есть материнские платы на нем не могут быть дешевыми по определению), все производители материнских плат активно начали выпуск продуктов на этом чипсете.
Taichi.. Почему именно это? В Китае сильны традиции верить в совпадения названий, произношений. Taichi — это серия восточных единоборств, нацеленных на победу во что бы то ни стало. Поэтому не удивительно, почему топовая серия у ASRock получила это название. К тому же уникальное, ибо никто ранее в продуктах для ПК такое наименование не использовал.
И вот снова шестерни вечного движения, символы, явно намекающие на философию «инь-ян», единства противоположностей. Сегодня мы изучаем не самую топовую материнскую плату из арсенала компании ASRock, основанную на Х570 (потому что обычно самый топ — это Taichi Ultimate). Также параллельно идет серия для геймеров — Phantom Gaming (вскоре из нее тоже рассмотрим один из вариантов). Однако ASRock X570 Taichi, имея примерную цену в 22 000 рублей (на момент написания материала), с одной стороны, имеет все шансы потеснить более именитых и более дорогих конкурентов, но с другой стороны, даже так сказать, более дешевый топ от ASRock — это все равно 22 000 рублей. Ниже — это уже иной сегмент.
Собственно, вот и, ASRock X570 Taichi.
ASRock X570 Taichi поставляется в большой коробке со стильной картинкой и с ручкой для переноски.
Внутри коробки есть три отсека: для самой материнской платы, для документации и для остального комплекта.
В комплекте поставки, кроме традиционных элементов типа руководства пользователя и кабелей SATA (что уже много лет является обязательным набором ко всем материнкам), есть выносная антенна с подставкой для беспроводных соединений, винтики для монтажа модулей M.2, фирменная отвертка Torx для радиаторов M.2, накопитель типа CD, бонусные стикеры, мост Nvidia SLI (старого образца).
Стоит отметить, что «заглушка» на заднюю панель с разъемами уже смонтирована на самой плате. Фирменное ПО поставляется на CD (хотя сейчас уже все меньше встречается ПК с оптическими драйвами). Впрочем все равно программное обеспечение за время путешествия платы к покупателю устаревает, так что придется его обновлять с сайта производителя сразу после покупки.
Форм-фактор
Материнская плата ASRock X570 Taichi выполнена в форм-факторе ATX, имеет размеры 305×244 мм и 10 монтажных отверстий для установки в корпус.
На оборотной стороне размещено несколько контроллеров и присутствует мелкая логика типа удвоителей фаз питания. Обработан текстолит хорошо: во всех точках пайки острые концы срезаны. С той же стороны установлена пластина из алюминия с нанокарбоновым покрытием для предотвращения замыкания электроконтактов на PCB. Пластина не участвует в теплоотводе от задней стороны PCB, а лишь обеспечивает жесткость материнской платы, ну и на ней размещен рассеиватель подсветки с оборотной стороны матплаты.
И вот тут снова следует обратить внимание на один нюанс. Еще в обзоре по Gigabyte Z390 Aorus Xtreme я писал, что такого рода пластины могут мешать монтажу платы в некоторые корпуса. Если посмотреть на снимок выше через один и обратить внимание на левый нижний угол, то можно увидеть, что крепежные отверстия находятся очень близко от края защитной пластины, и это может не дать плате ровно «лечь» в том случае, если в корпусе используются выпресcованные возвышения (они имеют большую ширину), а не всем хорошо известные латунные вставки для установки на них материнских плат.
Технические характеристики
Традиционная таблица с перечнем функциональных особенностей.
| Поддерживаемые процессоры | AMD Ryzen 2-го и 3-го поколений |
|---|---|
| Процессорный разъем | AM4 |
| Чипсет | AMD X570 |
| Память | 4 × DDR4, до 128 ГБ, до DDR4-4600, два канала |
| Аудиоподсистема | 1 × Realtek ALC1220 (7.1) |
| Сетевые контроллеры | 1 × Intel WGI211AT (Ethernet 1 Гбит/с) 1 × Intel Dual Band Wireless AX200NGW/CNVi (Wi-Fi 6: 802.11a/b/g/n/ac/ax (2,4/5 ГГц) + Bluetooth 5.0) |
| Слоты расширения | 3 × PCI Express 4.0/3.0 x16 (режимы x16, x8+x8 (SLI/CrossFire), x8+x8+x4 (CrossFire)) 2 × PCI Express 4.0/3.0 x1 |
| Разъемы для накопителей | 8 × SATA 6 Гбит/с (X570) 1 × M.2 (X570, PCI-E 4.0/3.0 x4/SATA 6 Гбит/с для устройств формата 2230/2242/2260/2280/22110) 1 × M.2 (X570, PCI-E 4.0/3.0 x4 для устройств формата 2260/2280) 1 × M.2 (CPU, PCI-E 4.0/3.0 x4/SATA 6 Гбит/с для устройств формата 2242/2260/2280) |
| USB-порты | 2 × USB 3.2 Gen2: 1 порт Type-A (голубой) + 1 порт Type-C на задней панели (X570) 6 × USB 3.2 Gen1: 4 порта Type-A (синие) на задней панели и 1 внутренний разъем на 2 порта (X570) 5 × USB 2.0: 2 внутренних разъема, каждый на 2 порта (GL850G) + 1 внутренний разъем на 1 порт (X570) 1 × USB 3.2 Gen2: 1 внутренний порт Type-C (CPU) 2 × USB 3.2 Gen1: 2 порта Type-A (синие) на задней панели (CPU) |
| Разъемы на задней панели | 1 × USB 3.2 Gen2 (Type-C) 1 × USB 3.2 Gen2 (Type-A) 6 × USB 3.2 Gen1 (Type-A) 1 × HDMI 1.4 1 × RJ-45 5 аудиоразъемов типа миниджек 1 × S/PDIF (оптический, выход) 2 антенных разъема кнопка сброса CMOS кнопка перепрошивки BIOS — FlashBack |
| Прочие внутренние элементы | 24-контактный разъем питания ATX 1 8-контактный разъема питания ATX12V 1 4-контактный разъема питания ATX12V 1 слот M.2 (E-key), занят адаптером беспроводных сетей 1 разъем для подключения порта USB 3.2 Gen2 Type-C 1 разъем для подключения 2 портов USB 3.2 Gen1 3 разъема для подключения 5 портов USB 2.0 6 разъемов для подключения 4-контактных вентиляторов (поддержка помп ЖСО) 2 разъема для подключения неадресуемой RGB-ленты 1 разъем для подключения адресуемой ARGB-ленты 1 разъем аудио для передней панели корпуса 2 разъема TPM/SPI TPM 2 разъема для подключения управления с передней панели корпуса 1 кнопка включения питания (Power) 1 кнопка перезагрузки (Reset) 1 кнопка для сброса CMOS 2 переключателя режимов BIOS точки для измерения напряжений |
| Форм-фактор | ATX (305×244 мм) |
| Розничные предложения |
Основная функциональность: чипсет, процессор, память


В полном соответствии с Hi-End позиционированием у данной платы просто обилие всевозможных портов! Правда, есть ощущение, что все же чего-то не хватает.
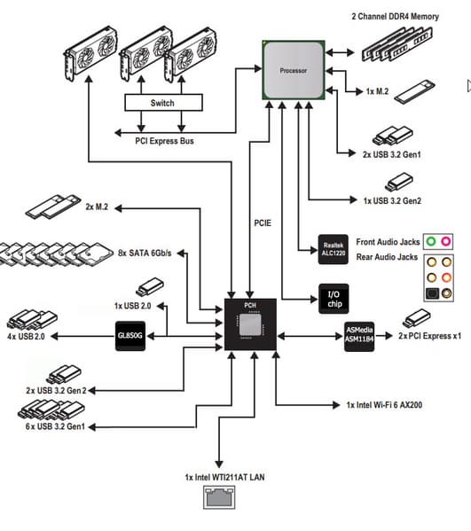
Кинем взгляд на прекрасный тандем чипсета X570 с процессором.
Стоит напомнить, что главное отличие тандемов AMD от Intel (если мы говорим об общепользовательском рынке десктопов) в том, что если у Intel баланс поддержки портов/линий несколько смещен в сторону системного чипсета, то у AMD примерный паритет, а по PCI-E линиям CPU Ryzen покруче.
Процессоры Ryzen 3000 поддерживают 4 порта USB 3,2 Gen2, 24 линии ввода-вывода (включая PCI-E 4.0), но 4 линии из них идут на взаимодействие с X570, еще 16 линий — это PCI-E слоты для видеокарт. Осталось 4 линии: они могут конфигурироваться производителями материнских плат на выбор (либо-либо):
- работа одного NVMe накопителя х4 (высокоскоростной PCI-E 4.0)
- два SATA-порта по х1 + 1 порт NVMe x2
- два порта NVMe x2
В свою очередь чипсет X570 поддерживает 8 портов USB 3.2 Gen2, 4 порта USB 2.0, 4 порта SATA и 20 линий ввода-вывода, из которых опять же 4 нужны для связи с CPU (суммарный линк х8). Остальные линии могут свободно конфигурироваться.
Таким образом в сумме от тандема X570+Ryzen 3000 мы получаем:
- 16 PCI-E 4.0 линий для видеокарт (от процессора);
- 12 портов USB 3.2 Gen2 (4 от процессора, 8 от чипсета);
- 4 порта USB 2.0 (от чипсета);
- 4 порта SATA 6Гбит/с (от чипсета)
- 20 PCI-E 4.0 линий (4 от процессора + 16 от чипсета), которые могут образовывать разные варианты комбинаций портов и слотов (в зависимости от производителя материнских плат).
Еще раз надо напомнить, что ASRock X570 Taichi поддерживает процессоры AMD Ryzen 2-го и 3-го поколений, выполненные под разъем (сокет) AM4.
Для установки модулей памяти на плате ASRock имеется четыре DIMM-слота (для работы памяти в Dual Channel в случае использования всего 2 модулей их следует устанавливать в А2 и B2. Плата поддерживает небуферизованную память DDR4 (non-EСС), а максимальный объем памяти составляет 128 ГБ (при использовании UDIMM последнего поколения по 32 ГБ). Разумеется, поддерживаются профили XMP.
Слоты DIMM не имеют металлической окантовки.
Основными «потребителями» преимуществ PCI-E 4.0 станут накопители и видеокарты, так что переходим к периферии.
Периферийная функциональность: PCI-E, SATA, разные «прибамбасы»
Выше мы изучили потенциальные возможности тандема X570+Ryzen 3000, а теперь посмотрим, что из этого и как реализовано в данной материнской плате.

Начнем со слотов PCI-E.
На плате есть 3 слота: 3 PCI-E x16 (для видеокарт или других устройств) и 2 «коротких» PCI-E x1 слота.
У процессора есть 16 линий PCI-E 4.0, они идут только на два верхних слота PCI-E x16, третий получает 4 линии от системного чипсета. Вот так выглядит схема распределения:
То есть полноценно получит 16 линий PCI-E только одиночная видеокарта, а если установить две видеокарты, объединив из в Nvidia SLI или AMD /CrossFire, то процессор выдаст уже по 8 линий PCI-E на каждый слот. А если уже кому-то очень захочется заполучить комбинацию из трех видеокарт (на сегодня это актуально только для технологии AMD CrossFireX), то по 8 линий получат только первые две карты, а третья карта получит 4 линии от чипсета. Собственно, третий слот PCI-Ex16 всегда получает х4 от X570 (работает независимо от наличия/отсутствия видеокарт в первых двух). Сильно ли это снижение количества линий на каждый слот ударит по производительности в целом? В случае двух карт — ощутимо, но не так уж сильно. С учетом не так давно введенного NV Link, у видеокарт Nvidia, соединенных мостами, потери, возможно, вообще будут неощутимы. А вот целесообразность установки в такую систему трех карт одновременно находится под большим вопросом.
Особо надо отметить, что из-за организации дополнительных портов SATA через чипсет X570, разработчики столкнулись с нехваткой PCI-E ресурсов на все и вся, поэтому «длинный» слот PCI-E x4 функционирует только при отсутствии модулей в слоте M.2_3.
Распределением линий PCI-E между слотами в случае использования более одной видеокарты занимаются мультиплексоры Pericom PI3DBS.
Слоты PCI-E x16 имеют металлическое армирование из нержавеющей стали, которое увеличивает их надежность (что может быть важным в случае довольно частой смены видеокарт, но что более важно: такой слот легче выдержит нагрузку на изгиб в случае установки очень тяжелой видеокарты топового уровня). Кроме того, такая защита предохраняет слоты от электромагнитных помех.
Заметим, что первый PCI-E слот находится на достаточном расстоянии от сокета, что позволяет легко смонтировать СО любого уровня и класса.
Около слотов PCI-E x16 также можно заметить ре-драйверы (усилители сигнала) Pericom PI3EQX16 для PCI-E 4.0 шины.
Плата также оснащена еще двумя слотами PCI-E x1, которые управляются контроллером ASM1184e от ASMedia.
Также имеется внешний генератор частот для поддержания и регулировки шины PCI-E 4.0
Идем дальше. На очереди — накопители.
Всего у платы 8 разъемов Serial ATA 6 Гбит/с + 3 слота для накопителей в форм-факторе M.2. (Еще один слот M.2, спрятанный под кожухом блока разъемов задней панели, занят контроллером беспроводных сетей Wi-Fi/Bluetooth.). Все 8 портов SATA600 реализованы через чипсет X570.
Выше каждого слота PCI-E x16 имеется по слоту M.2.
Все слоты M.2 имеют единый большой радиатор с термоинтерфейсами.
Самые длинные (22110) модули можно установить только в нижний слот M.2_3. Он же рассчитан и на самые короткие (2230) модули.
Стоит особо отметить, что только 2 слота M.2. поддерживают любые накопители с интерфейсом PCI-E и SATA (средний — для накопителей только с PCI-E интерфейсом). Также следует сказать, что первый слот M2_1 обслуживается процессором, поэтому в случае использования Ryzen 3000 будет поддержка PCI-E 4.0, а если Ryzen 2000, то PCI-E 3.0. Слоты М2_2 и M2_3 получают линии от Х570, поэтому всегда PCI-E 4.0. Есть нюанс, о котором я говорил уже выше: третий слот M2_3 в случае использования в нем модуля (с любым интерфейсом) заблокирует последний слот PCI-E x16.
Это, так сказать, расплата за то, что силами Х570 образовано 8 портов SATA, плюс на 1 порт USB больше, поэтому пришлось поделить вот так ресурсы.
Теперь о «фенечках», то есть «прибамбасах». Взять хотя бы кнопки.
Очень удобными являются кнопки перезагрузки компьютера Reset и включения Power. Все тестеры очень благодарят производителей плат за подобные кнопки.
Если вдруг случился сбой из-за неверно выставленных параметров работы материнской платы, то для сброса настроек CMOS имеется аж 3 способа: физическая кнопка на задней панели (о ней позже), кнопка на плате (рядом с кнопками Reset/Power) и тандем перемычек. Зачем два последних, дублирующих друг друга, осталось загадкой.
Неподалеку расположен контроллер Flash Back2, который позволяет обновить прошивку UEFI/BIOS на пустой материнской плате (без процессора и памяти).
Достаточно просто подключить питание, вставить флешку с новой прошивкой (заранее скачанной из интернета) и нажать на кнопку.

Индикаторы сообщат об удачном или неудачном обновлении. Эта технология под прежним названием Q-Flash Plus (а теперь Flashback+) существует у ASRock уже несколько поколений материнских плат.
Традиционно почти на всех платах ASRock присутствует разъем TPM для подключения систем обеспечения безопасности.
Также имеется более современный TPM с SPI интерфейсом.
Что касается традиционного набора штырьков FPanel для подключения проводов к передней (а сейчас уже часто и верхней или боковой или все это сразу) панели корпуса, то тут все обычно: 2 набора пинов.
Также надо упомянуть и возможности материнской платы по подключению RGB-подсветки. Ею управляет контроллер N76E885AT20 от Nuvoton.
Имеется 3 разъема для подключения любых устройств этого плана: 1 разъем для подключения адресуемых (5 B 3 A, до 15 Вт) ARGB-лент/устройств,
2 разъема неадресуемых (12 В 3 А, до 36 Вт) RGB-лент/устройств.
Периферийная функциональность: USB-порты, сетевые интерфейсы, ввод-вывод
Продолжаем рассматривать периферию. Теперь на очереди USB-порты. И начнем с задней панели, куда выведены большинство из них.
Повторим: чипсет X570 способен реализовать 12 портов USB, а процессор Ryzen 3000 — 4, то есть суммарно способны реализовать 16 выделенных портов USB всех типов (из них 12 — USB 3.2 Gen2, 4 — USB 2.0), а также есть 20 PCI-E 4.0 линий, из которых также можно сформировать дополнительные порты.
А что мы имеем? Всего на материнской плате — 16 портов USB (по идее, как и должно быть):
- 3 порта USB 3.2 Gen2 (самые быстрые на сегодня): 2 реализованы через X570 и представлены на задней панели 2 портами: Type-A (голубой) и Type-C (под ним) ; оставшийся один реализован через CPU Ryzen 3000 (в случае использования Ryzen 2000 USB Gen2 меняется на Gen1) и представлен внутренним портом Type-C (для подключения такого же разъема на передней панели корпуса);
- 8 портов USB 3.2 Gen1: 2 из них реализованы через CPU Ryzen 3000 и представлены на задней панели двумя портами Type-A (голубые); еще 2 реализованы через X570 и представлены 1 внутренним разъемом на материнской плате на 2 порта, и остальные 4 реализованы также через X570 и представлены 4 портами Type-A (синие);
- 5 портов USB 2.0/1.1: 1 порт (что в центре PCB) реализован через X570 и поставлен внутренним разъемом, остальные 4 реализованы через хаб GL850G от Genesis Logic и представлены 2-мя внутренними разъемами, каждый из которых на 2 порта.
Итак, через чипсет X570 реализовано 2 USB 3.2 Gen2 + 6 USB 3.2 Gen1 + 1 USB 2.0 = 9 портов. То есть возможности X570 использованы более чем скромно (максимум -12), к тому же почему-то ассортимент портов смещен в сторону USB 3.2 Gen1 (самых быстрых Gen2 очень мало). Через процессор Ryzen 3000 реализовано 1 USB 3.2 Gen2 + 2 USB 3.2 Gen1 (если Ryzen 2000, то 3 USB 3.2 Gen1) = 3 порта. В общем, как-то видно, что по количеству портов данная материнская плата соответствует флагманским решениям, а вот по набору — не очень.
Следует отметить, что внутренний разъем USB Type-C (USB 3.2 Gen2) поддерживает функцию быстрой зарядки (с помощью дополнительного контроллера ASM1543 от ASMedia). Если у вас имеется корпус с возможностью подключения к этому разъему и выводу сигнала на крышку, то сможете через Type-C заряжать свои мобильные устройства в режиме быстрой зарядки.
Теперь о сетевых делах.
Материнская плата оснащена средствами связи уже по привычному стандарту: один Ethernet-контроллер — гигабитный Intel WGI211-AT.
А также имеется комплексный беспроводной адаптер на контроллере Intel AX-200NGW, через который реализованы Wi-Fi 6 (802.11a/b/g/n/ac/ax) и Bluetooth 5.0. Он установлен в слот M.2 (E-key), и его разъемы для привинчивания выносных антенн выведены на заднюю панель.


С одной стороны, для флагмана немного маловато (обычно они обладают двумя проводными адаптерами, один из которых — высокоскоростной (от 2.5 Гбит/с)), с другой стороны, есть серия Phantom Gaming, должна же она чем-то отличаться :) При этом внимательные читатели на общей фотографии платы могут заметить некое посадочное место в районе сетевых портов. Разумеется, это под второй Ethernet-контроллер, который наверняка присутствует на самой топовой конфигурации — Taichi Ultimate.
Учитывая, что у ряда Ryzen 2000 имеется встроенное видеоядро, а также что вскоре выйдут Ryzen 3000 c аналогичной графикой, в компании ASRock решили, что «нефиг выпендриваться» и отсекать такие процессоры, поэтому установили гнездо вывода HDMI 1.4.
Заглушка, традиционно надеваемая на заднюю панель, в данном случае уже надета, и изнутри экранирована для снижения электромагнитных помех.
Теперь про блок ввода-вывода, разъемы для подключения вентиляторов и т. п. Разъемов для подключения вентиляторов весьма много: 6 штук!
При этом они логично распределены по периметру платы, плюс один — в центре. В общем без проблем можно подключить вентилятор, находящийся в любом месте системного блока. Управление вентиляторами реализовано как через фирменное ПО, так и через настройки UEFI/BIOS.
Работа Multi I/O обеспечивается Nuvoton NCT6796D, он же и занимается мониторингом. В итоге мы имеем возможность слежения за всеми подключенными вентиляторами и помпами, а также тонкую регулировку их работы.
Аудиоподсистема
Как и практически во всех современных материнских платах, звуком заведует аудиокодек Realtek ALC1220. Он обеспечивает вывод звука по схемам до 7.1.
В аудиоцепях платы применяются «аудиофильские» конденсаторы Nichicon Fine Gold и Wima. Аудиотракт вынесен на угловую часть платы, не пересекается с другими элементами. Более того, левый и правый каналы усилителя разведены по разным слоям печатной платы. Все аудиоразъемы имеют позолоченное покрытие. В целом можно снова повторить, что это стандартная аудиоподсистема, способная удовлетворить запросы большинства пользователей, не ожидающих от звука на материнской плате чудес.
Для тестирования выходного звукового тракта, предназначенного для подключения наушников или внешней акустики, мы использовали внешнюю звуковую карту Creative E-MU 0202 USB в сочетании с утилитой RightMark Audio Analyzer 6.4.5. Тестирование проводилось для режима стерео, 24-бит/44,1 кГц. По результатам тестирования аудиотракт на плате получил оценку «Хорошо» (что обычно для топовых материнских плат, оценка «Отлично» практически не встречается на интегрированном звуке, все же это удел уже полноценных звуковых карт).
Питание, охлаждение
Для питания платы на ней предусмотрены 3 разъема: в дополнение к 24-контактному ATX здесь есть еще есть 8-ми и 4-х контактные ATX12V.
Система питания соответствует среднему уровню (впрочем, все равно несколько внушительная). Ну для матплат на Х570 это и не удивительно: ведь материнская плата для процессоров, которые могут быть весьма прожорливыми.
Схема питания выполнена как 12+2: 12 фаз — ядро процессора, 2 фазы — SoC (I/O чиплет Ryzen).
Управляет фазами цифровой контроллер ISL69147 компании Intersil, рассчитанный на работу с 7 фазами.
Поэтому для питания ядра CPU используются удвоители фаз ISL6617A от той же Intersil, расположенные на оборотной стороне платы. Таким макаром мы получаем истинную схему фаз (12+2)/2= 6+1.
Каждый канал «псевдофазы» имеет суперферритовую катушку (60 A) и MOSFET SiC634 (50 A) от Vishay. То есть суммарно система питания теоретически способна пропустить через себя очень высокую нагрузку. В принципе, такой огромный потенциал особо и не нужен, потому что оверклокинг в целом резко ограничен со стороны AMD термопакетом. Впрочем, об этом ниже.
У модулей оперативной памяти все проще: обычная двухфазная система питания с контроллером uP1674 от UPI. Также используется набор из MOSFET FDPC5030SG от On Semiconductor.
Теперь про охлаждение.
Все потенциально сильно греющиеся элементы имеют свои собственные радиаторы. Как известно, самым горячим звеном в наборе AMD X570 является сам чипсет, поэтому многие производители вынуждены вспомнить про вентиляторы для такого рода микросхем.
Не обошла эта участь стороной и компанию ASRock, поэтому в радиатор системного чипсета встроен небольшой вентилятор.
Однако, если на решениях других компаний мы видели, что, во-первых, вентиляторы на X570 расположены не на уровне первого слота PCI-E x16, куда обычно вставляется видеокарта, во-вторых, все же вентилятор включался далеко не всегда, и Х570 почти никогда не нагревался выше 65С.
Здесь же (возможно ради дизайнерской прихоти) решетка вентилятора попала прямиком под кулер видеокарты (а сейчас большинство из них имеют 2- и даже 3-слотовые системы охлаждения, низко нависающие над матплатой), что само по себе уже ухудшает охлаждение Х570. Плюс к тому же конструкции многих кулеров видеокарт предусматривают выброс горячего воздуха вентиляторами в том числе и в сторону PCB материнской платы: сами понимаете, что такой поток тепла попадает прямиком в радиатор Х570. Поэтому в Сети уже появилось много негативных отзывов о том, что при использовании крупных и мощных видеокарт совместно с данной материнской платой происходит перегрев Х570, приводящий к выключению ПК (срабатывает защита).
В новом обновлением BIOS разработчики попытались улучшить ситуацию, повысив обороты вращения чипсетного вентилятора. Да, перегревы прекратились, однако можно слышать немного неприятный высокочастотный звук от данного девайса, который, к прискорбию, еще и плавает по частотам.
Конечно, когда материнку вставляешь в системный блок, закрывая корпус, то этот звук почти не слышно, но... Все равно недостаток.
При этом ведь в целом СО материнки выглядит очень внушительно! Огромный цельный радиатор для модулей M.2. через термоинтерфейс соединен с чипсетным радиатором, и по идее тепло от Х570 должно отводиться не только вентилятором, но и рассеиваться по огромному радиатору, занимающему чуть ли не половину материнки.
Возможно, что просто установили изначально шумный вентилятор, ведь разработчики делают акцент на долгой жизни такого вентилятора (до 50 тысяч часов непрерывной работы), а не на его тихую работу.
Что касается охлаждения силовых преобразователей (два радиатора под прямым углом друг ко другу), то там классическая схема: оба радиатора связаны тепловой трубкой.
Пластина с задней стороны платы никак не участвует в охлаждении. Напомню, что она лишь для обеспечения жесткости PCB, ну и несет на себе рассеиватель подсветки на ребре материнки.
Над аудиоподсистемой и над блоком разъемов задней панели установлены пластиковые кожухи соответствующего дизайна и с подсветкой, радиаторов там нет.
В целом надо сказать, что система питания довольно мощная, однако мы уже видели более продвинутые и мощные схемы на топовых материнских платах. Впрочем, все равно «питалово» должно быть на уровне: новые самые топовые процессоры AMD — 12-ядерные (а впереди еще и Ryzen 9 3950X с 16 ядрами!), потребляют очень много, требования к схеме питания очень высокие.
Подсветка
Вообще материнские платы ASRock всегда отличаются очень красивой подсветкой, особенно это касается флагманских решений. Светодиоды подсвечивают лого и название продукта на кожухе, покрывающем задний блок с разъемами. А также подсвечены радиатор чипсета и боковая сторона платы с оборотной стороны. Через программу ASRock Polychrome Sync можно создать эффектные световые решения.
Вообще надо сказать еще раз, что как правило, топовые решения (будь то видеокарта, материнская плата или даже модули памяти) сейчас практически все оснащаются красивыми модулями подсветки, положительно влияющими на эстетическое восприятие. Моддинг — это нормально, это красиво, подчас просто стильно, если все подобрано со вкусом. Разумеется, это не навязывается, и всю подсветку можно выключить через ту же утилиту или в BIOS-е.
И не забываем, что еще поддерживается подключение светодиодных RGB-лент/устройств к 3 разъемам на самой материнской плате. Надо сказать, что ряд производителей моддинговых корпусов с уже вмонтированной подсветкой «сертифицируют» поддержку программ ведущих производителей материнских плат, включая ASRock.
Программное обеспечение под Windows
Все программное обеспечение можно скачать с сайта производителя ASRock.com. Основная программа — так сказать, менеджер всего «софта» — это App Shop. Ее и следует установить первой.
App Shop помогает загрузить все остальные нужные (и не совсем нужные) утилиты. Большинство из них запускается и без App Shop. Эта же программа следит и за обновлениями установленного фирменного ПО от ASRock, а также за актуальностью прошивки BIOS.
Начнем с программы: Polychrome Sync, настраивающей работу режимов подсветки.
Утилита умеет распознавать все фирменные элементы ASRock, оснащенные подсветкой, а также ряд других RGB-элементов от иных производителей.
Можно задавать подсветку как для отдельных элементов, так и для всей группы в целом, а также записывать выбранные алгоритмы подсветки в профили, чтобы потом легко переключаться между ними. Видеоролик, демонстрирующий один из режимов подсветки, был приведен ранее в разделе «Подсветка».
Однако, наверно самая основная программа — это A-Tuning.
Для тех, кому лень возиться с ручными тонкими настройками оверклокинга, имеются три предустановочных режима. Впрочем, отличие между ними небольшое: Performance Mode задает максимально возможные в рамках AMD Precision Boost частоты всего для 2-3 ядра, когда как обычный режим довольствуется тем же для одного ядра. Режим Power Saving держит частоты на номинальном (минимальном) уровне, хотя все равно некоторые «всплески» встречаются.
Наиболее интересной частью данной программы является возможность настраивания работы вентиляторов (мы не забываем, что у материнской платы есть 6 гнезд для подключения вентиляторов).
Настройки BIOS
Все современные платы сейчас имеют UEFI (Unified Extensible Firmware Interface), которые, по сути, являются операционными системами в миниатюре. Для входа в настройки при загрузке ПК традиционно надо нажать клавишу Del или F2.
Учитывая позиционирование платы, здесь нет так называемого «простого» меню, оно уместилось в закладке Main в «продвинутом» меню.
Раздел по разгону — традиционен, имеет огромное количество опций и настроек.


Однако чтобы там не переключали, всем рулить будет AMD Precision Boost, который сбросит любую настройку оверклокинга, если та будет угрожать процессору перегревом.
В следующем разделе «продвинутых настроек продвинутого меню» можно AMD PB выключить, тогда уже разгон будет полностью безлимитным (в рамках того, чего выдержит конкретный «камень»), но при этом AMD уведомит через сообщение в том же BIOS, что все риски вы берете на себя.
Далее мы видим периферийные устройства, их настройки.



В разделе утилит можно управлять подсветкой (если кто не хочет ставить программу Polychrome Sync).


В разделе мониторинга мы видим не только чисто информацию о температурах и частотах вращения вентиляторов, но и можем управлять вентиляторами (полностью аналогично с программой A-Tuning).



Ну и традиционное по CSM.
Напомню, что CSM связан с новыми режимами работы загрузочных накопителей в UEFI, а также с файловыми системами. Старые таблицы разделов базируются на MBR, этот вариант распознают все операционные системы. Новые базируются уже на GPT, который «понимает» в качестве загрузочного только Windows 8/10. Если CSM выключить, это будет означать, что загрузочный накопитель отформатирован с GPT, загрузка с него пойдет быстрее (по сути, UEFI «передает вахту» Windows 10, даже не меняя заставку). Если же у вас загрузочный накопитель с MBR, то CSM следует включить, тогда будет опрос и запуск загрузки как раньше. Стоит отметить, что все NVMe-накопители поддерживают загрузку только с GPT.
Стоит еще раз отметить, что AMD Precision Boost 2 работает уже не хуже, чем заядлый оверклокер.
Разгон
Полная конфигурация тестовой системы:
- материнская плата ASRock X570 Taichi;
- процессор AMD Ryzen 9 3900X 3,8 ГГц;
- оперативная память Corsair UDIMM (CMT32GX4M4C3200C14) 32 ГБ (4×8) DDR4 (XMP 3200 МГц);
- накопитель SSD OCZ TRN100 240 ГБ;
- видеокарта Nvidia GeForce RTX 2080 Super Founders Edition;
- блок питания Corsair AX1600i (1600 Вт) Вт;
- ЖСО Corsair H115i RGB Platinum 280 ;
- телевизор LG 43UK6750 (43″ 4K HDR);
- клавиатура и мышь Logitech;
- операционная система Windows 10 Pro (v.1903), 64-битная.
Для проверки стабильности разгона я использовал программы:
- AIDA 64 Extreme
- 3DMark Time Spy CPU benchmark
- 3DMark Fire Strike Physics benchmark
- 3DMark Night Raid CPU benchmark
- HWInfo64
- Adobe Premiere CS 2019 (рендеринг видеоролика )
Конечно же, можно снова использовать AMD Ryzen Master, однако прибережем для более крутых флагманов. И воспользуемся штатной программой A-Tuning от ASRock. Ну не зря же люди старались и творили сие чудо...
По-началу посмотрим, чего у нас вообще происходит с частотами работы по умолчанию.
Частоты работы «плавают» около минимальных значений, лишь изредка поднимаясь, и то не по всем ядрам. Температуры как CPU, так и Х570 — в норме, в пределах 52-58 С, вентилятор на Х570 не запущен. Однако это все без нагрузки!
Не меняя стандартного режима, запускаем жесткий нагрузочный тест от AIDA64 Extreme.
AMD Precision Boost сработал и выставил частоты работы всех ядер слегка выше 4.0 ГГц. Но именно слегка. Ну мы же видим, что уже были достижения температурой нагрева CPU значений выше 90 С, поэтому PB не позволит частотам особо расти (оберегает процессор!) Чипсет Х570 нагревался выше 60 С, вентилятор на нем работал, но тихо. После проверки стабильности работы выключил AIDA64 тест, прогнал тесты из 3DMark, чтобы получить отправные точки.
Врубаем Performance Mode в утилите A-Tuning. Ну и точно также грузим тестом из AIDA64.
Что мы видим? — Да почти никаких отличий от предыдущего режима! Частоты работы примерно на том же уровне, нагрев тоже. Очевидно же, что AMD PB не позволяет данному конкретному экземпляру процессора работать на более высоких частотах, «узрев», что уже на 4.0-4.1 ГГц он может нагреваться до 90 и выше градусов. Да и запуск тестов из 3DMark подтвердил, что никаких приростов производительности нет.
Какой вывод? — либо программа A-Tuning — фуфло, и не может реально «нащупать» режимы работы ядер так, чтобы AMD PB не снижал частот (ведь при использовании AMD Ryzen Master ранее мы видели более высокие частоты того же экземпляра процессора с допустимым нагревом до 94 С), либо система питания все же у данной материнки слабовата, и тонко выставлять нужные вольтажи не может.
По разгону памяти скажу, что используемая нами память смогла работать на частоте 3600 МГц (как и уже раньше было), это дало небольшой прирост по сравнению с 3200 МГц, поэтому как-то нет особого смысла в этом разгоне.
После сброса настроек и деинсталляции A-Tuning я снова попробовал разгон уже вручную через BIOS. Однако получить даже 4,3 ГГц на всех 12 ядрах не удалось. Смысла выставлять меньшие частоты не было: выигрыш в производительности был бы настолько малым, что не было смысла рисковать процессором.
Выводы
ASRock X570 Taichi — это флагманская плата, однако не «самая-самая» в семействе ASRock. Тем не менее, она обладает многими признаками принадлежности к топовому классу. У платы 16 портов USB разных видов (включая самые быстрые и современные) — это плюс. Однако самых быстрых USB 3.2 Gen2 среди них — всего 3, это минус. Слоты PCI-E армированы, для накопителей во всех трех слотах M.2 (поддерживающих PCI-E 4.0) предусмотрено хорошее охлаждение — это плюс. А вот слоты для модулей памяти остались без армирования — минус. В целом хорошо спроектирована система питания, способная обеспечить работу и разгон (в рамках AMD Precision Boost) любых совместимых процессоров — это плюс. Но при этом в системе питания нет 14 честных фаз (а разработчик, разумеется, умалчивает об удвоении фаз) — это минус. Имеется два порта USB Type-C (один из них — с быстрой зарядкой, но надо иметь корпус с выведенным USB Type-C) — плюс. Отметим и отличную поддержку со стороны фирменного программного обеспечения (особенно по управлению вентиляторами и подсветкой). Разумеется, в плюсы стоит записать красивую подсветку платы (включая широкие возможности для подключения дополнительных RGB-устройств), а также неплохой дизайн самой платы. Но тут же вспоминаем о шумном чипсетном вентиляторе, который явно ошибочно установили под кулером потенциальной видеокарты — это минус (впрочем, это высокочастотное жужжание не будет особо доставать при наличии плотно закрытого корпуса ПК).
В целом плата получилась интересной, а главное, все же относительно недорогой: сейчас продвинутых материнок на Х570 дешевле 18 тысяч рублей не найти, а варианты за 13-15 тысяч имеют сильно урезанную функциональность. Здесь же функциональность отличная, хорошая в целом система питания, красивый дизайн (для любителей моддинга), а насчет оверклокинга за вас уже позаботилась компания AMD :-)
Благодарим компанию ASRock
за предоставленную на тестирование плату
Для тестового стенда:
блок питания Corsair AX1600i (1600W) предоставлен компанией Corsair
термопаста Noctua NT-H2 предоставлена компанией Noctua

















































































