Приветствую вас на портале iXBT.com, и мы продолжаем изучать – как устроена та или иная материнская плата, на что способна система питания, с каким ассортиментом периферии, а также программных средств она попадает к потребителю.
Исследование процессоров — в своем разделе, и в частности, имеется материал по AMD Ryzen 9 7950X.
Сегодня у нас в лаборатории побывала материнская плата на базе среднебюджетного чипсета AMD B650. Напомню, что топовые чипсеты AMD X670/X670E представляют собой набор из двух физических чипов (названных AMD как «восходящий» и «нисходящий»), каждый из которых представляет собой B650/650E. То есть, X670 = 2x B650. При этом все же при работе в виде «тандема» из двух B650 в лице X670, мы получаем не полностью удвоенные параметры B650: например, у B650 – 8 линий PCIe 4.0, но у X670 их не 16, а 12. Также и портов USB 3.2 Gen2 у B650 – до 6, однако у X670 – не до 12, а всего лишь до 8.
Чипсеты B650 и B650, как и X670 и X670E отличаются между собой поддержкой версии PCIe 4.0 для слота PCIe x16 в случае без «Е» и версии PCIe 5.0 для того же слота в случае с «Е».
Таблица основных отличий чипсетов B650 и X670.
| Особенности | B650/B650E | X670/X670E |
|---|---|---|
| Совместимость с процессорами AMD | Ryzen 7xxx | Ryzen 7xxx |
| Версия PCIe (процессор) | 4.0 & 5.0/5.0 | 4.0 & 5.0/5.0 |
| Количество линий PCIe (процессор) | 28 | 28 |
| Количество линий PCIe от процессора на связь с чипсетом | x4 PCIe 4.0 | x4 PCIe 4.0 |
| Версия PCIe (чипсет) | 3.0 & 4.0 | 3.0 & 4.0 |
| Количество линий PCIe (чипсет) | 12 (8 x 4.0 & 4 x 3.0) | 20 (12 x 4.0 & 8 x 3.0) |
| Поколение ОЗУ | DDR5 | DDR5 |
| Количество каналов ОЗУ | 2 | 2 |
| Максимальное количество слотов ОЗУ | 4 | 4 |
| Максимальный объем ОЗУ | 128 ГБ | 128 ГБ |
| Количество портов SATA 6.0 Gb/s до | 4 | 8 |
| Порты USB 3.2 Gen 2x2 (20Gbps) до | 1 | 2 |
| Порты USB 3.2 Gen 2x1 (10Gbps) / Gen 1x1 (5Gbps) до | 6 | 8 |
| Порты USB 2.0 до | 6 | 12 |
| Возможность разгона по частоте шины | Да | Да |
Теперь возвращаемся к самой матплате.
Многие пользователи знают, что у компании MSI имеется три основных сегмента игровых материнских плат: MEG (самый «топ»), MPG (это MEG, но без ряда «фишек» по оверклокингу, ну и в целом наворотов мало) и MAG (а это самый дешевый игровой сегмент, где «штучек-дрючек» нет, но упор делается на надежность компонентов (такие маркетинговые уловки весьма смешны, ибо получается, что у MEG/MPG компоненты не такие надежные, раз только в MAG нам вещают о «танковой» надежности конденсаторов и дросселей).
Наша сегодняшняя плата относится к серии MPG — MSI MPG B650 Carbon WiFi, базируемая на AMD B650.
Приступим.
MSI MPG B650 Carbon WiFi поставляется в традиционной коробке из жесткого картона. Комплект размещен под платой в отдельных отсеках.
Комплект поставки в целом скромен: кроме традиционных элементов типа руководства пользователя и кабелей SATA, имеются антенны встроенного Wi-Fi/BT-модуля, удлинитель / адаптер для подключения подсветки, дополнительные крепления для модулей М.2, бонусные наклейки.
ПО не поставляется, впрочем за время путешествия платы к покупателю оно все равно успевает устареть, так что придется его обновлять с сайта производителя сразу после покупки.
«Заглушка» на заднюю панель с разъемами уже смонтирована на самой плате.
Форм-фактор
Форм-фактор ATX имеет размеры до 305×244 мм, а E-ATX — до 305×330 мм. Материнская плата MSI MPG B650 Carbon WiFi имеет размеры 305×244 мм, поэтому выполнена в форм-факторе ATX, и на ней имеются 9 монтажных отверстий для установки в корпус.
На оборотной стороне почти ничего нет. Текстолит обработан хорошо: во всех точках пайки не только острые концы срезаны, но и все неплохо отшлифовано. Там же имеется маркировка зон, где нет отверстий для крепления, однако в этих местах в корпусе могут быть установлены стойки.

Технические характеристики
Традиционная таблица с перечнем функциональных особенностей.
| Поддерживаемые процессоры | AMD Ryzen 7xxx под AM5 |
|---|---|
| Процессорный разъем | AM5 |
| Чипсет | AMD B650 |
| Память | 4 × DDR5, до 128 ГБ, до DDR5-6600 (XMP/Expo), два канала |
| Аудиоподсистема | 1 × Realtek ALC4080 (7.1) + операционный усилитель Savitech SC3H712 |
| Сетевые контроллеры | 1 × Realtek RTL8125BG Ethernet 2.5 Гбит/с 1 × AMD (MediaTek) Dual Band Wireless RZ616 (MT7922A22M) (Wi-Fi 802.11a/b/g/n/ac/ax (2,4/6 ГГц) + Bluetooth 5.2) |
| Слоты расширения | 1 × PCI Express 4.0 x16 (CPU) 1 × PCI Express 4.0 x16 (режим x4) (CPU) 1 × PCI Express 3.0 x1 (B650) |
| Разъемы для накопителей | 6 × SATA 6 Гбит/с (B650+ASM1061) 1 × M.2 (CPU, PCIe 5.0 x4 для устройств формата 2260/2280) 2 × M.2 (CPU, PCIe 4.0 x4 для устройств формата 2260/2280) 1 × M.2 (B650, PCIe 4.0 x4 для устройств формата 2260/2280/22110) |
| USB-порты | 2 × USB 2.0: 2 порта Type-A (черные)(B650) 4 × USB 2.0: 2 внутренних разъема на 4 порта (GL850G) 2 × USB 3.2 Gen1: 1 внутренний разъем на 2 порта (B650) 1 × USB 3.2 Gen2x2: 1 порт Type-C (B650) 1 × USB 3.2 Gen2: 1 внутренний разъем Type-C (B650) 7 × USB 3.2 Gen2: 7 портов Type-A (красные) (GL3590+CPU) |
| Разъемы на задней панели | 1 × USB 3.2 Gen2x2 (Type-C) 7 × USB 3.2 Gen2 (Type-A) 2 × USB 2.0 (Type-A) 1 × RJ-45 5 аудиоразъемов типа миниджек 1 × S/PDIF (оптический, выход) 1 × HDMI 1 × DP кнопка сброса CMOS 2 антенных разъема кнопка перепрошивки BIOS — Flash BIOS |
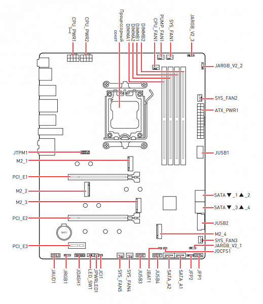
| Прочие внутренние элементы | 24-контактный разъем питания ATX 2 8-контактных разъема питания EPS12V 1 слот M.2 (E-key), занят адаптером беспроводных сетей 1 разъем для подключения порта USB 3.2 Gen2 Type-C 1 разъем для подключения 2 портов USB 3.2 Gen1 2 разъема для подключения 4 портов USB 2.0 7 разъемов для подключения 4-контактных вентиляторов и помп ЖСО 1 разъем для подключения неадресуемой RGB-ленты 3 разъема для подключения адресуемой ARGB-ленты 1 разъем аудио для передней панели корпуса 1 разъем для сброса CMOS 1 разъем TPM для систем безопасности 1 разъем для подключения Tuning Controller 1 разъем для подключения управления с передней панели корпуса |
| Форм-фактор | ATX (305×244 мм) |
| Розничные предложения |
Основная функциональность: чипсет, процессор, память

Схема работы связки чипсет+процессор.
Процессоры Ryzen 7000 поддерживают:
- 3 порта USB 3,2 Gen2 Type-C,
- 1 порт USB 3,2 Gen2 Type-A,
- 1 порт USB 2.0,
- 28 линий ввода-вывода (включая PCI-E 5.0):
- 4 линии из них идут на взаимодействие с X670/X670E,
- 16 линий — это PCI-E 5.0 слоты для видеокарт,
- Осталось 8 линий PCIe 5.0:
- 4 линии — это слот M.2,
- остальные 4 могут конфигурироваться производителями материнских плат на выбор.
В свою очередь чипсет B650/B650E поддерживает до:
- 6 портов USB 3.2 Gen2,
- 1 порта USB 3.2 Gen2x2,
- 6 портов USB 2.0,
- 12 линий ввода-вывода:
- распределение линий: 8 PCIe 4.0 + 4 PCIe 3.0;
- линии PCIe 3.0 могут включать до 4 портов SATA.
Таким образом в сумме от тандема B650/B650E+Ryzen 7000 мы получаем:
- 16 PCI-E 5.0 линий для видеокарт (от процессора);
- 1 порт USB 3.2 Gen2x2 (от чипсета);
- 10 портов USB 3.2 Gen2 (4 от процессора, 6 от чипсета);
- 7 портов USB 2.0 (1 от процессора, 6 от чипсета);
- 4 порта SATA 6Гбит/с (от чипсета, входят в состав линий PCIe 3.0)
- 8 линий PCIe 5.0 (от процессора), 4 из которых — на слот М.2, 4 — могут образовывать разные варианты комбинаций портов и слотов (в зависимости от производителя материнских плат);
- 8 линий PCI-E 4.0 ( от чипсета), которые могут образовывать разные варианты комбинаций портов и слотов (в зависимости от производителя материнских плат);
- 4 линии PCI-E 3.0 ( от чипсета), которые могут образовывать разные варианты комбинаций портов и слотов (в зависимости от производителя материнских плат).
Итого: до 18 портов USB, 20 свободных PCI-E линий (включая до 4 портов SATA).
Еще раз напомню, что чипсеты AMD B650 и B650E полностью равнозначны по функциональности (набору портов и линий), но слот PCIe x16 (для видеокарт), получаемый данные от процессора в случае B650E получает версию PCIe 5.0, а в случае B650 — 4.0. Отсутствие версии 5.0 у слота для видеокарт помогает снизить стоимость материнских плат в случае с B650, ибо разработчики смогут экономить на усилителях (редрайверах) сигнала PCIe 5.0, которые пока весьма недешевы, а также матплаты с «не-Е» чипсетом не имеют крайне жестких требований к разводке печатной платы, чтобы избежать искажений сигналов.
Новое поколение Ryzen 7xxx поддерживает как традиционные уже модули памяти DDR5 c Intel XMP (Extreme Memory Profile) (которые через Direct Over Clock Profile (DOCP) подгоняются под характеристики, заложенные в XMP), так и модули с проприетарным от AMD профилем Expo.
Детально об этом всем имеется в материале по самому процессору Ryzen 9 7950X и архитектуре Zen4.
MSI MPG B650 Carbon WiFi поддерживает процессоры AMD поколения 7000, выполненные под разъем (сокет) AM5.
Для установки модулей памяти на плате имеется четыре DIMM-слота (для работы памяти в Dual Channel в случае использования всего 2 модулей их следует устанавливать в А2 и B2). Плата поддерживает небуферизованную память DDR5, а максимальный объем памяти составляет 128 ГБ. Поддерживаются профили XMP и Expo.
Слоты DIMM не имеют металлическую окантовки, которая препятствует деформации слотов и печатной платы при установке модулей памяти и защищает от электромагнитных помех. Но при этом в месте замка на слотах (где у модулей памяти вырез) имеется металлическая вставка, повышающая надежность установки DIMM-ов.
Периферийная функциональность: PCIe, SATA, разные «прибамбасы»
Выше мы изучили потенциальные возможности тандема B650+Ryzen, а теперь посмотрим, что из этого и как реализовано в данной материнской плате.
Итак, кроме USB-портов, к которым мы подойдем позже, чипсет B650 обладает 12 PCIe линиями. Считаем, сколько линий уходит на поддержку (связь) с тем или иным элементом:
- Слот PCIe x1 (1 линия PCIe 4.0);
- Слот M.2 M2_4 (4 линии PCIe 4.0);
- ASMedia ASM1061 (SATA_A1/A2) (1 линия PCIe 4.0);
- SATA 0,1,2,3 (4 линии PCIe 3.0);
- Realtek RTL8125BG (Ethernet 2.5 Gb/s) (1 линия PCIe 4.0);
- AMD RX616 WIFI/BT (Wireless) (1 линия PCIe 4.0)
12 линий PCIe (8 версии 4.0 и 4 версии 3.0) оказались занятыми, включая 4 порта SATA от B650 и 2 порта SATA от ASM1061.
Теперь посмотрим выше на то, как работают процессоры в данной конфигурации. У всех Ryzen 7xxx — 24 линии PCIe (плюс 4 линии на даунлинк с чипсетом). Смотрим распределение:
- Порт M.2 (M2_1) (4 линии PCIe 5.0);
- Слот PCIe x16 (PCI_E2) (4 линии PCIe 4.0);
- Переключатель: или слот PCIe x16 (PCI_E1) (16 линий PCIe 4.0) и порты M.2 (M2_2, M2_3) отключены; или порты M.2 (M2_2, M2_3) активны (4 + 4 линии PCIe 4.0), но слот PCIe x16 (PCI_E1) получает 8 линий PCIe 4.0

Хотя в процессоры Ryzen и встроен контроллер High Definition Audio (HDA) (поэтому связь с аудиокодеками старых выпусков идет путем эмуляции PCI шины), однако для Realtek RTL4080 требуется линия USB 2.0 от B650. А контроллер USB 2.0 Genesys Logic GL850G использует линию USB 2.0 от CPU (детали ниже в разделе USB портов).
Выше приведена полная схема распределения ресурсов по слотам PCIe. Всего на плате есть 3 слота PCIe: два «длинных» PCIe x16 (PCI_E1,E2), получающие данные от процессора, и один слота PCIe x1 (PCI_E3), получающий данные от B650.
Первый слот PCIe x16 (PCI_E1 для видеокарт) имеет металлическое армирование из нержавеющей стали, которое увеличивает надежность (что может быть важным в случае довольно частой смены видеокарт, но что более важно: такой слот легче выдержит нагрузку на изгиб в случае установки очень тяжелой видеокарты топового уровня. Кроме того, такая защита предохраняет слоты от электромагнитных помех.
Матплата позволяет смонтировать СО любого размера.
Поскольку имеются переключения работы слота PCIe x16_1 и портов М.2, то востребованы мультиплексоры от Diodes Inc.
Для поддержания стабильных частот на шине PCIe 5.0 имеются усилители сигнала от Texas Instruments.
На очереди — накопители.
Всего у платы 6 разъемов Serial ATA 6 Гбит/с + 4 слота для накопителей в форм-факторе M.2. 4 порта SATA реализованы через чипсет B650 и поддерживают создание RAID.Они размещены в горизонтальной ориентации в правой нижней части платы.
Еще 2 порта SATA реализованы через контроллер ASMedia ASM1061 и размещены в вертикальной ориентации внизу матплаты.
Материнская плата имеет 4 гнезда форм-фактора М.2.
Все 4 слота поддерживают размеры модулей 2260/2280, также M2_4 поддерживает размер модулей 22110. Все слоты работают с модулями только с PCIe интерфейсом. 3 слота M.2 получают данные от процессора (M2_1, M2_2, M2_3), 1 слот – от B650 (M2_4).
Надо еще раз отметить, что M2_2 и M2_3 делят ресурсы со слотом PCIe x16 (PCI_E1), о чем выше я уже говорил.
Все M.2 слоты имеют радиаторы. Верхний M2_1 и нижний M2_4 обладают отдельными собственными радиаторами, когда как остальные M.2 имеют общий радиатор.
Периферийная функциональность: USB-порты, сетевые интерфейсы, ввод-вывод
На очереди USB-порты. И начнем с задней панели, куда выведены большинство из них.

Повторим: чипсет B650 способен реализовать максимально: 6 портов USB 3.2 Gen2/1, 1 USB 3.2 Gen2x2, 6 портов USB 2.0. Процессор Ryzen 7000 способен реализовать до 4 портов USB 3.2 Gen2 и 1 USB 2.0.
Также мы помним и про 12 линий PCIe от чипсета, которые идут на поддержку накопителей, сетевых и иных контроллеров (я выше уже показал на что и как расходуются все 12 линий).
И что мы имеем? Всего на материнской плате — 17 портов USB:
- 1 порт USB 3.2 Gen2x2: реализован через B650 и представлен портом Type-C на задней панели;
- 8 портов USB 3.2 Gen2: 3 реализованы через процессор и представлены на задней панели тремя портами Type-A (красные); еще 4 реализованы через Genesys Logic GL3590 (на него потрачена 1 линия USB 2.0) и представлены на задней панели 4 портами Type-A (красные); и оставшийся 1 порт реализован через B650 и представлен внутренним портом Type-C для подключения к соответствующему разъему на передней панели корпуса;
- 2 порта USB 3.2 Gen1: все реализованы через B650 и представлены внутренним разъемом на материнской плате на 2 порта;
- 6 портов USB 2.0/1.1: 4 реализованы через контроллер Genesys Logic GL850G (на него потрачена 1 линия USB 2.0 от CPU) и представлены двумя внутренними разъемами (каждый на 2 порта); еще 2 реализованы через B650 и представлены 2 портами Type-A на задней панели (черные).
Итак, через чипсет B650 реализовано 1 USB 3.2 Gen2x2, 1 USB 3.2 Gen2, 2 USB 3.2 Gen1 и 4 USB 2.0 портов (помним, что беспроводной контроллер требует одну линию USB 2.0 и аудиокодек также работает через USB 2.0).
Плюс 12 линий PCIe, выделенные на поддержку иной периферии. Итого, у B650 в данном случае реализовано 16 высокоскоростных портов.
Все быстрые USB порты Type-A/Type-C имеют свои усилители сигнала PI3EQX1004 от Diodes Inc.(ex Pericom).
А для нужд быстрой зарядки порт Type-C на задней панели и аналогичный внутренний порт для вывода на переднюю панель имеют редрайверы от Genesys Logic.
Теперь о сетевых делах.
Материнская плата оснащена средствами связи хорошо. Имеется скоростной Ethernet-контроллер Realtek RTL8125BG , способный выдавать до 2,5 Гбит/с.
Имеется и комплексный беспроводной адаптер на контроллере MediaTek MT7922A22M (AMD RZ616), через который реализованы Wi-Fi 6E (802.11a/b/g/n/ac/ax) и Bluetooth 5.2. Он установлен в слот M.2 (E-key), и его разъемы для привинчивания выносных антенн выведены на заднюю панель.
Заглушка, традиционно надеваемая на заднюю панель, в данном случае уже надета, и изнутри экранирована для снижения электромагнитных помех.
Аудиоподсистема
У данной платы звуком заведует аудиокодек Realtek ALC4080. Он обеспечивает вывод звука по схемам до 7.1 с разрешением до 32 бит / 384 кГц.
Имеется операционный усилитель Savitech SV3H712.
В аудиоцепях платы применяются «аудиофильские» конденсаторы.
Аудиотракт вынесен на угловую часть платы, не пересекается с другими элементами. У карты пять разъемов с позолоченным покрытием (правда без цветовой раскраски) по приему и выводу сигналов плюс оптический S/PDIF.
Питание, охлаждение
Для питания платы на ней предусмотрены 3 разъема: в дополнение к 24-контактному ATX здесь есть еще два ATX12V (8 контактов).
Для материнки на среднебюджетном чипсете система питания очень даже неплохая!
Внешне схема питания выглядит как 16+2+1: 16 фаз — ядро процессора, 2 фазы — SoC (I/O-чиплет Ryzen), 1 фаза — VDD_MISC (вывод встроенной графики).
Управляет фазами VCore и SoC цифровой контроллер MP2857 от Monolithic Power Systems, умеющий управлять максимум 9-ю фазами, так что на деле идет запараллеливание фаз питания VCore и SoC: 8x2+1x2. Собственно, в названии системы питания от MSI имеется прямой намек на это: Dual Rail Power System.
Каждая фаза VCore и SoC имеет по транзисторной сборке MP87670 от MPS (до 70А).
Теперь про охлаждение.
Все потенциально сильно греющиеся элементы имеют свои собственные радиаторы. Чипсет B650 имеет радиатор c приличной площадью, он прекрасно справляется с охлаждением без вентилятора.
Остальной набор охлаждающих элементов весьма обычен и привычен.
Две группы силовых преобразователей имеют свои раздельные радиаторы, соединенные тепловой трубкой.
У всех модулей M.2, как я уже выше отмечал, есть свои радиаторы с термоинтерфейсом. У верхнего и нижнего — свои отдельные радиатора, у двух остальных — общий. Следует особо отметить, что слот M2_1 оснащен термопрокладками с обеих сторон.
Подсветка
Программное обеспечение под Windows
Настройки BIOS
Работоспособность (и разгон)
Запускаем все в режиме по умолчанию. Затем нагружаем тестами от OCCT.
Мы видим, что авторазгон сработал отлично (до 5,4 ГГц по всем ядрам — это прекрасный уровень для матплаты не только на среднебюджетном чипсете, но и для топовых решений тоже). При этом стоит отметить, что во всех этих испытаниях мы не получили никаких нареканий на работу сопутствующих блоков, никаких перегревов или странных явлений не было.
Теперь нагрузим еще сильнее – стресс-тестами от AIDA (как известно, это самый суровый тестер для процессоров и ОЗУ, если нагрузка в течение даже 10 минут не вызвала сбоев или перегревов – значит уже стопроцентная гарантия, что «железо» выдержит любые по своей сложности задачи).
И сразу стало понятно, что из-за более сложной нагрузки нагрев процессора вырос почти в 1,5 раза, как и энергопотребление, из-за чего авторазгон оказался чуть скромнее – всего 5,15 ГГц, хотя и это отличный результат.
Выводы
Материнская плата MSI MPG B650 Carbon WiFi — представитель серии MPG среднего уровня на чипсете AMD B650 со стоимостью в районе 30-35 тысяч рублей.
У нее 17 портов USB разных видов, включая 1 самый быстрый USB 3.2 Gen2×2. Плата предлагает слот PCIe х16 (он получает от процессора 16 линий PCIe 4.0) и 4 слота M.2, три из которых подключены напрямую к процессору (один — линиями PCIe 5.0, другие — линиями PCIe 4.0, деля ресурсы с основным слотом PCIe x16). У платы есть еще один «длинный» слот PCIe x16 (он работает в режиме х4), а также слот PCIe x1.
В арсенале этой модели также 6 портов SATA и 7 разъемов для вентиляторов. Хотя плата относится к среднему ценовому сегменту (если отталкиваться от чипсета), система питания процессора очень даже неплохая. Сетевые возможности включают один проводной контроллер 2,5 Гбит/с и один самый современный беспроводной. В числе плюсов платы можно упомянуть подсветку на кожухе задних портов, а также широкие возможности для подключения дополнительных RGB-устройств.

Также MSI MPG B650 Carbon WiFi предлагает неплохой набор настроек в BIOS Setup для любителей разгона.
В номинации «Оригинальный дизайн» плата MSI MPG B650 Carbon WiFi получила награду:

Благодарим Владислава Громова
из Хабаровска (Telegram-канал)
за помощь в оперативном получении нового оборудования из Китая
































































































