Введение
Как известно, с выходом нового семейства процессоров 11го поколения компания Intel анонсирована и целую линейку системных чипсетов серии 5хх. Основные отличия приведены в таблице ниже.
Если чипсет Z590 является топовым в этой линейке, и на нем выпускаются материнские платы флагманского уровня (разумеется, есть и относительно бюджетные решения на Z590, но все же явно не дешевые), то B560 — это такой относительно дешевый чипсет, имеющий урезанный ассортимент периферии.
В силу единого сокета LGA1200 имеется взаимная совместимость процессоров 11го и 10го поколений на матплатах с чипсетами 500-го семейства. А наличие 20ти линий PCIe имеется только у процессоров 11ххх, поэтому если на той или иной материнке имеется слот М.2, связанный с процессором, то он сможет функционировать только совместно с 11м поколением CPU. А если у нас процессор уровня 10ххх, то увы, слот будет вынужден пустовать. Но это если материнка без хитростей, а если такая как ниже рассмотренная, то такой слот М.2 может быть рабочим с любым видом процессоров Intel.
Поэтому плавно переходим к предмету сегодняшнего изучения. Опытные пользователи знают, что у компании MSI имеется три основных сегмента игровых материнских плат: MEG, MPG и MAG.
Герой нынешнего обзора — MSI MPG B560I Gaming Edge WiFi. То есть материнка из семейства MPG (MSI Performance Gaming), которая не относится к топовым (все флагманы — в семействе MEG), однако являет собой все равно относительно мощный инструмент для современного ПК, обладая всеми широкими возможностями как по набору периферии, так и по возможностям питания. Правда не забываем, что чипсет B560 сам по себе уже вносит ряд ограничений.
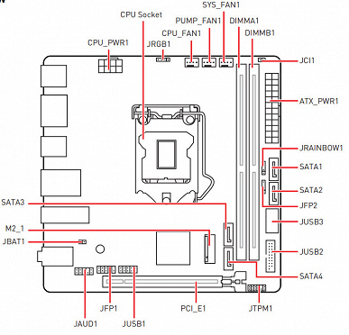
Вот и сама материнская плата.
MSI MPG B560I Gaming Edge WiFi поставляется в миниатюрной коробке фирменного дизайна серии MPG. А почему коробка такая маленькая?
А потому что материнская плата форм-фактора Mini-ITX. Да, вот такая «лапотушка» микроскопическая. Если раньше у нас в уме всегда было представление, что материнки всегда по размерам больше видеокарт, то нынешнее сочетание от MSI (вместе с GeForce RTX 3080 Suprim X) как-то резко срывает шаблон.
Комплект поставки размещен в отсеке под матплатой, и в целом весьма хорош: кроме традиционных элементов типа руководства пользователя и кабелей SATA, имеются CD с ПО, антенна встроенного Wi-Fi-модуля, винтики для М.2 слотов, разветвители для подключения подсветок, бонусные стикеры, подарочные ключи-отвертки и щетка.
ПО поставляется на накопителе типа CD, что сейчас является уже таким же анахронизмом, как если его поставлять на дискетах. Впрочем за время путешествия платы к покупателю оно все равно успевает устареть, так что придется его обновлять с сайта производителя сразу после покупки. Примечательны бонусы: это двухсторонняя компактная щетка с мягкой и жесткой щетиной для уборки ПК и периферии от пыли, которая может стать прекрасным и очень нужным девайсом в повседневной жизни пользователя ПК.


А также есть две отвертки (плоская и крестовидная), выполненные в виде ключей на кольце. Тоже полезный сувенир!
«Заглушка» на заднюю панель с разъемами уже смонтирована на самой плате.
Форм-фактор
Материнская плата MSI MPG B560I Gaming Edge WiFi выполнена в форм-факторе Mini-ITX, имеет размеры 170×170 мм, и на ней имеются 4 монтажных отверстия для установки в корпус.
Оборотная сторона — не пустая, там расположена некоторая логика, а самое главное, один из слотов М.2. Текстолит обработан хорошо: во всех точках пайки не только острые концы срезаны, но и все неплохо отшлифовано.
Технические характеристики
Традиционная таблица с перечнем функциональных особенностей.
| Поддерживаемые процессоры | Intel Core 10-го и 11-го поколений |
|---|---|
| Процессорный разъем | LGA 1200 |
| Чипсет | Intel B560 |
| Память | 2 × DDR4, до 64 ГБ, до DDR4-5200 (XMP,1 DIMM) или до DDR4-4700 (XMP, 2 DIMM), два канала |
| Аудиоподсистема | 1 × Realtek ALC897 (5.1) |
| Сетевые контроллеры | 1 × Realtek RTL8125BG Ethernet 2,5 Гбит/с 1 × Intel Dual Band Wireless AX210NGW (Wi-Fi 802.11a/b/g/n/ac/ax (2,4/5 ГГц) + Bluetooth 5.2) |
| Слоты расширения | 1 × PCIe 4.0 x16 (режимы x16)(для процессоров 10ххх - PCIe 3.0) |
| Разъемы для накопителей | 4 × SATA 6 Гбит/с (B560) 1 × M.2 (CPU/B560, PCIe 4.0 x4 для устройств формата 2280)(PCIe 3.0 для процессоров 10ххх) 1 × M.2 (B560, PCIe 3.0 x4/SATA для устройств формата 2280) |
| USB-порты | 2 × USB 2.0: 1 внутренний разъем на 2 порта (Genesys Logic GL850G) 4 × USB 2.0: 2 порта Type-A (черные) на задней панели (B560) 2 × USB 3.2 Gen1: 1 внутренний разъем на 2 порта (B560) 1 × USB 3.2 Gen1: 1 внутренний разъем Type-C (B560) 1 × USB 3.2 Gen2: 1 порт Type-A (красный) на задней панели (B560) 1 × USB 3.2 Gen2: 1 порт Type-C на задней панели (B560) |
| Разъемы на задней панели | 1 × USB 3.2 Gen2 (Type-C) 1 × USB 3.2 Gen2 (Type-A) 4 × USB 2.0 (Type-A) 1 × RJ-45 3 аудиоразъема типа миниджек 1 × HDMI 2.0b 1 × Display Port 1.4 2 антенных разъема |
| Прочие внутренние элементы | 24-контактный разъем питания ATX 1 8-контактный разъем питания EPS12V 1 слот M.2 (E-key), занят адаптером беспроводных сетей 1 разъем для подключения порта USB 3.2 Gen2 Type-C 1 разъем для подключения 2 портов USB 3.2 Gen1 1 разъем для подключения 2 портов USB 2.0 3 разъема для подключения 4-контактных вентиляторов и помп ЖСО 1 разъем для подключения неадресуемой RGB-ленты 1 разъем для подключения адресуемой ARGB-ленты 1 разъем аудио для передней панели корпуса 1 разъем для сброса CMOS 1 разъем TPM для устройств безопасности 2 разъема для подключения управления с передней панели корпуса |
| Форм-фактор | Mini-ITX (170×170 мм) |
| Примерная цена | 15 тысяч рублей |
Основная функциональность: чипсет, процессор, память


Схема работы связки чипсет+процессор.

Формально имеется поддержка памяти до 3200 МГц, однако всем хорошо известно, и производители материнских плат это активно рекламируют: через XMP-профили сейчас можно использовать частоты до 4800 и выше МГц. В частности данная плата поддерживает частоты до 5200 МГц при использовании одного DIMM, и до 4700 при двух.
Процессоры Intel Core 11-го поколения (совместимые с сокетом LGA1200 и поддерживаемые B560) имеют 20 линий ввода-вывода PCIe 4.0, не имеют USB и SATA портов. При этом взаимодействие с B560 идет по особому каналу Digital Media Interface 3.0 (DMI 3.0). Все PCIe линии процессора идут на слоты расширения PCIe и порт М.2. Serial Peripheral Interface (SPI) используется для взаимодействия с системой UEFI/BIOS и для связи с устройствами ввода/вывода, не требующими высокой пропускной способности (контроллерами вентиляторов, TPM, старой периферии). Процессоры Intel Core 10-го поколения (совместимые с сокетом LGA1200) имеют 16 линий ввода-вывода PCIe 3.0, которые идут только на слоты расширения PCIe.
В свою очередь чипсет B560 поддерживает в сумме 24 линий ввода/вывода, которые распределяться могут так:
- до 12 портов USB (из которых до 2 портов USB 3.2 Gen2х2, 4 портов USB 3.2 Gen2, до 6 портов USB 3.2 Gen1, до 12 портов USB 2.0, линии USB 2.0 используются в том числе и для поддержки 3.2 портов, а каждый порт USB 3.2 Gen2х2 требует поддержки со стороны двух USB 3.2 Gen2);
- до 6 портов SATA 6Гбит/с;
- до 12 линий PCIe 3.0.
Понятно, что если всего 24 порта у B560, то все указанные выше порты должны укладываться в этот лимит, поэтому уже привычный дефицит линий PCIe может иметь место и в данном случае (но скорее всего, нет — ибо плата уровня «полупенденчика», то есть маленькая, а там, как обычно, ассортимент периферии резко снижен).
Еще раз надо напомнить, что MSI MPG B560I Gaming Edge WiFi поддерживает процессоры Intel Core 10-го и 11-го поколения, выполненные под разъем (сокет) LGA1200. Система крепления систем охлаждения для CPU точно такая же, как и для LGA1151.
Для установки модулей памяти на плате MSI имеется два DIMM-слота. Плата поддерживает небуферизованную память DDR4 (non-EСС), а максимальный объем памяти составляет 64 ГБ (при использовании UDIMM последнего поколения по 32 ГБ). Разумеется, поддерживаются профили XMP.
Слоты DIMM не имеют металлической окантовки, которая препятствует деформации слотов и печатной платы при установке модулей памяти и защищает от электромагнитных помех, и которая обычно всегда является составной частью флагманского набора у материнских плат.
Периферийная функциональность: PCIe, SATA, разные «фенечки»
Выше мы изучили потенциальные возможности тандема B560+Core, а теперь посмотрим, что из этого и как реализовано в данной материнской плате.

Кроме USB-портов, к которым мы подойдем позже, чипсет B560 обладает 12 PCIe линиями (плюс 6 SATA). Считаем, сколько линий уходит на поддержку (связь) с тем или иным элементом:
- Переключатель: если CPU 11-го поколения, то слот M.2_1 (4 линии) получает данные от CPU, если CPU 10-го поколения, то слот M.2_1 (4 линии) получает данные от B560: максимум 4 линии;
- Слот M.2_2 (4 линии);
- Realtek RTL8125BG (Ethernet 2,5Gb/s) (1 линия);
- Intel AX210NGW WIFI/BT (Wireless) (1 линия);
- 4 порта SATA_1,2,3,4 (4 линии)
14 линий PCIe оказались занятыми. В чипсете B560 связь с аудиокодеками идет через USB-порт. Также один USB 2.0 расходуется на поддержку BT, а также контроллер GL850G для своих нужд использует сигнальные линии USB 2.0 Детально об этом ниже в разделе USB-портов.
Теперь посмотрим выше на то, как работают процессоры в данной конфигурации. У CPU 11-го поколения всего 20 линий PCIe, 4 из них отведены на порт М.2. У CPU 10-го поколения всего 16 линий (нет выделения линий на М.2 порт). Оставшиеся 16 линий идут на слот PCIe x16, который на плате всего один.
Как видим, перераспределение линий PCIe у этой материнки имеется (для переключения порта М.2_1 на CPU/B560), поэтому востребованы мультиплексоры PI3DBS16 от Diodes Inc. (ex Pericom).
Слот PCIex16 имеет металлическое армирование из нержавеющей стали, которое увеличивает их надежность (что может быть важным в случае довольно частой смены видеокарт, но что более важно: такой слот легче выдержит нагрузку на изгиб в случае установки очень тяжелой видеокарты топового уровня (особенно в свете вышеприведенных фотографий, когда видеокарта по массивности и размерам сильно доминирует над такой крохотной материнкой). Кроме того, такая защита предохраняет слоты от электромагнитных помех.
В силу компактных размеров матплаты далеко не любая СО сможет легко встать на нее, особенно с учетом очень близкого расположения слотов для памяти к процессорному сокету.
На очереди — накопители.
Всего у платы 4 разъема Serial ATA 6 Гбит/с + 2 слота для накопителей в форм-факторе M.2. Все порты SATA реализованы через чипсет B560 и поддерживают создание RAID.
Теперь про M.2. Материнская плата имеет 2 гнезда такого форм-фактора. Слот М.2_1 расположен на лицевой стороне матплаты, может получать данные как от процессора (в случае 11го поколения), так и от чипсета B560 (в случае 10го поколения). М.2_1 поддерживает модули только с интерфейсом PCIe 4.0/3.0 и размером 2280.
Второй слот M.2_2 расположен на оборотной стороне материнки и получает данные от чипсета B560 и поддерживает модули с любым интерфейсом и размером 2280. Его также можно использовать для Intel Optane Memory.
Верхний M.2_1 обладает отдельным радиатором, когда слот M.2_2 без охлаждения.
Периферийная функциональность: USB-порты, сетевые интерфейсы, ввод-вывод
Теперь на очереди USB-порты и прочие вводы-выводы. И начнем с задней панели, куда выведены большинство из них.
Повторим: чипсет B560 способен реализовать не более 12 портов USB, из которых может быть до 6 портов USB 3.2 Gen1, до 4 портов USB 3.2 Gen2, до 2 портов USB 3.2 Gen2x2, и/или до 12 портов USB 2.0.
Также мы помним и про 12+4 линии PCIe, которые идут на поддержку накопителей, сетевых и иных контроллеров (я выше уже показал на что и как расходуются 14 линий).
И что мы имеем? Всего на материнской плате — 11 портов USB:
- 2 порта USB 3.2 Gen2: все реализованы через B560 и представлены на задней панели портами Type-A (красного цвета) и Type-C; еще ;
- 3 порта USB 3.2 Gen1: все реализованы через B560 и 1 представлен внутренним портом Type-C (для подключения к соответствующему разъему на передней панели корпуса), еще 2 представлены внутренним разъемом на материнской плате на 2 порта;
- 6 портов USB 2.0/1.1: 2 реализованы через контроллер Genesys Logic GL850G (на него потрачена 1 линия USB 2.0) и представлены внутренним разъемом на 2 порта, еще 4 реализованы через B560 и представлены на задней панели портами Type-A (черного цвета).
Таким образом, у нас 3 контроллера используют USB линии:
- Genesys Logic GL850G (2 USB 2.0 через 1 внутренний разъем) (1 линия USB 2.0);
- Audio (1 линия USB 2.0);
- Bluetooth (AX210) (1 линия USB 2.0).
Итак, через чипсет B560 реализовано высокоскоростных портов USB:
- 2 выделенных USB 3.2 Gen2;
- 3 выделенных USB 3.2 Gen1
= 5 высокоскоростных портов. Не забываем, что каждый высокоскоростной порт USB обеспечен портом USB 2.0, то есть уже 5 портов USB 2.0 также занято. Плюс 3 порта USB 2.0 на обеспечение контроллеров и 4 выделенных порта. Всего 12 USB портов реализовано.
Ну и 14 линий PCIe, выделенных на поддержку иной периферии.
Итого у B560 в данном случае реализовано 19 (14 + 5) высокоскоростных портов из 24.
Все быстрые USB порты Type-C оснащены ре-драйверами, дающими устойчивый вольтаж, способный обеспечить быструю зарядку мобильных гаджетов через них.
Теперь о сетевых делах.
Материнская плата оснащена средствами связи очень хорошо. Имеется скоростной Ethernet-контроллер Realtek RTL8125B, способный работать по стандарту 2,5 Гбит/с.
Имеется и комплексный беспроводной адаптер на контроллере Intel AX-210NGW, через который реализованы Wi-Fi 6E (802.11a/b/g/n/ac/ax) и Bluetooth 5.2. Он установлен в слот M.2 (E-key), и его разъемы для привинчивания выносных антенн выведены на заднюю панель.
Заглушка, традиционно надеваемая на заднюю панель, в данном случае уже надета, и изнутри экранирована для снижения электромагнитных помех.
Теперь про блок ввода-вывода, разъемы для подключения вентиляторов и т. п. Разъемов для подключения вентиляторов и помп на самой плате — 3. Через ПО или BIOS контролируются все гнезда для подключения воздушных вентиляторов или помп: они могут управляться как через ШИМ, так и банальным изменением напряжения/тока. Расположены все у верхней кромки матплаты.
За мониторинг состояния платы отвечает, а также контролирует работу всех гнезд СО (а также в целом Multi I/O) контроллер Nuvoton NCT6687D.
Поскольку процессоры Intel могут иметь интегрированную графику, то плата имеет два гнезда вывода:
- HDMI 2.0b, однако если графика в 11м поколении процессоров Intel основана на новой архитектуре и имеет встроенную поддержку версии HDMI 2.0b, то в 10м поколении — интегрирована поддержка лишь версии 1.4. Поэтому для конвертации (усиления, так сказать) версии до 2.0b имеется особый контроллер IT66318 (ITE).
- DisplayPort 1.4
Аудиоподсистема
Данная аудиоподсистема мало чем отличается от традиционных. В данном случае звуком заведует аудиокодек Realtek ALC897. Формально он обеспечивает вывод звука по схемам до 7.1 (есть ряд ограничений). Но в данном случае вывод ограничен схемой 5.1.
Ни ЦАП, ни операционного усилителя нет. В аудиоцепях платы применяются «аудиофильские» конденсаторы Nichicon Fine Gold.

Аудиотракт вынесен на угловую часть платы, не пересекается с другими элементами. Все аудиоразъемы на задней панели имеют привычную цветовую окраску разъемов.
Питание, охлаждение
Для питания платы на ней предусмотрены 2 разъема: в дополнение к 24-контактному ATX (он на правой стороне платы (на фото — слева) здесь есть еще 8-контактный EPS12V.
Схема питания процессора выполнена по схеме 6+2+1 (6 на VCore, 2 на VCCSA и 1 на iGPU).
Каждый канал фазы имеет суперферритовый дроссель и FDMF3035 MOSFET от On Semi на 50 А для VCore и встроенного графического ядра.
Управляет схемой ШИМ-контроллер Richtek RT3609, рассчитанный максимум на 8 фаз.
Учитывая, что удвоителей (даблеров) фаз на плате замечено не было, то уже можно подумать о параллельном использовании фаз. Так что фактическая схема питания процессора: 3х2 (для VCore)+1 (для iGPU) +2 (для VCCSA). То есть фактически ШИМ-контроллер управляет шестью фазами питания.
А питание VCCIO имеет свою двухфазную схему. Что касается модулей оперативной памяти, то здесь реализована однофазная схема.
Теперь про охлаждение.
Все потенциально сильно греющиеся элементы имеют свои собственные радиаторы.
Понятно, что для материнки такого уровня не требуется сверхмощная СО, достаточно того, что VRM-секция имеет свои два радиатора (один из которых образует кожух над задним блоком портов ввода-вывод). А охлаждение чипсета (один маленький радиатор) организовано отдельно от силовых преобразователей. Кстати, слот М.2_1 расположен именно над этим радиатором, поэтому в последнем даже сделано углубление.
Как я уже упоминал ранее, только один слот М.2 (М.2_1) имеет радиатор.
Подсветка
Программное обеспечение под Windows
Настройки BIOS
Работоспособность (и разгон)
Запускаем все в режиме по умолчанию. Затем нагружаем тестами.
Забавно, что без стрессовой нагрузки по умолчанию выставлялось аж 5,1 ГГц по всем ядрам процессора! Но как только включил нагрузку, тут же частоты упали до 3,8 ГГц. Понятно, что система питания просто не рассчитана на высокие частоты работы такого топового CPU (мы помним, что все эти умные система авторазгона от Intel или AMD тщательно исследуют систему питания перед тем, как задать планки поднятия частот). Полагаю, что комментарии излишни. Все параметры работы матплаты по нагреву были в норме.
У MSI Center есть опции задания повышенной производительности CPU, попробуем включить.
По сути ничего не меняется. Да, конечно же, можно полазить по настройкам BIOS и выставить повышенные частоты и вольтажи вручную. Но кто это будет и зачем на такой материнке? — Понятно же, что она для иных целей: чтобы просто стабильно и без проблем с нагревом работала в ПК малых объемов (типа баребонов).
Выводы
MSI MPG B560I Gaming Edge WiFi — отличный вариант материнской платы для системного блока очень небольших размеров с поддержкой современных процессоров Intel 11-го поколения.
Плата предлагает 11 портов USB разных видов (включая 2 очень быстрых USB 3.2 Gen2), слот PCIe х16 для видеокарты с поддержкой PCIe 4.0 (в случае использования процессоров 11-го поколения), 2 слота M.2 (один из них может быть подключен напрямую к процессору линиями PCIe 4.0, но даже если установить в плату процессор 10-го поколения, то слот М.2 все равно функционирует), 4 порта SATA, 3 разъема для вентиляторов. Система питания процессора достаточно мощная даже для работы таких процессоров, как Core i9-11900К. Сетевые возможности хорошие: быстрый проводной контроллер 2,5 Гбит/с и один самый современный беспроводной. Есть возможность подключить дополнительные RGB-устройства подсветки.
Также выделим качество изготовления платы и приятный дизайн. Обязательно нужно отметить и бонусы поставки: универсальную компактную щетку и набор отверток.
В номинации «Отличная поставка» плата MSI MPG B560I Gaming Edge WiFi получила награду:

Благодарим компанию MSI Russia
и лично Алексея Рыбакова
за предоставленную на тестирование плату
Особо благодарим компанию Super Flower
за предоставление блока питания Super Flower Leadex Platinum 2000W


































































