Начнем со ссылок. Вот здесь можно посмотреть результаты Core 10900K/10600K, а также по Core i7-10700K. Хотя в данном случае наверно более актуальным будет Core i5-10400.
Наконец-то появилась возможность «пощупать» материнскую плату не флагманского уровня (хоть и игровой серии) и не на флагманском чипсете. Правда, к сожалению, в условиях жесточайшего временного цейтнота из-за обилия новых видеокарт (в начальном ролике имеется). Но тем не менее, это наш первый обзор материнской платы на Intel B460.
Вначале стоит напомнить, что у MSI есть три основные линейки геймерских материнских плат: MEG (MSI Enthusiast Gaming) — тут собраны все флагманские продукты; MPG (MSI Performance Gaming) — здесь тоже весьма дорогие материнские платы с обилием фишек для геймеров, но без супер-наворотов; MAG (MSI Arsenal Gaming) — здесь у материнских плат меньше фишек, упрощена периферия, и сделан упор на надежность, ибо в этой серии используются некоторые комплектующие, обычно применяемые в оборонном производстве. В этой серии нет подсветок и прочих кнопок или переключателей для облегчения оверклокинга, просто надежность и долговечность работы на штатных параметрах.
И вот как раз из серии MAG плата к нам и попала. Что само по себе уже неудивительно, ибо B460 не только имеет более скромный набор PCIe — линий и прочей периферии, но и очень плохо относится к оверклокингу, а как раз серия MAG — именно для тех, кому копаться в настройках по разгону не требуется, просто поставил и включил. Итак перед нами MSI MAG B460 Tomahawk .
MSI MAG B460 Tomahawk поставляется в стандартной коробке с фирменным дизайном серии MAG с подчеркиванием некоторого упора MAG в очень надежную комплектуху. Внутри этой коробки есть традиционные отсеки: для самой материнской платы и остального комплекта.
В комплекте поставки, кроме традиционных элементов типа руководства пользователя и кабелей SATA (что уже много лет является обязательным набором ко всем материнкам), винтики для монтажа модулей M.2, накопитель с ПО, бонусные стикеры и наклейки.
ПО поставляется на CD (совершенно глупо в 2020 году). Впрочем, не стоит забывать, что программное обеспечение за время путешествия платы к покупателю успевает устареть, так что придется его загружать с сайта производителя сразу после покупки.
Стоит отметить, что «заглушка» на заднюю панель с разъемами уже смонтирована на самой плате.
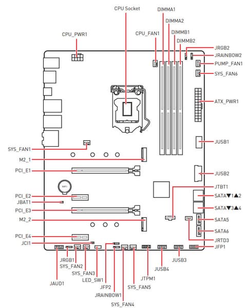
Форм-фактор
Форм-фактор ATX имеет размеры до 305×244 мм, а E-ATX — до 305×330 мм. Материнская плата MSI MAG B460 Tomahawk имеет размеры 305×244 мм, поэтому выполнена в форм-факторе ATX, и на ней имеются 9 монтажных отверстий для установки в корпус. Печатная плата имеет 6 слоев.
На оборотной стороне элементы имеются даблеры фаз питания и другая мелкая логика. Обработан текстолит неплохо: во всех точках пайки острые концы срезаны. И имеются уже, так сказать, фирменные отметки белого цвета на месте потенциального нахождения лишних крепежных стоек в корпусе, так что даже если вы забудете их снять, никакой трагедии с электрозамыканием не произойдет: в этих местах на печатной плате специально сделаны зоны без контактов/точек пайки.
Технические характеристики
Традиционная таблица с перечнем функциональных особенностей.
| Поддерживаемые процессоры | Intel Core 10-го поколения |
|---|---|
| Процессорный разъем | LGA 1200 |
| Чипсет | Intel B460 |
| Память | 4 × DDR4, до 128 ГБ, до DDR4-2666 (i5), DDR4-2933(i7/i9), два канала |
| Аудиоподсистема | 1 × Realtek ALC1200 (7.1) |
| Сетевые контроллеры | 1 × Realtek RTL8125B (Ethernet 2,5 Гбит/с) 1 × Intel WGI219V (Ethernet 1,0 Гбит/с) |
| Слоты расширения | 2 × PCI Express 3.0 x16 (режимы x16, x4) 2 × PCI Express 3.0 x1 |
| Разъемы для накопителей | 6 × SATA 6 Гбит/с (B460) 1 × M.2 (B460, PCIe 3.0 x4/SATA для устройств формата 2242/2260/2280/22110) 1 × M.2 (B460, PCIe 3.0 x4 для устройств формата 2242/2260/2280) |
| USB-порты | 4 × USB 2.0: 2 внутренних разъема на 4 порта (Genesys Logic GL850G) 2 × USB 2.0: 2 порта Type-A (черные) на задней панели (B460) 4 × USB 3.2 Gen1: 4 порта Type-A (синие) на задней панели (B460) 2 × USB 3.2 Gen1: 1 внутренний разъем на 2 порта (B460) 1 × USB 3.2 Gen1: 1 внутренний разъем Type-C (B460) 1 × USB 3.2 Gen2х2: 1 порт Type-C на задней панели (ASMedia ASM3241) |
| Разъемы на задней панели | 1 × USB 3.2 Gen2x2 (Type-C) 4 × USB 3.2 Gen1 (Type-A) 2 × USB 2.0 (Type-A) 2 × RJ-45 5 аудиоразъемов типа миниджек 1 × S/PDIF (оптический, выход) 1 × PS/2 комбинированный разъем 1 x HDMI 1.4 1 x DisplayPort 1.2 |
| Прочие внутренние элементы | 24-контактный разъем питания ATX 1 8-контактный разъем питания EPS12V 1 разъем для подключения порта USB 3.2 Gen1 Type-C 1 разъем для подключения 2 портов USB 3.2 Gen1 2 разъема для подключения 4 портов USB 2.0 8 разъемов для подключения 4-контактных вентиляторов и помп ЖСО 2 разъема для подключения неадресуемой RGB-ленты 2 разъема для подключения адресуемой ARGB-ленты 1 разъем аудио для передней панели корпуса 2 разъема для подключения контроллера Intel Thunderbolt3 1 разъем TPM 2 разъема для подключения управления с передней панели корпуса 1 разъем сброса CMOS 1 переключатель световой индикации |
| Форм-фактор | ATX (305×244 мм) |
| Розничные предложения |
Основная функциональность: чипсет, процессор, память
То, что данная плата относится к среднебюджетным (даже наверно к малобюджетным) продуктам, это видно сразу по набору периферии.


Схема работы связки чипсет+процессор.
Формально имеется поддержка памяти до 2933 МГц, однако это касается только процессоров серий i7/i9, когда как i5 будут довольствоваться максимум частоты памяти в 2666 МГц (даже если установят намного более быструю — BIOS ограничит ее частоту указанным лимитом).
Процессоры Intel Core 10-го поколения (совместимые с сокетом LGA1200 и поддерживаемые B460) имеют 16 линий ввода-вывода (включая PCIe 3.0), не имеют USB и SATA портов. При этом взаимодействие с B460 идет по особому каналу Digital Media Interface 3.0 (DMI 3.0), и линии PCIe на это не расходуются. Все PCIe линии процессора идут на слоты расширения PCIe. Serial Peripheral Interface (SPI) используется для взаимодействия с системой UEFI/BIOS, а шина Low Pin Count (LPC) — для связи с устройствами ввода/вывода, не требующими высокой пропускной способности (контроллерами вентиляторов, TPM, старой периферии).
В свою очередь чипсет B460 поддерживает в сумме 24 линий ввода/вывода, которые распределяться могут так:
- до 12 портов USB (из которых до 8 портов USB 3.2 Gen1, до 12 портов USB 2.0, линии USB 2.0 используются в том числе и для поддержки 3.2, поддержки USB 3.2 Gen2 нет);
- до 6 портов SATA 6Гбит/с;
- до 16 линий PCIe 3.0 (в случае использования сетевого Ethernet контроллера от Intel, одна линия уйдет на него).
Понятно, что если всего 24 порта у B460, то все указанные выше порты/линии должны укладываться в этот лимит. Так что, скорее всего будет дефицит линий PCIe, и свободно конфигурируемых в какие-то дополнительные порты/слоты линий PCIe тут нет.
MSI MAG B460 Tomahawk поддерживает процессоры Intel Core 10-го поколения, выполненные под разъем (сокет) LGA1200. Система крепления систем охлаждения для CPU точно такая же, как и для LGA1151.
Для установки модулей памяти на плате MSI имеется четыре DIMM-слота (для работы памяти в Dual Channel в случае использования всего 2 модулей их следует устанавливать в А2 и B2. Плата поддерживает небуферизованную память DDR4 (non-EСС), а максимальный объем памяти составляет 128 ГБ (при использовании UDIMM последнего поколения по 32 ГБ).
Слоты DIMM не имеют металлической окантовки, которая препятствует деформации слотов и печатной платы при установке модулей памяти и защищает от электромагнитных помех, и которая обычно всегда является составной частью набора только у флагманских материнских плат
Периферийная функциональность: PCIe, SATA, разные «прибамбасы»
Выше мы изучили потенциальные возможности тандема B460+Core, а теперь посмотрим, что из этого и как реализовано в данной материнской плате.
Итак, кроме USB-портов, к которым мы подойдем позже, чипсет B460 обладает 16 PCIe линиями. Считаем, сколько линий уходит на поддержку (связь) с тем или иным элементом (надо учитывать, что из-за дефицита PCIe линий некоторые элементы периферии делят их, и потому использовать одновременно нельзя: для этих целей у материнской платы существуют мультиплексоры):
- Переключатель: или порты SATA_1 (1 линия), или слот M.2_1 (4 линии): максимум 4 линии;
- Переключатель: или слот PCIe x16_2 (4 линии), или слот M.2_2 (4 линии): максимум 4 линии;
- Переключатель: или слот PCIe x1_1 (1 линия), или слот PCIe x1_2 (1 линия): максимум 1 линия;
- Realtek RTL8125B (Ethernet 2,5 Gb/s) (1 линия);
- Intel WGI219V (Ethernet 1,0 Gb/s) (1 линия);
- 5 портов SATA_2,3,4,5,6 (5 линий)
Как видим, 16 линии PCIe оказались занятыми. В чипсете B460 имеется контроллер High Definition Audio (HDA), связь с аудиокодеком идет путем эмуляции PCI шины.
Некоторые контроллеры связаны с хабом через USB 2.0 каналы.
- Genesys Logic GL850G (4 USB 2.0: два внутренних разъема) (1 линия USB 2.0);
- ASMedia ASM3241 (1 USB 3.2 Gen2х2) (2 линии USB 2.0);
Детально коснемся этого в разделе по USB.
Теперь посмотрим выше на то, как работают процессоры в данной конфигурации. У всех CPU этого плана всего 16 линий PCIe. И в данном случае делить их не требуется: у платы только один слот PCIe x16_1, подключенный к CPU. Вариантов использования PCIe-слотов (включая те, что «питаются» от чипсета) немного:
- Слот PCIe x16_1 имеет 16 линий (слот PCIe x16_2 работает в режиме х4 самостоятельно, в системе всего одна видеокарта);
- Слот PCIe x16_1 имеет 16 линий, слот PCIe x16_2 имеет 4 линии (две видеокарты, режим AMD CrossFire).
Переходим к PCIe слотам. Про те, которые «кормит» не чипсет B460, а процессор, я уже выше сказал.
Всего на плате есть 4 слота PCIe: два «длинных» PCIe x16 (для видеокарт или других устройств) и два «коротких» PCIe x1. Если про первый PCIe x16_1 я выше уже рассказал (он подключен к CPU), то второй PCIe x16_2 (по общему счету — третий, имеющий всего 4 линии PCIe) подключен к B460 и делит ресурсы с портом M.2_2.
Только первый слот PCIe x16 имеет металлическое армирование из нержавеющей стали, которое увеличивает их надежность (что может быть важным в случае довольно частой смены видеокарт, но что более важно: такой слот легче выдержит нагрузку на изгиб в случае установки очень тяжелой видеокарты топового уровня). Кроме того, такая защита предохраняет слоты от электромагнитных помех.
Расположение PCIe слотов позволяет легко смонтировать СО любого уровня и класса.
На очереди — накопители.
Всего у платы 6 разъемов Serial ATA 6 Гбит/с + 2 слота для накопителей в форм-факторе M.2. Все порты SATA реализованы через чипсет B460 и поддерживают создание RAID. Из них два SATA_4/5 расположены в вертикальной ориентации.
Напомню, что порт SATA_1 делит ресурсы с портом M.2_1, а в свою очередь порт М.2_2 делит ресурсы со слотом PCIe_16_2, поэтому имеются мультиплексоры F75480BN от TE Connectivity Ltd.
Теперь про M.2. Материнская плата имеет 2 гнезда такого форм-фактора.


M.2_1 поддерживает модули с любым интерфейсом, а M.2_2 — только с PCIe интерфейсом, оба получают данные от чипсета B460, также на них можно организовать RAID силами B460 и использовать для Intel Optane Memory. При этом самый длинный модуль 22110 можно установить только в М.2_1, а М.2_2 поддерживает до 2280.
Поскольку количество HSIO линий у B460 ограничено 24, то приходится делить ресурсы, о чем я выше уже говорил, рассматривая PCIe слоты. В частности, повторю, что M.2_2 слот выключает PCIe x16_2, и наоборот. Если в слот M.2_1 вставлен накопитель, то это автоматом отключит порт SATA_1 (ну и наоборот).
Только M.2_1 слот на матплате имеет радиатор, который не связаны с какими-то иными устройствами охлаждения на данной плате.
Расскажем и о других «прибамбасах» на плате. Их у данной платы мало, как и, собственно, ожидалось.
Никаких «финтифлюшек» для оверклокеров нет, да и быть не может. Ну разве что есть перемычка сброса CMOS.


У платы есть световые индикаторы, сообщающие о проблемах с тем или иным компонентом системы.
Если после включения компьютера к моменту перехода на загрузку ОС все индикаторы погасли, то проблем нет. Кого все эти световые индикаторы раздражают, тот может их выключить единым щелчком.

Продолжая разговор о световых штучках, надо упомянуть и возможности материнской платы по подключению RGB-подсветки. Имеется 4 разъема для подключения любых устройств этого плана: 2 разъема для подключения адресуемых (5 B 3 A, до 15 Вт) ARGB-лент/устройств, 2 разъема неадресуемых (12 В 3 А, до 36 Вт) RGB-лент/устройств. Разъемы объединены в пары, разнесенные на противоположные края платы.
Схемы подключения стандартны для всех материнских плат, поддерживающих подсветку:


Контроль по синхронизации работы подсветки возложен на контроллер NUC126 от Nuvoton. Частично на него возложены и функции мониторинга.
Конечно, есть и традиционный набор штырьков FPanel для подключения проводов к передней (а сейчас уже часто и верхней или боковой или все это сразу) панели корпуса.

Для размещения прошивки UEFI/BIOS использована микросхема MXIC MX25L25673GM2I от Macronix.
Для подключения внешних контроллеров Intel Thunderbolt3 имеется свой набор гнезд.

Ну и наверно последний «прибамбас» — это разъем TPM для подключения разных систем безопасности.


Периферийная функциональность: USB-порты, сетевые интерфейсы, ввод-вывод
Продолжаем рассматривать периферию. Теперь на очереди USB-порты. И начнем с задней панели, куда выведены большинство из них.
Повторим: чипсет B460 способен реализовать не более 12 портов USB, из которых может быть до 8 портов USB 3.2 Gen1 и/или до 12 портов USB 2.0. Встроенной поддержки USB 3.2 Gen2 нет.
Также мы помним и про 16 линий PCIe, которые идут на поддержку накопителей, сетевых и иных контроллеров (я выше уже показал на что и как расходуются все 16 линий из 16).
И что мы имеем? Всего на материнской плате — 14 портов USB:
- 1 порт USB 3.2 Gen2x2: реализован через ASMedia ASM3241 (на него потрачены 2 линии USB 2.0 от B460) и представлен портом Type-С на задней панели;
- 7 портов USB 3.2 Gen1: все реализованы через B460: 2 представлены внутренним разъемом на материнской плате на 2 порта; 1 представлен внутренним портом Type-C, еще 4 представлены портами Type-A на задней панели (синие);
- 6 портов USB 2.0/1.1: 4 реализованы через контроллер Genesys Logic GL850G (на него потрачена 1 линия USB 2.0 от B460) и представлены двумя внутренними разъемами (каждый на 2 порта); еще 2 реализованы через B460 и представлены портами Type-A на задней панели (черные).
Итак, через чипсет B460 реализовано 7 USB 3.2 Gen1 = 7 выделенных портов. Плюс 16 линий PCIe, выделенные на поддержку иной периферии. Итого у B460 реализовано 23 высокоскоростных порта из 24. Еще 2 порта USB 2.0 (через B460) не входят в состав HSIO (12 портов USB 2.0 у B460 имеются по умолчанию и служат для самостоятельной реализации, либо поддержки USB 3.2: в нашем случае — семи портов, а также мы помним, что GL850G задействует 1 USB 2.0 и ASM3241 — два USB 2.0, то есть из 12 USB 2.0 задействовано 12).
USB 3.2 Gen1 порт Type-C оснащен ре-драйвером NB7N от On Semiconductor
А два порта USB 3.2 Gen1, реализованные через внутренний разъем, имеют подобный ре-драйвер ASM1464 от ASMedia.
Теперь о сетевых делах.
Для своего ценового уровня материнская плата оснащена средствами связи неплохо. Имеется традиционный Ethernet-контроллер Intel WGI219V, способный работать на скоростях до 1,0 Гбит/с.
А также есть скоростной Ethernet-контроллер RTL8125B от Realtek, способный работать на скоростях до 2,5 Гбит/с.
Заглушка, традиционно надеваемая на заднюю панель, в данном случае уже надета, и изнутри экранирована для снижения электромагнитных помех.
Теперь про блок ввода-вывода, разъемы для подключения вентиляторов и т. п. Разъемов для подключения вентиляторов и помп — 8. Схема размещения коннекторов для систем охлаждения выглядит так:
Через ПО или BIOS контролируется все 8 гнезд для подключения воздушных вентиляторов или помп: могут управляться как через ШИМ, так и банальным изменением напряжения/тока.
За мониторинг платы отвечают два небольших контроллера от Nuvoton (включая вышеупомянутый NUC126). C ними связан Nuvoton NCT6687D, который контролирует работу всех гнезд СО, также в его ведении Multi I/O.
Разумеется, плата поддерживает использование интегрированной графики в процессорах класса Intel Core, и поэтому имеет два гнезда для вывода изображения: HDMI 1.4 и DP 1.2.
Аудиоподсистема
Данная аудиоподсистема мало чем отличается от традиционных. Мы знаем, что практически во всех современных материнских платах звуком заведует аудиокодек Realtek, в данном случае применен его чуть упрощенный вариант ALC1200. Он обеспечивает вывод звука по схемам до 7.1.
Понятно, что на бюджетной плате можно и не ждать как ЦАП с осциллятором, так и операционного усилителя нет. В аудиоцепях платы применяются «аудиофильские» конденсаторы Nichicon Fine Gold .
Аудиотракт вынесен на угловую часть платы, не пересекается с другими элементами, левый и правый каналы разведены по разным слоям печатной платы. Все аудиоразъемы на задней панели имеют похожее на позолоченное покрытие, но не сохранена привычная цветовая окраска разъемов (которая неплохо помогает подключать нужные штекеры без вглядывания в их наименование).
Понятно, что это стандартная аудиоподсистема, способная удовлетворить запросы большинства пользователей, не ожидающих от звука на материнской плате чудес.
Питание, охлаждение
Для питания платы на ней предусмотрены 2 разъема: в дополнение к 24-контактному ATX здесь есть еще один 8-контактный EPS12V.
Система питания для бюджетной платы весьма внушительная. Схема питания ядра выполнена по схеме 12+1+1 фаза.
Каждый канал фазы имеет суперферритовую катушку и 2 пары транзисторов SM4337NSKP и SM4503NHKP от Sinopower Semiconductor, рассчитанные на токи до 80А.
Управляет фазами ШИМ-контроллер RT3609BE от Richtek, однако он рассчитан максимум на 8 фаз.
Поэтому на плате есть удвоители (даблеры) фаз, расположенные с оборотной стороны.
Да, схема питания такова, что каждый сигнал от контроллера идет на 2 фазы VCore. Да и сами разработчики этого и не скрывают, и схема с удвоителями есть у них на сайте. Таким образом 12 фаз на VCore + 1 фаза VCCSA +1 фаза iGPU реализованы в 6+1+1 = 8.
Что касается модулей оперативной памяти, то здесь реализована однофазная схема. ШИМ-контроллер RT8125E от Richtek.
Теперь про охлаждение.
Все потенциально сильно греющиеся элементы имеют свои собственные радиаторы.
Как мы видим, охлаждение чипсета организовано отдельно от силовых преобразователей. VRM-секция имеет свои два радиатора, они не связаны.
Помните, я ранее говорил о том, что охлаждение модуля M.2_1 организовано отдельно от охлаждения чипсета и VRM.
Учитывая, что плата не поддерживает разгон (собственно, B460 это не поддерживает), система питания не нуждается в мощном охлаждении.
Подсветка
Топовые платы MSI (как и других производителей) обычно имеют красивую подсветку. Разумеется, платы более низких ценовых уровней имеют урезанные варианты, или полное отсутствие встроенной подсветки. И все же эта плата может похвастаться скромным сиянием чего-то там такого из-под чипсетного радиатора и не более того. А также мы помним, что есть 4 разъема для подключения внешней подсветки, и всем этим можно управлять через программу Dragon Center.
Ряд производителей моддинговых корпусов с уже вмонтированной подсветкой «сертифицируют» поддержку программ ведущих производителей материнских плат, включая MSI.
Программное обеспечение под Windows
Настройки BIOS
Работоспособность (и разгон)
Полная конфигурация тестовой системы:
- материнская плата MSI MAG B460 Tomahawk;
- процессор Intel Core i9-10400F 2,9—4,3 ГГц;
- оперативная память ThermalTake Tough-RAM UDIMM (R009D408GX2-4400C) 16 ГБ (2×8) DDR4 (XMP 4400 МГц);
- накопитель SSD Gigabyte Aorus Gen4 SSD 500 ГБ (GP-AG4500G);
- видеокарта Nvidia GeForce RTX 3070 Founders Edition;
- блок питания Super Flower Leadex Platinum 2000W (2000 Вт);
- ЖСО NZXT Kraken X72;
- телевизор LG 43UK6750 (43″ 4K HDR);
- клавиатура и мышь Logitech.
Программное обеспечение:
- операционная система Windows 10 Pro (v.2004), 64-битная
- AIDA 64 Extreme
- 3DMark Time Spy CPU benchmark
- 3DMark Fire Strike Physics benchmark
- 3DMark Night Raid CPU benchmark
- HWInfo64
- OCCT v.6.3.0
- Adobe Premiere CS 2019 (рендеринг видеоролика)
Запускаем все в режиме по умолчанию.
Несмотря на отсутствие поддержки оверклокинга, все же Intel Turbo Boost никто не отменял (правда данным процессором, как и B460 поддерживается только до TB 2.0). Поэтому мы видим, что TB сразу поднял частоты всех ядер до 3,9 — 4,0 ГГц (частоты менялись по ядрам). При этом все параметры работы держались в норме, все вышеуказанные тесты прошли без проблем. Несмотря на наличие очень быстрой оперативной памяти, поднять ее частоту выше 2666 МГц оказалось невозможным (ну просто полное соответствие спецификациям B460). Нагрев блока VRM и чипсета B460 не превышал 40-50 °C, необычных явлений не замечено. Максимальное потребление процессором достигло величины в 57 Вт.
Пытался менять разные настройки в BIOS: ни к каким изменениям это не привело: настройки разгона сбрасывались и оставались в рамках, диктуемых Intel Tubro Boost 2.0.
По традиции использовал фирменную утилиту Dragon Center для получения более высоких результатов, выставив там режим экстремальной производительности.
И тут никакой разницы не случилось. Так что уже на практике убедились, что данная материнка — для тех, кому разгоны всякие неинтересны, да и процессор нужен по-дешевле, но чтобы все же 6 ядер и 12 потоков было. Вот такой вариант, как у нас, и подойдет.
Выводы
MSI MAG B460 Tomahawk — плата младшей игровой серии MAG, рассчитанной на простых геймеров, которым не требуется разгон и расширенные периферийные возможности и «излишества» флагманских моделей. Она стоит около 10 тысяч рублей, и для своей цены хороша по многим параметрам.
Плата предлагает 14 портов USB разных видов (включая один USB 3.2 Gen2×2 (20 Гбит/с) и 7 USB 3.2 Gen1 (5 Гбит/с), 2 слота PCIe х16 (первый получает 16 линий PCIe от процессора, а второй работает только в режиме х4), 2 слота M.2, 6 портов SATA. Разгон не предусмотрен, но это определяется самим чипсетом Intel B460. Система питания способна обеспечить работу любых совместимых процессоров для нового сокета LGA1200. Плата имеет стильный дизайн с минимальной подсветкой, а также возможность подключения дополнительных RGB-устройств. Система охлаждения на силовых элементах VRM несложная, но добротная, она дополнена 8 разъемами для подключения вентиляторов и помп, а также радиатором для накопителя в одном слоте M.2. Также стоит упомянуть наличие двух проводных контроллеров Ethernet, один из которых — 2,5-гигабитный.
В номинации «Оригинальный дизайн» плата MSI MAG B460 Tomahawk получила награду:

Благодарим компанию MSI Russia
и лично Лизу Чень
за предоставленную на тестирование плату
Также благодарим компанию Gigabyte Russia
и лично Евгения Лесикова
за предоставление Gigabyte Aorus Gen4 SSD 500G для тестового стенда
Особо благодарим компанию Super Flower
за предоставление блока питания Super Flower Leadex Platinum 2000W


































































