Совсем недавно компания AMD выпустила совершенно новое поколение процессоров 7-го поколения (хотя правильнее называть семейство 7ххх, ибо порядковые номера поколений CPU от AMD давно уже сбиты усердиями маркетологов, т.к., даже Ryzen 1xxx – это уже поколение не первого десятка, если считать с первых процессоров архитектурного семейства х86, основанные на лицензии от Intel, ведь даже когда AMD подошла к первому выпуску Ryzen на архитектуре Zen, это уже было 13-м или даже 14-м поколением в целом).
Моя задача – показать, как устроена та или иная материнская плата, на что способна ее система питания, с каким комплектом физических «штучек», а также программных средств она попадает к потребителю. Поэтому вопрос о том – что собой представляют новые процессоры Ryzen 7xxx оставляем нашему автору Алексею, от которого в ноябре ждем детальные обзоры самих CPU (прежде всего Ryzen 9 7950X), а в этом материале я поделюсь своими впечатлениями, когда впервые взял в руки данный уникальный процессор.
Впервые за много лет даже внешний облик процессора от AMD претерпел сильные изменения. Компания Intel перешла на вид упаковки «без ножек» (заставив производителей материнских плат также перейти на более сложный разъем (сокет) LGA с контактными «ножками»). Впервые это случилось в 2004 году, когда Intel отказалась от упаковки своих процессоров в формате FC-PGA, однако не потому, что компании захотелось «избавиться от ножек» на процессорах, перенеся очень уязвимую составляющую тандема процессор+разъем на материнские платы, а из-за увеличения у процессоров количества выводов, роста потребляемых токов и уменьшения расстояния между штырьками, что вызывало паразитные наводки и емкости между ножками. Подпружиненные контакты на разъемах формата LGA на матплатах лишены данных недостатков, хотя на производителей материнских плат легло бремя по установке намного более дорогих сокетов, а также вырос риск их повреждения неопытными пользователями.
До последнего времени CPU от AMD были просто оплотами формата FC-PGA, когда процессоры имели штырьки, а сокеты на матплатах были относительно простыми, имея лишь смещаемый зажим для закрепления процессора в разъеме, который в целом весьма слаб (уже имеется масса примеров, когда при снятии процессорного охладителя (или помпы ЖСО) из-за термопасты, дающей эффект склеивания процессора с кулером, вместе с последним вытаскивался и процессор из сокета, например, AM4). И вот только в конце 2022 года, наконец-то мы увидели LGA-формат и у CPU от AMD, когда у процессора лишь контактные площадки, а сокет под него стал очень сложным, с массой подпружиненных контактов (аж 1718!) и двойной рамкой, обеспечивающей надежный прижим процессора к ним. При этом крышка процессора приобрела фигурные очертания.
Это не блажь дизайнеров, желавших сделать «цветок» из IHS (теплораспределительной крышки) процессора, а требования инженеров, желавших оставить ряд электрических компонентов SMD за пределами крышки, чтобы не подвергать их высоким температурам. А разместить их внизу чипа уже не получится из-за LGA-формата. Однако такая вот фигурная крышка вынуждает нас уже более ювелирно подходить к процессу накладывания термопасты на такой CPU, ибо просто «жмякнуть» большую каплю в центр крышки (чтобы потом она сама размазалась под давлением кулера) – не получится, излишки просто съедут по бокам крышки, оставив поверхность выступов без пасты.
Так что, теперь надо аккуратно, как будто намазываете масло на хлеб (а еще лучше какой-нибудь вкусный крем -)...И после снятия радиатора или помпы мы увидим, что вся поверхность крышки работала на охлаждение (правда без скатывания пасты в одном месте обойтись не удалось -).
Итак, с новым форм-фактором процессора разобрались, возвращаемся к предмету нынешнего тестирования и к компании Gigabyte, чей продукт у нас на рассмотрении.
В очередной надо напомнить, что у Gigabyte кроме собственного бренда есть суббренд Aorus, в который компания относит все самые навороченные и флагманские продукты. Вот наша сегодняшняя плата относится к этой серии — Gigabyte X670E Aorus Xtreme, базируемая на AMD X670E (чем X670E отличается от X670 – рассмотрим ниже).
Поехали.
Gigabyte X670E Aorus Xtreme поставляется в традиционной для Aorus очень толстой коробке из жесткого картона с фирменным орлиным дизайном серии. Комплект размещен под платой в отдельных отсеках.
Комплект поставки для флагманского продукта в целом неплох, однако сразу видно, что стал намного скромнее относительно прежних решений из серии Xtreme, Тем не менее, кроме традиционных элементов типа руководства пользователя и кабелей SATA, имеются две антенны встроенного Wi-Fi/BT-модуля, винтики для М.2 слотов, адаптеры для подключения подсветок, фирменный G-connector для передней панели), ЦАП USB ESSential HiFi, два термодатчика, накопитель типа «флешки» и бонусные стяжки.
В целом относительно решений прошлых лет с суффиксом Xtreme – скромно. Однако все же имеется очень впечатляющее дополнение — это USB аудио-адаптер ESSential HiFi, который обладает собственным кодеком, его можно подключить как к ПК, так и к мобильному устройству. Подробнее в разделе Аудио.


ПО поставляется на накопителе типа USB-flash-drive, впрочем за время путешествия платы к покупателю оно все равно успевает устареть, так что придется его обновлять с сайта производителя сразу после покупки.
«Заглушка» на заднюю панель с разъемами уже смонтирована на самой плате.
Форм-фактор
Форм-фактор ATX имеет размеры до 305×244 мм, а E-ATX — до 305×330 мм. Материнская плата Gigabyte X670E Aorus Xtreme имеет размеры 305×270 мм, поэтому выполнена в форм-факторе E-ATX, и на ней имеются 9 монтажных отверстий для установки в корпус. Однако следует иметь в виду, что два из девяти монтажных отверстий перекрыты радиатором для слота M.2 (M2A_CPU).
На оборотной стороне расположена некоторая логика. Текстолит обработан хорошо: во всех точках пайки не только острые концы срезаны, но и все неплохо отшлифовано. На задней стороне установлена пластина из алюминия с наноуглеродным покрытием. Она пластина помогает отводить тепло от задней стороны PCB через термоинтерфейс и обеспечивает жесткость материнской платы. И я еще раз заострю внимание на том, что такую матплату вряд ли получится установить в корпусе, где в качестве опор для материнских плат используются не привычные всем латунные втулки, а выпрессованные возвышения, которые (по опыту) много шире, нежели выемки в задней пластине у материнки.
Материнская плата весит прилично – 2.3 кг (это нетто, просто сама плата):
А с полным комплектом вообще под 4 кг.
Технические характеристики
Традиционная таблица с перечнем функциональных особенностей.
| Поддерживаемые процессоры | AMD Ryzen 7xxx под AM5 |
|---|---|
| Процессорный разъем | AM5 |
| Чипсет | AMD X670E |
| Память | 4 × DDR5, до 128 ГБ, до DDR5-6666 (XMP/Expo), два канала |
| Аудиоподсистема | 1 × Realtek ALC1220 (7.1) + ЦАП ESS ES9118 1 × USB HiFi ESSential DAC |
| Сетевые контроллеры | 1 × Marvel Aqtion AQC113 Ethernet 10 Гбит/с 1 × Intel Dual Band Wireless AX210NGW (Wi-Fi 802.11a/b/g/n/ac/ax (2,4/6 ГГц) + Bluetooth 5.2) |
| Слоты расширения | 1 × PCI Express 5.0 x16 1 × PCI Express 4.0 x16 (режим x4) 1 × PCI Express 3.0 x16 (режим x2) |
| Разъемы для накопителей | 6 × SATA 6 Гбит/с (X670E) 4 × M.2 (CPU, PCIe 5.0 x4 для устройств формата 2260/2280/22110) |
| USB-порты | 4 × USB 2.0: 4 порта Type-A (черные)(Genesys Logic GL850G) 4 × USB 2.0: 2 внутренних разъема на 4 порта (X670E) 4 × USB 3.2 Gen1: 2 внутренних разъема на 4 порта (X670E) 1 × USB 3.2 Gen2x2: 1 внутренний разъем Type-C (X670E) 1 × USB 3.2 Gen2x2: 1 порт Type-C (X670E) 1 × USB 3.2 Gen2: 1 порт Type-C (X670E) 6 × USB 3.2 Gen2: 6 портов Type-A (красные) (X670E+CPU) |
| Разъемы на задней панели | 1 × USB 3.2 Gen2 (Type-C) 1 × USB 3.2 Gen2x2 (Type-C) 6 × USB 3.2 Gen2 (Type-A) 4 × USB 2.0 (Type-A) 1 × RJ-45 2 аудиоразъема типа миниджек 1 × S/PDIF (оптический, выход) 1 × DisplayPort 1 × HDMI 2 антенных разъема кнопка сброса CMOS кнопка перепрошивки BIOS — Q-Flash Plus |
| Прочие внутренние элементы | 24-контактный разъем питания ATX 2 8-контактный разъем питания EPS12V 1 слот M.2 (E-key), занят адаптером беспроводных сетей 1 разъем для подключения порта USB 3.2 Gen2x2 Type-C 2 разъема для подключения 4 портов USB 3.2 Gen1 2 разъема для подключения 4 портов USB 2.0 10 разъемов для подключения 4-контактных вентиляторов и помп ЖСО 2 разъема для подключения неадресуемой RGB-ленты 2 разъема для подключения адресуемой ARGB-ленты 1 разъем аудио для передней панели корпуса 1 разъем для сброса CMOS 1 разъем TPM для систем безопасности 1 разъем для подключения карт Thunderbolt 1 разъем для термодатчикa 1 разъем для подключения управления с передней панели корпуса 1 кнопка включения питания Power 1 кнопка перезагрузки Reset |
| Форм-фактор | E-ATX (305×270 мм) |
| Средняя цена | от 60 тысяч рублей на момент подготовки обзора |
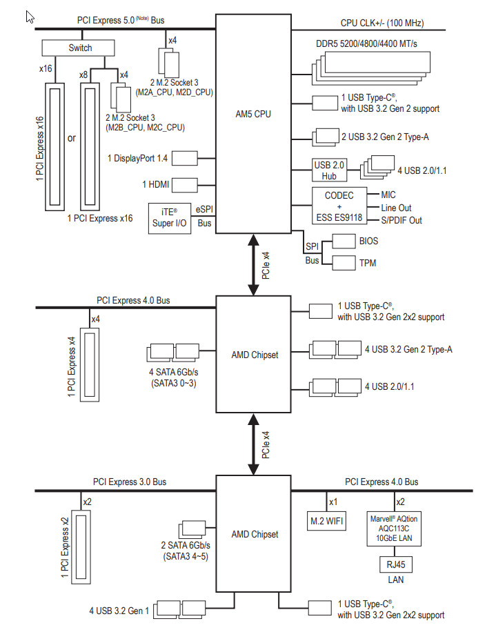
Основная функциональность: чипсет, процессор, память
Схема работы связки чипсет+процессор.
Процессоры Ryzen 7000 поддерживают 3 порта USB 3,2 Gen2 Type-C, 1 порт USB 3,2 Gen2 Type-A, 1 порт USB 2.0, 28 линий ввода-вывода (включая PCI-E 5.0), но 4 линии из них идут на взаимодействие с X670/X670E, еще 16 линий — это PCI-E 5.0 слоты для видеокарт. Осталось 8 линий PCIe 5.0: 4 линии – это слот M.2, остальные 4 могут конфигурироваться производителями материнских плат на выбор.
В свою очередь чипсет X670/X670E поддерживает до: 8 портов USB 3.2 Gen2, 2 портов USB 3.2 Gen2x2, 12 портов USB 2.0, 24 линии ввода-вывода, из которых опять же 4 нужны для связи внутри микросхем чипсета (см. ниже). Остальные 20 линий распределяются как 12 PCIe 4.0 + 8 PCIe 3.0 (включая до 8 портов SATA).
Таким образом в сумме от тандема X670/X670E+Ryzen 7000 мы получаем:
- 16 PCI-E 5.0 линий для видеокарт (от процессора);
- 2 порта USB 3.2 Gen2x2 (от чипсета);
- 12 портов USB 3.2 Gen2 (4 от процессора, 8 от чипсета);
- 13 портов USB 2.0 (1 от процессора, 12 от чипсета);
- 8 портов SATA 6Гбит/с (от чипсета)
- 8 линий PCIe 5.0 (от процессора), 4 из которых – на слот М.2, 4 – могут образовывать разные варианты комбинаций портов и слотов (в зависимости от производителя материнских плат);
- 12 линий PCI-E 4.0 ( от чипсета), которые могут образовывать разные варианты комбинаций портов и слотов (в зависимости от производителя материнских плат);
- 8 линий PCI-E 3.0 ( от чипсета), которые могут образовывать разные варианты комбинаций портов и слотов (в зависимости от производителя материнских плат).
Итого: 25 портов USB, 28 свободных PCI-E линий (включая до 8 портов SATA).


Здесь надо сказать два основных момента:
- Отличия между чипсетами X670 и X670E
- Почему чипсет состоит из двух микросхем.
Чипсеты AMD X670 и X670E полностью равнозначны по функциональности (набору портов и линий), но слот PCIe x16 (для видеокарт), получаемый данные от процессора в случае X670E получает версию PCie 5.0, а в случае X670 – 4.0. Отсутствие версии 5.0 у слота для видеокарт помогает снизить стоимость материнских плат в случае с X670, ибо разработчики смогут экономить на усилителях (редрайверах) сигнала PCIe 5.0, которые пока весьма недешевы, а также матплаты с X670 не имеют крайне жестких требований к разводке печатной платы, чтобы избежать искажений сигналов.
Чипсет X670/X670E получил сильно больше как портов, так и линий PCIe, нежели предшественник, и чтобы не получить одну очень горячую микросхему, памятуя проблему чипсета X570, которому на начальных порах требовался весьма шумный вентилятор, AMD разделила функциональность на две микросхемы по принципу: «восходящее» и «нисходящее» соединения. «Восходящий» чип подключен к процессору через PCIe 4.0 x4, а «нисходящий» к «восходящему» через другое соединение PCIe 4.0 x4. Обе микросхемы произведены силами ASMedia.
Новое поколение Ryzen 7xxx поддерживает как традиционные уже модули памяти DDR5 c Intel XMP (Extreme Memory Profile) (которые через Direct Over Clock Profile (DOCP) подгоняются под характеристики, заложенные в XMP), так и модули с проприетарным от AMD профилем Expo.
Детально об этом всем будет уже в материале по самому процессору Ryzen 9 7950X и архитектуре Zen4, здесь лишь я замечу, что пока у нас в лаборатории таких модулей памяти нет (использовали память на 6000 МГц по XMP с CL32).
Gigabyte X670E Aorus Xtreme поддерживает процессоры AMD поколения 7000, выполненные под разъем (сокет) AM5.
Для установки модулей памяти на плате имеется четыре DIMM-слота (для работы памяти в Dual Channel в случае использования всего 2 модулей их следует устанавливать в А2 и B2). Плата поддерживает небуферизованную память DDR5, а максимальный объем памяти составляет 128 ГБ. Поддерживаются профили XMP и Expo.
Слоты DIMM имеют металлическую окантовку, которая препятствует деформации слотов и печатной платы при установке модулей памяти и защищает от электромагнитных помех.
Периферийная функциональность: PCIe, SATA, разные «прибамбасы»
Выше мы изучили потенциальные возможности тандема X670E+Ryzen, а теперь посмотрим, что из этого и как реализовано в данной материнской плате.

Итак, кроме USB-портов, к которым мы подойдем позже, чипсет X670E обладает 20 PCIe линиями (плюс 4 линии на аплинк с процессором). Считаем, сколько линий уходит на поддержку (связь) с тем или иным элементом:
- Слот PCIe x16_2 (4 линии PCIe 4.0);
- Слот PCIe x16_3 (2 линии PCIe 3.0);
- SATA 0,1,2,3 (4 линии PCIe 4.0);
- SATA 4,5 (2 линии PCIe 3.0);
- Marvell Aqtion AQC113 (Ethernet 10Gb/s) (2 линии PCIe 3.0);
- Intel AX210NGW WIFI/BT (Wireless) (1 линия PCIe 3.0)
15 линий PCIe (8 версии 4.0 и 7 версии 3.0) оказались занятыми, включая 6 портов SATA.
Теперь посмотрим выше на то, как работают процессоры в данной конфигурации. У всех Ryzen 7xxx – 24 линии PCIe (плюс 4 линии на даунлинк с чипсетом). Смотрим распределение:
- Порт M.2 (M2A_CPU) (4 линии PCIe 5.0);
- Порт M.2 (M2D_CPU) (4 линии PCIe 5.0);
- Переключатель: или слот PCIe x16_1 имеет 16 линий PCIe 5.0 + порты М.2 (M2C_CPU и M2B_CPU) отключены; или слот PCIe x16_1 имеет 8 линий PCIe 5.0 + порт М.2 (M2C_CPU) имеет 4 линии PCIe 5.0 + порт М.2 (M2B_CPU) имеет 4 линии PCIe 5.0;
В процессорах Ryzen встроен контроллер High Definition Audio (HDA), связь с аудиокодеком идет путем эмуляции PCI шины. А также контроллер USB 2.0 Genesys Logic GL850G использует линию USB 2.0 от CPU (детали ниже в разделе USB портов).
Выше приведена полная схема распределения ресурсов по слотам PCIe. Всего на плате есть 3 слота PCIe: один PCIe x16 PCIe 5.0, получающий данные от процессора, и два «длинных» слота, получающие данные от X670E, но работающие по схеме x4 и x2.
«Процессорный» слот PCIe x16 имеет металлическое армирование из нержавеющей стали, которое увеличивает их надежность (что может быть важным в случае довольно частой смены видеокарт, но что более важно: такой слот легче выдержит нагрузку на изгиб в случае установки очень тяжелой видеокарты топового уровня. Кроме того, такая защита предохраняет слоты от электромагнитных помех.
Для удобного извлечения видеокарт из слота имеется специальная кнопка – EZ-Plus, что расположена около слота PCIe x16, но в легко доступном месте.
Матплата позволяет смонтировать СО любого размера.
Для поддержания стабильных частот на шине PCIe 5.0 (и для нужд оверклокеров) имеется внешний тактовый генератор RC21008 от Renesas.
А также имеются усилители сигнала PCIe 5.0 PS7101 от Phison.
На очереди — накопители.
Всего у платы 6 разъемов Serial ATA 6 Гбит/с + 4 слота для накопителей в форм-факторе M.2. Все порты SATA реализованы через чипсет X670E и поддерживают создание RAID.
Порты SATA не делят ресурсы ни с какой иной периферией.
Материнская плата имеет 4 гнезда форм-фактора М.2.
Все 4 М.2 получают данные от от CPU, поддерживают размеры модулей 2260/2280/22110 и работают с модулями только с PCIe интерфейсом.
Все M.2 слоты имеют радиаторы. Верхний M2A_CPU обладает отдельным радиатором, когда как остальные M.2 имеют общий радиатор. Надо еще раз отметить, что все М.2 слоты получают данные от CPU, и два из них (M2B_CPU, M2C_CPU) делят ресурсы с PCIe x16 (PCIe 5.0), заставляя последний переходить в режим х8.
Как видим, перераспределение линий PCIe между слотами и портами у этой материнки имеется, поэтому востребованы мультиплексоры от Phison.
Периферийная функциональность: USB-порты, сетевые интерфейсы, ввод-вывод
На очереди USB-порты. И начнем с задней панели, куда выведены большинство из них.
Повторим: чипсет X670E способен реализовать максимально: 8 портов USB 3.2 Gen2/1, 2 USB 3.2 Gen2x2, 12 портов USB 2.0. Процессор Ryzen 7000 способен реализовать до 4 портов USB 3.2 Gen2 и 1 USB 2.0.
Также мы помним и про 20 линий PCIe от чипсета, которые идут на поддержку накопителей, сетевых и иных контроллеров (я выше уже показал на что и как расходуются 15 линий).
И что мы имеем? Всего на материнской плате — 21 порт USB:
- 2 порта USB 3.2 Gen2x2: реализованы через X670E и представлены: внутренним портом Type-C для подключения к соответствующему разъему на передней панели корпуса и портом Type-C на задней панели;;
- 7 портов USB 3.2 Gen2: 3 реализованы через процессор и представлены на задней панели двумя портами Type-A (красные) и одним портом Type-C; еще 4 реализованы через X670E и представлены на задней панели 4 портами Type-A (красные);
- 4 порта USB 3.2 Gen1: все реализованы через X670E и представлены двумя внутренними разъемами на материнской плате (каждый на 2 порта);
- 8 портов USB 2.0/1.1: 4 реализованы через X670E и представлены двумя внутренними разъемами (каждый на 2 порта); еще 4 реализованы через контроллер Genesys Logic GL850G (на него потрачена 1 линия USB 2.0 от CPU) и представлены 4 портами Type-A на задней панели (черные).
Итак, через чипсет X670E реализовано 4 USB 3.2 Gen2, 4 USB 3.2 Gen1 и 5 USB 2.0 портов (помним, что беспроводной контроллер Intel AX210 требует одну линию USB 2.0).
Плюс 15 линий PCIe, выделенные на поддержку иной периферии. Итого, у X670E в данном случае реализовано 23 высокоскоростных порта.
Все быстрые USB порты Type-A/Type-C имеют свои усилители сигнала PI3EQX1004 от Diodes Inc.(ex Pericom).
А для нужд быстрой зарядки порт Type-C на задней панели и аналогичный внутренний порт для вывода на переднюю панель имеют редрайверы от ITE.
Теперь о сетевых делах.
Материнская плата оснащена средствами связи хорошо, однако для флагмана как-то странно (обычно самые-самые материнки имели по 2 проводных и 1 беспроводному контроллерам, тут же только 1 проводной). Имеется скоростной Ethernet-контроллер: Marvell (ex-Aquantia) Aqtion AQC113, способный выдавать до 10 Гбит/с.
Имеется и комплексный беспроводной адаптер на контроллере Intel AX-210NGW, через который реализованы Wi-Fi 6E (802.11a/b/g/n/ac/ax) и Bluetooth 5.2. Он установлен в слот M.2 (E-key), и его разъемы для привинчивания выносных антенн выведены на заднюю панель.
Заглушка, традиционно надеваемая на заднюю панель, в данном случае уже надета, и изнутри экранирована для снижения электромагнитных помех.
Аудиоподсистема
Мы знаем, что уже достаточно давно в большинстве современных материнских платах звуком заведовал аудиокодек Realtek ALC1220. Он обеспечивает вывод звука по схемам до 7.1 с разрешением до 24 бит / 192 кГц. Мы видели уже и ALC4082 того же производителя с улучшенными характеристиками 32 бит / 384 кГц. Однако в данном случае мы видим возврат к прежнему ALC1220.
В тракте используются ЦАП ESS Sabre9118 и осциллятор, обеспечивающий точную работу ЦАП.
В аудиоцепях платы применяются «аудиофильские» конденсаторы.
Аудиотракт вынесен на угловую часть платы, не пересекается с другими элементами. У карты два универсальных разъема с позолоченным покрытием по приему и выводу сигналов плюс оптический S/PDIF. Вывод по схеме 7.1 возможен только через S/PDIF (аналоговая схема упрощена до стерео).
Стоит особо упомянуть про бонус в комплекте поставки: внешний Hi-Fi ЦАП для использования в любом устройстве, имеющем возможность вывода звука через USB Type-C.
Представляет собой небольшое устройство-адаптер, подключаемый через Type-C к устройству вывода звука, на другом конце — 3.5 миниджек для подключения наушников.
Питание, охлаждение
Для питания платы на ней предусмотрены 4 разъема: в дополнение к 24-контактному ATX здесь есть еще два ATX12V (8 контактов). Все разъемы имеют стальное армирование.
Система питания очень внушительная.
Внешне схема питания выглядит как 18+2+2: 18 фаз — ядро процессора, 2 фазы — SoC (I/O-чиплет Ryzen), 2 фазы – VDD_MISC (вывод встроенной графики).
Управляет фазами VCore и SoC цифровой контроллер RAA229628 от Renesas.
Фазы питания VDD_MISC – под управлением ШИМ-контроллера RAA229621.
Каждая фаза VCore имеет по транзисторной сборке RAA22010540 от Renesas (до 105А).
Остальные схемы питания снабжены сборками ISL99390 также от Renesas (до 90А).
Теперь про охлаждение.
Все потенциально сильно греющиеся элементы имеют свои собственные радиаторы. Пара чипов X670E имеет весьма массивный радиатор, он прекрасно справляется с охлаждением без вентилятора.
Остальной набор охлаждающих элементов весьма обычен и привычен.
Две группы силовых преобразователей имеют свои раздельные радиаторы, соединенные тепловой трубкой.
У всех модулей M.2, как я уже выше отмечал, есть свои радиаторы с термоинтерфейсом. У верхнего – свой отдельный радиатор, у трех остальных – общий. Следует особо отметить, что все 4 слота M.2 оснащены термопрокладками с обеих сторон. То есть под слотами также есть плоские тонкие радиаторы.
Материнская плата имеет бэкплейт с оборотной стороны, который не только защищает PCB от повреждений, но является вспомогательным охладителем VRM.
В целом надо сказать, что система питания очень мощная, имеет достаточно эффективную СО.
Подсветка
Программное обеспечение под Windows
Настройки BIOS
Работоспособность (и разгон)
Запускаем все в режиме по умолчанию. Затем нагружаем тестами от OCCT.
Учитывая уровень этой платы, она должна быть готовой к работе с самым топовым на сегодня процессором Ryzen 9 7950X. Хорошо известно, что современные технологии авторазгона от Intel (Turbo Boost) и AMD (Precision Boost) базируют свои лимиты подъема частот на информации о системе питания на той или иной матплате (сами понимаете, все контроллеры цифровые, в UEFI вся информация имеется). Также следует отметить, что данная плата от Gigabyte способна четко реализовать контроль за частотой IF (Infinity Fabric) (разумеется, если она выставлена в режиме Auto) и выставляет множитель для частоты памяти автоматически.
Отчетливо видно, что авторазгон работает отлично (до 5,1 ГГц по всем ядрам – это очень прилично). При этом были и разовые всплески частот по ядрам до 5,7 ГГц. При этом стоит отметить, что во всех этих испытаниях мы не получили никаких нареканий на работу сопутствующих блоков, никаких перегревов или странных явлений не было.
Да, нагрев процессора в стресс-тесте достигал 94 градусов, однако тут ничего особенного нет, даже по словам специалистов AMD – так и должно быть, при этом еще есть некий запас по частотному разгону. Чтобы такой нагрев снизить даже на 15 градусов, потребуется ЖСО в разы сильнее, и даже трудно представить – какой мощности она должна быть. Понятно, что уже есть в Сети информация о том, как любители стачивали крышку на 0,5 – 1 мм, и тогда даже с обычными AIO водяными СО экстремальный нагрев 7950Х снижался градусов на 10. Однако нам не нужно рисковать ни процессором, ни терять гарантию на него. Просто надо отметить для себя, что получение 5,1 ГГц по всем ядрам на таком жарком CPU – уже прекрасно. Кстати, подобные авторазгоны Ryzen 7950X имеются и у иных известных западных блогеров. Заниматься поиском возможности поднять частоту еще и еще – уже не было времени. На какой-нибудь другой материнской плате на базе X670 можно будет попробовать и разогнать память (есть сведения, что капризный контроллер памяти в Ryzen очень плохо «переваривает» частоту памяти выше 6000 МГц, ибо частота IF превышает допустимую (не срабатывает множитель как положено).
Выводы
Материнская плата Gigabyte X670E Aorus Xtreme — флагманский, самый навороченный представитель топовой серии Aorus для процессорного разъема AM5 со стоимостью в районе 60 тысяч рублей. Плата поддерживает процессоры AMD Ryzen 7000 и создана для хардкорных геймеров и энтузиастов-оверклокеров. По крайней мере, об этом свидетельствует потенциал системы охлаждения.
У Gigabyte X670E Aorus Xtreme имеется 21 порт USB разных видов, включая 2 самых быстрых USB 3.2 Gen2×2. Плата предлагает слот PCIe х16 (он получает от процессора 16 линий PCIe 5.0) и аж 4 слота M.2, подключенных напрямую к процессору линиями PCIe 5.0 — правда, два из них потребуют уменьшить количество линий PCIe для слота PCIe x16. Остальные слоты PCIe работают в режиме х4 и х2.
В арсенале платы есть 6 портов SATA и 10 разъемов для вентиляторов. Система питания процессора невероятно мощная, она способна обеспечить работу любых совместимых процессоров с огромным запасом на разгон. Плата имеет грамотную систему охлаждения каждого потенциально греющегося элемента, включая накопители в слотах M.2 (термопрокладки для охлаждения накопителей есть с обеих сторон). Сетевые возможности хорошие, но не выдающиеся для флагманских моделей: один проводной контроллер 10 Гбит/с и один самый современный беспроводной. В числе плюсов платы можно упомянуть симпатичную подсветку на кожухе задних портов, а также широкие возможности для подключения дополнительных RGB-устройств. Отметим прилагаемый в комплекте игровой ЦАП, подключаемый к порту USB Type-C и с миниджеком на выходе.

Разумеется, Gigabyte X670E Aorus Xtreme предлагает широкие возможности для любителей разгона в виде множества настроек в BIOS Setup — лишь бы кулер справлялся.
В номинации «Оригинальный дизайн» плата Gigabyte X670E Aorus Xtreme получила награду:

В номинации «Отличная поставка» плата Gigabyte X670E Aorus Xtreme получила награду:

Благодарим Владислава Громова
из Хабаровска (Telegram-канал, сайт)
за помощь в оперативном получении нового оборудования из Китая для ПК



















































































































