Исполнилось два года с того момента, как вышел в свет системный чипсет AMD X570, сопровождающий новую на то время архитектуру процессоров Zen2+ (и основанное на ней семейство процессоров Ryzen 3го поколения). В целом тот анонс стал весьма революционным из-за того, что старшие процессоры Ryzen 3xxx по сути снесли границу между массовым сегментом процессоров (где царствовали 2-8 ядерные модели) и высокопроизводительным High End Desktop (HEDT) (где на тот момент царствовали процессоры Intel Core X с количеством ядер до 18), ведь появился 16 ядерный Ryzen 9 3950X, работающий все в том же сокете АМ4, и в матплатах массового производства.
Все бы хорошо, но чипсет AMD X570 сильно грелся, поэтому практически все матплаты с Х570 имели вентиляторы на этих микросхемах, которые подчас сильно досаждали своими акустическими способностями. Почему в прошедшем времени? Ну во-первых, все же была зафиксирована избыточность постоянного активного охлаждения Х570, поэтому в одной из последних версий AGESA зафиксирована возможность автоматического отключения чипсетного вентилятора при малой нагрузке, во-вторых, не так давно вышла новая ревизия того же Х570 под условным обозначением X570S, а этот тот же по сути кристалл, просто выполненный с использованием более тонкого техпроцесса (возможно, что уже Х570S выпущен компанией ASMedia для AMD, которая по сути производила все системные чипсеты последних лет по заказу AMD, кроме Х570). Никаких архитектурных отличий между Х570 и его ревизией S нет. Поэтому AMD даже вообще не анонсировала X570S, этот чипсет по-прежнему официально именуется как Х570. Понятно, что это на руку лишь производителям материнских плат, которые с радостью анонсировали целый поток как новых версий прежних материнок (обозначая их Х570S), так и совершенно новых продуктов на том же X570 (который сейчас с «S» просто перестал дико греться как раньше).
Итак, компания Gigabyte. Стоит напомнить, что у нее есть флагманский суббренд Aorus, внутри которого сосредоточены платы и карты с наворотами для энтузиастов. По сути Aorus – это для геймеров, среди которых есть и самые-самые, которым нужно все наиболее продвинутое. Наряду с Aorus под своим брендом Gigabyte компания выпускает и иные модели, в частности есть серия для создателей контента, неких научных задач и просто иных дел, не связанных с играми. Эту серию в Gigabyte постоянно переименовывают. То была Designare, то потом стала Vision, это - Aero. Платы в этой серии отличаются с одной стороны минимальными возможностями по оверклокингу (там оно не требуется), с другой стороны, разнообразием периферии (включая даже древние COM-порты), минимальной подсветкой, ну и особым дизайном продуктов. Основная «изюминка» этой серии – наличие на матплатах разнообразной и многочисленной периферии. Наша сегодняшняя плата относится к этой серии — Gigabyte X570S Aero G.
Поехали.
Gigabyte X570S Aero G поставляется в стандартной коробке с фирменным белым дизайном серии. Внутри коробки есть два отсека: самой материнской платы, и остального комплекта.
Комплект поставки неплох. Кроме традиционных элементов типа руководства пользователя и кабелей SATA (что уже много лет является обязательным набором ко всем материнкам), имеются: винтики для монтажа модулей M.2, накопитель типа CD c ПО, антенна для беспроводных соединений, удлинитель для подсветки, фирменный адаптер G-connector для передней панели, термодатчики, датчик шума, бонусный стикер.
Стоит отметить, что «заглушка» на заднюю панель с разъемами уже смонтирована на самой плате. Насчет CD с ПО – не хочется уже просто вздыхать по поводу «анахронизма» таких решений. И не забываем, что программное обеспечение за время путешествия платы к покупателю успевает устареть, так что придется его загружать с сайта производителя сразу после покупки.
Форм-фактор
Форм-фактор ATX имеет размеры до 305×244 мм, а E-ATX — до 305×330 мм. Материнская плата Gigabyte X570S Aero G имеет размеры 305×244 мм, поэтому выполнена в форм-факторе ATX, и на ней имеются 9 монтажных отверстий для установки в корпус (однако для доступа к одному из них придется снять радиатор со слота М.2).
На оборотной стороне из элементов имеются некоторые контроллеры и мелкая логика. Обработан текстолит неплохо: во всех точках пайки острые концы срезаны.
Технические характеристики
Традиционная таблица с перечнем функциональных особенностей.
| Поддерживаемые процессоры | AMD Ryzen/Athlon всех серий под AM4 |
|---|---|
| Процессорный разъем | AM4 |
| Чипсет | AMD X570 |
| Память | 4 × DDR4, до 128 ГБ, до DDR4-5400, два канала |
| Аудиоподсистема | 1 × Realtek ALC1220-VB (7.1) |
| Сетевые контроллеры | 1 × Intel i225-V (Ethernet 2,5 Гбит/с) 1 × Intel Dual Band Wireless AX200NGW/CNVi (Wi-Fi 6: 802.11a/b/g/n/ac/ax (2,4/5 ГГц) + Bluetooth 5.1) |
| Слоты расширения | 2 × PCI Express 4.0 x16 (режимы x16, x8+x8) 1 × PCI Express 4.0 x4 |
| Разъемы для накопителей | 6 × SATA 6 Гбит/с (X570) 1 × M.2 (X570, PCI-E 4.0 x4 для устройств формата 2242/2280/22110) 1 × M.2 (X570, PCI-E 4.0 x4/SATA 6 Гбит/с для устройств формата 2242/2280/22110) 1 × M.2 (X570, PCI-E 4.0 x4/SATA 6 Гбит/с для устройств формата 2280/22110) 1 × M.2 (CPU, PCI-E 4.0 x4/SATA 6 Гбит/с для устройства формата 2242/2280/22110) |
| USB-порты | 1 × USB 3.2 Gen2x2: 1 порт Type-C на задней панели (ASM3241) 3 × USB 3.2 Gen2: 3 порта Type-A (красные) на задней панели (X570) 1 × USB 3.2 Gen2: 1 порт Type-A (красный) на задней панели (CPU) 1 × USB 3.2 Gen2: 1 внутренний порт Type-C (X570) 3 × USB 3.2 Gen1: 2 порта Type-A (cиние) на задней панели (CPU) 4 × USB 3.2 Gen1: 2 внутренних разъема каждый на 2 порта (X570) 4 × USB 2.0: 2 внутренних разъема каждый на 2 порта (Genesys Logic GL850S) 2 × USB 2.0: 2 порта Type-A (черные) на задней панели (Genesys Logic GL850S) |
| Разъемы на задней панели | 2 × USB 3.2 Gen2 (Type-C) 4 × USB 3.2 Gen2 (Type-A) 2 × USB 3.2 Gen1 (Type-A) 2 × USB 2.0 (Type-A) 1 × RJ-45 2 антенных разъема 5 аудиоразъемов типа миниджек 1 × S/PDIF (оптический, выход) 1 × DisplayPort 1 × HDMI |
| Прочие внутренние элементы | 24-контактный разъем питания EATX 1 8-контактный разъем питания EATX12V 1 4-контактный разъем питания EATX12V 1 слот M.2 (E-key), занят адаптером беспроводных сетей 1 разъем для подключения порта USB 3.2 Gen2 Type-C 2 разъема для подключения 4 портов USB 3.2 Gen1 2 разъема для подключения 4 портов USB 2.0 8 разъемов для подключения 4-контактных вентиляторов (поддержка помп ЖСО) 2 разъема для подключения неадресуемой RGB-ленты 2 разъема для подключения адресуемой ARGB-ленты 1 разъем аудио для передней панели корпуса 1 разъем TPM 1 разъем COM 2 разъема для подключения управления с передней панели корпуса 1 кнопка холодной прошивки BIOS Q-Flash Plus 1 разъем Thunderbolt 2 разъема для термодатчиков 1 разъем для подключения неадресуемой RGB-подсветки боксового кулера AMD |
| Форм-фактор | ATX (305×244 мм) |
| Средняя цена | 27-28 тысяч рублей на момент публикации обзора |
Основная функциональность: чипсет, процессор, память


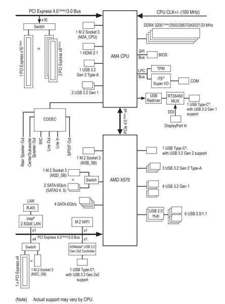
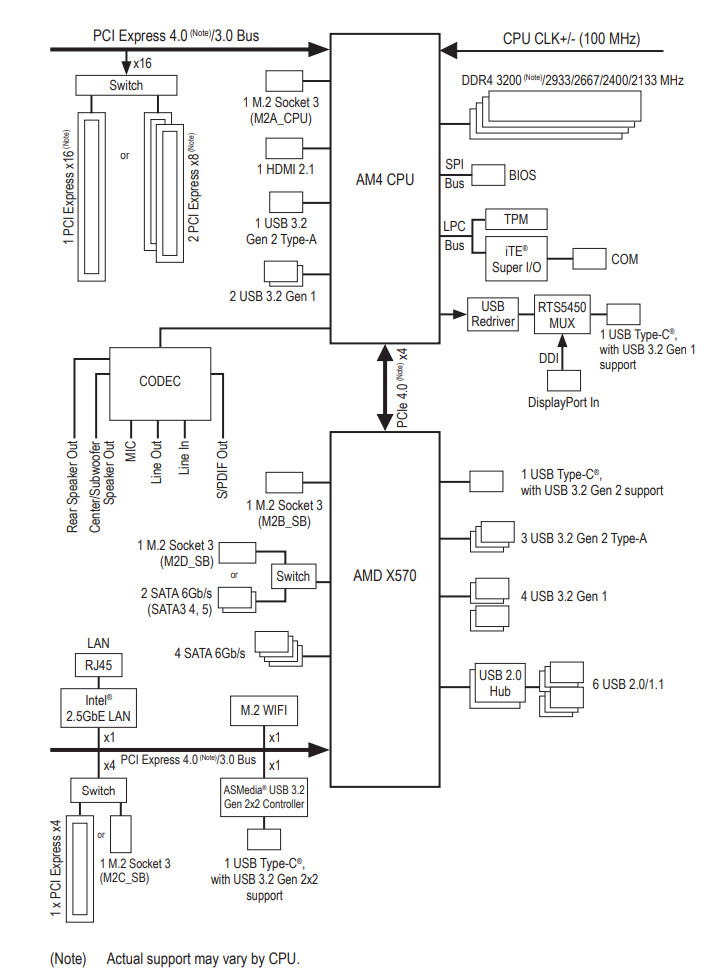
Схема работы связки чипсет+процессор.
Если кто помнит, главным отличием десктопных платформ AMD от Intel является разница в балансе поддержки портов/линий между CPU и чипсетом: у платформ Intel баланс смещен в сторону системного чипсета, а у AMD примерное равенство между CPU и чипсетом (по PCI-E линиям CPU Ryzen выглядит даже масштабнее).
Процессоры Ryzen 3000/5000 поддерживают 4 порта USB 3,2 Gen2, 24 линии ввода-вывода (включая PCI-E 4.0), но 4 линии из них идут на взаимодействие с X570, еще 16 линий — это PCI-E слоты для видеокарт. Осталось 4 линии: они могут конфигурироваться производителями материнских плат на выбор (либо-либо):
- работа одного NVMe накопителя х4 (высокоскоростной PCI-E 4.0)
- два SATA-порта по х1 + 1 порт NVMe x2
- два порта NVMe x2
В свою очередь чипсет X570 поддерживает 8 портов USB 3.2 Gen2, 4 порта USB 2.0, 4 порта SATA и 20 линий ввода-вывода, из которых опять же 4 нужны для связи с CPU. Остальные линии могут свободно конфигурироваться.
Таким образом в сумме от тандема X570+Ryzen 3000/5000 мы получаем:
- 16 PCI-E 4.0 линий для видеокарт (от процессора);
- 12 портов USB 3.2 Gen2 (4 от процессора, 8 от чипсета);
- 4 порта USB 2.0 (от чипсета);
- 4 порта SATA 6Гбит/с (от чипсета)
- 20 PCI-E 4.0 линий (4 от процессора + 16 от чипсета), которые могут образовывать разные варианты комбинаций портов и слотов (в зависимости от производителя материнских плат).
Итого: 16 портов USB, 4 порта SATA, 20 свободных PCI-E линий.
Еще раз надо напомнить, что Gigabyte X570S Aero G поддерживает процессоры AMD всех поколений, выполненные под разъем (сокет) AM4.
Для установки модулей памяти на плате имеется четыре DIMM-слота (для работы памяти в Dual Channel в случае использования всего 2 модулей их следует устанавливать в А2 и B2). Плата поддерживает небуферизованную память DDR4 (non-EСС), а максимальный объем памяти составляет 128 ГБ (при использовании UDIMM последнего поколения по 32 ГБ). Разумеется, поддерживаются профили XMP.
Слоты DIMM не имеют металлической окантовки, которая препятствует деформации слотов и печатной платы при установке модулей памяти и защищает от электромагнитных помех.
Периферийная функциональность: PCIe, SATA, разные «прибамбасы»
Выше мы изучили потенциальные возможности тандема X570+Ryzen, а теперь посмотрим, что из этого и как реализовано в данной материнской плате.

Итак, кроме USB-портов, к которым мы подойдем позже, чипсет X570 обладает 16 PCIe линиями (плюс 4 линии на аплинк с процессором, плюс 4 порта SATA). Считаем, сколько линий уходит на поддержку (связь) с тем или иным элементом (надо учитывать, что из-за дефицита PCIe линий некоторые элементы периферии делят их, и потому использовать одновременно нельзя: для этих целей у материнской платы существуют мультиплексоры):
- ASMedia ASM3241 (USB 3.2 Gen2x2) (1 линия);
- Слот M.2 (M2B_SB) (4 линии);
- Переключатель: или cлот PCIe x16_3, или слот M.2 (M2C_SB) (4 линии);
- Переключатель: или 2 порта SATA 4, 5 (2 линии), или слот M.2 (M2D_SB) (максимум 4 линии);
- Intel i225_V (Ethernet 2,5Gb/s) (1 линия);
- Слот M.2 (key E) для адаптера беспроводных сетей (1 линия);
- 4 порта SATA_0, 1, 2, 3 (4 линии)
19 линий PCIe (включая 4 порта SATA) оказались занятыми. Замечу особо, что всего у платы 6 портов SATA, а штатно от чипсета распределено всего 4 таких порта. Остальные 2 порта SATA используют свободные PCIe линии и в данном случае делятся между этими портами SATA и слотом M2D_SB.
Контроллеры USB-портов Genesys Logic GL850S для поддержки используют линии USB 2.0 (о них ниже в своем разделе).
Теперь посмотрим выше на то, как работают процессоры в данной конфигурации. У всех CPU этого плана всего 20 линий PCIe (плюс 4 линии на даунлинк с чипсетом). И их надо делить на слоты PCIe x16_1/16_2 и слот M.2 (M2A_CPU). В процессорах Ryzen встроен контроллер High Definition Audio (HDA), связь с аудиокодеком идет путем эмуляции PCI шины (есть ограничение на звук по схеме 7.1: до 32-бит/192 кГц).
Вариантов переключения несколько:
- Слот PCIe x16_1 имеет 16 линий (слот PCIe x16_2 отключен, всего одна видеокарта);
- Слот PCIe x16_1 имеет 8 линий, слот PCIe x16_2 имеет 8 линий;
Надо особо отметить, что в случае установки видеокарты в PCIe x16_2 при пустом PCIe x16_1, оба они все равно получают по 8 линий.
Всего на плате есть 3 слота PCIe: два PCIe x16 (для видеокарт или других устройств) и один такой же «длинный» форм-фактора PCIe x16 (но имеющий только 4 линии). Если про первые PCIe x16_1 и PCIe x16_2 я выше уже рассказал (они подключены к CPU), то третий PCIe x16_3 подключен к X570 и максимально работает в режиме х4. И этот PCIe x16_3 делит PCIe линии с портом М.2 – M2C_SB, то есть невозможно одновременно использовать накопитель в этом М.2 слоте и какую-то карту в PCIe x16_3.
Как видим, перераспределение линий PCIe между слотами у этой материнки имеется, поэтому востребованы мультиплексоры от компании Diodes Inc. (ex Pericom).
В отличие от слотов для памяти, два слота PCIe x16_1/2 имеют металлическое армирование из нержавеющей стали, которое увеличивает надежность слотов и предохраняет их от электромагнитных помех.
Расположение PCIe слотов позволяет легко смонтировать СО любого уровня и класса.
Для поддержания стабильных частот на шине PCIe имеются усилители (ре-драйеры шины PCIe 4.0) PI3EQX16 от компании Diodes Inc. (ex Pericom).
На очереди — накопители.
Всего у платы 6 разъемов Serial ATA 6 Гбит/с + 4 слота для накопителей в форм-факторе M.2. (Имеется еще один слот M.2, предназначенный для контроллеров беспроводных сетей Wi-Fi/Bluetooth.). 6 портов SATA реализованы через чипсет X570 и поддерживают создание RAID.
Из-за того, что штатно Х570 поддерживает только 4 порта SATA, дополнительные два используют свободно конфигурируемые PCIe линии, которых явно не хватает на все и вся, поэтому порты SATA 4 и 5 делят ресурсы с самым нижним М.2 портом – M2D_SB (понимаем, что или использование накопителя в этом слоте, или порты SATA 4, 5).
Теперь про M.2. Материнская плата имеет 4 гнезда такого форм-фактора.
Первый по счету слот M2A_CPU получает данные от CPU и поддерживает модули с любым интерфейсом и размерами 2242/2280/22110.
Остальные три M.2 слота получают данные уже от чипсета X570. При этом:
- M2B_SB (второй по счету) поддерживает модули с интерфейсом PCIe 3.0/4.0 и размерами 2242/2280/22110;
- M2C_SB (третий по счету) поддерживает модули с интерфейсами SATA и PCIe 3.0/4.0 и размерами 2242/2280/22110;
- M2D_SB (четвертый по счету) поддерживает модули с интерфейсами SATA и PCIe 3.0/4.0 и размерами 2280/22110.
Все M.2 слоты имеют радиаторы (у M2B_SB и M2C_SB общий радиатор) .
Напомню, что слот M2C_SB (третий по счету) делит PCIe линии со слотом PCIe x16_3, а M2D_SB (четвертый по счету) делит PCIe линии с портами SATA 4, 5.
Периферийная функциональность: USB-порты, сетевые интерфейсы, ввод-вывод
На очереди USB-порты. И начнем с задней панели, куда выведены большинство из них.
Повторим: чипсет X570 способен реализовать максимально: 8 портов USB 3.2 Gen2/1, 4 порта USB 2.0. Процессор Ryzen 3000/5000 способен реализовать до 4 портов USB 3.2 Gen2.
Также мы помним и про 16 линий PCIe, которые идут на поддержку накопителей, сетевых и иных контроллеров (я выше уже показал на что и как расходуются 15 линий).
И что мы имеем? Всего на материнской плате — 19 портов USB:
- 1 порт USB 3.2 Gen2x2: реализован через контроллер ASMedia ASM3241 (на него потрачена 1 линия PCIe от X570) и представлен на задней панели портом Type-C;
- 5 портов USB 3.2 Gen2: 1 реализован через процессор и представлен на задней панели портом Type-A (красный), остальные 4 реализованы через X570, из которых 3 представлены на задней панели 3 портами Type-A (красные), и еще один — внутренним портом Type-C для подключения к соответствующему разъему на передней панели корпуса;
- 7 портов USB 3.2 Gen1: 4 реализованы через X570 и представлены двумя внутренними разъемами на материнской плате (каждый на 2 порта); еще 2 реализованы через CPU и представлены на задней панели портами Type-A (синие); и 1 реализован сложно (CPU + NCP81239 + RTS5450) (на контроллеры ушло 2 линии USB 2.0) и представлен в виде второго Type-C на задней панели;
- 6 портов USB 2.0/1.1: все реализованы через два контроллера Genesys Logic GL852G (на них потрачены 2 линии USB 2.0 от X570) и представлены двумя внутренними разъемами (каждый на 2 порта) и 2 портами Type-A (черные) на задней панели.
Итак, через чипсет X570 реализовано 4 USB 3.2 Gen2, 4 USB 3.2 Gen1 и 4 USB 2.0 порта поддержки.
Плюс 15 линий PCIe, выделенные на поддержку иной периферии и плюс 4 порта SATA (штатно имеющиеся у X570). Итого, у X570 в данном случае реализованы почти все его возможные порты.
Все быстрые USB порты Type-A/Type-C имеют свои усилители сигнала PI3EQX1004 от Diodes Inc.(ex Pericom).
Особо надо отметить «фишку» этой материнки – VisionLINK.
Это универсальный вывод данных, включая изображение, обмен данными, используя всего лишь интерфейс USB Type-C. Именно один из портов Type-C на задней панели, что работает по стандарту USB 3.2 Gen1, и ответственный за VisionLINK.

На плате имеется два гнезда вывода картинки: HDMI и DP. Вот второй имеет универсальное применение: может быть приемником сигнала с видеокарты для того, чтобы затем картинку выводить через Type-C.
Также можно использовать этот порт для мощных зарядок с током до 3А, можно подключить планшет для рисования. Разумеется, это может быть и просто USB 3.2 Gen1 порт для передачи данных по этому протоколу. Поэтому для организации VisionLINK использовались ресурсы не только CPU (один из его USB 3.2 портов), но и два контроллера от On и Realtek. Первый играет роль усилителя сигнала и позволяет при использовании порта для зарядок дать до 20В. Второй играет роль этакого частичного Thunderbolt для передачи быстропоточного видеоряда.


Теперь о сетевых делах.
Материнская плата оснащена средствами связи весьма неплохо. Имеется Ethernet-контроллер: Intel I225-V, способный работать по стандарту 2,5 Гбит/с.
Вторым сетевым контроллером, которым укомплектована данная материнская плата, стал уже также ставший традиционным комплексный беспроводной адаптер на контроллере Intel AX-200NGW, через который реализованы Wi-Fi 6 (802.11a/b/g/n/ac/ax) и Bluetooth 5.1. Он установлен в слот M.2 (E-key), и его разъемы для привинчивания выносных антенн выведены на заднюю панель.
Аудиоподсистема
Как и практически во всех современных материнских платах, звуком заведует аудиокодек Realtek ALC1220-VB. Он обеспечивает вывод звука по схемам до 7.1.
Ни ЦАП, ни операционных усилителей в данном тракте не предусмотрено.
В аудиоцепях платы применяются «аудиофильские» конденсаторы Nippon Chemi-con.
Аудиотракт вынесен на угловую часть платы, не пересекается с другими элементами. Разумеется, левый и правый каналы разведены по разным слоям печатной платы. Все аудиоразъемы на задней панели имеют привычную нам цветовую окраску.
В целом очевидно, что это в целом стандартная аудиоподсистема, способная удовлетворить запросы большинства пользователей, не ожидающих от звука на материнской плате чудес.
Питание, охлаждение
Для питания платы на ней предусмотрены 3 разъема: в дополнение к 24-контактному ATX здесь есть еще два ATX12V (8 контактов и 4 контакта).
Система питания весьма внушительная, однако явно не самая топовая (последняя предусматривает 24+8+8).
Внешне схема питания выглядит как 12+2: 12 фаз — ядро процессора, 2 фазы — SoC (I/O-чиплет Ryzen).
Каждый канал фазы имеет суперферритовую катушку и транзисторную сборку SiC649A (до 60А) для фаз питания ядра и SiC651A (до 60А) для SoC.
Управляет фазами цифровой контроллер RAA229004 от Renesas , а он вообще-то рассчитан максимум всего на 8 фаз.
Удвоителей (даблеров) фаз на плате нет. Поэтому делаем вывод, что, скорее всего, реальная схема такая: 6х2 (ядро процессора) +2 (SoC) = 8 фаз. То есть 12 фаз питания ядра процессора на самом деле превращены в 6 (каждая пара фаз управляется параллельно).
У модулей оперативной памяти все проще: однофазная система питания со своим ШИМ-контроллером от Richtek.
Теперь про охлаждение.Все потенциально сильно греющиеся элементы имеют свои собственные радиаторы. Как известно, самым горячим звеном в наборе AMD X570 когда-то был сам чипсет, поэтому многие производители были вынуждены использовать вентиляторы для такого рода микросхем. Теперь же с выходом новой ревизии Х570S про вентиляторы можно вообще зыбыть.
Остальной набор охлаждающих элементов весьма обычен и привычен.
Как мы видим, охлаждение чипсета идет отдельно от остальных греющихся элементов. Две группы силовых преобразователей имеют свои раздельные радиаторы, соединенные тепловой трубкой.
У 4х модулей M.2, как я уже выше отмечал, есть свои радиаторы с термоинтерфейсом. Они крепятся отдельно от большого чипсетного радиатора.
Над блоком разъемов задней панели, чипсетным радиатором и аудиотрактом установлен пластиковый кожух соответствующего дизайна.
В целом надо сказать, что система питания очень мощная, выглядит как весьма гибкая, посмотрим, как поведет себя в деле.
Подсветка
Программное обеспечение под Windows
Настройки BIOS
Работоспособность (и разгон)
Запускаем все в режиме по умолчанию. Затем нагружаем тестами от AIDA, и OCCT.
Учитывая уровень этой платы, которая основана на топовом чипсете, она должна быть готовой к работе с самым топовым на сегодня процессором (спасибо компании AMD за сэмпл) Ryzen 9 5950X. Хорошо известно, что современные технологии авторазгона от Intel (Turbo Boost) и AMD (Precision Boost) базируют свои лимиты подъема частот на информации о системе питания на той или иной матплате (сами понимаете, все контроллеры цифровые, в UEFI вся информация имеется). Также следует отметить, что данная плата от Gigabyte способна четко реализовать контроль за частотой IF (Infinity Fabric), держа ее не выше 1800 МГц (разумеется, если она выставлена в режиме Auto) и выставляет множитель для частоты памяти автоматически.
Отчетливо видно, что авторазгон работает отлично (с 3,4 до 4,25 ГГц – это очень и очень прилично). При этом были и разовые всплески частот по ядрам до 4,7 ГГц. Учитывая, что это плата не для оверклокеров, а для серьезных проектных задач, то можно только похвалить разработчиков за такой продукт.
Попытка выставить 4.6 ГГц по всем ядрам через программу EasyTune увенчалась успехом. Причем одним лишь кликом мыши – установив режим разгона (ОС).
При этом стоит отметить, что во всех этих испытаниях мы не получили никаких нареканий на работу сопутствующих блоков, никаких перегревов или странных явлений не было.
Пытаться разгонять процессор дальше я не стал: материнская плата все же не для таких задач.
Выводы
Материнская плата Gigabyte X570S Aero G — очень интересное решение на топовом чипсете AMD. Предназначенная для рабочих ПК создателей контента, проектировщиков и пр., она имеет превосходную систему питания, обеспечивая стабильную работу самых мощных процессоров Ryzen при очень эффективном авторазгоне в рамках AMD PBO.
При этом функциональность у Gigabyte X570S Aero G также на очень высоком уровне. Плата имеет 19 портов USB разных видов (включая аж 5 USB3.2 Gen2 и 1 USB 3.2 Gen2×2), 3 слота PCIe х16 (из которых первые два могут работать в режимах x16+x0 и x8+x8, а третий дает возможность установить дополнительные карты с интерфейсом PCIe x4), целых 4(!) слота M.2 (линии PCIe делятся между М.2 и слотом PCIe x16_3) и 6 портов SATA. Плата предлагает 8 разъемов для подключения вентиляторов и помп, радиаторами оснащены все накопители в слотах M.2. Сетевые подключения — 2,5-гигабитный проводной контроллер и Wi-Fi 6. Плата имеет интересный эффектный дизайн, подходящий как для белых, так и для черных корпусов. На самой плате подсветки нет.
Напомню, что чипсет AMD X570 реализует полноценную поддержку PCIe 4.0, так что при установке процессоров Ryzen 3000/4000/5000 все разъемы и интерфейсы платы поддерживают PCIe 4.0.
В номинации «Оригинальный дизайн» плата Gigabyte X570S Aero G получила награду:

Благодарим компанию Gigabyte Russia
и лично Марию Ушакову и Евгения Лесикова
за предоставление Gigabyte Aorus Gen4 SSD 500G для тестового стенда и плату для обзора
Особо благодарим компанию Super Flower
за предоставление блока питания Super Flower Leadex Platinum 2000W
























































































