Продолжаем разговор о по-истину триумфальном шествии новых процессоров AMD не только по российскому, но и мировому рынку. Я имею в виду в целом семейство Ryzen, а не только 3ххх серию. Еще до выхода в июле 2019 года Ryzen 3xxx позиции конкурента в лице Intel Core были в какой-то степени подорваны, поэтому появление 3000-й серии лишь дало дополнительный приток сил в это наступление.
И если самые топовые Ryzen 9 3900X еще в какой-то степени в дефиците, потому и чрезмерно дорогие, то младшие члены серии 3ххх уже успели массово появиться в российской рознице и продолжили традиции завоевывать признание и уважение потребителей. Ну раз так, то должен быть обеспечен и хороший ассортимент материнских плат. Даже несмотря на то, что все Ryzen 3xxx могут прекрасно работать и в материнках предыдущего поколения на чипсетах 4хх серии (X470, B450 и т. д.), все же при переходе вообще с другой платформы на AMD встанет вопрос о покупке материнской платы, скорее всего, основанной на AMD X570. Благо выбор уже очень большой. Да и мы уже рассказали почти о десятке подобных материнских плат.
Разумеется, надо помнить, что Х570 относится к топовому сегменту, поэтому банально дешевых материнок на нем просто быть не может. Собственно, чтобы не зацикливать новые Ryzen на относительно узком сегменте топовых материнских плат, AMD и позволила 3ххх серии работать на платах предыдущего поколения, так что выбор реально широк.
Вернемся к Х570 и начнем рассматривать очередную материнскую плату на этом чипсете. Цены на Asus ROG Strix X570-E Gaming начинаются с 20 тысяч (на момент написания материала). Разумеется, это недешево, есть варианты на том же Х570 и дешевле. Так стоит ли переплачивать за марку и(или) дополнительные «изюминки»?
А вот и посмотрим.
Asus ROG Strix X570-E Gaming поставляется в небольшой обычной коробке. Производитель постарался как-то обозначить, что с одной стороны, это не самое топовое решение, имеются и материнские платы линейки Crosshair из того же семейства ROG (те поставляются в упаковках иного калибра). С другой стороны, все равно это ROG, а значит «элитное» семейство в целом (поэтому оформление соответствующее).
Внутри коробки — традиционные отсеки: для самой материнки и для остального комплекта.
Комплект поставки, кроме традиционных элементов типа руководства пользователя, носителя с ПО и кабелей SATA (что уже много лет является обязательным набором ко всем материнкам), есть выносная антенна (для беспроводных сетевых соединений), переходники-удлинители ARGB/RGB, фирменные стяжки и винтики для монтажа модулей M.2. «Пипки» для насаживания на блок разъемов передней панели здесь нет (я про Q-Connector) — снова обозначено не самое топовое решение. В качестве бонуса — фирменные ROG-наклейки.
Хотя стоит отметить, что «заглушка» на заднюю панель с разъемами смонтирована на самой плате, что обычно наблюдается у дорогих материнских плат.
Форм-фактор
Материнская плата Asus ROG Strix X570-E Gaming выполнена в форм-факторе ATX, имеет размеры 305×244 мм и 9 монтажных отверстий для установки в корпус (правда доступно 8 отверстий из-за перекрытия центрального отверстия радиатором от чипсета).
На оборотной стороне практически нет элементов, только мелкая логика плюс металлическая платформа под сокетом для крепления СО. Обработан текстолит хорошо: во всех точках пайки острые концы срезаны.
Технические характеристики
Традиционная таблица с перечнем функциональных особенностей.
| Поддерживаемые процессоры | AMD Ryzen 2-го и 3-го поколений |
|---|---|
| Процессорный разъем | AM4 |
| Чипсет | AMD X570 |
| Память | 4 × DDR4, до 128 ГБ, до DDR4-4600, два канала |
| Аудиоподсистема | 1 × Realtek ALC1220 (7.1) |
| Сетевые контроллеры | 1 × Intel WGI211AT (Ethernet 1 Гбит/с) 1 × Realtek RTL8125 (Ethernet 2,5 Гбит/с) 1 × Intel Dual Band Wireless AX200NGW/CNVi (Wi-Fi 6: 802.11a/b/g/n/ac/ax (2,4/5 ГГц) + Bluetooth 5.0) |
| Слоты расширения | 3 × PCI Express 4.0/3.0 x16 (режимы x16, x8+x8 (SLI/CrossFire), x8+x8+x4 (CrossFire)) 2 × PCI Express 4.0/3.0 x1 |
| Разъемы для накопителей | 8 × SATA 6 Гбит/с (X570) 1 × M.2 (X570, PCI-E 4.0/3.0 x4/SATA 6 Гбит/с для устройств формата 2242/2260/2280/22110) 1 × M.2 (CPU, PCI-E 4.0/3.0 x4/SATA 6 Гбит/с для устройства формата 2242/2260/2280/22110) |
| USB-порты | 4 × USB 3.2 Gen2: 3 порта Type-A на задней панели + 1 порт Type-C (X570) 1 × USB 3.2 Gen2: 1 внутренний порт Type-C (X570) 2 × USB 3.2 Gen1: 1 внутренний разъем на 2 порта (X570) 4 × USB 2.0: 2 внутренних разъема каждый на 2 порта (X570) 4 × USB 3.2 Gen2: 4 порта Type-A на задней панели (CPU) |
| Разъемы на задней панели | 1 × USB 3.2 Gen2 (Type-C) 7 × USB 3.2 Gen2 (Type-A) 2 антенных разъема 2 × RJ-45 5 аудиоразъемов типа миниджек 1 × S/PDIF (оптический, выход) 1 × HDMI 2.0b 1 × DisplayPort 1.4 1 кнопка перепрошивки BIOS — FlashBack |
| Прочие внутренние элементы | 24-контактный разъем питания EATX 1 8-контактный разъем питания EATX12V 1 4-контактный разъем питания EATX12V 1 слот M.2 (E-key), занят адаптером беспроводных сетей 1 разъем для подключения порта USB 3.2 Gen2 Type-C 1 разъем для подключения 2 портов USB 3.2 Gen1 2 разъема для подключения 4 портов USB 2.0 7 разъемов для подключения 4-контактных вентиляторов (поддержка помп ЖСО) 2 разъема для подключения неадресуемой RGB-ленты 2 разъема для подключения адресуемой ARGB-ленты 1 разъем аудио для передней панели корпуса 1 разъем TPM 1 разъем NODE 2 разъема для подключения управления с передней панели корпуса 1 перемычка сброса CMOS |
| Форм-фактор | ATX (305×244 мм) |
| Розничные предложения |
Основная функциональность: чипсет, процессор, память


Материнская плата относится к среднебюджетному сегменту (сейчас материнки по ценам около 20 тысяч рублей — уже не топовые, а среднебюджетные, ибо есть платы и за 60 тысяч), количеством портов и слотов и разъемов она явно не обижена.
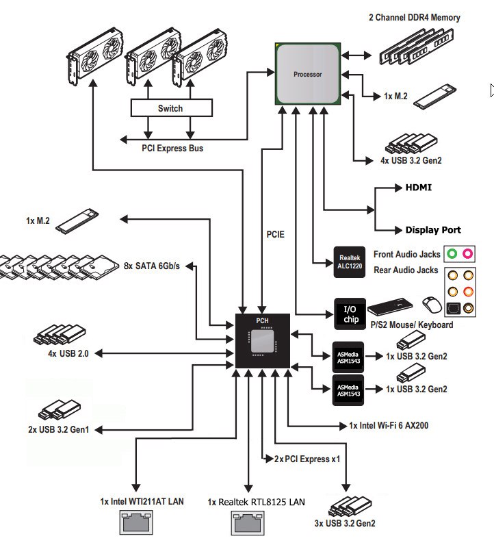
Не менее традиционная схема платформы X570.
Если кто помнит, главным отличием десктопных платформ AMD от Intel является разница в балансе поддержки портов/линий между CPU и чипсетом: у платформ Intel баланс смещен в сторону системного чипсета, а у AMD примерное равенство между CPU и чипсетом (по PCI-E линиям CPU Ryzen выглядит даже масштабнее).
Процессоры Ryzen 3000 поддерживают 4 порта USB 3,2 Gen2, 24 линии ввода-вывода (включая PCI-E 4.0), но 4 линии из них идут на взаимодействие с X570, еще 16 линий — это PCI-E слоты для видеокарт. Осталось 4 линии: они могут конфигурироваться производителями материнских плат на выбор (либо-либо):
- работа одного NVMe накопителя х4 (высокоскоростной PCI-E 4.0)
- два SATA-порта по х1 + 1 порт NVMe x2
- два порта NVMe x2
В свою очередь чипсет X570 поддерживает 8 портов USB 3.2 Gen2, 4 порта USB 2.0, 4 порта SATA и 20 линий ввода-вывода, из которых опять же 4 нужны для связи с CPU (суммарный линк х8). Остальные линии могут свободно конфигурироваться.
Таким образом в сумме от тандема X570+Ryzen 3000 мы получаем:
- 16 PCI-E 4.0 линий для видеокарт (от процессора);
- 12 портов USB 3.2 Gen2 (4 от процессора, 8 от чипсета);
- 4 порта USB 2.0 (от чипсета);
- 4 порта SATA 6Гбит/с (от чипсета)
- 20 PCI-E 4.0 линий (4 от процессора + 16 от чипсета), которые могут образовывать разные варианты комбинаций портов и слотов (в зависимости от производителя материнских плат).
Итого: 16 портов USB, 4 порта SATA, 20 свободных PCI-E линий.
Материнская плата Asus ROG Strix X570-E Gaming поддерживает процессоры AMD Ryzen 2-го и 3-го поколений, выполненные под разъем (сокет) AM4.
Для установки модулей памяти на плате Asus имеется четыре DIMM-слота (для работы памяти в Dual Channel в случае использования всего 2 модулей их следует устанавливать в А2 и B2). Плата поддерживает небуферизованную память DDR4 (non-EСС), а максимальный объем памяти составляет 128 ГБ (при использовании UDIMM последнего поколения по 32 ГБ). Разумеется, поддерживаются профили XMP.
Слоты DIMM не имеют металлизированных защит, что еще раз говорит о том, что плата не самая топовая.
Периферийная функциональность: PCI-E, SATA, разные «прибамбасы»
Выше мы изучили потенциальные возможности платформы X570+Ryzen 3000, а теперь посмотрим, что из этого и как реализовано в данной материнской плате.

Начнем со слотов PCI-E.
На плате есть 5 слотов: 3 PCI-E x16 (для видеокарт или других устройств) и 2 PCI-E x1.
У процессора есть 16 линий PCI-E 4.0, они идут только на два верхних слота PCI-E x16, третий «длинный» слот получает 4 линии от системного чипсета. Вот так выглядит схема распределения:
То есть полноценно получит 16 линий PCI-E только одиночная видеокарта, а если установить две видеокарты, объединив из в Nvidia SLI или AMD /CrossFire, то процессор выдаст уже по 8 линий PCI-E на каждый слот. А если уже кому-то очень захочется заполучить комбинацию из трех видеокарт (на сегодня это актуально только для технологии AMD CrossFireX), то по 8 линий получат только первые две карты, а третья карты получит 4 линии от чипсета. Собственно, третий слот PCI-Ex16 (по общему счету — пятый) всегда получает х4 от X570 (работает независимо от наличия/отсутствия видеокарт в первых двух). Сильно ли это снижение количества линий на каждый слот ударит по производительности в целом? В случае двух карт — ощутимо, но не так уж сильно, а целесообразность установки в такую систему трех карт одновременно находится под большим вопросом.
Распределением линий PCI-E между слотами в случае использования более одной видеокарты занимаются мультиплексоры PI3EQX16 от Pericom.
Первые два слота PCI-E x16 имеют металлические «кожухи» и дополнительные точки пайки. Общеизвестно, что такая технология призвана увеличить срок службы слотов, а также подобная защита предохраняет слоты от электромагнитных помех.
Следует особо отметить, что расположение слотов PCI-E позволяет легко смонтировать СО любого уровня и класса. Надо также сказать, что первый после PCI-Ex16 слот PCI-Ex1 (второй по общему счету) может быть будет недоступен, если используется видеокарта шириной более, чем 2 слота. Однако с учетом наличия двух PCI-E x1, вышеупомянутый минус практически нивелирован.
Идем дальше. На очереди — накопители.
Всего у платы 8 разъемов Serial ATA 6 Гбит/с + 2 слота для накопителей в форм-факторе M.2.
Все 8 портов SATA600 реализованы через чипсет X570 (4 порта SATA имеются по умолчанию, на остальные ушло еще 4 линии PCI-E из свободных).
Слоты M.2 поддерживают все современные типы накопителей этого форм-фактора, с интерфейсами PCI-E и SATA.
Оба слота одинаковые и поддерживают M.2-модули любой длины (до 22110 включительно).
Стоит особо отметить, что при установке накопителей в слот M.2_1 (верхний) с интерфейсом PCI-E в случае использования Ryzen 3000 будет поддержка PCI-E 4.0 — этот слот обслуживается процессором. При Ryzen 2xxx — PCI-E 3.0. Второй слот M.2_2 обслуживается системным чипсетом Х570, поэтому всегда имеет поддержку PCI-E 4.0. Разумеется, в случае использования накопителей с интерфейсом SATA свободных линий останется больше.
Портов ввода-вывода у чипсета с процессором на всех хватает, поэтому надобности делить аппаратные ресурсы между устройствами нет.
Оба слота M.2 имеют радиаторы (ну все же материнская плата принадлежит к элитному семейству ROG). Надо иметь в виду, что для демонтажа радиатора на нижнем M.2_2 слоте придется снять крышку с основного чипсетного радиатора.
Теперь о «фенечках», то есть «прибамбасах». Хотелось традиционно написать, что на этой плате они тоже есть, хоть и мало.. Однако их практически нет. Даже пресловутой кнопки питания нет (и это ROG??).
Если вдруг случился сбой из-за неверно выставленных параметров работы материнской платы, то для сброса настроек CMOS имеются два пина.
У материнской платы имеются световые индикаторы, сообщающие о проблемах с тем или иным компонентом системы.
Если после включения компьютера к моменту перехода на загрузку ОС все индикаторы погасли, то проблем нет.

Имеется также световой индикатор, извещающий о текущем состоянии платы: в рабочем режиме, в аппаратном режиме или программном режиме сна.

Продолжая разговор о световых индикаторах, надо упомянуть и возможности материнской платы по подключению RGB-подсветки. Имеется четыре разъема для подключения любых устройств этого плана: 2 разъема для подключения адресуемых (5 B 3 A, до 15 Вт) RGB-лент/устройств, 2 разъема неадресуемых (12 В 3 А, до 36 Вт) RGB-лент/устройств. Разъемы для подключения неадресуемых RGB устройств имеются вверху и внизу платы.

Примерно аналогично расположены и два разъема для подключения ARGB:

Контроль по синхронизации работы подсветки возложен на чип Aura 50Q (не удалось выяснить, как оригинально назывался чип и кто его производитель)
Разумеется, есть и традиционный набор штырьков FPanel для подключения проводов к передней (а сейчас уже часто и верхней или боковой или все это сразу) панели корпуса.
Также на плате имеется фирменный разъем Node: для подключения совместимых блоков питания (мониторинг напряжений, оборотов вентилятора и прочих функций).
Порт Node подписан и он рядом с USB.

Для размещения прошивки UEFI/BIOS использована микросхема MXIC-MX25U от Macronix International.
Как и многие топовые материнки от конкурентов, эта плата обладает технологией «холодной» прошивки BIOS без включения самой платы (наличие ОЗУ, процессора и прочей периферии необязательно, нужно лишь подключить питание) — Flashback.

Для такого обновления BIOS версию прошивки надо вначале переименовать в SX570EG.CAP и записать в корень на USB-«флешку», которая вставляется в особо отмеченный порт USB. Ну и запуск через кнопку, которую надо держать 3 секунды.
Разумеется, плата имеет и традиционный разъем TPM для подключения систем безопасности, контроля конфиденциальности и т. п.

Данная материнская плата относится к семейству ROG, поэтому какие-то «фенечки» есть и для оверклокеров. Например, можно подключить дополнительный внешний термодатчик.
Также имеется фирменная микросхема TPU — контроллер для программного управления частотами работы (короче, для разгона).
Периферийная функциональность: USB-порты, сетевые интерфейсы, ввод-вывод
Продолжаем рассматривать периферию. Теперь на очереди USB-порты. И начнем с задней панели, куда выведены большинство из них.
Как говорилось выше, чипсет X570 способен реализовать 12 портов USB, а процессор Ryzen 3000 — 4, то есть суммарно способны реализовать 16 выделенных портов USB всех типов (из них 12 — USB 3.2 Gen2, 4 — USB 2.0).
А что мы имеем? Всего на материнской плате — 15 портов USB:
- 9 портов USB 3.2 Gen2 (самые быстрые на сегодня): 5 из них реализованы через X570 и представлены 1 внутренним портом Type-C (для подключения такого же разъема на передней панели корпуса), 1 портом Type-C и 3 портами Type-A на задней панели; 4 реализованы через CPU Ryzen и представлены на задней панели 4 портами Type-A;
- 2 порта USB 3.2 Gen1: реализованы через X570 и представлены внутренним разъемом на материнской плате на 2 порта;
- 4 порта USB 2.0/1.1 реализованы через X570 и представлены 2 внутренними разъемами (каждый на 2 порта)
Итак, через чипсет X570 реализовано 5 USB 3.2 Gen2 + 2 USB 3.2 Gen1 + 4 USB 2.0 = 11 портов. То есть возможности X570 использованы почти по максимуму (свободным остался ресурс на 1 порт USB 3.2 Gen1/2). Через процессор Ryzen 3000 реализованы все его 4 USB 3.2 Gen2 порта.
Оба порта Type-C (USB 3.2 Gen2) усилены возможностями быстрой зарядки с помощью дополнительных контроллеров от ASMedia:
Теперь о сетевых делах.
Материнская плата оснащена средствами связи очень мощно. Разумеется, есть традиционный гигабитный Ethernet-контроллер: Intel I211-AT, способный работать по стандарту 1 Гбит/с.
Поскольку материнка относится к топовому, а также игровому семейству ROG, то вполне логично, что имеется второй Ethernet-контроллер: Realtek Dragon RTL8125, способный выдавать 2,5 Гбит/с.
Этот контроллер нацелен на геймеров: даже если физически не получается достичь 2,5 Гбит/с из-за аппаратных ограничений, все равно компанией декларируется рост скорости передачи именно в играх за счет оптимизации трансфера очень мелких пакетов, характерных для игровых сетевых соединений.
А также имеется комплексный беспроводной адаптер на контроллере Intel AX-200NGW, через который реализованы Wi-Fi 6 (802.11a/b/g/n/ac/ax) и Bluetooth 5.0. Он установлен в слот M.2 (E-key), и его разъемы для привинчивания выносных антенн выведены на заднюю панель.
Пресловутой защиты сетевых соединений Asus LanGuard на данной плате нет.
Теперь про блок ввода-вывода, разъемы для подключения вентиляторов и т. п. Мы имеем 7 разъемов для вентиляторов, правда при этом они распределены как-то «кучкообразно»: три сверху, три снизу, и один посредине. Хотя в целом нормально: не потребуется тянуть кабели от вентиляторов через всю материнку.
Так что возможности Asus ROG Strix X570-E Gaming в плане охлаждения реализованы хорошо. 5 из 7 коннекторов могут управляться как через ШИМ, так и банальным изменением напряжения/тока. Для этого можно воспользоваться настройками UEFI/BIOS (или через ПО). Остальные два коннектора (для помп) включены по умолчанию «на полную катушку» (обычно управление помпами идет через проприетарное ПО производителя СО).
Для целей мониторинга, ввода-вывода имеется контроллер NCT6798 от Nuvoton.
Также у данной материнской платы есть и стандартные видеовыходы (HDMI и DP), ведь у ряда Ryzen 2xxx имеется встроенное видеоядро (и на подходе Ryzen 3000 с интегрированной графикой). Реализация HDMI 2.0b (для вывода в формате до 4К@60Hz) поддерживается контроллером от ITE.
Заглушка, традиционно надеваемая на заднюю панель, в данном случае уже надета, и изнутри экранирована для снижения электромагнитных помех.
Аудиоподсистема
Как и практически во всех современных материнских платах, звуком заведует аудиокодек Realtek ALC1220. Он обеспечивает вывод звука по схемам до 7.1. Традиционно на платах Asus эту микросхему прикрывают фирменным металлическим «колпачком» (где-то читал даже, что декларируется как защита от внешних электромагнитных помех).
В аудиоцепях платы применяются «аудиофильские» конденсаторы Nippon Chemi-con. Аудиотракт вынесен на угловую часть платы, не пересекается с другими элементами.
Традиционно левый и правый каналы тракта разведены по разным слоям печатной платы. Никаких иных улучшений или особенностей аудиосистема не имеет. В целом это стандартная аудиоподсистема, опять-таки способная удовлетворить запросы большинства пользователей, не ожидающих от звука на материнской плате чудес.
Для тестирования выходного звукового тракта, предназначенного для подключения наушников или внешней акустики, мы использовали внешнюю звуковую карту Creative E-MU 0202 USB в сочетании с утилитой RightMark Audio Analyzer 6.4.5. Тестирование проводилось для режима стерео, 24-бит/44,1 кГц. По результатам тестирования аудиотракт на плате получил оценку «Хорошо».
Питание, охлаждение
Для питания платы на ней предусмотрены 3 разъема: в дополнение к 24-контактному ATX здесь есть еще два ATX12V (8 контактов и 4 контакта).
Система питания обычная, как уже сейчас принято повсеместно на материнских платах АТХ-формата.
Внешне схема питания выглядит очень мощно и солидно, как у старшего элитного собрата ROG Crosshair VIII: 16 фаз, из которых 14 фаз — ядро процессора, 2 фазы — SoC (I/O-чиплет Ryzen).
Управляет фазами цифровой контроллер Digi+ EPU ASP1405I (традиционно входящий в схему Asus VRM, есть предположение, что это перемаркированный IR35201), а он вообще-то рассчитан всего на схему 6+2 фазы максимум.
Традиционные удвоители? — Их нет на плате. Таким образом питание идет по хитрой схеме, без множителей. Причем, как для блока I/O, так и для VCore: Всего 8 фаз у контроллера, а в наличии физических 16 сборок. Так что каждая фаза имеет усиленный потенциал по питанию: имеет две суперферритовые катушки и две транзисторные сборки IR3555/IR3553 от International Rectifier.
Выше я упоминал контроллер TPU, отвечающий за дополнительное управление частотами и прочим. Вот именно через него и задействована данная схема через программное управление «деления» фаз: каждая фаза из 8ми имеет по два набора элементов, то есть просто параллельно, а использовать полновесную схему, или что-то из нее выключать — заведует TPU. Однако если на флагманской материнской плате ROG Crosshair VIII на плате имеются 8 вспомогательных контроллеров uP0132Q от uPI Semiconductor, которые, судя по всему, и заняты хитрым включением/отключением сборок, то у данной материнки таких контроллеров нет, и работа TPU уже не столь «ювелирная».
У модулей оперативной памяти все проще: однофазная система питания.
Управляет ею ШИМ-контроллер uP8815 от uPI Semiconductor.
Теперь про охлаждение.
Все потенциально сильно греющиеся элементы имеют свои собственные радиаторы. Как известно, самым горячим звеном в наборе AMD X570 является сам чипсет, поэтому многие производители вынуждены вспомнить про вентиляторы для такого рода микросхем (до того все топовые десктопные продукты обходились простыми радиаторами).
Разработчики из Asus также установили небольшой вентилятор на X570, при этом задали режим его включения при нагреве чипсета больше 50-52 градусов. Если нагрев меньше, то вентилятор выключен (опыт показал, что вентилятор почти всегда работал: радиатор все же весьма мал, поэтому чипсет легко нагревается без вентилятора до 75 и выше градусов).
Следует отметить минус, который я наблюдаю уже который раз: вентилятор попадает аккурат под кулер видеокарты (особенно негативно — если кулер у видеокарты массивный и перекрывает доступ воздуха к чипсетному вентилятору). Почему нельзя сделать радиатор по-массивнее и установить вентилятор в другом месте радиатора — загадка.
Остальной набор охлаждающих элементов весьма обычен и привычен.
Как мы видим, охлаждение чипсета идет отдельно от остальных греющихся элементов. Две группы силовых преобразователей имеют свои раздельные радиаторы, соединенные тепловой трубкой под прямым углом.
Также стоит напомнить, что у модулей M.2 есть свои радиаторы с термоинтерфейсом, которые крепятся отдельно от большого чипсетного радиатора (однако для демонтажа радиаторов M.2 придется снимать крышку с чипсетного).
Над блоком разъемов задней панели установлен пластиковый кожух соответствующего дизайна и с подсветкой, радиаторов там нет.
Подсветка
Разумеется, раз это дорогая линейки ROG, то богатая схема подсветки у платы — ожидаемый момент.
Уже многие знают, что сейчас топовые, да и вот подчас среднебюджетные решения (будь то видеокарта, материнская плата или даже модули памяти) практически все оснащаются красивыми модулями подсветки, положительно влияющими на эстетическое восприятие, ну а если кого-то подсветка раздражает — ее всегда можно выключить.
Кроме того, не забываем, что еще поддерживается подключение светодиодных RGB-лент/устройств к 4 разъемам на самой материнской плате. Управление всем этим комплексом осуществляется через программный комплекс Armoury Crate, в который теперь входит утилита Asus Aura Sync (ранее существовавшая отдельно). Надо сказать, что ряд производителей моддинговых корпусов с уже вмонтированной подсветкой «сертифицируют» поддержку программ ведущих производителей материнских плат, включая Asus.
Программное обеспечение под Windows
Все программное обеспечение можно скачать с сайта производителя asus.com. Основных программ теперь две. Первая — относительно новая Armoury Crate, которая взяла в себя настройку подсветки, синхронизировав ее по всем устройствам от Asus (либо по поддерживаемым моделям иных производителей), также эта программа следит за актуальностью версий всего ПО от Asus.
То есть бывшая Asus Aura Sync теперь внутри Armoury Crate.
Утилита имеет более десятка вариантов свечения кожуха и радиатора X570 (можно задавать те же режимы подсветки и для остальных элементов системы свечения платы (три разъема RGB/ARGB). Позволительно выбрать режим свечения как для отдельных элементов, так и для всей группы в целом. Ну и, разумеется, можно выключить подсветку вообще. Программа распознает многие элементы с RGB от иных производителей (подсветки блоков питания, накопителей (при условии наличия какой-либо связи по USB, модулей памяти (здесь просто программа распознает производителя/модель)).
Выше в видеоролике и на фото мы уже демонстрировали всю эту красоту.
Для желающих создать свои сценарии работы подсветки имеется программа Aura Creator, которую можно установить из Armoury Crate (через магазин приложений Microsoft Store).
Второй основной программой управления работой платы является Ai-Suite.
Но основным элементом Ai-Suite является Dual Intelligent Processors 5 — программа настройки работы всей платы по частотам, вентиляторам и напряжениям.
Выше при изучении VRM я писал о необычной схеме питания с 16 сборками и наличием ШИМ-контроллера, умеющего работать всего с 8 фазами. Наличие дополнительного контроллера TPU дает возможность программно выставлять режимы питания.
Можно в основном меню просто выбирать пресеты, тогда утилита автоматически все выставит.
Не менее интересным и нужным является система управления вентиляторами (которых может быть подключено до 7 штук).
Точно также можно использовать пресеты, а можно вручную задать кривые по работе вентиляторов. Вообще то, что у данной материнки есть такие мощные инструменты настроек, говорит о том, что она явно в топовом сегменте.
Разумеется, вышеупомянутыми утилитами набор ПО не ограничивается. Следует рассказать про утилиту GameFirst. Это мощный сетевой менеджер, рассчитанный на работу с несколькими сетевыми устройствами, включая быстрый Ethernet (в нашем случае Realtek 2,5 Гбит/с).
Программа может выставлять приоритеты по загрузке канала сети, то есть можно, например, игровым приложениям выставить «зеленый» свет, чтобы не было никаких тормозов, связанных с сетью, ограничив доступ остальным приложениям, и т. д. Утилита также осуществляет мониторинг сетевых соединений, загрузки канала и т. п. Собственно, это тоже одна из черт, особенностей серии ROG.
И еще. Всем известна технология Intel Optane Memory: грубо говоря, аппаратный кеш для ускорения работы с накопителями (особенно типа HDD). Ну вот Asus представил нечто подобное на программном уровне, эта утилита использует часть ОЗУ для кеширования.
Настройки BIOS
Все современные платы сейчас имеют UEFI (Unified Extensible Firmware Interface), которые, по сути, являются операционными системами в миниатюре. Для входа в настройки при загрузке ПК традиционно надо нажать клавишу Del или F2.
По умолчанию система предлагает «простое» меню для тонкой настройки, но можно нажать F7 и попасть в «продвинутое» меню.
Основные разделы «продвинутого» меню касаются общих установок работы материнской платы, настроек разгона, возможности обновления прошивки BIOS (уже через программный интерфейс), просмотра состояния платы (мониторинга), записи-чтения профилей, в которых занесены установки по разгонам, также имеются: настройщик автоматического разгона, программа по настройки работы вентиляторов (аналогично той «софтине», о которой рассказал выше).



Разделы, касающиеся периферийных устройств — обычны и привычны.



Интересен лишь раздел по конфигурации каждого слота PCI-E, а также M.2. Лишний раз можно убедиться в том, что второй PCI-Ex16 всегда работает в х8 режиме, даже если в него вставлена одиночная видеокарта. Понятно, что если видеокарта — в первом PCI-Ex16, то второй просто отключается (они оба делят 16 линий от CPU).



Закладка мониторинга не только просто демонстрирует температуры и частоты вращения вентиляторов, но и дает возможность управлять работой вентиляторов: мы помним, что суммарно на плате есть 7 разъемов для подключения оных (включая помповые гнезда). И пять из них имеют возможность управления из BIOS (можно выставить режим контроля: через ШИМ или напрямую), также можно наглядно выставить контрольные точки работы вентиляторов в зависимости от нагрева.


Про CSM (Compatibility Support Module — блок совместимости со старыми устройствами) уже не раз писал. Если CSM выключить, это будет означать, что загрузочный накопитель отформатирован с GPT (все NVMe-накопители поддерживают загрузку только с GPT), загрузка с него пойдет быстрее (по сути, UEFI «передает вахту» Windows 10, даже не меняя заставку). Если же у вас загрузочный накопитель с MBR, то CSM следует включить, тогда будет опрос и запуск загрузки как раньше. Так вот, у плат от Asus по умолчанию CSM всегда выключен, это надо иметь в виду!
Настроек по разгону много, как обычно бывает у самых «продвинутых» и топовых плат, то есть это достаточно запутанные «дебри». Очевидно, что на то, чтобы все это с умом попробовать, уйдет очень много времени. Однако...


Как уже я говорил ранее, Precision Boost от AMD уже по сути обеспечивает максимум разгона, и программа обслуживания процессоров Ryzen — AMD Ryzen Master наилучшим образом определяет те стабильные максимумы, на которые может выйти тот или иной процессор в конкретных условиях. К тому же Asus предлагает свой собственный набор программных инструментов для достижения оптимального оверклокинга.
Хоть данная плата в основном предназначена для геймеров, однако определенные оверклокерские возможности она имеет. Так что кратко пройдемся по разгону.
Разгон
Полная конфигурация тестовой системы:
- материнская плата Asus ROG Strix X570-E Gaming;
- процессор AMD Ryzen 9 3900X 3,8 ГГц;
- оперативная память Corsair UDIMM (CMT32GX4M4C3200C14) 32 ГБ (4×8) DDR4 (XMP 3200 МГц);
- накопитель SSD OCZ TRN100 240 ГБ;
- видеокарта Nvidia GeForce RTX 2070 Super;
- блок питания Corsair AX1600i (1600 Вт);
- ЖСО Corsair H115i RGB Platinum 280;
- телевизор LG 43UK6750 (43″ 4K HDR);
- клавиатура и мышь Logitech;
- операционная система Windows 10 Pro (v.1903), 64-битная.
Для проверки стабильности разгона я использовал программы:
- AIDA 64 Extreme
- AMD Ryzen Master
- 3DMark Time Spy CPU benchmark
- 3DMark Fire Strike Physics benchmark
- 3DMark Night Raid CPU benchmark
- HWInfo64
- Adobe Premiere CS 2019 (рендеринг видеоролика)
Вот что у нас по умолчанию. Частоты бегают вразнобой по ядрам, просто соблюдается Precision Boost с его лимитами. При этом некоторые ядра получают частоты работы ниже номинала. Короче, как кучка транзисторов в блоке решила, так и выставляется (шутка).
Запускаем стресс-тест от AIDA.
Мы видим, что все температурные параметры в норме, а частоты работы ядра иногда «вылетают» выше номинала в 3800 МГц. Разумеется, только часть ядер так разгоняется, идет жесткое слежение за нагревом. Мы видим, что нагрев CPU легко достигает 80 С, а подчас доходит и до 90, поэтому AMD PB не позволяет частотам сильно «разгуляться». Чипсет Х570 нагревался до 62 С, вентилятор на нем работал на оборотах около 2500, шумным особо не ощущался. Следует отметить, что в данном режиме я не «выкручивал» максимальные обороты на основной СО. Потому что режим по умолчанию все же.
Далее можно пробовать разгонять традиционными способами: через фирменную утилиту или через настройки в BIOS. А можно воспользоваться программой AMD Ryzen Master, которая бесплатно раздается самой компанией (утилиту можно скачать с сайта AMD). Ryzen Master предлагает два основных режима использования процессора, и в зависимости от них выставляет нужные параметры работы CPU: Creator Mode и Game Mode. Желающие экспериментов могут создать свои профили и пресеты. Мы же запускаем программу в Game Mode, включаем авторазгон.
Программа перезагружает ПК и запускает внутренние тесты проверки, мы видим, что количество активных ядер у CPU уменьшилось до 6, то есть уполовинилось. Снова запускаем стресс-тест от AIDA и видим, что максимальные частоты работы ядер сильно выросли (выше 4,2 ГГц). При этом показатели максимальных нагревов CPU и Х570 практически не изменились. Это понятно, так как работала только половина ядер у процессора, это видно даже по энергозатратам: в режиме по умолчанию потребление достигало 135 Вт, когда в данном режиме и до 105 Вт не дошло. Разумеется, уже в данном случае режим работы ЖСО был выставлен на максимум.
Далее нагружаем не менее жестким тестом рендеринга с помощью Adobe Premiere CS 2019, а также CPU-тесты из пакета 3DMark. Задача хорошо прогрузила все ядра процессора, максимальная частота почти не изменилась и осталась на уровне 4,25 ГГц. Очевидно, что Ryzen Master перестраховался и выставил недостаточно высокие частоты. Надо сказать, что ранее я получал на том же CPU (у нас единственный экземпляр Ryzen 9 3900X на всю лабораторию) частоты 4,3 ГГц на всех ядрах. Так что 4,25 ГГц для него не предел. Однако тут уже играет роль система питания. Да и разве кому-то прямо так важно: 4,3 или 4,25? Разницу даже в бенчмарках особо не увидеть. В целом в игровом режиме мы смогли получить прирост в среднем на 6%-7% относительно стандартного режима работы. Для Adobe Premiere этот режим (Game Mode) лучше не использовать даже несмотря на приличный прирост по частотам CPU, потому что Game Mode включает только половину ядер у 3900Х, а для такого монстра как Premiere четко известно: чем больше ядер — тем лучше.
Поэтому специально для этого теста переключил AMD Ryzen Master в режим Creator Mode. Ну и запустил стресс-тесты снова.
Запущены все 12 ядер у 3900X, частоты на них, конечно же снизились (AMD PB по-прежнему начеку), но все равно сильно выше, чем в режиме по умолчанию. Все температурные показатели на том же уровне.
Что дал этот режим для Premiere? — Ну время рендеринга уменьшилось на 2,5% относительно режима по умолчанию. Конечно это мизерная выгода, однако в случае огромных по времени проектов этого пакета выгода может и стать более значительной.
Выводы
Плату Asus ROG Strix X570-E Gaming сложно назвать недорогой: на момент подготовки обзора она стоила больше 20 тысяч рублей. Но тут следует снова напомнить, что топовый чипсет (AMD X570) никто не будет ставить в дешевые материнские платы, а бюджетных чипсетов для Ryzen 3000 компания AMD пока еще не представила. Поэтому если кто-то хочет уже сегодня получать выигрыш от полноскоростного PCI-E 4.0, придется покупать материнскую плату на чипсете X570.
У данной платы отменная функциональность: 15 портов USB всех калибров (при этом очень много высокоскоростных USB 3.2 Gen2, что встречается не так часто), два «защищенных» слота PCI-E x16, два «длинных» слота M.2 (поддерживающих модули с интерфейсом как PCI-E 4.0, так и SATA). Стоит отметить отличную систему питания (явно топового уровня), дающую ощутимый запас для разгона и обеспечивающую гибкие возможности регулирования напряжений (программа AMD Ryzen Master тестирует это при запуске режима разгона). 7 разъемов для вентиляторов позволяют организовать какую угодно систему охлаждения ПК, при этом есть гибкая система контроля за работой почти каждого вентилятора! Еще в плюсы надо добавить красивую подсветку самой платы, включая широкие возможности для подключения дополнительных RGB-устройств. Можно упомянуть и поддержку быстрой зарядки мобильных гаджетов через порты USB Type-C. Поддержка со стороны программного обеспечения также хороша. Имеется и минус: расположение чипсетного вентилятора, попадающего прямо под кулеры массивных видеокарт.
Плата получилась очень интересной, и мне кажется, она оказалась на своем месте, то есть в своей ценовой нише: ведь более функционально насыщенные платы той же компании Asus имеют и существенно более высокие цены. А тут при в полтора раза меньшей стоимости (по сравнению с флагманскими продуктами на Х570) мы получаем отличную функциональность!
Ну а почему такие цены на материнские платы топовых серий — вопрос к AMD, ну и к курсу рубля.
Благодарим компанию Asus Russia
и лично Евгения Бычкова
за предоставленную на тестирование плату
Для тестового стенда:
блок питания Corsair AX1600i (1600W) предоставлен компанией Corsair
термопаста Noctua NT-H2 предоставлена компанией Noctua























































































