Мы регулярно отслеживаем новинки в палитре ноутбуков, предлагаемых под маркой Honor. Сегодня рассмотрим аппарат Honor MagicBook X 16 2023 (BRN-F56) с 16-дюймовым экраном и с процессором Intel Core i5-12450H (это чип предыдущего, 12-го поколения, он не самый производительный, но встречается и в игровых ноутбуках).
В серии MagicBook X имеются ноутбуки с диагональю экрана от 14 до 16 дюймов, совсем недавно мы знакомились с еще одной новинкой MagicBook X 14 2023 (FRI-F56), имеющей тот же процессор, но 14-дюймовый экран и соответственно меньшие размеры и вес; с ней в обзоре не раз будут сравнения.
На ресурсах Honor представлены разные серии: MagicBook View (флагманы), «номерные» MagicBook N (средний класс) и MagicBook X (начальный уровень). При этом разница между сериями официально никак не комментируется, а у каждой модели есть еще буквенно-цифровой индекс, который в «первоисточниках» указывается не всегда.
Сегодня за информацией о некоторых из этих моделей приходится идти на глобальный сайт компании. Тем не менее, в российской рознице этот MagicBook X 16 найти уже можно, ориентировочная цена — 70 тысяч рублей.
Конфигурация и комплектация
Спецификация выглядит так:
| Honor MagicBook X 16 2023 (BRN-F56) | ||
|---|---|---|
| Процессор | Intel Core i5-12450H (4+4 ядра/12 потоков, до 3,3/4,4 ГГц, 35—95 Вт) | |
| Оперативная память | 16 ГБ LPDDR4X-4266 (чипы Micron MT53E1G32D2NP-046 W распаяны на плате) возможен вариант с 8 ГБ | |
| Видеоподсистема | интегрированная UHD-графика Intel | |
| Экран | 16 дюймов, 1920×1200 (16:10), IPS (BOE0B4C), 60 Гц | |
| Звуковая подсистема | Realtek, 2 динамика | |
| Накопитель | SSD 512 ГБ (Kioxia KBG50ZNV512G, M.2 2280, NVMe, PCIe 4.0 x4) предусмотрена установка второго накопителя в слот M.2 2242 | |
| Картовод | нет | |
| Сетевые интерфейсы | Проводная сеть | нет |
| Беспроводная сеть Wi-Fi | Wi-Fi 6 (Intel AX201D2W IEEE 802.11ax, 2,4/5,0 ГГц, MIMO 2×2, ширина канала 160 МГц) | |
| Bluetooth | Bluetooth 5.2 *) | |
| Интерфейсы и порты | USB | 1 × USB3.2 Gen2 Type-C с поддержкой передачи данных до 10 Гбит/с, Power Delivery и вывода графики 2 × USB3.2 Gen1 Type-A |
| RJ-45 | нет | |
| Видеовыходы | HDMI 1.4b (до 4K@30 Гц) 1 × DisplayPort через USB Type-C | |
| Аудиоразъемы | комбинированный для гарнитуры (миниджек) | |
| Устройства ввода | Клавиатура | с подсветкой и цифровым блоком |
| Тачпад | кликпад | |
| IP-телефония | Веб-камера | 720p@30 FPS |
| Микрофон | есть (2 шт.) | |
| Сканер отпечатков пальцев | есть | |
| Батарея | 60 Вт·ч, литий-полимерная | |
| Габариты | 356×250×19,0 мм (с учетом ножек: до 22,8 мм) | |
| Масса без блока питания | 1,74 кг | |
| Адаптер питания | 65 Вт (поддержка Power Delivery до 20V@3.25А), вес 0,2 кг (с кабелем) | |
| Операционная система | Windows 11 Home (22H2) | |
| Описание на сайте производителя | hihonor.com | |
*) в спецификации на официальном сайте говорится о Bluetooth 5.1, но значение LMP соответствует версии 5.2, которая поддерживается и модулем беспроводной связи Intel AX201D2W.
Изделие упаковано в картонную коробку с ручкой для переноски.
В комплекте, кроме самого ноутбука, идет адаптер питания со сменным выходным кабелем длиной 1,7 м, оснащенным «липучкой», а также набор документации.
Внешний вид и эргономика
Аппарат предлагается в двух расцветках: серебристой (Mystic Silver; доступна не во всех регионах) и серой (Space Gray, такой достался нам; выглядит, кстати, очень благородно). Фактура поверхностей матовая с легкой шероховатостью, отпечатки рук на них получаются не особо заметными.
Обе панели корпуса и верхняя часть крышки с экраном сделаны из алюминиевого сплава. По понятным причинам не обошлось без пластиковых вставок, занимающих значительную (у верхней панели корпуса) и небольшую (у нижней) часть их внутренней поверхности.
Дизайн вполне стандартный, особых отличий от множества подобных моделей не имеет.
Заявленные размеры подтвердились нашими замерами, но надо уточнить: приведенное в спецификации значение толщины 17,9 мм — это скорее некоторое усреднение, реально в самом толстом месте получается побольше: 19 мм, а с ножками и вовсе до 22,8 мм.
Конструкция корпуса получилась довольно жесткой, хотя панели при умеренно сильном нажатии всё же чуть прогибаются, однако скрипа или щелчков за время тестирования не было замечено. Прочность на скручивание крышки с ЖК-экраном маловата — сказался размер. Но всё это присуще большинству ноутбуков данного класса, причем независимо от ценовой категории, а зачастую и от диагонали матрицы.
Крышка с экраном тонкая, из украшений — лишь название бренда.
Ширина черной пластиковой рамки вокруг экрана по нынешним меркам небольшая: по бокам 5 мм, вверху 6,9 мм (там расположена веб-камера с индикатором и микрофоны), внизу 13,5 мм до изгиба края крышки.
На днище, кроме ножек (спереди две небольшие, сзади одна почти по всей ширине), ближе к задней кромке имеется вентиляционная решетка, через которую происходит забор воздуха для охлаждения компонентов, поэтому ставить ноутбук на мягкую поверхность не следует.
На заднем торце корпуса есть более крупные прорези, через которые система вентиляции выбрасывает нагретый воздух (на фото их не видно: они закрыты изгибом крышки). Получается подогрев нижней части экрана, и во время запуска «тяжелых» тестов выяснилось: нагрев весьма ощутимый, и лишь длительная эксплуатация покажет, насколько это критичный недостаток.
Крышка с экраном открывается на угол до 150 градусов (нижняя кромка при этом не касается стола) и точно фиксируется в любом положении, начиная с 25-30 градусов, исключая разве что закрытое состояние — удерживающих магнитов не предусмотрено, поэтому имеется небольшой люфт.
Усилие петель заметное, открыть крышку одной рукой не получится — придется придерживать нижнюю часть. Для удобства в середине ее передней кромки сделан небольшой вырез, чтобы проще было подцепить пальцем, в других местах это сделать сложнее.
На правом боку имеются порт USB3 Gen1 Type-A и комбинированный миниджек для аудиогарнитуры.
Слева находятся разъем USB Type-C с поддержкой передачи данных, питания Power Delivery и вывода видеосигнала, второй USB3 Gen1 Type-A и полноразмерный порт HDMI, а также крошечный индикатор питания, который нельзя увидеть при нормальном расположении оператора. Картовода нет.
То есть набор внешних портов довольно скромный по количеству и не самый современный по номенклатуре; у MagicBook X 14 2023 было то же самое, хотя протестированный полтора года назад MagicBook 16 (HYM-W56) имел на один порт Type-C больше. При стандартных сценариях использования один из портов USB-A у многих владельцев будет занят мышью, USB-C часто будет использоваться для подключения к внешнему источнику питания, и тогда на все прочие нужды остается единственный разъем USB-А — можно предположить, что без USB-хаба (который придется не только покупать отдельно, но еще и частенько носить с собой) смогут обойтись далеко не все.
Как и в 14-дюймовой модели, клавиатура мембранного типа с островным расположением кнопок, но по конфигурации она существенно иная: увеличенные размеры 16-дюймового ноутбука позволили не только добавить цифровой блок (правда, не полноценный, а трехрядный), но и сделать все кнопки со стрелками нормального размера — в MagicBook X 14 2023 и MagicBook 16 (HYM-W56) «вверх» и «вниз» имеют половинную высоту.
Отступы по бокам не слишком большие: 18 мм. Размер большинства кнопок обычный — 16,3×16,3 мм, функциональные поменьше — 15,2×9 мм, левый Shift широкий — 45,2 мм, правый гораздо более узкий — 18,4 мм.
Расстояние между краями кнопок в одном ряду и между рядами — 2,5 мм. Печатать вполне комфортно, звуки при печати тихие. Полный ход клавиш — 1,4-1,5 мм.
Предусмотрена подсветка — белая, с двумя уровнями. Даже на максимуме яркость весьма умеренная, порой хотелось бы и поярче. Подсветку можно отключить совсем или задействовать в утилите Honor PC Manager (о ней ниже) автоматическое отключение при неиспользовании клавиатуры в течение определенного времени. Подсвечиваются и нанесенные символы, и края клавиш (но в меньшей степени).
В CapsLock и некоторых других клавишах имеются встроенные индикаторы на крошечных белых светодиодах, отображающие включение соответствующих режимов.
Кнопка Power находится в правом дальнем углу клавиатуры и имеет чуть иную форму, она слегка утоплена, а усилие нажатия немного больше, чем у остальных клавиш. Понятно, что это призвано уменьшить вероятность срабатывания от случайных прикосновений, достаточны ли эти меры — покажет только длительная практика.
В эту кнопку встроен сканер отпечатка пальца.
Веб-камера примитивна, она способна обеспечить разрешение до 720p при 30 fps и не имеет шторки, можно лишь отключить ее сочетанием клавиш.
Тачпад довольно большой: 120×72 мм, его поверхность слегка заглублена. Выделенных клавиш нет, но левый и правый ближние его края вполне могут работать как соответствующие кнопки мыши.
Сам по себе он вполне удобный, но заметно смещен влево, и при печати двумя руками, когда запястья лежат на передней части рабочей поверхности, вполне вероятны его случайные касания левой рукой с последующим непредсказуемым перемещением указателя/курсора. На такой случай предусмотрено сочетание клавиш для быстрого отключения тачпада.
Программное обеспечение
Доступный объем SSD разбит на две неравные части: примерно четверть отведена под системный раздел, остальное свободно.
Аппарат поставляется с операционной системой Windows 11 Home и фирменной утилитой Honor PC Manager (мы опробовали версию 16.0.0.118).
Утилита отображает информацию об устройстве, позволяет проводить некоторые операции обслуживания, обновлять ПО, передавать файлы на находящиеся поблизости устройства без подключения к интернету, выводить на телевизор содержимое экрана ноутбука, а также обеспечивает взаимодействие со смартфоном или планшетом.




Интерфейс русифицирован — в целом неплохо, но не обошлось без забавных опечаток: так, утилита рапортует о наличии батареи емкостью почти 60 тысяч мегаватт-часов!

Предусмотрены дополнительные настройки для звука при использовании микрофонов и динамиков.


Предлагается и оптимизация, но если с «управлением драйверами» всё более-менее понятно (это проверка наличия более свежих версий), то «комплексная проверка всего за две минуты» выдавала нам результаты либо банальные («Wi-Fi выключен, рекомендуется включить»), либо сомнительные — включить автообновление руководства пользователя.




Здесь же есть некое управление производительностью путем выбора «умного» или «производительного» режима (возможно и быстрое переключение сочетанием Fn+P). Второй можно включить только при питании от внешнего источника и при уровне заряда батареи не менее 20%, причем задействуется он лишь до очередной перезагрузки. Влияние «умности» попытаемся проверить при тестировании.
Пункт «Советы» — это вызов инструкций или справок, но не с локального диска, а с интернет-ресурсов.
«Диагностика» выводит подробный перечень «железа» ноутбука (кнопка «АО»), а также содержит набор процедур его проверки. Кнопка «ПО системы» показывает лишь, включено ли автообновление руководства пользователя.


Содержимое пункта «Службы» понятно из скриншота.
Немаловажные настройки спрятаны за кнопочкой с тремя горизонтальными полосками в правом верхнем углу окна утилиты — там есть установки не только для нее самой (вроде автозапуска при загрузке ОС), но и для некоторых других функций.





В частности, здесь находится управление подсветкой клавиатуры: постоянно (если, конечно, она включена сочетанием клавиш) либо с отключением после задаваемого интервала бездействия. Можно определить поведение кнопок верхнего ряда, чтобы они работали как «горячие клавиши» без нажатия Fn.


Есть и управление зарядом батареи, но об этом чуть ниже.
Из прочего установлены набор приложений Microsoft 365 (для полноценной работы придется заплатить) и утилита Nahimic Companion для продвинутой обработки звука, которая часто встречается в разных ноутбуках.
Экран
В ноутбуке Honor MagicBook X 16 (BRN-F56) используется 16,0-дюймовая IPS-матрица с разрешением 1920×1200 пикселей (отчет edid-decode).
Внешняя поверхность матрицы черная жесткая и полуматовая (зеркальность хорошо выражена). Какие-либо специальные антибликовые покрытия или фильтр отсутствуют, нет и воздушного промежутка. При питании от сети или от батареи и при ручном управлении яркостью (автоматической подстройки по датчику освещенности нет) ее максимальное значение составило 335 кд/м² (в центре экрана на белом фоне). Если избегать прямого солнечного света, то такое значение позволяет как-то использовать ноутбук на улице даже летним солнечным днем.
Для оценки читаемости экрана вне помещения мы используем следующие критерии, полученные при тестировании экранов в реальных условиях:
| Максимальная яркость, кд/м² | Условия | Оценка читаемости |
|---|---|---|
| Матовые, полуматовые и глянцевые экраны без антибликового покрытия | ||
| 150 | Прямой солнечный свет (более 20000 лк) | нечитаем |
| Легкая тень (примерно 10000 лк) | едва читаем | |
| Легкая тень и неплотная облачность (не более 7500 лк) | работать некомфортно | |
| 300 | Прямой солнечный свет (более 20000 лк) | едва читаем |
| Легкая тень (примерно 10000 лк) | работать некомфортно | |
| Легкая тень и неплотная облачность (не более 7500 лк) | работать комфортно | |
| 450 | Прямой солнечный свет (более 20000 лк) | работать некомфортно |
| Легкая тень (примерно 10000 лк) | работать комфортно | |
| Легкая тень и неплотная облачность (не более 7500 лк) | работать комфортно | |
Эти критерии весьма условны и, возможно, будут пересмотрены по мере накопления данных. Отметим, что некоторое улучшение читаемости может быть в том случае, если матрица обладает какими-то трансрефлективными свойствами (часть света отражается от подложки, и картинку на свету видно даже с выключенной подсветкой). Также глянцевые матрицы даже на прямом солнечном свету иногда можно повернуть так, чтобы в них отражалось что-то достаточно темное и равномерное (в ясный день это, например, небо), что улучшит читаемость, тогда как матовые матрицы для улучшения читаемости нужно именно загородить от света. В помещениях с ярким искусственным светом (порядка 500 лк), более-менее комфортно работать можно даже при максимальной яркости экрана в 50 кд/м² и ниже, то есть в этих условиях максимальная яркость не является важной величиной.
Вернемся к экрану тестируемого ноутбука. Если настройка яркости равна 0%, то яркость снижается до 5,0 кд/м². Таким образом, в полной темноте яркость экрана получится понизить до комфортного уровня.
На любом уровне яркости значимая модуляция подсветки отсутствует, поэтому нет и никакого мерцания экрана. В доказательство приведем графики зависимости яркости (вертикальная ось) от времени (горизонтальная ось) при различных значениях настройки яркости:

В этом ноутбуке используется матрица типа IPS. Микрофотографии демонстрируют типичную для IPS структуру субпикселей (черные точки — это пыль на матрице фотоаппарата):
Фокусировка на поверхности экрана выявила хаотично расположенные микродефекты поверхности, отвечающие за матовые свойства:
Зерно этих дефектов в несколько раз меньше размеров субпикселей (масштаб этих двух фотографий примерно одинаковый), поэтому фокусировка на микродефектах и «перескок» фокуса по субпикселям при изменении угла зрения выражены слабо, из-за этого нет и «кристаллического» эффекта.
Мы провели измерения яркости в 25 точках экрана, расположенных с шагом 1/6 от ширины и высоты экрана (границы экрана не включены). Контрастность вычислялась как отношение яркости полей в измеряемых точках:
| Параметр | Среднее | Отклонение от среднего | |
|---|---|---|---|
| мин., % | макс., % | ||
| Яркость черного поля | 0,29 кд/м² | −13 | 45 |
| Яркость белого поля | 330 кд/м² | −7,4 | 7,0 |
| Контрастность | 1200:1 | −29 | 8,1 |
Если отступить от краев, то равномерность белого поля очень хорошая, а черного поля и, как следствие, контрастности — заметно хуже. Визуально видно, что черное поле местами, в основном ближе к краям, немного высветляется. Впрочем, неравномерность засветки черного видно только на очень темных сценах и в почти полной темноте, значимым недостатком ее считать не стоит. Отметим, что жесткость крышки, хоть она и изготовлена из алюминия, невелика, крышка слегка деформируется при малейшем приложенном усилии, а от деформации сильно меняется характер засветки черного поля. Контрастность по современным меркам для данного типа матриц немного выше типичной.
Экран имеет хорошие углы обзора без значительного снижения яркости и сдвига цветов даже при больших отклонениях взгляда от перпендикуляра к экрану и без инвертирования оттенков. Однако черное поле при отклонении по диагонали сильно высветляется и приобретает красно-фиолетовый оттенок.
Время отклика при переходе черный-белый-черный равно 19 мс (10 мс вкл. + 9 мс выкл.), переход между полутонами серого в сумме (от оттенка к оттенку и обратно) в среднем занимает 28 мс. Матрица небыстрая, разгона нет.
Мы определяли полную задержку вывода от переключения страниц видеобуфера до начала вывода изображения на экран (напомним, что она зависит от особенностей работы ОС Windows и видеокарты, а не только от дисплея). При 60 Гц частоты обновления задержка равна 12 мс. Это небольшая задержка, она абсолютно не ощущается при работе за ПК и даже в очень динамичных в играх не приведет к снижению результативности.
В настройках экрана доступны две частоты обновления — 60 и 48 Гц. Вторая может пригодиться при просмотре кинофильмов. По крайней мере при родном разрешении экрана вывод идет с глубиной цвета 8 бит на цвет.
Далее мы измерили яркость 256 оттенков серого (от 0, 0, 0 до 255, 255, 255). График ниже показывает прирост (не абсолютное значение!) яркости между соседними полутонами:

Рост прироста яркости довольно равномерный, и каждый следующий оттенок значимо ярче предыдущего. В самой темной области аппаратно и визуально различаются все оттенки:

Аппроксимация полученной гамма-кривой дала показатель 2,17, что чуть ниже стандартного значения 2,2. При этом реальная гамма-кривая немного отклоняется от аппроксимирующей степенной функции:

Цветовой охват близок к sRGB:

Поэтому визуально цвета изображений, ориентированных на вывод в пространстве sRGB, на этом экране имеют естественную насыщенность. Ниже приведен спектр для белого поля (белая линия), наложенный на спектры красного, зеленого и синего полей (линии соответствующих цветов):

По всей видимости, в этом экране используются светодиоды с синим излучателем и зеленым и красным люминофором (обычно — синий излучатель и желтый люминофор), что в принципе позволяет получить хорошее разделение компонент. Да, и в красном люминофоре, видимо, используются так называемые квантовые точки. Однако специально подобранными светофильтрами выполняется перекрестное подмешивание компонент, что сужает охват до sRGB.
По умолчанию баланс оттенков на шкале серого хороший, так как цветовая температура близка к стандартным 6500 К, и отклонение от спектра абсолютно черного тела (ΔE) ниже 10, что для потребительского устройства считается приемлемым показателем. При этом цветовая температура и ΔE мало изменяются от оттенка к оттенку — это положительно сказывается на визуальной оценке цветового баланса. (Самые темные области шкалы серого можно не учитывать, так как там баланс цветов не имеет большого значения, да и погрешность измерений цветовых характеристик на низкой яркости большая.)


Двигая точку на цветовом круге в настройках экрана или выбирая встроенные профили, можно попытаться подправить цветовой баланс, но особой надобности в такой коррекции нет.
Включение опции Защита зрения снижает интенсивность синей компоненты (в Windows 10-11 соответствующая настройка и так есть). В принципе, яркий свет может приводить к нарушению суточного (циркадного) ритма (см. статью про iPad Pro с дисплеем 9,7 дюйма), но всё решается снижением яркости до низкого, но еще комфортного уровня, а искажать цветовой баланс, уменьшая вклад синего, нет абсолютно никакого смысла. При включении Режима электронная книга изображение становится черно-белым:
Подведем итоги. Экран этого ноутбука имеет достаточно высокую максимальную яркость (335 кд/м²), чтобы устройством можно было пользоваться светлым днем вне помещения, загородившись от прямого солнечного света. В полной темноте яркость можно понизить до комфортного уровня (вплоть до 5 кд/м²). К достоинствам экрана можно причислить хороший цветовой баланс и охват, близкий к sRGB. К недостаткам — низкую стабильность черного к отклонению взгляда от перпендикуляра к плоскости экрана. В целом качество экрана высокое.
Работа от батареи
Заявленная емкость батареи составляет 60 Вт·ч, на ней самой обозначены близкие значения, которые подтверждаются и утилитами.


Производитель декларирует 11,5 часов для воспроизведения видео 1080р с локального накопителя при яркости экрана 150 нит (1 нит = 1 кд/м²), но при замерах многое зависит от методики, поэтому посмотрим, что покажут наши тесты с использованием скрипта iXBT Battery Benchmark v1.0. Яркость экрана при тестировании выставляется на 100 кд/м² (в данном случае это соответствует примерно 49%), так что ноутбуки с относительно тусклыми экранами не получают преимущества. При разряде индикатор не горит совсем, даже при остатке 5% и менее.
| Сценарий нагрузки | Время работы, разряд от 100% до 1% |
|---|---|
| Подсветка клавиатуры выключена | |
| Работа с текстом | 12 ч. 19 мин. |
| Просмотр видео | 8 ч. 26 мин. |
| Подсветка клавиатуры включена на максимум | |
| Работа с текстом | 9 ч. 20 мин. |
| Просмотр видео | 7 ч. 15 мин. |
Автономность при работе с текстом получается очень хорошей, особенно с учетом далеко не рекордной емкости батареи. С просмотром видео дело обстоит хуже, но тоже весьма неплохо, хотя длительность работы при этом заметно меньше, чем заявляет производитель. Но у него и условия тестирования другие (хотя яркость экрана в его тестах больше выставляемой нами).
Влияние подсветки клавиатуры на время работы с текстом очень заметно: при максимальной яркости оно сокращается на четверть. При просмотре видео снижение автономности поменьше, около 15%.
Нам встречались аналогичные по классу ноутбуки как с близкой емкостью батареи, так с более низкой и высокой; те и другие мы использовали для сравнения. Включили и данные для MagicBook X 14 2023.
| Модель | Honor MagicBook X16 2023 BRN-F56 (60 Вт·ч) | Honor MagicBook X14 2023 FRI-F56 (60 Вт·ч) | MSI Prestige 14 Evo B13M (72 Вт·ч) | Tecno Megabook T1 (70 Вт·ч) | Huawei MateBook 14s HKF-X (60 Вт·ч) | MSI Prestige 14 Evo A12M-248RU (54 Вт·ч) | Lenovo Yoga Slim 7 Pro 14ACH5 (61 Вт·ч) |
|---|---|---|---|---|---|---|---|
| Работа с текстом | 739 | 1037 | 910 | 912 | 806 | 672 | 632 |
| Просмотр видео | 506 | 575 | 507 | 887 | 542 | 447 | 345 |
Если сравнивать с моделями, имеющими батарею на 60-61 Вт·ч, то результат у рассматриваемого ноутбука скорее средний — рекордсменом при работе с текстом стал его 14-дюймовый «собрат»: с такой же батареей он продержался на пять часов дольше! Правда, с просмотром видео у него результат уже не столь героический.
Теперь о питании от сети с подключением к разъему Type-C, для чего можно использовать адаптер из комплекта либо произвольное ЗУ с поддержкой 20-вольтового режима Power Delivery при токе не менее 3 А: с полностью заряженной батареей и с яркостью экрана на уровне 50 процентов при запуске «тяжелых» приложений потребление вплотную приближается к трем амперам на длительное время.
Штатный адаптер вполне обычный, со встроенной вилкой и одним выходом Type-C. Как уже говорилось, в комплекте имеется кабель с разъемами Type-C длиной 1,7 метра.
Этот БП поддерживает режимы PD вплоть до 20V@3.25A, то есть до 65 Вт. Конечно, его можно использовать и для питания других устройств с поддержкой технологии Power Delivery.
В таблице приводим показания соответствующей оснастки Windows при зарядке от штатного БП после автоотключения по уровню в 1%, на ноутбуке была загружена ОС:
| Уровень заряда | 20% | 40% | 50% | 60% | 70% | 80% | 90% | 95% | 100% | |
|---|---|---|---|---|---|---|---|---|---|---|
| Время, ч:мм | 0:14 | 0:29 | 0:36 | 0:43 | 0:51 | 0:59 | 1:11 | 1:23 | 1:38 | |
Процесс поначалу идет довольно быстро для батареи такой емкости: согласно этим показаниям, 80% получаем за час, а полная зарядка длится немногим более полутора часов, при этом даже последние пять процентов, которые обычно занимают очень много времени, здесь «заливаются» за 15 минут.
Тест с зарядкой от штатного адаптера проводился и с выключенным ноутбуком, замер тока осуществлялся внешним прибором. Результаты в таблице:
| Время, ч:мм | Первые 5 минут | 0:05-0:45 | 0:45-0:46 | 1:00 | 1:10 | 1:20 | 1:30 | 1:40 | 2:00 | 2:08 |
|---|---|---|---|---|---|---|---|---|---|---|
| Ток, А | нарастает до 2,95-3,0 | 2,9-3,0 | 2,5-2,6 начинается спад | 2,0-2,1 | 1,5 | 0,8 | 0,5 | 0,35 | 0,17 | 0,05 и менее |
Индикатор сначала редко и коротко мигал белым, ближе к концу процесса начал гореть постоянно, но по окончании заряда он не гаснет, ориентироваться на него в этом плане нельзя. По показаниям амперметра можно уверенно считать, что заряд закончился через 2 часа 10 минут.
Сравниваем: 1 час 38 минут с загруженной ОС и 2 с лишним часа при выключенном ноутбуке — на первый взгляд, ситуация странная, но объясняется она просто: оснастка Windows рапортует о заряде в 100% задолго до фактического окончания процесса, это можно проследить с помощью подключенного амперметра: у включенного ноутбука после появления индикации «100%» потребляемый ток остается заметным, снижаясь до минимума минут через 25-30. То есть ориентироваться на эти проценты хоть и можно, но с изрядной долей условности, а если требуется действительно полный заряд, лучше подождать еще с полчаса.
За первые 35-40 минут адаптер становится ощутимо теплым, хотя и не критически горячим — нагрев на 18-19 градусов относительно температуры в помещении, потом понемногу остывает.
В Honor PC Manager тоже есть отображение уровня заряда в процентах, но почему-то цифры показывают только состояние на момент вызова окна утилиты и не меняются, приходится закрывать окно и вызывать его снова.
В ней есть и настройки, позволяющие ограничить предельный заряд на уровне 70 или 90 процентов для тех, кто считает это полезным с точки зрения продления срока службы батареи. Конечно, можно задать и полный заряд.

В любом случае BMS (Battery Management System) не позволяет провести дозаряд при остатке энергии выше 90%, и если требуется зарядить батарею по максимуму, то приходится сначала разряжать хотя бы до 88-89 процентов.
Получить питание для внешних устройств от разъема Type-C ноутбука можно лишь в 5-вольтовом режиме с током до 2 ампер. Поскольку разъем доступен только при отключенном внешнем адаптере, то использование ноутбука в качестве зарядного устройства неизбежно сократит его собственную автономность.
Работа под нагрузкой и нагрев
Сначала немного об особенностях конструктива.
Чтобы снять нижнюю крышку, нужно удалить десять хорошо заметных винтов.
Системная плата компактная, она занимает примерно четверть площади, гораздо бо́льшая часть внутреннего пространства приходится на литий-полимерную батарею, состоящую из трех ячеек. Есть и еще одна платка, совсем небольшая, на ней распаяны разъемы, выходящие на правую часть корпуса (на фото она слева).
По бокам батареи находятся динамики.
Оперативная память распаяна, увеличение ее объема не предусмотрено. Модуль беспроводной связи тоже распаян.


Справа (см. фото) на системной плате можно заметить место под еще один внешний разъем, который не установлен, еще одно пустое место есть на маленькой платке, но не будем гадать, что там могло быть и почему этого нет.
Слотов М.2 для накопителей два, один занят штатным NVMe SSD с размерностью 2280, а второй свободный, он позволит устанавливать только накопители М.2 2242 — это не дефицит, но их выбор гораздо меньше, чем 2280: в одной популярной розничной сети на время нашего тестирования предлагалось более трехсот SSD размера 2280 и всего 12 моделей 2242.


Система охлаждения содержит единственный радиатор с вентилятором, который двумя тепловыми трубками соединяется с теплосъемником процессора. Как уже говорилось, воздух всасывается через прорези в днище и выбрасывается назад, к нижней части правой половины экрана.
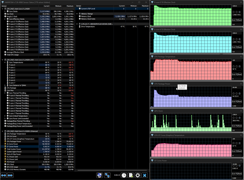
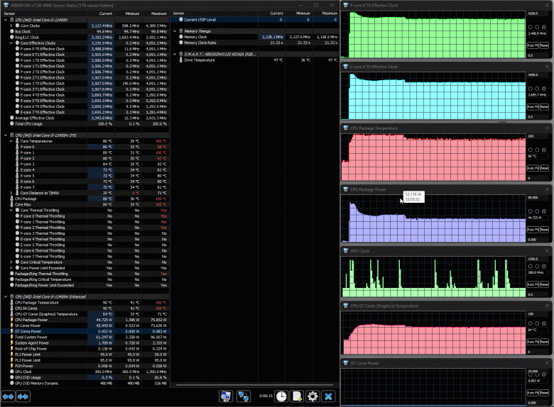
Чтобы оценить, как меняются параметры работы компонентов системы (температуры, частоты и пр.) при разных сценариях нагрузок и в двух режимах, предлагаемых фирменной утилитой, приведем табличку (через дробь даны максимальное/установившееся значения, красным отмечен перегрев). Вентилятор при этом автоматически изменяет обороты по мере необходимости, но скорость его вращения в используемых нами утилитах и в Honor PC Manager не отображается.
| Сценарий нагрузки | Частоты CPU, ГГц | Темп-ра CPU, °C | Потребление CPU, Вт | Частота GPU, ГГц | Темп-ра GPU, °C | Потребление GPU, Вт |
|---|---|---|---|---|---|---|
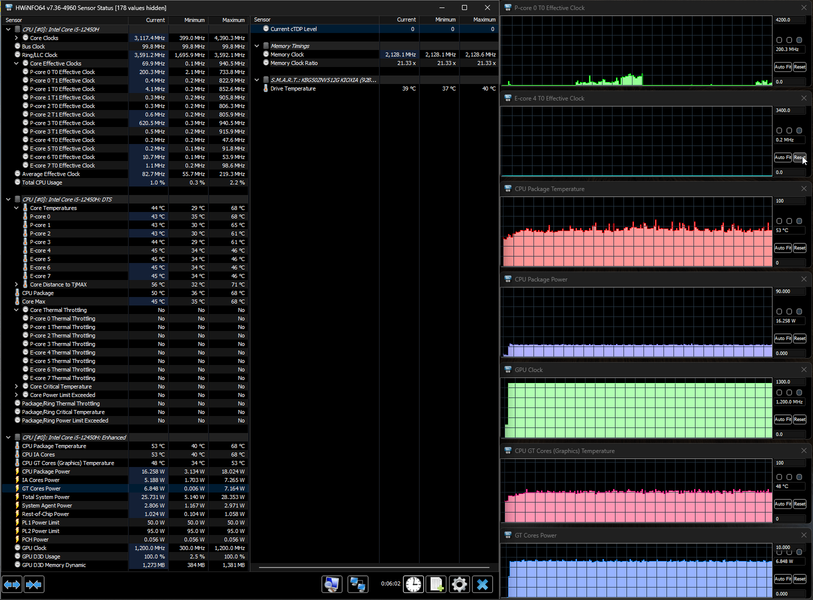
| Бездействие | 35-39 | 0,8-1,2 | ||||
| Производительный режим | ||||||
| Максимальная нагрузка на процессор | P: 4,1/3,5 E: 3,3/2,7 | 100/87-90 | 75/45 | |||
| Максимальная нагрузка на видеокарту | до 68 | 16-17 | 1,2 | 51-54 | 6,5-7 | |
| Максимальная нагрузка на процессор и видеокарту | P: 4,1/3,4 E: 3,2/2,7 | 100/81-84 | 80/45 | 1,2 | 81/69-71 | 6-7,5 |
| Умный режим | ||||||
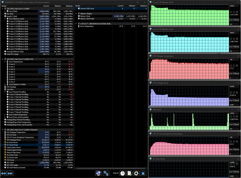
| Максимальная нагрузка на процессор | P: 4,1/3,2 E: 3,3/2,5 | 97/77-81 | 75/38 | |||
| Максимальная нагрузка на процессор и видеокарту | P: 4,1/2,6 E: 3,1/2,2 | 97/68-70 | 80/35 | 1,0 | до 80 | 8-9 |
Теперь немного подробнее. Начинаем с производительного режима.
При подаче нагрузки (программа powerMax) на CPU сначала действует режим Turbo Boost, в самом начале которого частота Р-ядер достигает 4,1 ГГц, Е-ядер — 3,3 ГГц, потребление ЦП повышается до 75 Вт, а температура в пике до 100 °C, начинается тротлинг на нескольких ядрах. Такая ситуация длится около 15 секунд, затем начинается спад: частот Р-ядер до 3,6 ГГц, Е-ядер до 2,8 ГГц, потребления до 50 Вт. Вентилятор раскручивается до максимума, но температура пока остается на высоком уровне, тротлинг продолжается.
Через две минуты от начала теста следует еще один спад, теперь уже совсем небольшой, после чего состояние стабилизируется: Р-ядра работают на частотах около 3,5 ГГц, Е-ядра на 2,7 ГГц, потребление 45 Вт, температура 87-90 °C, тротлинга больше нет.
После снятия нагрузки процессор быстро остывает, вентилятор через полторы минуты снижает обороты до минимума и останавливается совсем минут через пять-шесть (судить приходится по звуку).
При максимальной нагрузке одновременно на процессор и видеокарту картина практически та же, разве что потребление процессора в пике достигает 80 Вт, а температура в установившемся режиме немного ниже: 81-84 °C. Тротлинг и здесь наблюдается на начальном этапе, потом прекращается. Вентилятор вращается с максимальной скоростью.
Видеоядро постоянно работает на частоте 1,2 ГГц, что соответствует максимуму по спецификации.
При нагрузке только на GPU это ядро также стабильно работает на частоте 1,2 ГГц, температура процессора не превышает 55-58 °C (есть пики до 68 градусов, но очень кратковременные), общее потребление остается в пределах 16-17 Вт. Вентилятор работает на малых оборотах.
Переключаемся на «умный» режим.
При нагрузке на CPU видим практически то же: поначалу короткий всплеск с перегревом и тротлингом, второй спад начинается секунд на 20 раньше и несколько более существенный — в установившемся режиме частоты для ядер P и Е составляют 3,2 и 2,5 ГГц. Потребление — те же 75 ватт в пике, в последующий период пониже: до 38 ватт. Вентилятор с некоторой задержкой раскручивается до скорости, близкой к максимальной.
При нагрузке на CPU и GPU пиковые значения для P-ядер те же, для Е-ядер чуть ниже, потребление до 80 ватт, есть перегрев и тротлинг. Но в установившемся состоянии получается заметно меньше: соответственно 2,6 и 2,2 ГГц, нагрев и потребление тоже поменьше — до 68-70 °C и до 35 Вт.
Таким образом, разница между режимами «Умный» и «Производительный» в этих тестах не особо большая. Чуть позже проверим, есть ли различия при запуске реальных приложений и игр.
Ниже приведены термоснимки, полученные после долговременной работы ноутбука под максимальной нагрузкой на CPU и GPU (профиль Производительный):
Под максимальной нагрузкой работать с клавиатурой некомфортно, так как место под левым запястьем существенно нагревается. Держать ноутбук на коленях также неприятно, поскольку колени соприкасаются с областями высокого нагрева, и к тому же колени частично перекрывают вентиляционную решетку, что увеличивает шум и может вызвать перегрев ноутбука. Блок питания греется очень сильно, поэтому необходимо следить, чтобы при долговременной работе с высокой производительностью он не был ничем накрыт.
Отметим, что под максимальной нагрузкой в режиме Производительность при питании от сети в случае штатного БП батарея ноутбука медленно разряжается. Возможно с более мощным блоком питания этого не будет.
Уровень шума
Измерение уровня шума мы проводим в специальной звукоизолированной и полузаглушенной камере. При этом микрофон шумомера располагается относительно ноутбука так, чтобы имитировать типичное положение головы пользователя: экран откинут назад на 45 градусов (или на максимум, если на 45 градусов экран не откидывается), ось микрофона совпадает с нормалью, исходящей из центра экрана, передний торец микрофона находится на расстоянии 50 см от плоскости экрана, микрофон направлен на экран. Нагрузка создается с помощью программы powerMax, яркость экрана установлена на максимум, температура в помещении поддерживается на уровне 24 градусов, но ноутбук специально не обдувается, поэтому в непосредственной близости от него температура воздуха может быть выше. Для оценки реального потребления мы также приводим (для некоторых режимов) потребление от сети. Аккумулятор предварительно заряжен до 100%. В настройках фирменной утилиты выбран профиль Производительный или Умный режим:
| Сценарий нагрузки | Уровень шума, дБА | Субъективная оценка | Потребление от сети, Вт |
|---|---|---|---|
| Умный режим | |||
| Бездействие | фон (16,0) | условно бесшумно | 12 |
| Максимальная нагрузка на процессор | 37,1 | шумно | 57 (максимум 67) |
| Производительный | |||
| Максимальная нагрузка на процессор | 39,8 | шумно | 67 (максимум 67) |
Если ноутбук не нагружать совсем, то его система охлаждения в указанных выше условиях может долговременно работать в пассивном режиме. При большой нагрузке шум от системы охлаждения не очень высокий. Характер шума ровный и раздражения не вызывает. Спектрограмма, полученная под максимальной нагрузкой в режиме Производительный, очень ровная, и в диапазоне частот, где звуки могут вызывать особенное раздражение, выраженных пиков нет:
Для субъективной оценки уровня шума применим такую шкалу:
| Уровень шума, дБА | Субъективная оценка |
|---|---|
| Менее 20 | условно бесшумно |
| 20-25 | очень тихо |
| 25-30 | тихо |
| 30-35 | отчетливо слышно |
| 35-40 | шумно |
| 40-45 | очень шумно |
| 45-50 | громко |
| Выше 50 | очень громко |
Ниже 20 дБА компьютер условно бесшумный, от 20 до 25 дБА ноутбук можно назвать очень тихим, от 25 до 30 дБА шум от системы охлаждения не будет сильно выделяться на фоне типичных звуков, окружающих пользователя в офисе с несколькими сотрудниками и работающими компьютерами, от 30 до 35 дБА шум отчетливо слышно, от 35 до 40 дБА шум превышает комфортный уровень для долговременной работы, от 40 до 45 дБА ноутбук работает очень шумно и для работы необходима, например, маскировка фоновой музыкой, от 45 до 50 дБА уровень шума очень некомфортный, а от 50 дБА и выше шум настолько высокий, что необходимо использовать наушники. Шкала, конечно, очень условная и не учитывает индивидуальных особенностей пользователя и характер звука.
Сравним с другими подобными ноутбуками, учитываются максимальные значения:
| Сценарий | Honor MagicBook X 16 2023 | MSI Prestige 14 Evo B13M-266RU | Digma Pro Sprint M | Infinix Inbook X2 Plus | Huawei MateBook 14s HKF-X |
|---|---|---|---|---|---|
| Нагрузка на CPU | 39,8 | 35,2 | 34 | 32,1 | 42,4 |
То есть ноутбук Honor MagicBook X 16 2023 тихим не назовёшь, хотя среди аналогичных моделей встречаются и более шумные.
Производительность
В ноутбуке установлен процессор 12-го поколения Intel Core i5-12450H (кодовое наименование Alder Lake, выпускается с начала 2022 года). У него 8 ядер, из них четыре Performance cores (P-cores, производительные), которые могут работать в два потока на частотах до 4,4 ГГц, и столько же однопоточных энергоэффективных Efficient cores (E-cores, до 3,3 ГГц), то есть максимальное количество потоков будет двенадцать.

Базовый TDP процессора составляет 45 Вт, но может изменяться в пределах от 35 до 95 ватт (в режиме Turbo) — это по официальной спецификации, в нашем случае в предшествующих тестах длительное потребление как раз и дотягивало до базовых 45 ватт, а пиковые значения в 80 Вт были хоть и меньше обозначенного максимума, но разница не огромная, то есть нельзя сказать, что разработчики ноутбука «притормозили» процессор.


В процессор интегрировано видеоядро, которое и используется ноутбуком — дискретной видеокарты нет.
На системной плате распаяны чипы памяти LPDDR4X-4266 производства Micron Technology Inc. Утилиты рапортуют о четырехканальном режиме, но он соответствует двухканальному режиму DDR4.



Установленный накопитель Kioxia (KBG50ZNV512G, 512 ГБ, M.2 2280, NVMe, PCIe 4.0 x4) в тестах CrystalDiskMark показал неплохую, но далекую от рекордной производительность.

Предлагаем сравнить с результатами тестов еще двух SSD PCIe 4.0 x4 — Samsung PM9B1 MZVL41T0HBLB (1 ТБ, ноутбук MSI Vector GP77) и Samsung PM9A1 MZVL2512HCJQ (512 ГБ, Machenike S17):
Для наглядности приведем результаты в виде диаграмм:
| Сценарий | Honor MagicBook X 16 (2023) | MSI Vector GP77 | Machenike S17 |
|---|---|---|---|
| Чтение | 2272 | 2635 | 4088 |
| Запись | 2044 | 2578 | 3312 |
| Смешанные | 1222 | 2391 | 2958 |
| Сценарий | Honor MagicBook X 16 (2023) | MSI Vector GP77 | Machenike S17 |
|---|---|---|---|
| Чтение | 78 | 74 | 82 |
| Запись | 232 | 263 | 187 |
| Смешанные | 89 | 98 | 97 |
Переходим к тестированию в соответствии с методикой и набором приложений пакета iXBT Application Benchmark 2020. Поскольку во время тестов ноутбук регулярно перезагружается и Honor PC Manager будет при каждой загрузке включать «умный режим», мы выключили автозагрузку этой утилиты для исключения возможного влияния.
Интересно сравнить две фактически одинаковые модели, формально отличающиеся лишь диагональю экрана и размерами, поэтому для сравнения взяли Honor MagicBook X 14 2023 (FRI-F56).
Кроме того, включаем в сравнение упоминавшийся выше ноутбук Honor MagicBook 16 (HYM-W56) с процессором AMD Ryzen 5 5600H (6 ядер/12 потоков, 3,3/4,2 ГГц, TDP 35—54 Вт), графикой AMD Radeon Graphics (Radeon RX Vega 6), ОЗУ 16 ГБ DDR4-3200 и SSD Samsung MZVL2512HCJQ PCIe 3.0 x4, а также показавший в тестах очень неплохие результаты ультрабук Huawei MateBook 14s HKF-X с Intel Core i7-12700H (6+8 ядер/20 потоков, до 3,5/4,7 ГГц, 35—115 Вт), ОЗУ 16 ГБ LPDDR4x-4266, SSD 1 ТБ Samsung PCIe 3.0 x4, интегрированная графика Intel Iris Graphics Xe.
| Референсный результат (Core i5-9600K) | Honor MagicBook X 16 2023 BRN-F56 (Intel Core i5-12450H ) | Honor MagicBook X 14 2023 FRI-F56 (Intel Core i5-12450H ) | Honor MagicBook 16 HYM-W56 (AMD Ryzen 5 5600H) | Huawei MateBook 14s HKF-X (Intel Core i7-12700H) | |
|---|---|---|---|---|---|
| Видеоконвертирование, баллы | 100 | 119 | 123 | 125 | 146 |
| MediaCoder x64 0.8.57, c | 132,0 | 105,6 | 101,3 | 101,7 | 79,7 |
| HandBrake 1.2.2, c | 157,4 | 133,8 | 131,3 | 129,7 | 111,6 |
| VidCoder 4.36, c | 385,9 | 334,9 | 325,9 | 312,9 | 292,5 |
| Рендеринг, баллы | 100 | 135 | 136 | 133 | 169 |
| POV-Ray 3.7, с | 98,9 | 73,7 | 74,1 | 79,5 | 57,8 |
| Cinebench R20 | 122,2 | 90,2 | 85,6 | 90,9 | 68,9 |
| Вlender 2.79, с | 152,4 | 123,2 | 120,5 | 121,6 | 96,7 |
| Adobe Photoshop CС 2019 (3D-рендеринг), c | 150,3 | 101,2 | 105,4 | 101,3 | 87,6 |
| Создание видеоконтента, баллы | 100 | 136 | 134 | 111 | 154 |
| Adobe Premiere Pro CC 2019 v13.01.13, c | 298,9 | — | — | 277,3 | — |
| Magix Vegas Pro 16.0, c | 363,5 | 239,7 | 238,0 | 418,0 | 213,0 |
| Magix Movie Edit Pro 2019 Premium v.18.03.261, c | 413,3 | — | — | 344,3 | — |
| Adobe After Effects CC 2019 v 16.0.1, с | 468,7 | 337,0 | 329,0 | 344,0 | 268,0 |
| Photodex ProShow Producer 9.0.3782, c | 191,1 | 159,1 | 174,0 | 175,0 | 157,0 |
| Обработка цифровых фотографий, баллы | 100 | 150 | 148 | 104 | 165 |
| Adobe Photoshop CС 2019, с | 864,5 | 628,9 | 628,4 | 746,5 | 575,1 |
| Adobe Photoshop Lightroom Classic СС 2019 v16.0.1, c | 138,5 | 68,7 | 71,2 | 141,9 | 61,2 |
| Phase One Capture One Pro 12.0, c | 254,2 | 208,5 | 209,7 | 253,1 | 191,1 |
| Распознавание текста, баллы | 100 | 137 | 138 | 150 | 190 |
| Abbyy FineReader 14 Enterprise, c | 492,0 | 359,7 | 356,5 | 318,1 | 259,2 |
| Архивирование, баллы | 100 | 135 | 142 | 114 | 174 |
| WinRAR 5.71 (64-bit), c | 472,3 | 332,6 | 313,9 | 400,3 | 282,9 |
| 7-Zip 19, c | 389,3 | 304,5 | 291,0 | 350,9 | 215,0 |
| Научные расчеты, баллы | 100 | 127 | 120 | 121 | 141 |
| LAMMPS 64-bit, c | 151,5 | 126,6 | 125,0 | 111,3 | 99,9 |
| NAMD 2.11, с | 167,4 | 132,2 | 130,6 | 149,1 | 114,2 |
| Mathworks Matlab R2018b, c | 71,1 | 55,9 | 57,9 | 58,2 | 48,5 |
| Dassault SolidWorks Premium Edition 2018 SP05 с пакетом Flow Simulation 2018, c | 130,0 | 97,0 | 119,0 | 113,0 | 107,0 |
| Интегральный результат без учета накопителя, баллы | 100 | 134 | 134 | 122 | 162 |
| WinRAR 5.71 (Store), c | 78,0 | 32,1 | 30,7 | 21,8 | 22,0 |
| Скорость копирования данных, с | 42,6 | 13,2 | 11,7 | 9,0 | 9,8 |
| Интегральный результат накопителя, баллы | 100 | 280 | 305 | 413 | 394 |
| Интегральный результат производительности, баллы | 100 | 167 | 172 | 176 | 211 |
Две новые модели Honor, 14- и 16-дюймовая, ожидаемо показали практически одинаковые результаты — для конкретных приложений некоторые отклонения есть, но чаще всего они минимальны.
Ноутбук Honor с процессором AMD в большинстве тестов тоже показал близкие результаты, но сильно отстал в обработке фотографий и архивировании — приложениях, которые чувствительны к скорости работы памяти: в этом аппарате установлена DDR4-3200, тогда как у новинок используется LPDDR4X-4266.
Впереди всех оказался аппарат Huawei с 14-ядерным процессором и быстрой памятью — опережение уверенное, хотя и не радикальное, а в отдельных тестах наблюдается либо паритет, либо близкие цифры.
Поскольку проведенные нами выше тесты с нагрузкой на CPU и GPU в утилите powerMax всё же в значительной степени абстрактны, то проверим, есть ли практическое влияние «умного режима» на производительность. Включаем автозагрузку Honor PC Manager, запускаем тест с несколькими приложениями из разных групп и сравниваем результаты:
| Приложение | «Умный» режим | Honor PC Manager не загружен |
|---|---|---|
| MediaCoder x64 0.8.57, c | 104,5 | 105,6 |
| Adobe Photoshop CС 2019, с | 625,0 | 628,9 |
| Cinebench R20 | 90,9 | 90,2 |
| WinRAR 5.71 (64-bit), c | 333,2 | 332,6 |
| Mathworks Matlab R2018b, c | 56,9 | 55,9 |
Если учесть, что значения для теста каждого приложения в таблице — это усреднения по трем запускам, результат в каждом из которых по случайным причинам может отклоняться от среднего даже немного больше, чем разница между ячейками во втором и третьем столбцах, то эффект от «умного» режима в интересующем нас плане вполне можно считать нулевым.
Тестирование в играх
Ноутбук Honor MagicBook X 16 2023, оснащенный лишь интегрированным видеоядром, нельзя назвать игровым.

Для подтверждения этого мнения мы всё же провели тестирование в World of Tanks без загрузки Honor PC Manager при трех установках качества и трех разрешениях, а для среднего качества еще и при запущенной утилите с включением как «умного», так и производительного режимов. В таблице приведены средние (в скобках минимальные) значения частоты кадров, усредненные по двум замерам.
| Разрешение | Низкое качество | Среднее качество | Максимальное качество | ||
|---|---|---|---|---|---|
| Без Honor PC Manager | Умный режим | Производительный режим | |||
| 1920×1200 | 197 (97) | 48 (29) | 48 (29) | 49 (29) | 20 (13) |
| 1440×900 | — | 74 (44) | 74 (45) | 75 (45) | 33 (22) |
| 1280×800 | — | — | 40 (26) | ||
С номинальным для данного устройства разрешением 1920×1200 даже в нетребовательных «танках» получить превышение над нижним порогом комфортных значений от 60 fps в среднем и 30 fps минимальных можно лишь с низким качеством, для среднего качества придется заметно снизить разрешение. Включать трассировку лучей мы и не пытались.
Разница между умным и производительным режимами и здесь минимальна (если она вообще есть).
Попробовали еще три игры (гоночный симулятор, «стрелялка» и стратегия), которые запускали и на других недавно протестированных ноутбуках без дискретной графики и с процессорами предшествующего 11-го поколения: Digma Pro Sprint M (Intel Core i5-1135G7, 16 ГБ LPDDR4-3200) и Infinix Inbook X2 Plus (Intel Core i7-1195G7, 16 ГБ LPDDR4x-4266). Вот результаты для номинального разрешения (1920×1200 у Honor и 1920×1080 у остальных) при установке среднего качества:
| Игра, среднее качество графики | World of Tanks | F1 2018 | Gears 5 | Total War Saga: Troy |
|---|---|---|---|---|
| Honor MagicBook X 16 2023, 1920×1200 | 48 (29) | 35 (30) | 19 (16) | 28 (23) |
| Digma Pro Sprint M, 1920×1080 | 58 (38) | 48 (36) | 28 (23) | 34 (29) |
| Infinix Inbook X2 Plus, 1920×1080 | 69 (36) | 52 (42) | 32 (28) | 39 (31) |
Среди одноклассников с интегрированной графикой ни один из участников на роль игрового ноутбука не годится, хотя на ноутбуках Digma и Infinix при большом желании и без совсем уж критических компромиссов в плане качества можно сыграть хотя бы в «Танки», а на MagicBook X 16 придется идти на существенное понижение качества графики.
Заключение
Honor MagicBook X 16 2023 (BRN-F56) имеет вполне качественный и удобный для офисных приложений экран с соотношением сторон 16:10. Батарея у него средней емкости, но ноутбук продемонстрировал весьма неплохую автономность, хотя и не рекордную в сравнении с аналогичными аппаратами.
Размеры и вес — обычные для ноутбуков с такой диагональю экрана, но набор интерфейсных портов довольно скромный по количеству и далеко не самый современный по номенклатуре. Если отсутствие разъема и адаптера проводной сети воспринимается хоть и с сожалением, но спокойно (сейчас это редкость у решений данного класса), то картовод microSD разработчики вполне могли бы предусмотреть.
Процессор Intel 12-го поколения в совокупности с довольно быстрой памятью обеспечили вполне приемлемую производительность — она сравнима с тем, что демонстрируют очень многие «одноклассники». Правда, система охлаждения с единственным вентилятором не всегда справляется со своей задачей, да к тому же при серьёзных нагрузках работает довольно шумно.
Клавиатура в целом нормальная; конечно, будут упреки в неполноценности цифрового блока, но хорошо уже то, что он есть, и при этом не пришлось делать «стрелки» с половинной высотой. А вот веб-камеру с характеристиками 720p@30 fps вряд ли кто-то назовет нормальной для современного ноутбука.
Отсутствие возможности нарастить объем ОЗУ можно воспринять как минус, но мы предлагаем посмотреть на вещи реально: мало кому в подобном ноутбуке нужно больше 16 ГБ, причем действительно нужно, а не в плане «запас карман не тянет». Зато можно установить второй накопитель NVMe M.2, пусть и с не самой распространенной размерностью 2242.








































