В начале года компания Huawei представила на российском рынке новый флагманский смартфон своего бренда Honor — View 20, вобравший в себя большинство передовых мобильных технологий, доступных производителю на данный момент. На презентации новинки были продемонстрированы пять новейших функций и технологий, впервые примененные в устройстве марки Honor. Среди них: камера с разрешением 48 Мп, встроенная в экран фронтальная камера с разрешением 25 Мп, 7-нанометровый «интеллектуальный» процессор Kirin 980, а также тройная «интеллектуальная» Wi-Fi-антенна и «нанотекстурное» покрытие корпуса с эффектом «сияния».
Основные характеристики Honor View 20 (модель PCT-L29)
- SoC Huawei Kirin 980, 8 ядер: 2×Cortex-A76 @2,6 ГГц, 2×Cortex-A76 @1,9 ГГц, 4×Cortex-A55 @1,8 ГГц
- GPU Mali-G76 MP10 @720 МГц
- Операционная система Android 9, Magic UI 2.0.1
- Сенсорный дисплей IPS 6,4″, 2310×1080, 398 ppi
- Оперативная память (RAM) 6/8 ГБ, внутренняя память 128/256 ГБ
- Поддержка microSD отсутствует
- Поддержка Nano-SIM (2 шт.)
- Сети GSM/WCDMA
- Сети LTE Cat 13, TD-LTE: 38, 39, 40, 41. LTE FDD: 1—8, 19, 20, 28
- GPS/A-GPS, Глонасс, BDS, Galileo
- Wi-Fi 802.11a/b/g/n/ac (2,4 и 5 ГГц)
- Bluetooth 5.0, BLE
- NFC
- ИК-порт
- USB Type-C, USB OTG
- Аудиовыход на наушники (3,5 мм)
- Основная камера 48 Мп, f/1,8 + 3D-камера TOF; видео 4K
- Фронтальная камера 25 Мп, f/2,0
- Датчики приближения и освещения, магнитного поля, акселерометр, гироскоп
- Сканер отпечатков пальцев
- Аккумулятор 4000 мА·ч, быстрая зарядка SuperCharge
- Размеры 157×75×8,1 мм
- Масса 180 г
| Розничные предложения Honor View 20 (6/128 ГБ) | Розничные предложения Honor View 20 (8/256 ГБ) |
|---|---|
Внешний вид и удобство использования
Honor View 20 получил два заметных нововведения, отчего его дизайн пока еще является уникальным на рынке. Во-первых, покрытие задней стеклянной стенки переливается в лучах света, создавая бросающийся в глаза геометрический V-образный рисунок. Во-вторых, передняя часть не имеет «челки», но вырез в экране все же есть — круглое отверстие, проделанное специально под фронтальную камеру.
Это довольно необычное решение, оно призвано минимизировать размеры выреза, максимально использовав полезную площадь передней панели под нужды дисплея. Дисплей в результате занимает 91,8% всей передней поверхности. Инженеры использовали усовершенствованный держатель с буфером, чтобы максимально точно поместить фронтальную камеру под миниатюрным прозрачным отверстием в экране диаметром всего 4,5 мм, сформированным с помощью литографии.
Динамик и светодиодный индикатор событий разместили в рамке вокруг экрана, из-за чего свет диода виден довольно плохо и только с торца. Такое же решение наблюдается у последних поколений Meizu.
Материалы здесь использованы привычные: боковая рамка выполнена из металла, а обе панели — из стекла. Поверхности гладкие, маркие и скользкие, это уже стало обыденностью. При производстве корпуса View 20 была применена нанолитография, с помощью которой формируется нанотекстура, образующая яркий и динамичный цветовой градиент в виде буквы «V».


Сканер отпечатков пальцев разместили «традиционным» способом — на задней стенке, и это хорошо. Площадка чуть утоплена, легко нащупывается вслепую, такое решение выигрывает у новомодного подэкранного сканера по скорости срабатывания и по удобству использования.
Камеры практически не мешают смартфону устойчиво лежать на столе, но сама спинка очень скользкая, так что аппарат может сползти со стола даже при совершенно незаметном наклоне поверхности.
Боковые кнопки различаются по текстуре поверхности: кнопка питания имеет рифленую поверхность с насечками, ее не перепутать на ощупь с качелькой громкости.
Лоток для двух карточек Nano-SIM не гибридный, карту памяти microSD в него установить нельзя. Поддерживается горячая замена.
Верхний торец помимо 3,5-миллиметрового аудиовыхода содержит еще и ИК-передатчик, а также вспомогательный динамик.
В нижнем торце расположились разъем USB Type-C и громкоговоритель с разговорным микрофоном.
Honor View 20 доступен в четырех цветах корпуса: «полночный черный» и «сапфировый синий» с объемом памяти 6/128 ГБ, а также «мерцающий синий» и «мерцающий красный» с объемом памяти 8/256 ГБ.
Также на презентации были представлены и иные эксклюзивные варианты оформления: отмечая запуск нового флагманского смартфона, Honor создала эксклюзивную серию продуктов в сотрудничестве с итальянским модным брендом Moschino.
Экран
Honor View 20 оснащен IPS-дисплеем с диагональю 6,4 дюйма и разрешением 2310×1080, прикрытым 2.5D-стеклом. Физические размеры экрана составляют 69×147 мм, соотношение сторон — 19,3:9, плотность точек — 398 ppi. Рамка имеет ширину по бокам по 3 мм, снизу — 5 мм, сверху — 3 мм (маленький круглый вырез не учитываем — он всего 4,5 мм в диаметре).


Подробную экспертизу с использованием измерительных приборов провел редактор разделов «Мониторы» и «Проекторы и ТВ» Алексей Кудрявцев. Приводим его экспертное мнение об экране исследуемого образца.
Лицевая поверхность экрана выполнена в виде стеклянной пластины с зеркально-гладкой поверхностью, устойчивой к появлению царапин. Судя по отражению объектов, антибликовые свойства экрана лучше, чем у экрана Google Nexus 7 (2013) (далее просто Nexus 7). Для наглядности приведем фотографию, на которой в выключенных экранах отражается белая поверхность (слева — Nexus 7, справа — Honor View 20, далее их можно различать по размеру):
Экран у Honor View 20 заметно темнее (яркость по фотографиям 108 против 118 у Nexus 7). Двоение отраженных объектов в экране Honor View 20 очень слабое, это свидетельствует о том, что между слоями экрана (конкретнее между внешним стеклом и поверхностью ЖК-матрицы) нет воздушного промежутка (экран типа OGS — One Glass Solution). За счет меньшего числа границ (типа стекло/воздух) с сильно различающимися коэффициентами преломления такие экраны лучше смотрятся в условиях интенсивной внешней засветки, но вот их ремонт в случае потрескавшегося внешнего стекла обходится гораздо дороже, так как менять приходится экран целиком. На внешней поверхности экрана есть специальное олеофобное (жироотталкивающее) покрытие, которое по эффективности заметно лучше, чем у Nexus 7, поэтому следы от пальцев удаляются существенно легче, а появляются с меньшей скоростью, чем в случае обычного стекла.
При выводе белого поля во весь экран и при ручном управлении яркостью ее максимальное значение составило 395 кд/м² в обычных условиях, а на очень ярком свету оно повышается до 425 кд/м². Максимальная яркость достаточно высокая, поэтому, учитывая отличные антибликовые свойства, читаемость экрана даже в солнечный день вне помещения должна быть на приемлемом уровне. Минимальное значение яркости — 0,9 кд/м², то есть пониженный уровень яркости без проблем позволяет использовать устройство даже в полной темноте. В наличии автоматическая регулировка яркости по датчику освещенности (он находится практически на стыке фронтальной панели и верхнего торца правее центра). В автоматическом режиме при изменении внешних условий освещенности яркость экрана как повышается, так и понижается. Работа этой функции зависит от положения ползунка регулировки яркости, им пользователь может попытаться выставить желаемый уровень яркости в текущих условиях. Если не вмешиваться, то в полной темноте функция автояркости уменьшает яркость до 4 кд/м² (темновато), в условиях освещенного искусственным светом офиса (примерно 550 лк) устанавливает на 160 кд/м² (нормально), в очень ярком окружении (соответствует освещению ясным днем вне помещения, но без прямого солнечного света — 20000 лк или немного больше) повышает до 425 кд/м² (до максимума, так и нужно). Уровень яркости подсветки зависит от положения ползунка в темноте и в средних условиях, а в очень ярком окружении всегда устанавливается максимум. Результат по умолчанию нас не удовлетворил, поэтому мы подвинули ползунок чуть вправо в условиях полной темноты и для трех условий, указанных выше, получили 15, 150 и 425 кд/м² (идеальное сочетание). Получается, что функция автоподстройки яркости работает адекватно и позволяет пользователю настраивать свою работу под индивидуальные требования. На любом уровне яркости значимая модуляция подсветки отсутствует, поэтому нет и никакого мерцания экрана.
В данном смартфоне используется матрица типа IPS. Микрофотографии демонстрируют типичную для IPS структуру субпикселей:
Для сравнения можно ознакомиться с галереей микрофотографий экранов, используемых в мобильной технике.
Экран имеет хорошие углы обзора без значительного сдвига цветов даже при больших отклонениях взгляда от перпендикуляра к экрану и без инвертирования оттенков. Для сравнения приведем фотографии, на которых на экраны Honor View 20 и Nexus 7 выведены одинаковые изображения, при этом яркость экранов изначально установлена примерно на 200 кд/м², а цветовой баланс на фотоаппарате принудительно переключен на 6500 К.
Перпендикулярно к экранам белое поле:
Отметим хорошую равномерность яркости и цветового тона белого поля, хотя видно, что к нижнему торцу белое поле немного темнеет.
И тестовая картинка:
Цвета на экране Honor View 20 явно перенасыщены, а цветовой баланс у экранов различается.
Теперь под углом примерно 45 градусов к плоскости и к стороне экрана:
Видно, что цвета не сильно изменились у обоих экранов, но у Honor View 20 контраст уменьшился в большей степени из-за большего высветления черного.
И белое поле:
Яркость под углом у экранов уменьшилась (как минимум в 5 раз, исходя из разницы в выдержке), но у Honor View 20 экран все же немного светлее. Черное поле при отклонении по диагонали высветляется сильно и приобретает красноватый оттенок. Фотографии ниже это демонстрируют (яркость белых участков в перпендикулярном плоскости экранов направлении одинаковая!):
И под другим углом:
При перпендикулярном взгляде равномерность черного поля средняя, ближе к краю черное поле местами высветляется:
Контрастность (примерно в центре экрана) высокая — порядка 1300:1. Время отклика при переходе черный-белый-черный равно 21 мс (10 мс вкл. + 11 мс выкл.). Переход между полутонами серого 25% и 75% (по численному значению цвета) и обратно в сумме занимает 35 мс. Построенная по 32 точкам с равным интервалом по численному значению оттенка серого гамма-кривая не выявила завала ни в светах, ни в тенях. Показатель аппроксимирующей степенной функции равен 2,05, что ниже стандартного значения 2,2. При этом реальная гамма-кривая заметно отклоняется от степенной зависимости:

В данном аппарате есть динамическая подстройка яркости подсветки с неочевидной зависимостью от времени и от характера выводимого изображения. В итоге полученная зависимость яркости от оттенка (гамма-кривая) может не соответствовать гамма-кривой статичного изображения, так как измерения проводились при последовательном выводе оттенков серого почти на весь экран. По этой причине ряд тестов — определение контрастности и времени отклика, сравнение засветки черного под углами — мы проводили (впрочем, как и всегда) при выводе специальных шаблонов с неизменной средней яркостью, а не однотонных полей во весь экран. Вообще, такая неотключаемая коррекция яркости ничего кроме вреда не приносит, поскольку постоянная смена яркости экрана как минимум может вызывать некоторый дискомфорт.
Цветовой охват шире sRGB и очень близок к DCI:

Смотрим на спектры:

Спектры компонент хорошо разделены, что и обуславливает широкий цветовой охват. Для потребительского устройства широкий цветовой охват является никак не достоинством, а существенным недостатком, поскольку в итоге цвета изображений — рисунков, фотографий и фильмов, — ориентированных на пространство sRGB (а таких подавляющее большинство), имеют неестественную насыщенность. Особенно это заметно на узнаваемых оттенках, например на оттенках кожи. Результат приведен на фотографиях выше.
Впрочем, не все так плохо: при выборе профиля Обычные охват сжимается до границ sRGB.

Спектры показывают, что чистые цвета уже подмешиваются друг к другу:

Цвета на изображениях становятся менее насыщенными (и немного меняется цветовой баланс):
По умолчанию баланс оттенков на шкале компромиссный, так как цветовая температура сильно выше стандартных 6500 К, но отклонение от спектра абсолютно черного тела (ΔE) ниже 10, что для потребительского устройства считается приемлемым показателем. При этом цветовая температура и ΔE мало изменяются от оттенка к оттенку — это положительно сказывается на визуальной оценке цветового баланса. (Самые темные области шкалы серого можно не учитывать, так как там баланс цветов не имеет большого значения, да и погрешность измерений цветовых характеристик на низкой яркости большая.)


В этом устройстве есть возможность скорректировать цветовой баланс с помощью регулировки оттенка на цветовом круге.
На графиках выше кривые Без корр. соответствуют результатам без какой-либо коррекции цветового баланса (профиль Яркие), а кривые Корр. — данным, полученным после выбора профиля Обычные и сдвига точки на круге в указанное на снимке выше положение. Видно, что изменение баланса соответствует ожидаемому результату, так как цветовая температура приблизилась к стандартному значению, а ΔE уменьшилось. Какая-то польза от такой коррекции есть, да и яркость снизилась всего на 7%. Отметим, что данная функция реализована в варианте скорее для галочки, так как нет численного отражения коррекции и нет специального поля для замера цветового баланса.
Присутствует модная настройка, позволяющая снизить интенсивность синей компоненты.
Маркетологи-фантазеры продолжают настаивать на наличии вредоносного УФ-излучения, хотя на него нет и намека (см. спектр выше), тем более той интенсивности, что может представлять хоть какую-то угрозу здоровью. Так же нет и никакой усталости глаз, обусловленной именно синим светом. В принципе, яркий свет может приводить к нарушению суточного (циркадного) ритма (см. статью про iPad Pro с дисплеем 9,7 дюйма), но все решается подстройкой яркости до комфортного уровня, а искажать цветовой баланс, уменьшая вклад синего, нет абсолютно никакого смысла.
Подведем итоги: экран имеет достаточно высокую максимальную яркость и обладает отличными антибликовыми свойствами, поэтому устройством без особых проблем можно будет пользоваться вне помещения даже летним солнечным днем. В полной темноте яркость можно понизить до комфортного уровня. Допустимо использовать и режим с автоматической подстройкой яркости, работающий адекватно. Также к достоинствам экрана нужно отнести эффективное олеофобное покрытие, отсутствие воздушного промежутка в слоях экрана и мерцания, высокий контраст, цветовой охват sRGB (при выборе правильного профиля) и хороший (после коррекции) цветовой баланс. К недостаткам — низкую стабильность черного к отклонению взгляда от перпендикуляра к плоскости экрана. С учетом важности характеристик именно для этого класса устройств, качество экрана можно считать высоким.
Камера
Фронтальная камера Honor View 20 получила сенсор с разрешением 25 Мп и объектив с диафрагмой f/2,0. Даже при комнатном искусственном освещении камера выдает неплохую детализацию (для своего высокого разрешения), яркость и цветопередачу на снимках. К резкости по полю кадра тоже нет особых претензий.


Тыльная камера у Honor View 20 необычная: смартфон получил CMOS-сенсор Sony IMX586 размером ½ дюйма (6,4×4,8 мм) с разрешением 48 Мп. Согласно официальному описанию, «размер пикселей, объединенных в массив Quad Bayer 2×2, эквивалентен 1,6 нм». Благодаря работе ИИ основная камера смартфона поддерживает режим съемки с высокой четкостью, обеспечивая высокую детализацию готовых изображений. В этом режиме камера делает несколько снимков и собирает наиболее четкие детали из них в одно изображение.
Помимо основной камеры, на задней поверхности смартфона расположена 3D TOF-камера, способная делать «объемные» снимки, отслеживать положение объекта и захватывать движение в реальном времени, собирая информацию о времени возврата отраженного светового сигнала. Эта камера может превратить View 20 в игровую консоль с контролем движений, позволяя играть в интерактивные 3D-игры. На сегодняшний день смартфон поддерживает в тестовом режиме две игры — Fancy Skiing и Fancy Darts, которых, правда, нет даже на тестовых экземплярах. Так что тестирование 3D TOF-камеры еще впереди, пока она здесь лишь установлена физически, но не активна.
Есть режим ручных настроек, а также специальные съемочные режимы — портретный, монохромный, ночной. Есть возможность сохранять снимки в RAW в ручном режиме.






Эту камеру мы тестировали еще до выхода смартфонов с актуальными 48-мегапиксельными камерами (смотрим на Xiaomi), сравнить ее толком было не с чем. В галерее ниже приведены именно 48-мегапиксельные снимки, вы можете отмасштабировать их самостоятельно (например, до разумного разрешения 12 Мп). В отличие от того же Redmi Note 7, здесь снимки максимального разрешения имеют смысл, они демонстрируют вполне приличную детализацию. Однако если сравнить с Mi 9, то хуже и «исходник», и получаемые снимки 12 Мп. В целом, уровень съемки, безусловно, очень хороший, но не флагманский. Шумов на снимках явно многовато для вполне божеских условий освещения в торговом зале, ближе к углам кадра детализация из-за этого падает до неприлично низкого уровня. В общем, одной хорошей матрицы сегодня уже недостаточно, нужна мощная программная обработка снимков, и Huawei в этом вопросе один из мировых лидеров — но, как мы видим, пока не в серии Honor.
Видео можно снимать в формате 4K при 30 fps и в 1080р при 60 fps. Видео кодируется в H.265 или H.264 на выбор. Качество съемки весьма высокое — как по детализации, так и по резкости, да и ночью соотношение деталей и шумов оптимально, картинка остается более-менее чистой и при этом максимально разборчивой. Оптической стабилизации тут нет, есть электронная. Звуковое сопровождение записывается чисто.
- Ролик №1 (88 МБ, 3840×2160@30 fps, H.264, AAC)
- Ролик №2 (67 МБ, 3840×2160@30 fps, H.264, AAC)
- Ролик №3 (39 МБ, 1920×1080@60 fps, H.264, AAC)
Телефонная часть и коммуникации
Смартфон поддерживает большое количество диапазонов частот LTE (Cat.13, 400 Мбит/с), в том числе поддерживаются все распространенные в России диапазоны LTE FDD (Band 3, 7, 20), а также LTE TDD Band 38. На практике в пределах городской черты московского региона аппарат демонстрирует уверенную работу в беспроводных сетях, не теряет связь, быстро восстанавливает связь после вынужденного обрыва. К работе модуля Wi-Fi (2,4 и 5 ГГц, с поддержкой 802.11ac) также нет претензий. Обещано, что «тройная интеллектуальная Wi-Fi-антенна предотвращает ослабление сигнала», то есть как бы пальцы ни зажимали металлическую рамку аппарата и в каком бы положении ни оказывался смартфон в руках, — сигнал Wi-Fi не потеряется, такова идея данного заявления разработчиков. Bluetooth здесь — версии 5.0, плюс в наличии модуль NFC с возможностью работы с проездной картой Тройка.
Навигационный модуль работает с GPS (двухчастотный, с A-GPS), с отечественной Глонасс, с китайской Beidou и с европейской Galileo. Первые спутники даже при холодном старте обнаруживаются быстро, в течение первых же секунд, точность позиционирования не вызывает претензий. Магнитный компас, необходимый для навигационных программ, имеется.


Телефонное приложение поддерживает Smart Dial, то есть во время набора телефонного номера сразу осуществляется и поиск по первым буквам в контактах. Способы сортировки и отображения контактов стандартны для интерфейса Android. Вибровызов странный: он вроде бы и мощный, но какой-то грубый, то есть колебания не «стелются» мягко, как у того же iPhone, а грубо дергают и как-то неравномерно отдают в ладонь. В общем, вибровызов не очень приятный.
Аппаратная платформа позволяет смартфону поддерживать в режиме активного ожидания обе SIM-карты в 3G/4G одновременно. Таким образом, SIM-карта для голосовой связи будет работать в режиме ожидания в 4G, даже если для передачи данных в 4G назначена другая карта. Работают карты в режиме Dual SIM Dual Standby, радиомодем здесь один.


Программное обеспечение и мультимедиа
В качестве программной платформы в Honor View 20 используется Google Android последней 9-й версии с собственной оболочкой, только тут не обычная EMUI, а Magic UI, такая же, как в в Honor Magic 2. Почему — непонятно. В принципе, серия Honor View (или просто «V») позиционируется как топовая для этого бренда (вроде Huawei Mate), в то время как Magic по иерархии располагается прямо под ней. То есть Magic 2 и View 20 — это на текущий момент самые топовые и самые близкие друг к другу сородичи из всего семейства смартфонов Honor. До недавнего времени обе линейки вообще не собирались выводить на российский рынок из-за их потенциальной дороговизны, а весь интерфейс Magic UI плотно завязан на китайских сервисах и новом цифровом помощнике Yoyo. Так что, в общем-то, все логично. Но вот незадача: в официальной русской прошивке этого роскошного помощника нет.






Звучание у View 20 простенькое, у Mate 20 Pro и динамики работают в стереорежиме, и звук куда более громкий, насыщенный и басовитый. Так что когда используют формулу «тот же флагман, только дешевле», необходимо вспоминать именно такие моменты. Нет, здесь звук не топовый и не такой, как у Mate 20 Pro. Динамик звучит громко, чисто, но с преобладанием высоких частот. В наушниках ситуация получше, но без прорывов, басов явно недостает. FM-радио в смартфоне нет.



Производительность
Honor View 20 работает на однокристальной системе Huawei Kirin 980. В конфигурацию SoC входит три кластера CPU: два ядра Cortex-A76 с частотой 2,6 ГГц, два таких же ядра с частотой 1,9 ГГц и четыре Cortex-A55 с частотой 1,8 ГГц. За графическую производительность отвечает GPU Mali-G76 MP10.
Объем оперативной памяти составляет 6 или 8 ГБ, объем хранилища — 128 или 256 ГБ. Карты памяти microSD здесь не поддерживаются, но поддерживается подключение внешних устройств к порту USB Type-C в режиме USB OTG.


Huawei Kirin 980 — это топовая SoC, производится она по 7-нанометровому техпроцессу. Также это первое решение с процессорными ядрами Cortex-A76, с GPU Mali-G76, с двухъядерным блоком NPU. Платформа очень мощная, для нее нет никаких преград, она уверенно справляется с любыми задачами и самыми требовательными играми. Разработчики упоминают о новой технологии жидкостного охлаждения Nine Liquid Cooling Technology. В общем, платформа свежая, производительная и экономичная. Все проверенные игры, включая Modern Combat 3, Mortal Kombat X, Injustice 2 и PUBG, уверенно идут без малейших притормаживаний на максимальных настройках. Кстати, во время презентации сообщалось, что Honor и Epic Games начали совместную работу по оптимизации некоторых смартфонов Honor для игрового движка нового поколения Unreal 4 Engine.
Тестирование в комплексных тестах AnTuTu и GeekBench:
Все результаты, полученные нами при тестировании смартфона в самых свежих версиях популярных бенчмарков, мы для удобства свели в таблицы. В таблицу обычно добавляется несколько других аппаратов из различных сегментов, также протестированных на аналогичных последних версиях бенчмарков (это делается лишь для наглядной оценки полученных сухих цифр). К сожалению, в рамках одного сравнения нельзя представить результаты из разных версий бенчмарков, поэтому «за кадром» остаются многие достойные и актуальные модели — по причине того, что они в свое время проходили «полосу препятствий» на предыдущих версиях тестовых программ.
| Honor View 20 (Huawei Kirin 980) | Xperia XZ2 Premium (Qualcomm Snapdragon 845) | Oppo RX17 Pro (Qualcomm Snapdragon 710) | Samsung Galaxy Note 9 (Samsung Exynos 9810) | Meizu Pro 7 Plus (MediaTek Helio X30) | |
|---|---|---|---|---|---|
| AnTuTu (v7.x) (больше — лучше) | 271563 | 246602 | 169866 | 243281 | 143077 |
| GeekBench (больше — лучше) | 3275/9771 | 2413/8238 | 1849/5960 | 3708/9117 | 1415/541 |
Тестирование графической подсистемы в игровых тестах 3DMark и GFXBenchmark:
При тестировании в 3DMark для самых производительных смартфонов теперь есть возможность запускать приложение в режиме Unlimited, где разрешение рендеринга фиксировано на 720p и отключен VSync (из-за чего скорость может подниматься выше 60 fps).
| Honor View 20 (Huawei Kirin 980) | Xperia XZ2 Premium (Qualcomm Snapdragon 845) | Oppo RX17 Pro (Qualcomm Snapdragon 710) | Samsung Galaxy Note 9 (Samsung Exynos 9810) | Meizu Pro 7 Plus (MediaTek Helio X30) | |
|---|---|---|---|---|---|
| 3DMark Ice Storm Sling Shot ES 3.1 (больше — лучше) | 3944 | 4133 | 1851 | 3348 | 1826 |
| 3DMark Sling Shot Ex Vulkan (больше — лучше) | 4932 | 3278 | — | 2840 | 1217 |
| GFXBenchmark Manhattan ES 3.1 (Onscreen, fps) | 50 | 53 | 20 | 25 | 14 |
| GFXBenchmark Manhattan ES 3.1 (1080p Offscreen, fps) | 54 | 55 | 23 | 45 | 22 |
| GFXBenchmark T-Rex (Onscreen, fps) | 58 | 59 | 55 | 60 | 52 |
| GFXBenchmark T-Rex (1080p Offscreen, fps) | 121 | 145 | 65 | 146 | — |
Тестирование в браузерных кросс-платформенных тестах:
Что касается бенчмарков для оценки скорости движка javascript, то стоит всегда делать скидку на то, что в них результаты существенно зависят от браузера, в котором запускаются, так что сравнение может быть истинно корректным только на одинаковых ОС и браузерах, а такая возможность имеется при тестировании не всегда. В случае с ОС Android мы всегда стараемся использовать Google Chrome.
| Honor View 20 (Huawei Kirin 980) | Xperia XZ2 Premium (Qualcomm Snapdragon 845) | Oppo RX17 Pro (Qualcomm Snapdragon 710) | Samsung Galaxy Note 9 (Samsung Exynos 9810) | Meizu Pro 7 Plus (MediaTek Helio X30) | |
|---|---|---|---|---|---|
| Mozilla Kraken (мс, меньше — лучше) | 2157 | 2255 | 3837 | 2687 | 5106 |
| Google Octane 2 (больше — лучше) | 20969 | 15875 | 10127 | 15042 | 8341 |
| JetStream (больше — лучше) | 94 | 86 | 50 | 65 |
Результаты теста AndroBench на скорость работы с памятью:
Нагрев
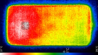
Ниже приведен теплоснимок задней поверхности, полученный после 15 минут боя с гориллой в игре Injustice 2 (этот тест используется и при определении автономности в 3D-играх):
Нагрев больше в верхней правой части аппарата, что, видимо, соответствует расположению микросхемы SoC. По данным теплокамеры, максимальный нагрев составил 37 градусов (при температуре окружающего воздуха в 24 градуса), это не очень много.
Воспроизведение видео
Для тестирования «всеядности» при воспроизведении видео (включая поддержку различных кодеков, контейнеров и специальных возможностей, например субтитров) нами применялись наиболее распространенные форматы, которые составляют основную массу имеющегося в Сети контента. Заметим, что для мобильных устройств важно иметь поддержку аппаратного декодирования видеороликов на уровне чипа, поскольку обработать современные варианты за счет одних лишь процессорных ядер чаще всего невозможно. Также не стоит ждать от мобильного устройства декодирования всего-всего, поскольку лидерство по гибкости принадлежит ПК, и никто не собирается его оспаривать. Все результаты сведены в таблицу.
| Формат | Контейнер, видео, звук | MX Video Player | Штатный проигрыватель |
|---|---|---|---|
| 1080p H.264 | MKV, H.264, 1920×1080, 24 fps, AAC | воспроизводится нормально | воспроизводится нормально |
| 1080p H.264 | MKV, H.264, 1920×1080, 24 fps, AC3 | воспроизводится нормально | звука нет |
| 1080p H.265 | MKV, H.265, 1920×1080, 24 fps, AAC | воспроизводится нормально | воспроизводится нормально |
| 1080p H.265 | MKV, H.265, 1920×1080, 24 fps, AC3 | воспроизводится нормально | звука нет |
Дальнейшее тестирование воспроизведения видео выполнил Алексей Кудрявцев.
Данный аппарат поддерживает DisplayPort Alt Mode для USB Type-C — вывод изображения и звука на внешнее устройство при подключении к порту USB. Работу в таком режиме мы опробовали совместно с двумя адаптерами (USB Type-C → HDMI компании Choetech и Tronsmart CTHA1). При подключении к нашему монитору вывод видео осуществляется в режиме 1080p. Режимов работы два: вывод альтернативного рабочего стола (режим ПК) или простое копирование экрана смартфона (режим проекции).




Во втором случае при портретной ориентации экрана смартфона картинка на мониторе Full HD выводится вписанной по высоте и с широкими черными полями по бокам, а при ландшафтной — вписанной по ширине с узкими черными полями сверху и снизу. Вывода точка в точку в обоих вариантах нет. В режиме альтернативного рабочего стола на монитор выводится совершенно другой основной экран, а экран смартфона может использоваться в качестве сенсорной панели координатного ввода. Вот пример такого рабочего стола:
Не все приложения гарантированно могут работать корректно в таком режиме. Те, к которым доверия в этом плане нет, вынесены в отдельную папку. Управляющая панель в нижней части экрана убирается при выводе изображения на весь экран (например, при воспроизведении видео). Вывод осуществляется уже в истинном разрешении 1920×1080 и точка в точку. Одновременно с выводом изображения и звука можно по USB подключать к смартфону мышь и клавиатуру, USB-флешки, использовать картовод и пр., превращая смартфон в основу для рабочего места, но для этого адаптер или монитор (имеющий вход USB Type-C) должны допускать подключение внешних USB-устройств (то есть иметь USB-концентратор). В режиме рабочего стола на внешнем мониторе можно параллельно работать на самом смартфоне, то есть получается два рабочих стола одновременно, но вывод видео в режиме аппаратного декодирования осуществляется только на один экран, также одна и та же программа не может работать и там, и там.
Для тестирования вывода изображения видеофайлов на экран самого устройства мы использовали набор тестовых файлов с перемещающимися на одно деление за кадр стрелкой и прямоугольником (см. «Методика тестирования устройств воспроизведения и отображения видеосигнала. Версия 1 (для мобильных устройств)»). Снимки экрана с выдержкой в 1 с помогли определить характер вывода кадров видеофайлов с различными параметрами: варьировались разрешение (1280 на 720 (720p), 1920 на 1080 (1080p) и 3840 на 2160 (4K) пикселей) и частота кадров (24, 25, 30, 50 и 60 кадр/с). В тестах мы использовали видеоплеер MX Player в режиме «Аппаратный». Результаты теста сведены в таблицу:
| Файл | Равномерность | Пропуски |
|---|---|---|
| 4К/60p (H.265) | отлично | нет |
| 4К/50p (H.265) | отлично | нет |
| 4К/30p (H.265) | отлично | нет |
| 4К/25p (H.265) | отлично | нет |
| 4К/24p (H.265) | отлично | нет |
| 4К/30p | отлично | нет |
| 4К/25p | отлично | нет |
| 4К/24p | отлично | нет |
| 1080/60p | отлично | нет |
| 1080/50p | отлично | нет |
| 1080/30p | отлично | нет |
| 1080/25p | отлично | нет |
| 1080/24p | отлично | нет |
| 720/60p | отлично | нет |
| 720/50p | отлично | нет |
| 720/30p | отлично | нет |
| 720/25p | отлично | нет |
| 720/24p | отлично | нет |
Примечание: Если в обоих столбцах Равномерность и Пропуски выставлены зеленые оценки, то это означает, что, скорее всего, при просмотре фильмов артефактов, вызванных неравномерным чередованием и пропуском кадров, или не будет видно совсем, или их количество и заметность не будет влиять на комфортность просмотра. Красные отметки указывают на возможные проблемы, связанные с воспроизведением соответствующих файлов.
По критерию вывода кадров качество воспроизведения видеофайлов на экране самого смартфона очень хорошее, так как кадры (или группы кадров) могут (но не обязаны) выводиться с равномерным чередованием интервалов и без пропусков кадров. При воспроизведении видеофайлов с разрешением 1920 на 1080 пикселей (1080p) изображение собственно видеофайла выводится один-в-один по пикселям, точно по высоте экрана (при ландшафтной ориентации) и в истинном разрешении Full HD. Отображаемый на экране диапазон яркости соответствует стандартному диапазону 16—235: в тенях и в светах отображаются все градации оттенков, что и требуется для корректного воспроизведения типичных видеофайлов. Отметим, что в этом смартфоне есть поддержка аппаратного декодирования файлов H.265 с глубиной цвета 10 бит на цвет, при этом вывод градиентов на экран осуществляется с немного лучшим качеством, чем в случае 8-битных файлов (впрочем, это не доказательство истинного 10-битного вывода). Также поддерживается отображение файлов HDR.
Время автономной работы
Honor View 20 имеет встроенную батарею объемом 4000 мА·ч. С ней смартфон демонстрирует очень высокие показатели автономности, это одно из самых сильных мест героя обзора. В реальной жизни смартфон уверенно проживает более полутора суток даже в интенсивном режиме использования.
Тестирование традиционно проводилось на обычном уровне энергопотребления без использования функций энергосбережения, хотя таковые в аппарате имеются.
| Емкость аккумулятора | Режим чтения | Режим видео | Режим 3D-игр | |
|---|---|---|---|---|
| Honor View 20 | 4000 мА·ч | 22 ч. 00 м. | 17 ч. 40 м. | 8 ч. 00 м. |
| Xperia XZ2 Premium | 3540 мА·ч | 17 ч. 00 м. | 10 ч. 00 м. | 3 ч. 00 м. |
| Oppo RX17 Pro | 2×1850 мА·ч | 19 ч. 30 м. | 15 ч. 00 м. | 5 ч. 30 м. |
| Samsung Galaxy Note 9 | 4000 мА·ч | 18 ч. 00 м. | 13 ч. 00 м. | 3 ч. 45 м. |
| Meizu Pro 7 Plus | 3500 мА·ч | 14 ч. 10 м. | 10 ч. 00 м. | 3 ч. 20 м. |
Беспрерывное чтение в программе FBReader (со стандартной, светлой темой) при минимальном комфортном уровне яркости (яркость была выставлена на 100 кд/м²) длилось до полного разряда аккумулятора 22 часа, а при беспрерывном просмотре видео в высоком качестве (720р) с тем же уровнем яркости через домашнюю сеть Wi-Fi аппарат функционирует 17,5 часов. В режиме 3D-игр смартфон может проработать до 8 часов в зависимости от конкретной игры. Это очень высокие результаты.
Смартфон поддерживает быструю зарядку SuperCharge, которая позволяет полностью зарядить устройство менее чем за 2 часа изначальным током 1,8 А при напряжении 9 В, дальше эти значения, естественно, падают.
Итог
Honor View 20 продается в России по рекомендованным ценам:
- 38 тысяч рублей за варианты в черном или синем цвете с объемом памяти 6/128 ГБ
- 45 тысяч рублей за версию с объемом памяти 8/256 ГБ для синего и красного вариантов с «V-образным» рисунком на крышке

Это довольно дорого. В качестве альтернативы можно рассматривать Huawei Mate 20, который более интересен своими отличными тремя камерами, а изящный каплевидный вырез не сильно хуже (если вообще хуже) отверстия в экране. У Honor View 20 же, по сути, работает в качестве основной лишь одна камера, а 3D TOF пока присутствует лишь «для мебели». Звук у View 20 хуже, отверстие для камеры в экране смотрится не так изящно, как хотелось бы самим разработчикам, с прошивкой, основанной на Magic UI вместо EMUI, тоже не все понятно.
В общем, на момент тестирования смартфон выглядит сыроватым, этаким экспериментом с заделом на будущее, а такое всегда привлекает гиков, так что шансы у Honor View 20 в России есть. Однако при текущем падении цены на Huawei Mate 20 до 40 тысяч покупка этого варианта выглядит все же предпочтительнее.



























