Можно или нельзя пользоваться водой из-под крана без дополнительной очистки — каждый решает сам. Важно помнить, что есть специальные бытовые приборы, которые могут справиться с этой проблемой, и с каждым днем они становятся всё умнее.
В процессе тестирования очистителя воды с фильтром обратного осмоса Viomi Blues Pro 1200G мы столкнулись со сложностями: в Петербурге даже в старых домах слишком хорошая вода. Но мы нашли район, в котором можно было провести показательные тесты! Узнать, какая вода получается на выходе и зачем рядом с раковиной нужна розетка, вы сможете из нашего обзора.
Характеристики
| Производитель | Viomi |
|---|---|
| Модель | Blues Pro 1200G |
| Тип | фильтр обратного осмоса |
| Страна производства | Китай |
| Гарантия | 1 год |
| Скорость фильтрации | 4,2 л/мин |
| Число ступеней очистки | 8 |
| Размер фильтруемых частиц | 0,0001 мкм |
| Посточистка и кондиционирование | нет |
| Смягчение воды | есть |
| Очистка от железа и хлора | есть |
| Защита от бактерий | есть |
| Устранение запахов | есть |
| Механическая очистка | есть |
| Максимальная температура воды | 38 °C |
| Управление со смартфона | Mi Home (Wi-Fi) |
| Вес | 13,7 кг |
| Габариты (Ш×В×Г) | 163×443×431 мм |
| Длина сетевого кабеля | 1,2 м |
| Розничные предложения |
Комплектация
Система обратного осмоса поставляется в коричневой картонной коробке с минимумом информации: логотип производителя, название модели и транспортировочные инструкции.
Серийный номер и контакты изготовителя мы узнали из небольшой наклейки на торце коробки. Вскрыв ее, внутри мы обнаружили:
- фильтр с тремя установленными картриджами
- кран для очищенной воды
- установочный комплект с пластиковыми трубами, металлическим тройником и фитингами
- руководство пользователя
На первый взгляд
Viomi Blues Pro 1200G больше похож на компьютерный корпус, чем на систему фильтрации. Темным пластиком с матовой поверхностью и крышкой на магнитах с прозрачными элементами и золотистым логотипом производителя он никак не напоминает традиционные фильтры, которые принято прятать под раковиной рядом с мусорным ведром.
Внешний вид устройства настраивает на серьезный лад: перед нами современное высокотехнологичное оборудование, в которое вложены усилия не только специалистов по водоподготовке и промышленных дизайнеров, но и специалистов по пользовательским интерфейсам — и даже программистов. Но не будем забегать вперед.
На правом боку корпуса, в декоративных углублениях, производитель разместил названия используемых картриджей (их мы пристально рассмотрим чуть ниже), а в нижнем правом углу — индекс модели.
Подробные технические характеристики приводятся на задней стенке устройства. Здесь же, на небольшой белой наклейке, пользователь найдет серийный номер и дату производства.
В нижней части задней стенки — три разъема для подключения коммуникаций. Первое отверстие предназначено для магистрального водопровода, через второе в канализацию выводится отработанная вода, а в третье монтируется кран с чистой. Черный провод, выходящий из корпуса, нужен для питания устройства (да-да, для работы Viomi Blues Pro 1200G требуется электросеть), а к серому через специальный разъем присоединяется кран.
Переднюю стенку фильтра закрывает декоративная крышка с магнитным креплением.
Она служит не только для украшения: на ее внутренней стороне производитель позаботился разместить подробную инструкцию по обслуживанию прибора.
Это краткое руководство составлено на русском языке и выполняет функцию справочника по быстрому старту: информации, содержащейся здесь, достаточно для беглого знакомства с прибором и начала работы. К прибору прилагается, конечно, и традиционная бумажная инструкция: мы прочитаем ее чуть позже, в соответствующей главе.
Большую часть передней панели занимают круглые крышки фильтрующих картриджей: их у нашего устройства три. Под ними размещаются три управляющие кнопки.
Удобные ручки картриджей позволяют извлечь последние, просто повернув на 90° в направлении, указанном пометками на корпусе.
После этого конструкцию можно потянуть на себя и вытащить: процедура замены продумана, удобна и не требует усилий.

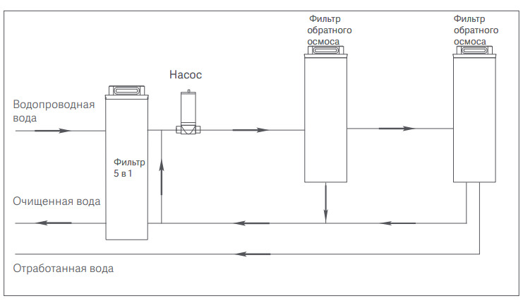
В конструкции Viomi Blues Pro 1200G, как мы уже писали выше, используются три картриджа. На первом этапе поступающая из водопровода жидкость подвергается предварительной очистке с помощью композитного фильтра «5 в 1». Он обеспечивает фильтрацию крупных частиц, таких как налет и ржавчина, поглощение остаточного хлора, запахов и красителей. Ресурс фильтра составляет 7200 литров, что соответствует приблизительно двум годам эксплуатации.
После этого вода поступает на основной фильтр обратного осмоса. Картридж RO-800G Pro предназначен для эффективного улавливания бактерий, тяжелых металлов, органических соединений и других веществ, которые могут попасть в кран из водопровода. У этого компонента внушительный ресурс: он составляет 10 800 литров или 96 месяцев работы.
На третьем этапе вода проходит через еще одну мембрану обратного осмоса, размещенную в картридже RO-400G Pro. Фильтр тонкой очистки снабжен внутренним стержнем из активированного угля и обеспечивает, согласно информации от производителя, высококачественную очистку воды от частиц размером до 0,0001 мкм. Ресурс фильтра также составляет 10 800 литров, но рекомендуемая периодичность замены меньше, чем у предыдущего — не более 24 месяцев.
Чистая отфильтрованная вода подается в кран, который врезается в столешницу, а вода с остаточными загрязнениями сливается из фильтра в канализацию по отдельному шлангу.
Помимо традиционного водопроводного фитинга, из нижней части крана выходит электропровод с герметичной четырехконтактной розеткой. Он обеспечивает функциональность индикатора на верхнем торце конструкции: мы рассмотрим его подробнее, когда подключим устройство.
Корпус опирается на четыре резиновые ножки, препятствующие скольжению по гладкой поверхности.
В комплект устройства входит комплект пластиковых труб с быстроразъемными фитингами.
Принцип работы коннекторов знаком каждому, кто сталкивался с монтажом систем водоочистки: пластиковая трубка вставляется в цанговое крепление и зажимается стопорным кольцом.
Трубки снабжены маркировкой, помогающей правильно смонтировать конструкцию.
Для присоединения к магистрали холодного водоснабжения используется металлический кран-тройник с наружной и внутренней резьбой на ¾″.
Единственное, чего мы не обнаружили в комплекте — хомута для подключения отводной трубки к фановой трубе. Перед установкой следует озаботиться его приобретением.
Инструкция
Руководство пользователя представляет собой 16-страничную брошюру формата А5, напечатанную на плотной глянцевой бумаге с отличным качеством.
Инструкция на русском языке содержит множество хорошо читаемых иллюстраций, разъясняющих все тонкости установки и эксплуатации фильтра.
В документе содержатся подробные сведения о правильной подготовке устройства к эксплуатации, рекомендации о периодичности обслуживания и замены картриджей, советы по установке мобильного приложения и описание способов самостоятельного устранения возможных неисправностей.
Завершается брошюра списком технических характеристик изделия и его принципиальными схемами: электрической и гидравлической.
Управление
Управления как такового устройство не требует. Две сенсорные кнопки «Select» и «Reset» предназначены для сброса межсервисного интервала при замене фильтрующих картриджей.
После замены фильтра первой кнопкой следует выбрать нужный расходник (на панели управления последовательно зажигаются индикаторы картриджей) и обнулить «пробег» с помощью второй.
Светодиодные индикаторы в верхней части сообщают об активности беспроводного интерфейса и возникновении неисправностей.
Одновременное нажатие на оба сенсора активирует режим сопряжения с мобильным приложением.
Управление со смартфона
У Viomi Blues Pro 1200G есть беспроводной сетевой интерфейс, поэтому им можно управлять со смартфона. Сама возможность подключать к Wi-Fi фильтр для воды оказалась для нас удивительной: мы впервые встречаем устройство с такой функциональностью. Тем интереснее было познакомиться с его возможностями.
Для использования с системой производитель предлагает Mi Home (Beijing Xiaomi Mobile Software Company). Популярное приложение насчитывает более 50 миллионов скачиваний и имеет рейтинг 4,5 из 5 на основе более 1,23 млн отзывов. Мы уже подключали к нему разные приборы в предыдущих обзорах.
Программа требует регистрации с подтверждением адреса электронной почты и номера мобильного телефона, а для работы с фильтром используются российские региональные настройки.
Чтобы начать синхронизацию, необходимо воспользоваться ссылкой «добавить устройство» в верхнем правом углу главного экрана. Автоматическое обнаружение в нашем случае не сработало, поэтому пришлось воспользоваться ручным выбором: Viomi Blues Pro 1200G можно найти в разделе «Кухонная техника»/«Очистители воды».
Для сброса сетевых настроек и активации режима сопряжения следует зажать оба сенсора на панели управления и удерживать их до тех пор, пока индикатор беспроводного интерфейса не начнет мигать.
После этого приложение запрашивает данные для подключения к нашей домашней сети, а фильтр создает временную сетку с SSID «yunmi-waterpuri-s20_miapE5FE», к которой надо подключиться вручную для передачи устройству новых настроек.
Процедура занимает не больше пары минут и завершается без каких-либо затруднений.
На последнем этапе установки пользователь должен выбрать комнату и имя для нового устройства, а также принять пользовательское соглашение и политику конфиденциальности производителя.
На главном экране приложения отображается ресурс всех трех фильтрующих картриджей в процентах и днях. Информация о времени жизни расходников — вещь сама по себе полезная, но значительно больше нам понравилась возможность воочию убедиться в эффективности устройства: рядом со схематическим изображением программа выводит показания встроенных TDS-метров.
Фильтр измеряет температуру воды и общее солесодержание в миллиграммах на литр на входе и выходе в устройство. На прилагаемом скриншоте можно видеть, что у воды, поступающей в систему из нашей магистрали ХВС, повышенная минерализация: целых 404 мг/л (при норме 75—250 мг/л). TDS чистой воды составляет всего 15 мг/л — почти дистиллят.
Данные о загрязнении обновляются в онлайн-режиме, а ознакомиться с недельной, месячной и годовой историей потребления и качества воды можно, нажав на кнопку «Подробнее».
В разделе настроек пользователь может передать управление устройством членам семьи, переименовать его, переназначить в другое помещение, обновить встроенную микропрограмму и ознакомиться со справочной информацией.
Эксплуатация
Практическое тестирование такого рода очистителей — задача для Петербурга непростая: качество водопроводной воды в нашем городе полностью удовлетворяет всем санитарно-гигиеническим требованиям, так что пить из-под крана можно без опаски почти во всех районах. Даже в домах дореволюционной постройки со старыми инженерными системами сложно найти воду, которую действительно необходимо фильтровать.
После нескольких лабораторных анализов мы покинули материковый Петербург и отправились в Кронштадт: он находится на острове, но вода поступает туда с «большой земли» — из Ломоносовского района, где преобладают известняки. Поэтому она весьма жесткая, а состояние труб усугубляет проблемы горожан. Здесь мы и решили испытать устройство.
Монтаж Viomi Blues Pro 1200G не вызывает затруднений: с задачей по его установке справится любой хозяин с минимумом сантехнических навыков и инструментов. Единственное отличие от аналогов — необходимость подключения не только к водопроводу и канализации, но и к электросети.
Корпус очистителя удобно размещается в кухонном шкафчике под раковиной, а горизонтальное положение картриджей делает их замену несложной и быстрой. Длины входящих в комплект пластиковых труб с избытком хватает для типовой инсталляции. Излишек можно отрезать или компактно свернуть на случай необходимости переноса системы в другое место.
Для подключения к магистрали ХВС используется входящий в комплект кран-тройник с внутренней и внешней резьбой на ¾″. Мы разместили его перед гибкой подводкой, питающей основной кухонный кран. Вносить в исходную систему существенных изменений не потребовалось.
Отработанная вода с осмотического фильтра должна отводиться в канализацию. Для этого в комплекте есть соответствующая пластиковая трубка, а вот хомут, устанавливаемый на фановую трубу, отсутствует — нам пришлось приобрести его отдельно.
Установка системы завершается инсталляцией крана для чистой воды, который надо подключить не только к пластиковой трубке, но и к интерфейсному кабелю, выходящему из корпуса фильтра. Этот шнур обеспечивает работу небольшого ЖК-экрана, информирующего пользователя о состоянии системы.
Синий цвет индикатора означает нормальную работу фильтра, оранжевый предупреждает об исчерпании ресурса одного из картриджей, медленное мигание оранжевого сигнала сообщает об отсутствии связи с устройством, а быстрое — о перегреве системы.
После инсталляции систему необходимо промыть. Первые порции воды могут выливаться с пузырями и содержать угольную пыль. Производитель предупреждает также, что из-за особенностей конструкции мембраны обратного осмоса, содержащей пищевой глицерин, через установленный фильтр следует пролить как можно больше чистой воды. В первые сутки рекомендуется не менее 12 раз включать кран каждые два часа и проливать воду в течение 20 минут или прокачать большое количество единовременно.

Единственная неожиданность, смутившая нас поначалу, — звук электрического насоса, расположенного за предварительным фильтром. В отличие от большинства знакомых нам аналогов, перед осмотическими фильтрами в Viomi Blues Pro 1200G стоит дополнительный нагнетатель, повышающий давление в системе. Он включается автоматически при открывании крана и выключается при его закрытии. Приблизительно через минуту после прекращения подачи воды насос еще раз кратковременно включается: вероятно, так реализована промывка осмоса.
По утверждению производителя, фильтр «5 в 1» ещё и обогащает воду глицерином для улучшения вкуса. Проверить это мы не можем, но вода после фильтра действительно вкусная.
Уход
Срок службы фильтров зависит, разумеется, от качества исходной воды и интенсивности использования устройства. Производитель рекомендует заменять картриджи «5 в 1» и RO 400 G не реже, чем раз в 24 месяца, а фильтр RO 800G требует замены каждые 96 месяцев.
После установки нового картриджа следует обнулить межсервисный интервал фильтра и промыть систему большим количеством воды.
Наши измерения
Чтобы оценить эффективность фильтра Viomi Blues Pro 1200G, после его установки мы взяли две пробы воды — до и после фильтрации — и провели их комплексный анализ. Для измерений применялись: атомно-абсорбционный спектрометр МГА-915, система капиллярного электрофореза Капель-105М, pH-метр Hanna pH 211, СВЧ-минерализатор Вольта, фотоколориметр КФК-3.
Результаты исследования мы представляем в таблице ниже и приводим для справки нормативы СанПиН 1.2.3684-21 для питьевой воды централизованного водоснабжения.
| Показатель | Без фильтрации | После обратного осмоса | Норма по СанПиН |
|---|---|---|---|
| Цветность, град | 13 | 5 | ≤20 |
| Взвешенные вещества, мг/л | 0,3 | 0,2 | ≤1,5 |
| Запах, балл | 1 | 1 | ≤2 |
| pH | 7,5 | 7,1 | 6—9 |
| Щелочность, мг-экв/л | 6,3 | 0,1 | |
| Общая жесткость, мг-экв/л | 16,0 | 0,25 | ≤7 |
| Кальций, мг/л | 175,3 | 7,5 | ≤140 |
| Магний, мг/л | 20,8 | 0,5 | ≤85 |
| Железо общее, мг/л | 0,21 | 0,069 | ≤0,3 |
| Окисляемость перманганатная, мгО/л | 1,2 | 0,8 | ≤5 |
| Хлориды, мг/л | 150,6 | 1,1 | ≤350 |
| Нитраты, мг/л | 0,001 | 0,001 | ≤45 |
| Аммоний, мг/л | 0,08 | 0,55 | ≤2 |
| Марганец, мг/л | 0,033 | 0,004 | ≤0,1 |
| Алюминий остаточный, мг/л | 0,084 | 0,071 | ≤0,5 |
| Медь, мг/л | 0,028 | 0,028 | 1 |
| Цинк, мг/л | 0,069 | 0,069 | 5 |
| Свинец, мг/л | 0,001 | 0,001 | 0,03 |
| Сульфаты, мг/л | 0,5 | 0,5 | 500 |
| Нитриты, мг/л | 0,005 | 0,001 | 3 |
В водопроводной воде, используемой для теста, отмечено существенное (более чем в два раза) превышение общей жесткости и высокое (175 мг/л при допустимых 140 мг/л) содержание кальция. Такую воду категорически не рекомендуется пить и использовать в бытовых приборах. Довольно высокими оказались также содержание магния (20,8 мг/л), общего железа (0,21 мг/л) и хлоридов (150,6 мг/л). Показатели по сульфатам, нитратам и нитритам изначально были близки к нулевым.
После фильтрации обратным осмосом количество кальция снизилось со 175,3 мг/литр до 7,5 мг/л — более чем в 23 раза. Общая жесткость уменьшилась с 16 м-экв/л до 0,25 — весьма впечатляющая разница.
Заметно снизилось также содержание магния, общего железа, хлоридов (почти в 150 раз!), улучшился и цвет (с 13 до 5 градусов).
Количество микроэлементов (марганец, остаточный алюминий, медь, цинк) осталось на прежнем (довольно невысоком) уровне, а содержание аммония заметно подросло, хотя и держится во вполне безопасных пределах.
Водородный показатель (pH), слегка снизившись с 7,5 до 7,1, всё еще на оптимальном уровне.
Можно ли без вреда для здоровья употреблять воду из осмотического фильтра без дополнительной минерализации — вопрос дискуссионный. При работе подобных устройств вода лишается минеральных элементов, необходимых для жизни, и их отсутствие приходится возмещать иным образом: добавляя их в пищу или принимая в виде препаратов.
Но в рассматриваемом нами случае нефильтрованная вода в водопроводе оказалась просто опасна для здоровья: высокая жесткость и избыток кальция могут привести ко множеству проблем с сердечно-сосудистой системой, органами пищеварения, мышечных и нервных тканей и негативно повлиять на выделительные функции организма.
Фильтровать такую воду, разумеется, жизненно необходимо. А правильная компенсация невысокого содержания в ней полезных для организма минералов — вопрос, по которому стоит проконсультироваться с терапевтом и диетологом.
Измеренная нами производительность фильтрации составила около 4 литров в минуту: почти в точности так, как обещано в паспортных данных.
Шум при работе устройства не превышает 43 дБ.
Выводы
Очиститель воды с фильтром обратного осмоса Viomi Blues Pro 1200G — это современное высокотехнологичное устройство для очистки воды с продуманным дизайном и удобной конструкцией. Проведенные нами лабораторные тесты подтвердили его высокую эффективность.
Фильтрующие картриджи, входящие в комплект фильтра, обладают длительным ресурсом, а горизонтальное размещение делает процедуру их замены несложной и быстрой.
Удобное мобильное приложение не только напомнит пользователю о необходимости вовремя заказать и установить расходники, но и расскажет о параметрах воды: на экране мобильного телефона в реальном времени отображаются показания встроенных TDS-метров на входе и выходе из фильтра, а также температура жидкости. О состоянии фильтров пользователю сообщит также информативный цветной индикатор на кране для чистой воды.
Весьма неплохая производительность фильтрации достигается благодаря эффективной конструкции мембран и наличию встроенного насоса. Последнее обстоятельство, к сожалению, сказывается на удобстве использования: при работе устройство издает заметный шум.
К недостаткам прибора мы относим также отсутствие минерализатора: при длительном употреблении внутрь воды из осмотического фильтра пользователю, возможно, придется восполнять недостаток полезных минеральных веществ с пищей или в виде специальных добавок.
Плюсы:
- отличная эффективность фильтрации
- хорошая производительность
- современный технологичный дизайн
- большой ресурс фильтрующих картриджей
- удобное мобильное приложение
Минусы:
- сравнительно высокая цена
- заметный шум при работе
- отсутствие минерализатора
В заключение предлагаем посмотреть наш видеообзор очистителя воды с фильтром обратного осмоса Viomi Blues Pro 1200G:

































