Июль. Пора отпусков и поездок на море, в горы, ну а если нет возможности или времени — то просто на природу. Для тех же, кто не уехал в отпуск, а остался работать, месяц выдался весьма и весьма жарким. Точно также июль принес нам немало плодов в виде анонсов новых телефонов и решений.
О состоянии рынка: Китай в фокусе внимания Motorola и Nokia, победит ли GSM в США и почему Nokia не хочет делиться прибылью с InterDigital
После того, как эпидемия атипичной пневмонии в Юго-Восточной Азии пошла на спад (впрочем, отсутствие упоминаний о новых заболевших в средствах массовой информации еще не повод для полного спокойствия), пристальное внимание аналитиков вновь приковано к теме китайского рынка. Примерно два месяца назад в печати промелькнуло сообщение о том, что иностранные инвесторы недовольны условиями, диктуемыми китайским правительством для инвестиций в телекоммуникационную индустрию. Однако, как считает FITE (Foreign-Invested Telecommunications Enterprise), иностранным инвесторам грех жаловаться — после вступления в ВТО китайское правительство пошло на ряд послаблений и готово даже существенно расширить круг участия иностранного капитала намного раньше, чем это предписывалось самой ВТО — к 2004 году вместо 2007. Таким образом, десятилетний запрет на участие иностранных компаний в предоставлении, частичном выполнении или финансировании внедрения телекоммуникационных услуг, теперь снят. Единственное ограничение, которое до сих пор остается, заключается в необходимости получения лицензии на продажу, к примеру, телефонов определенной торговой марки. Если экономическая ситуация останется благоприятной и не будет новых эпидемий, то в ближайшем будущем можно ждать появления большого числа совместных предприятий, продукция которых, кстати, может появиться и на рынках в других регионах.
В более интенсивную борьбу за китайский рынок включилась Nokia, сообщив о планах превзойти Motorola на китайском рынке сотовых телефонов. Рынок, оценивающийся примерно в $8,4 млрд., может стать спасительным для обеих компаний, объявивших о своих убытках во втором квартале. Теперь вопрос лишь в том, кто успеет ухватить больше. В прошлом году от общего дохода Nokia (составившего примерно 30 млрд. Евро) продажи сотовых телефонов в Китае составили лишь 10%. В этом году компания собирается отправиться в настоящий крестовый поход на китайский рынок и планирует представить 15 новых моделей по доступной цене с целью его завоевания. В Nokia уверены, что смогут выйти на первое место по продажам к концу года и постараются удержать свои позиции. Впрочем, Motorola так просто сдаваться не собирается, и хотя амбиции компании поскромнее (планируется анонс «всего лишь» 10 моделей), все новые телефоны компании будут оснащены цветными экранами. Но позиции компании все же ослаблены: сейчас по данным Gartner рыночная доля Motorola составляет где-то 21% (в конце 2002 — около 26%). Рыночная доля Nokia составляет около 17%, а на третьем месте — китайский вендор TCL International с 11,4% рынка. Многие сходятся во мнении, что серьезный удар по рыночной доле Motorola был нанесен эпидемией атипичной пневмонии, в то время как Nokia удалось сохранить объемы продаж, почему, собственно, компания и надеется на победу. Nokia основную ставку делает на модель 6108, специально адаптированную для китайского рынка. Поставки 6108 уже начались, но вот ее цена (2750 юаней или 332 доллара) примерно равна средней месячной заработной плате в крупных городах. Так что кому достанутся лавры, еще не известно.
Кстати, по мнению все той же Nokia, в ближайшем будущем североамериканский рынок ждет сюрприз: компания пророчит, что скоро GSM может стать популярным более чем у 50% жителей США. Nokia уже поставляет на североамериканский и европейский рынки сотовые телефоны, работающие как в стандарте GSM, так и CDMA, а ее прогноз подтвердила аналитическая фирма ABI Research. Основными лидерами североамериканского рынка являются операторы Verizon и SprintPCS. Благодаря тому, что они использовали CDMA, построенные на этом стандарте сети долго время оставались самыми крупными в США. Но к концу этого года ABI прогнозирует, что число абонентов CDMA составит 73 млн. или 44% из общего числа абонентов, оценивающегося в 165 млн. Примерно такого же уровня (44%-45%) достигнет абонентская база GSM в 2004 году, и в 2005 количество абонентов GSM может превысить количество абонентов CDMA. Происходит это благодаря тому, что многие операторы производят переоснащение своих сетей (AMPS, TDMA) и, к примеру, AT&T Wireless уже сообщила о своем желании использовать GSM/GPRS.
Чуть раньше Nokia обнародовала свой обновленный прогноз развития рынка, из которого следует, в частности, вывод о существенном падении объемов продаж на рынке сотовой связи упадет, придавив собой надежды на восстановление рынка. Почти сразу после заявления компании на фондовых биржах начался переполох, а ведущие биржевые индексы поползли вниз. Сначала забили тревогу в Европе: акции самой Nokia упали более чем на 10%, а STMicroelectronics, основного поставщика чипов для компании — на 4,4%. Не лучше дела обстоят и у конкурентов Nokia: акции Ericsson подешевели на 4,7%, акции Alcatel — на 3,7%. В результате индекс FTSE Eurotop 300 снизился на 1,14%, индекс DJ Euro Stoxx 50 — на 1,5%. В середине мая FTSE Eurotop достиг самой низкой отметки за прошедшие шесть лет. За два месяца индекс поднялся на 25%, и теперь, похоже, вновь пойдет вниз. Позднее было отмечено небольшое снижение и североамериканских биржевых индексов.
Nokia также оказалась замеченной в судебном разбирательстве с InterDigital Communications, известной как разработчик технологий и платформ для беспроводной связи. Речь идет относительно деталей лицензионных отчислений за GSM/TDMA (2G, второе поколение) и GSM/GPRS/TDMA (2.5G), осуществляемых последней в рамках лицензионного соглашения Nokia с InterDigital Technology (ITC), 100% дочерним предприятием InterDigital Communications. Nokia подала иск в арбитражный суд при Международной Торговой Палате (International Chamber of Commerce, ICC) с целью оспорить правомерность начисления патентных платежей. Иск компании относится к заявлению ITC о том, что лицензионное соглашение ITC с Ericsson и Sony Ericsson, заключенное в марте 2003 года определяет условия, на которых Nokia обязана осуществлять отчисления от продаж своих 2G и 2.5G продуктов начиная с 1 января 2002. Nokia, в свою очередь, считает, что не имеет каких-либо финансовых обязательств перед ITC и хотела бы ознакомиться с документами, описывающими историю переговоров и лицензионных соглашений, закрытыми судом после вынесения решения по делу Ericsson.
О конфликте Qualcomm с TI, о бурном развитии Wi-Fi и о том, как бороться с SMS-спамом
В то время как GSM идет с победным маршем по всему миру, и теперь, как мы видим, только в Японии стандарт не будет доминировать в обозримом будущем, в лагере производителей CDMA-решений начались очередные разборки. В начале мая Texas Instruments сообщила о намерениях начать выпуск CDMA-чипов собственной разработки и под собственной торговой маркой. Тогда компания сообщила, что благодаря соглашениям о кросс-лицензировании с Qualcomm ей не придется платить никаких лицензионных отчислений последней. Более месяца понадобилось компании на то, чтобы продумать свой ответ и вот, в июле Qualcomm подала на TI в суд с иском о нарушении условий контракта об использовании технологий CDMA. По мнению Qualcomm, майское заявление TI является нарушением патентного контракта, заключенного в декабре 2000 года. Компания требует возмещения ущерба и отзыва прав на обладание оговоренных в контракте патентов у TI. С одной стороны, поведение Qualcomm вполне объяснимо: до сих компания была единственным поставщиком CDMA-решений, и ни один CDMA-чип не мог быть произведен без ее лицензии. С другой стороны, TI заявила о желании выйти на этот рынок, считая, что цены на CDMA-чипы завышены непропорционально их себестоимости. Скорее всего, выход большего числа поставщиков решений способствовал бы их удешевлению и более широкому распространению стандарта. Тем более что в последнее время CDMA все больше и больше проигрывает GSM в немалой степени из-за меньшей стоимости оборудования и телефонных аппаратов последнего.
А вот в стане сторонников 802.11g царит оптимизм и воодушевление: Wi-Fi Consortium одобрил спецификации и провел тестирование первых адаптеров этого стандарта. По мнению многих аналитиков, поддержка работы в беспроводных сетях станет одним из самых важных факторов, стимулирующих рост продаж мобильных устройств. В первую очередь, конечно, ноутбуков, потому что для карманных ПК и сотовых телефонов существующие решения пока слишком громоздки. Как сообщила Strategy Analytics, в этом году около 24% ноутбуков (8 млн. штук) будут поставлены с уже встроенными модулями для обеспечения работы в сетях стандартов 802.11a, b и/или g, а к 2008 году доля таких ноутбуков на мировом рынке составит 90% — около 141 млн. штук. Исследователи из других компаний называют другие цифры: так, по мнению специалистов Forrester, доля ноутбуков с поддержкой Wi-Fi составит в 2008 году 80% общего количества. Суть, впрочем, не меняется: большинство портативных компьютеров будут уметь работать в беспроводных сетях. Тенденция будет поддерживаться двумя категориями участников рынка: производителями ноутбуков и поставщиками сетевого оборудования. Еще один интересный момент: в ближайшее время поддержка Wi-Fi приведет к тому, что спрос на настольные ПК будет заметно отставать от спроса на ноутбуки. Уже официальные данные о том, что продажи ноутбуков превысили продажи настольных систем на некоторых рынках — к примеру, в США, где 54% проданных компьютеров в мае составили ноутбуки. По данным исследования Strategy Analytics, к 2008 году 41% клиентского и серверного аппаратного обеспечения будут составлять ноутбуки (в текущее время этот показатель не превышает 25%). Правда, одним из препятствий, которое предстоит преодолеть WLAN — сетевая безопасность, что особенно важно для корпоративных клиентов. Именно вопросы безопасности будут сдерживать широкомасштабный обмен данными в беспроводных сетях, но, стоит отметить, не рост продаж ноутбуков с поддержкой Wi-Fi.
Кстати, отчасти вопросы безопасности поможет WLAN Smart Card Consortium, выработавший спецификации смарт-карт, которые дадут операторам точек доступа беспроводных сетей возможность использовать технологии SIM для аутентификации в WLAN. Имея за спиной опыт предоставления услуг в GSM-сетях, операторы мобильной связи смогут использовать уже существующую инфраструктуру и биллинговые системы. Спецификация описывает интерфейс смарт-карт и касается EAP-технологий (безопасности). Как отмечают специалисты, это — первый шаг к определению промышленных спецификаций для всех WLAN смарт-карт для всех сегментов рынка, охватывающих корпоративные, домашние и др. сети. Основная задача спецификации — обеспечить совместимость предлагаемого оборудования и смарт-карт различных производителей, так как решение данной проблемы позволит операторам обеспечить роуминг между общественными точками доступа (hot spot) различных провайдеров. Черновик спецификации WLAN-SIM V0.1 можно найти по адресу WLANSmartCard.org
Впрочем, если нет худа без добра, то и добра без худа зачастую тоже не бывает. Рост продаж ноутбуков с поддержкой беспроводных сетей, нарастающие процессы конвергенции привели к тому, что в сетях сотовой связи появились проблемы, характерные для обычных, проводных сетей, а Европейский Союз выступил с инициативой начать борьбу с несанкционированной рассылкой SMS (SMS-спамом). SMS-спам — явление достаточно молодое и пока, к счастью, редкое, однако одновременно с более широким распространением сервисов пересылки сообщений электронной почты в сети мобильной связи и появлением новых мультимедийных сервисов (например, MMS) SMS-спам становится все более опасным как для абонентов, так и для операторов, которым приходится рассматривать жалобы. Инициатива специально созданной комиссии Европейского Союза была поддержана GSM Association, которая собирается выработать список рекомендаций для операторов по борьбе с SMS-спамом. Кстати, на борьбу со спамом вышли и японские операторы сотовой связи — NTT DoCoMo, KDDI и J-Phone. Японские операторы подписали соглашение, по которому будет создан своеобразный «черный список» юридических или физических лиц, которым ни при каких обстоятельствах нельзя давать возможность отправлять SMS.
Компоненты, компоненты, компоненты…
Акустика
Как и в прошлом месяце, на рынке появляется все больше новых компонент и аксессуаров для мобильных телефонов. За прошедший месяц было два весьма любопытных анонса акустических систем. Компания Authentic, подразделение NEC Corp по разработке аудио продуктов, представила плоскопанельную акустическую систему семейства SoundVu толщиной всего 5 мм, предназначенную для работы в составе сотовых телефонов и других мобильных устройств (на снимке — прототип телефона с аудио системой SoundVu).

Плюс новой акустики в том, что в отличие от традиционных динамиков, излучающая звук панель герметична, не нуждается в каких-либо отверстиях для передачи звука и крепится непосредственно на поверхности устройства. Первые акустические системы SoundVu были представлены NEC еще осенью 2002 года в составе ее ПК Valeustar FS и T. Нынешние модули SoundVu отличаются от первого поколения, прежде всего, меньшими габаритами, плюс, более широким диапазоном излучения — от 800 Гц до 3,4 КГц. Добавление так называемого модуля Distributed Mode Actuator расширяет звуковой диапазон вниз, до 300 Гц. Таким образом, новая акустика SoundVu способна излучать звук на уровне 85 дБ (расстояние 100 мм) в частотном зиапазоне 300 Гц — 3,4 КГц, что соответствует спецификациям стандарта GSM и W-CDMA 3G.
Тем временем на сайте компании Motorola появилось описание еще одной новинки — Motorola Desktop Speakerphone 98422/SPN5028, подключаемого непосредственно к телефонам компании стандартов TDMA/GSM (для стандарта CDMA выпускается другая модель, 98421/SPN5027) или к настольному зарядному устройству и представляющей из себя компактное настольное устройство для организации громкой связи.

Устройство Motorola Desktop Speakerphone 98422/SPN5028 совместимо с телефонами Motorola T720 (только GSM), V70, Motorola 120t, Motorola C331 и C332 (только TDMA), V60i, V. Series 60t, V. Series 60g, V66 и Timeport 280. CDMA-вариант, Desktop Speakerphone — 98421/SPN5027, работает с моделями Motorola T720, V60i, V. Series 60c, V. Series 120c, Motorola 120x, 120e, C333 и Timeport 270c. Цена новинки в онлайновом магазине компании — $49,99.
Экраны
Samsung SDI представила новый тип дисплеев для мобильных телефонов, UFS-LCD (Ultra Fine & high Speed LCD). Линейка новых дисплеев, отображающих 260 тыс. цветов, представлена 4 моделями, размерами 1,8; 1,9; 2,0 и 2,32 дюйма.

Как отмечают инженеры компании, время отклика дисплеев по сравнению с используемыми в телефонах в настоящее время решениями в 2-3 раза меньше и составляет 13,5 мс. С октября этого года Samsung SDI планирует выпускать 100 тыс. UFS-LCD в месяц, в дальнейшем — в зависимости от требований рынка — до 500 тыс. дисплеев. Всего за этот год планируется выпустить 7 млн. таких дисплеев, а в 2005 году — свыше 15 млн. UFS-LCD.
Чипсеты и процессоры
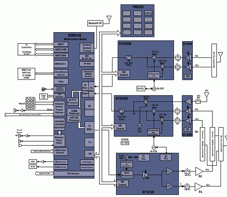
Теперь об основных компонентах сотовых телефонов — о чипсетах. Qualcomm завершила работу над анонсированным в ноябре прошлого года чипсетом MSM6500 и сообщает о начале поставок пробных экземпляров. Чипсет интересен тем, что поддерживает CDMA2000 1x, CDMA2000 1xEV-DO и GSM/GPRS с возможностью автоматического роуминга между сетями разных стандартов.


В MSM6500 используется микропроцессор на ядре ARM926EJ-S, два цифровых сигнальных процессора QDSP4000 с пониженным энергопотреблением и контроллер USB On-the-Go (OTG), обеспечивающий связь с принтерами, цифровыми камерами, клавиатурами и оптическими приводами. Чипсет использует архитектуру radioOne Zero Intermediate Frequency (ZIF) разработки Qualcomm, что, по идее, существенно снижает необходимое число фильтров поверхностных акустических волн и дополнительных электроных узлов. И, конечно же, MSM6500 поддерживает платформу BREW (Binary Runtime Environment for Wireless).
Agere официально сообщила о выпуске GSM/GPRS чипсета Sceptre с интегрированными функциями обработки аудио и видео потоков, MP3 и MPEG4. Sceptre содержит два чипа — микропроцессор на ядре ARM946E-S и цифровой сигнальный процессор, работающий на тактовой частоте 90 МГц. В чипсет встроена поддержка USB, IrDA, карт стандарта SD (secure digital) и MMC (multimedia memory card), Bluetooth, SMS и MMS. Sceptre способен работать в четырех частотных диапазонах — 850, 900, 1800 и 1900 МГц. Встроенное программное обеспечение удовлетворяет требованиям спецификаций GSM Release 99 (также выполнены требования GCF 3.10.2 и NAPRD 2.8.0), поддерживается GPRS Class 12.
Утверждается, что энергопотребление чипсета таково, что возможна работа в течение 180 часов в активном режиме и до 600 часов в режиме ожидания. Начиная с июля доступны пробные экземпляры чипсета, старт массового производства ожидается в начале 2004.
Ну а Skyworks представила радиочастотную подсистему для мобильных телефонов, работающих в стандарте E-GPRS (GSM/GPRS/EDGE). Подсистема содержит одночиповый конвертер-трансивер, усилитель мощности и модулятор.

Любопытно, что для уменьшения числа достаточно дорогих фильтров поверхностных акустических волн (ПАВ) в подсистеме используется технология Polar Loop. Меньшее число ПАВ-фильтров, помимо удешевления чипсета, позволяет уменьшить габариты сотового телефона и энергопотребление. Подсистема может работать в частотных диапазонах 850/900/1800/1900 МГц. В настоящее время доступны пробные образцы подсистемы. Ожидается, что массовое производство начнется в четвертом квартале текущего года, цена составит около $8,50 в партиях от 10000.
В июле среди стандартов микропроцессоров для сотовых телефонов появилось еще одно наименование — MIPI. В прошлом декабре Texas Instruments и STMicroelectronics подписали соглашение о намерениях стандартизовать процессоры для применения в сотовых телефонах второго с половиной и третьего поколения (2,5G и 3G). К середине 2003 к Texas Instruments и STMicroelectronics присоединились ARM и Nokia, а совместная работа компаний вылилась в создание нового консорциума, получившего название Mobile Industry Processor Interface (MIPI) Alliance. Первоначально для стандартизации планировалось использовать спецификации, разработанные OMAPI (Open Mobile Application Processor Interfaces, по предложению TI и ST), однако из-за ограничений формального характера было принято решение взять лишь основные спецификации и разработать слегка иной стандарт под новым названием — MIPI. Первые спецификации, MIPI 1.0, должны быть опубликованы к концу 2003 года. В MIPI 1.0 будут описаны спецификации интерфейсов цифровых камер, дисплеев, программно контролируемых модулей, коммуникационных интерфейсов и системных команд. Консорциум надеется, что MIPI будет принят большинством производителей микропроцессоров, периферийных модулей и интерфейсных модулей.
Заполучив в свои ряды ARM и Nokia, консорциум MIPI радоваться не спешит, сообщив, что желала бы видеть среди своих членов также Intel, Qualcomm и MIPS. Интрига заключается в том, что Intel и Qualcomm являются держателями лицензий ARM и конкурентами Texas Instruments, одного из учредителей MIPI. ARM и MIPS используют похожие бизнес-модели и работают над сходными разработками, не являясь, впрочем, прямыми конкурентами. Для консорциума, претендующего на роль задающей стандарты организации было бы выгодно собрать вместе всех ведущих разработчиков и производителей, однако захотят ли этого упомянутые компании, остается под большим вопросом.
Прочее
Fujitsu Microelectronics America (FMA) продолжает выпускать на рынок все новые и новые биометрические продукты, ориентированные на использование в мобильных устройствах. В июле компания анонсировала сенсор отпечатков пальца MBF310. Новый сенсор, построенный во многом на базе MBF300, использует матрицу емкостных датчиков и AFD-чип (AFD — Auto-Finger Detection).
Как и MBF300, в MBF310 для распознавания отпечатка необходимо провести пальцем по поверхности сенсора. Сенсор состоит из восьми рядов датчиков (вместо 32 в MBF300), оснащен 2 КБ памяти и рассчитан на скорость до 20 см/с. Меньшее количество рядов сенсорной матрицы позволило сделать его на 30% меньше и несколько дешевле. Форм-фактор MBF310 — FBGA с 42 выводами. Ожидается, что пробные образцы MBF310 появятся в августе. Прогнозируемая цена: $6 в партиях от 1000 единиц.
Новые технологии

В сентябре прошлого года SGI и Nokia сообщили о начале работ над портированием OpenGL на мобильные телефоны. Разработка технологических решений была поручена Khronos Group, и вчера состоялась ратификация первой версии стандарта OpenGL Embedded Systems (ES). К этому моменту в Khronos Group уже вошли такие компании, как Epson, STMicroelectronics, SIS, ARM, TI и ATI Technologies, а также корейский оператор сотовой связи SK Telecom и девять софтверных компаний. По мнению Нила Треветта (Neil Trevett), председателя Khronos Group и вице-президента 3Dlabs, уже в конце этого года можно ждать начала поставок аппаратных ускорителей OpenGL ES 1.0. Впрочем, скорее всего большая часть телефонов будет поставляться с программной эмуляцией или ускорителями, работающими над числами с фиксированной точностью. Ускорителей с плавающей точкой в мобильных телефонов мы наверное не увидим до 2004. Кроме того, в 2004 году ожидается завершение стандарта Java-графики для мобильных телефонов JSR 226, в котором ожидается использование набора команд Worldwide Web Consortium Scalable Vector Graphics Tiny. SVG Tiny — двухмерный графический язык, похожий на XML и предназначенный для создания высококачественных текстов, карт и иконок. В группу разработчиков JSR 226 входят Nokia, Motorola, Symbian и Texas Instruments. Поэтому в следующей версии OpenGL ES 1.1 будет также добавлена поддержка SVG Tiny.
Новинки рынка
В самом начале июля Siemens провела презентацию трех новых телефонов компании для европейского рынка: MC60, C60 и A52. Компания провела свою презентацию с большой помпой, отметив большую заинтересованность Siemens в российском рынке, демонстрирующем самые внушительные темпы роста в Европе. И, как потом подтвердили GfK и Merryll Lynch, не зря: торговая марка Siemens сейчас является самой популярной в России и многих других странах Восточной Европы.

Несколько слов о самих новинках: MC60 — первый телефон компании, оснащенный интегрированной цифровой камерой. MC60 работает в частотных диапазонах GSM 900/1800/1900 МГц, экран поддерживает разрешение 101×80 точек и 12-разрядную глубину цвета, камера обеспечивает разрешение до 352×288. Кроме этого, MC60 поддерживает J2ME MIDP 1.0, GPRS Class 8 и WAP 1.2.1 с некоторыми функциями WAP 2.0, SMS, EMS и MMS. Телефон оснащен 1 МБ памяти, на месте и старые добрые сменные панельки CLIPit, полифонический звонок.
Размеры телефона составляют 109×46×21 мм, вес — 86 г. Емкость аккумуляторной батареи — 700 мАч, и этого, как утверждается, достаточно для работы в течение 5 часов в режиме разговора и до 250 часов в режиме ожидания. Ожидается, что телефон поступит на рынок в сентябре и будет доступен в трех основынх цветах: аквамариновом (Aquamarine), титановом (Titanium) и гранатовом (Grenadine).
![]() | ![]() |
C60 и A52 — телефоны попроще: C60 рассчитан на так называемую среднюю ценовую категорию, A52 является телефоном начального уровня. Говоря о том, что темпы роста рынка мобильной связи в России являются самыми высокими в Европе, приведем данные EMC Cellular Database по числу абонентов GSM: если в мае прошлого года в России насчитывалось 9,5 млн. абонентов, то в мае этого года — уже 21,6 млн. В других странах Восточной Европы также наблюдается подъем: в Чехии рост рынка мобильной связи в прошлом году составил 23%, в Польше — 40%, но в Росии этот рост был наибольшим — около 127%. При этом отношение числа абонентов сотовой связи к численности населения в России самое маленькое в Восточной Европе — менее 20%. В Западной Европе это отношение близко к 80%. Если говорить об аудитории потенциальных покупателей, то A52 предназначается для людей, покупающих сотовый телефон впервые и, по мнению Siemens, будет активнее всего продаваться на Украине. Более «навороченные» C60 и MC60, как ожидает компания, придутся по вкусу покупателям из Чехии, Венгрии и Польши.
Российскую презентацию своего нового мобильного телефона провела и компания Alcatel, на которой был представлен One Touch 331. Всемирный анонс модели состоялся 15 мая.

Модель предназначена для пользователей, которым необходим телефон в основном для связи. Главными особенностями One Touch 331 являются диапазон функций и низкая цена. Как и все предыдущие модели этого семейства, он отличается компактностью — 98×43×20 мм, малым весом — всего 77 г, дизайном. Телефон имеет функцию громкой связи, встроенный конвертер валют (включая евро), органайзер со встроенными звуковыми предупреждениями о важных датах и встречах, а также возможность прямого доступа к наиболее часто используемым функциям (клавиша 1 — для доступа к сообщениям, клавиша 5 — для виброзвонка, клавиша # — для блокировки клавиатуры и т. д.). Кроме того, батарея телефона обеспечивает до шести часов работы в режиме разговора и до 11 cуток в режиме ожидания. Новинка семейства One Touch позволяет отправлять SMS, обладает расширенной памятью на 30 сообщений. Кроме того, телефон позволяет отправлять сообщения SMS по адресам электронной почты (e-mail). Помимо этого, One Touch 331 имеет 35 встроенных звуков и полифонических мелодий. Если и этого будет недостаточно, можно загрузить новые мелодии с помощью WAP. Также можно скачать новые иконки и анимации. Любители музыки смогут сочинять и записывать в память телефона собственные композиции, поклонникам игр предназначены встроенные Killer Expo, Eyes & Star и Run, Run, Run.
Модель One Touch 331 выпускается в корпусах 6 разных цветов. Во всех вариантах вокруг экрана и области клавиатуры присутствует металлическая вставка. Alcatel One Touch 331 появится на рынке в июле 2003 года по цене около $100.
Малоизвестная пока компания Haier Group начала производство нового миниатюрного мобильного телефона P5. Необычность модели не только в карандашеобразной форме корпуса: новинка представляет собой сочетание мобильника, лазерной указки и цифрового диктофона.
![]() | ![]() |
Haier P5 выпускается в двух версиях оформления корпуса — черной и серебристой. Телефон обладает полифоническим 35-голосым звонком, телефонной книжкой на 300 номеров, голосовым набором, встроенными играми, возможностью загрузки звонков и заставок, поддержкой службы SMS. Встроенный диктофон позволяет записывать аудио продолжительностью до 15 мин. Стандартной литий-ионной батареи емкостью 420 мА·ч достаточно для 115 минут работы в активном режиме или до 70 — 150 часов в ждущем. Габариты телефона 135×27,2×17,9 мм, вес — 66 граммов. Пока что новый GSM-телефон сертифицирован лишь для стран Юго-Восточной Азии.
Довольно любопытные кабели для… зарядки сотовых телефонов от питания USB начала продавать Keyspan — ZIP-LINQ. Эти кабели ориентированы преимущественно на подключение к ноутбукам и предназначены для часто путешествующих людей, которые могли бы заряжать свой сотовый телефон, одновременно работая с портативным ПК.

Кабели ZIP-LINQ рассчитаны на работу с телефонами Nokia, Motorola, Ericcson, Siemens, Sony, Samsung, LG Mobile, Sanyo и Kyocera. Купить ZIP-LINQ можно в электронных магазинах по цене от $22 до $30.
Смартфоны
Тем временем наступила пора удивить нас компании NEC, представившей сотовый телефон с встроенным ТВ-приемником. То, что в телефон можно интегрировать телевизор, уже продемонстрировала нам Samsung, но приемник ТВ в сотовом телефоне NEC будет цифровым.

В компании считают, что хотя до обширного внедрения DTV еще довольно далеко, рынок цифрового телевидения можно весьма эффективно стимулировать выпуском таких телефонов. В настоящее время NEC разработала специальный чип, декодирующий OFDM-сигнал (OFDM — orthogonal frequency-division multiplexing, мультиплексирование с разделением на ортогональные несущие) и ориентированный на интеграцию в мобильные телефоны. Площадь чипа составляет 9 кв. мм. — довольно немного, но вот потребляет он 40 мВт, а это уже большая для сотового телефона величина. Кроме того, для будущих телефонов были разработаны специальная компактная антенна и UHF-тюнер. Первый прототип сотового телефона с приемником DTV уже прошел испытания, в ходе которых был успешно продемонстрирован прием потока видео данных MPEG-2 (звук- AAC, видео — MPEG-4). Пропускная способность приемника — 160 Кбит/с для видео и 48 Кбит/с для звука (моно). Стоит учесть, что экранчик сотового телефона, использованного в демонстрации, поддерживал разрешение до 160×120.
Прототип нового DTV-телефона будет продемонстрирован на выставке Telecom World 2003 в Женеве с 12 по 18 октября. По мнению руководства компании, подобные мобильники будут популярны уже в 2005. Именно в этом году компания планирует приступить к массовому производству этой диковинки. Разумеется, актуальным такой сервис станет лишь при наличии сети наземных ретрансляторов цифрового телевизионного вещания. В Японии, например, первые подобные сети появятся уже в декабре 2003 года (Большой Токио, Нагойя, Осака), чуть позже будет организована поддержка сервиса вещания на сотовые телефоны.
Еще в июле NEC анонсировала сотовый телефон 515 High Definition Mobile+ (HDM), и почти сразу продажи аппарата начались в розничной сети североамериканского оператора AT&T Wireless.

NEC 515 HDM был выпущен на рынок с прицелом на аудиторию любителей игр, поэтому в телефон встроено немало типично игровых «примочек»: обеспечение одновременного нажатия многих клавиш, полифонический звук, симуляция тактильных ощущений. Если продажи 515 HDM в Северной Америке будут успешными, NEC планирует выпустить еще около 20 аналогичных моделей.

Что касается технических деталей, то HDM-телефоны 500 серии NEC смогут работать в любом из четырех частотных диапазонов GSM/GPRS. Диагональ ЖК-дисплея NEC 515 составляет 2,2 дюйма, поддерживается 65536 цветовых оттенков, 40-голосная полифония, интерпретатор DoJA (специальная версия Java, созданная NTT DoCoMo совместно с Sun). И, наконец, самое главное — в NEC 515 применен выделенный процессор для обработки исключительно игровых приложений без использования ресурсов основного процессора. Таким образом, теоретически можно будет одновременно вести беседу и играть.
Упоминавшаяся несколько выше Samsung Electronics до конца года обещала представить нам до 7 новых смартфонов и начала потихоньку сдерживать свое слово. По мнению вице-президента отделения мобильной связи компании, рынок этих устройств к 2006 году составит около 30% мирового рынка мобильных телефонов. К настоящему моменту компания занимает третье место среди производителей мобильных телефонов, отставая только от Nokia и Motorola. Одна из последних разработок Samsung — MIT M400 (mobile intelligent terminal), работает под управлением Pocket PC. Модель способна выполнять функции мобильного телефона, ПК с размером дисплея 3,5″, цифровой фотокамеры, видеокамеры, GPS-приемника и MP3-плеера. По словам инженеров компании, смартфон поддерживает «все приложения, типичные для ПК — MSN Messenger, Excel, Word и т. д.». Объем памяти смартфона в базовой поставке составляет 128 МБ, максимальный объем памяти — 512 МБ. Встроенная в смартфон камера имеет разрешение 300 тыс. пикселей, угол поворота камеры составляет 270°. Интересная функция, которая присутствует в устройстве, но будет полезна только корейцам — возможность приема телепередач KBS·MBC·SBS·EBS и других телекомпаний. Помимо собственно приема телепрограмм имеется возможность захвата и записи передач.

Кстати, прогнозы Samsung в отношении продаж обычных мобильных телефонов в третьем квартале гораздо оптимистичнее, чем у конкурентов: предполагается, что за три ближайших месяца компания продаст около 13,2 млн. мобильных телефонов во всем мире.
Кроме того, Samsung выпустила новый GSM 900/1800/1900 смартфон SGH-P400, идущий на смену SGH-V200.

Новинка также оборудована встроенной цифровой камерой, однако, теперь откидной 128×160×65К цветов ЖК экран (9 строк текста) имеет две степени свободы, угол поворота экрана относительно базы составляет 180°, в перпендикулярной плоскости — до 360°, что дает дополнительные преимущества при фотосъемке.

Другим значительным отличием SGH-P400 от предыдущей модели V200 является использование Java-движка, при этом, размер памяти для Java-приложений составляет 512 КБ, телефон поставляется с четырьмя предустановленными играми. Габариты модели — 91×48×23 мм, вес — порядка 105 граммов, время активной работы от штатного литий ионного 900 мА·ч аккумулятора — до 8 часов, в ждущем режиме — до 180 часов. Ориентировочная цена Samsung SGH-P400 — порядка 400 евро.
А вот Motorola лишь планирует выпустить в конце этого года мобильный телефон, работающий под управлением ОС Microsoft. Такая информация прошла на сайте Reuters. К сожалению, ни представители Motorola, ни представители Microsoft не дали никаких комментариев данному факту. Если вспомнить, то еще в феврале представители Motorola сообщили журналистам Reuters о планах выпуска смартфона — в ответ на просьбы операторов США, однако расписание выпуска в то время не называлось. Кроме крайне расплывчатых упоминаний «4 квартала» эта дата неизвестна и по сей день. Известно лишь, что выпуском телефона займется тайваньский контрактный производитель Chi Mei Communication Systems (возможно, именно этот смартфон и получил кодовое название Beethoven). Телефон будет иметь внутреннюю антенну, его размеры — несколько меньше, чем у Mitac Mio. Встроенной камеры в телефоне, судя по всему, тоже не будет, как, кстати, и поддержки Bluetooth — хотя последнее как раз может и появиться до момента выпуска тестовых образцов.
Растет число смартфонов и на платформе Palm: PalmSource и GSL (Group Sense Ltd.) представили Xplore G18 — симпатичный и функциональный смартфон с интегрированными PIM и мультимедиа.

Xplore G18 работает под Palm OS 4.1.2, поддерживает GPRS Class 10 GSM 900/1800 МГц, SMS и MMS, оснащен 16 МБ RAM, TFT ЖК-дисплеем и цифровой камерой 320×240. Утверждается, что заряда аккумулятора телефона достаточно для работы не менее 100 часов в режиме ожидания.



